Начало & Gg; Газови котли & Gg;
Immergas е италианска компания, която произвежда отоплително оборудване от 1954 г. Тя произвежда само стенни модули, като по този начин се подобрява по-бързо в съвременните технологии. Има само около 80 модела газови котли Immergas, но не всички се доставят в страните от ОНД, а само тези, които могат да се адаптират към вътрешните метеорологични условия.

Фиг. 1 Газов котел Immergas
Много важни компоненти на котела се произвеждат изключително в италианска фабрика. Тези компоненти включват: воден котел, който съдържа оригинален спирален топлообменник, изработен от висококачествена неръждаема стомана, както и тръбопровод за котел (приложена е и инструкция). Но не се притеснявайте, че тези части ще бъдат трудни за закупуване, тъй като сервизните центрове на Immergas са разположени в цяла Европа, включително Русия.
Абсолютно всички стенни котли Immergas са висококачествени продукти, които вече са се доверили на много граждани на Руската федерация. Те се подлагат на специални тестове във фабриката, така че когато купувате тази марка, можете да бъдете абсолютно спокойни. Купувачът на газовия блок Immergaz ще получи устройство с много високо качество, което ще работи дълго време и без проблеми.
Характеристики на тези газови котли
След като сте закупили или построили дома си, първият въпрос, който ви интересува, е кой газов котел да изберете за дома си? Газовият котел Immergas е отличен вариант за тази цел, тъй като следва отлична формула - цена / качество, а също така идва с ясни инструкции за употреба. Тоест, цената е приемлива за повечето жители на Руската федерация и качеството на този продукт е много високо.
И така, какви са характеристиките, присъщи на тези монтирани на стената газови агрегати:
- Поради компактните си размери и тегло, те могат да бъдат инсталирани дори в малка кухня. Газовият блок Immergas не е необходимо да отделя отделна инсталационна стая.
- Котлите от тази марка са едноконтурни и двуконтурни. Ако просто трябва да отоплявате стаята, тогава първата опция също е подходяща. Ако в допълнение към отоплението на стаята трябва да загреете и вода за семейна употреба, тогава е по-добре да изберете двуконтурен газов котел.
- Много стенни модели агрегати имат екран с течни кристали, на който можете да видите кодовете на всички неизправности, ако има такива, но едно е сигурно, че няма да правите ремонт дълго време. Кодовете могат да бъдат дешифрирани, като се разгледат инструкциите за тези газови котли.
- Тези единици имат индикатори за режими на работа.
- Всеки котел има естествена или принудителна циркулация меден топлообменник. Ако често напускате дома, най-добре е да инсталирате с принудителна циркулация, тъй като такава отоплителна система работи напълно автономно.
- Някои модели са оборудвани със стаен термостат. Можете също да свържете дистанционно управление към устройствата - тогава ще стане още по-лесно да се грижите за стенните модули.
Устройствата за монтиране на стена Immergas не е необходимо да бъдат свързани към комин, можете просто да свържете коаксиална тръба, която премахва всички продукти от горенето през отвор в стената. Това е много удобно за тези, които живеят в апартаменти и искат да си направят автономно отопление. Инструкциите за стенни устройства Immergas ви казват как да инсталирате правилно котела, както и как правилно да се грижите за него, ако решите да го направите сами.
Основните неизправности на газовите котли Immergas
Най-често срещаният проблем е със запалването на горелката.
Той се обозначава с код 01 и може да има няколко причини.:
- Проблеми с доставката на газ. Възможно е да липсва налягане в газопровода, газовият клапан е затворен, газовият клапан е повреден и други неизправности.
- Слаби дюзи на горелката. Може да са запушени със сажди, сажди.
- Неправилно свързване на захранването. Всички европейски котли са фазово зависими, те се нуждаят от определена връзка на всички електроди и задължително наличие на заземяване. Ако връзката е направена неправилно, при стартиране котелът веднага се блокира и не може да започне работа.
ЗАБЕЛЕЖКА!
Понякога котелът внезапно спира да стартира по неизвестни причини. Необходимо е да се провери свързването на електродите на общия щит, възможно е те да са случайно объркани по време на ремонта.
Вторият често срещан проблем е прегряването на котела.
Може да бъде причинено и от няколко причини.:
- Скоростта на циркулация на течността е спаднала поради проблеми с помпата.
- Твърде твърдата вода е причинила образуването на слой от котлен камък вътре в топлообменника, който е естествен топлоизолатор и намалява ефективността на отоплението. Това стана причина за засилване на режима на горене. Възникна ситуация, когато за да се получи необходимата температура, е необходимо топлообменникът да се загрее по-силно, което причинява прекомерно натоварване на метала, увеличава разхода на газ и деактивира всички котлови блокове преди време.
Друга грешка, която често се появява на дисплея, е наличието на паразитен пламък (грешка 20). Системата вижда пламък на горелката, който в момента е изключен.
Причините за това състояние могат да бъдат:
- Кондензът пада върху контролната платка.
- Поради некачествено заземяване се появява статичен заряд, който се възприема от системата като сигнал от горящ пламък.
В допълнение към тези грешки може да има и други, по-редки и не открити от електрониката.:
- Мирис на газ, показващ теч.
- Неизправност на превключвателя за налягане при пускане, което изисква почистване на комина.
- Слаб оранжев пламък, показващ сажди или сажди, запушващи каналите на дюзата.
Повечето грешки, които се появяват за първи път, веднага се изхвърлят. Това се прави, защото електрониката на котела е силно чувствителна и често приема електрически шум като сензорни сигнали..
Ако обаче грешката се появява отново и отново, незабавно се свържете със сервизния отдел.


Как да инсталирате котел Immergas
Ако искате монтираният на стена газов агрегат да работи безпроблемно и с пълна сила, тогава ще трябва да поканите за монтаж висококвалифициран специалист в тази област. Първо, той ще има всички съставни части за закрепване на системата и не е нужно да мислите за това, и второ, професионалната работа винаги се различава от любителската работа.


Фиг. 2 Двуконтурен стенен модул Immergas
Как е инсталирането на газови котли Immergas:
- Първо трябва да решите кое оборудване е подходящо за вашия дом, да го купите и едва след това да помислите за монтаж.
- След това си струва да се намери инструкция, в която всичко ще бъде подробно написано за инсталирането на газов агрегат.
- Котелът трябва да бъде прикрепен към избраното място в кухнята или в друга стая. Ако това е стенен блок, тогава трябва да го фиксирате към стената.
- Тогава монтираният на стена апарат трябва да бъде свързан към електричество, като преди това е направил заземяване, за да се избегне изгарянето на котела по време на гръмотевична буря.
- След това трябва да инсталирате разширителен резервоар и циркулационна помпа, ако свържете отопление с принудителна циркулация.
- Следващата стъпка е да свържете двуконтурния газов блок Immergas към отоплителната система.
- След това трябва да тествате системата за течове (инструкциите посочват как да направите това).
- След това трябва да премахнете излишния въздух. Как да направите това правилно, също е описано в инструкциите.
- И последната стъпка е стартирането на двуконтурния газов блок Immergas.
Настройка на котела и отоплителната система Immergas
Има газов байпасен котел Immergas Eolo Mythos 24 4R. Програмистът го постави, заби, включи - работи. Нищо не беше настроено „работи по същия начин“ и „разберете сами“.
Общо на разположение: 1) Immergas Eolo Mythos 24 4R 2) Двутръбна отоплителна система с паралелна връзка за 4 отоплителни радиатора с ръчни регулиращи клапани. 3) Смесителният уред за подово отопление Valtec CombiMix със собствена помпа Grundfos UPS 25-40 е свързан паралелно. 4) Две линии са свързани успоредно на две нагревателни релси за кърпи (в момента те са блокирани от сферични кранове, тъй като няма самите релси за отопляеми кърпи).
На улицата сега от -5 до +10 (извън сезона) в момента не живея в апартамента, подовото отопление е настроено на минимална стойност от 20 градуса (циркулационната помпа на миксера е спряна), температурата на охлаждащата течност в котела е зададена на минимална стойност от 38 градуса. Помещение с площ 72 квадратни метра, апартамент.
Има проблеми: 1) често включване и изключване на отоплителната система (на всеки 3 минути) и работи не повече от 20-30 секунди. първата батерия към котела е най-топлата, последната е най-малко топла 2) при ръчно балансиране (натискане на потока на първия и втория радиатор се чува свиренето на първия кран на радиатора) 3) при натискане на първия и втори радиатори, котелът веднага започна да набира температура (вместо 20-30 секунди работата започна да работи в режим на отопление за 3-8 секунди).
Какво се опитах да направя и в каква посока ще намеря решения на проблемите:
1) Защо искам да намаля първия и втория радиатори? Тъй като има усещането, че първият радиатор има най-малкия контур и съответно самият той е много малък, по мое мнение играе лоша роля, защото бързо загрява връщащата линия и поради това котелът се изключва преждевременно и едва след това загрява последните радиатори чрез рециркулация. 2) Съществува мнение, че след натискане на първия и втория радиатор байпасът на котела или някакъв друг байпас (например топъл смесител за под) започва да работи, тъй като радиаторите не се нагряват много, но в същото време котелът веднага започна да повишава целевата температура за 3-8 секунди. 3) За да може котелът да се включва по-рядко и да работи за по-дълго време, искам да намаля минималната мощност на котела и интервала при включване, искам да вляза в режим на програмиране на котела и да преместя границата на минималната мощност на отопление надолу , докато е възможно допълнително да се увеличи интервалът на превключване от 3 минути на 10 минути. 4) Байпасът на котела е регулиран и ако се окаже, че байпасът на котела е този, който заобикаля, струва ли си да го натиснете надолу? 5) Кой трябва да участва в оптималната настройка, регулиране, програмиране и балансиране на котела? Котелни специалисти или работници на газ? Или обикновен водопроводчик или потребител? 6) През следващото лято планирах да затворя всички отоплителни радиатори и да оставя само контурите на отопляемите релси за кърпи (но сега се съмнявам дали това ще бъде „твърде малко“ за този котел в режим на отопление) ако дори сега в минимална температура на нагряване котелът се включва и изключва.
Как да изберем правилните монтирани на стена двуконтурни единици Immergas
Преди да закупите двусхемен модул за стена, трябва да решите какви функции трябва да изпълнява, каква мощност да има, каква циркулация и др. Също така трябва да поканите специалист, който ще ви помогне да инсталирате правилно газовия котел Immergas. Ако имате нужда от отоплително оборудване само за отопление на къщата, тогава е по-добре да изберете едноконтурен котел - той е едновременно по-евтин и по-икономичен. Е, ако паралелно трябва да загрявате и вода за семейна употреба, тогава е по-добре да изберете двуконтурен модел.
Двуконтурните котли са най-популярните модели по целия свят.
Те могат да отстраняват отпадъчните газове чрез:
- Принудителна тяга.
- Естествен глад.
За хората, които живеят в високи сгради, най-добре е да изберете принудителна тяга за отстраняване на отработените газове, тоест да закупите коаксиална тръба (можете да намерите инструкции и да прочетете как да я инсталирате, така че да не се налага да правите ремонт по късно). А жителите на частни къщи трябва да направят комин за газовите блокове Immergas.
Настройка на единица капацитет
Можете да регулирате оптималната мощност на газовия котел Imeergas с помощта на газовия клапан. Настройката на работната мощност на газов котел се извършва, както следва:
- поставете превключвателя за БГВ в желаното положение;
- отворете крана за топла вода;
- регулирайте необходимата мощност, като използвате регулируемата гайка на газовия клапан;
- регулирайте топлинната мощност, като завъртите по посока на часовниковата стрелка, за да я увеличите, или обратно, за да я намалите.
Минималната топлинна мощност може да се регулира с помощта на пластмасовия винт, разположен на газовия клапан. В същото време регулиращата гайка трябва да остане неподвижна. Препоръчително е да изключите захранването към модулиращата намотка на клапана и след това да завъртите винта по посока на часовниковата стрелка, за да увеличите налягането или брояча, за да го намалите. След това мощността на бобината трябва да бъде върната.
…
Забележка! Минималната мощност не трябва да бъде по-малка от посочената в характеристиките на устройството.
Предимства и недостатъци
Предимствата на газовите стенни котли Immergaz включват следното:
- Много функции. Такъв газов котел може да работи автономно и не изисква чести ремонти.
- Малък размер. Това оборудване съдържа две съоръжения: система за нагряване на вода и котел за отопление на помещение. Инструкциите за газовия котел са много прости, така че всеки може да го разбере.
- Окачените на стена котли могат да бъдат със затворена или отворена горивна камера. Затворената горивна камера е по-безопасна за здравето. Но газовите котли с такава камера са по-скъпи. След монтажа на такъв котел дълго време няма да се изисква ремонт.
Но има някои недостатъци в газовите котли Immergaz:
- Евтини резервни части.
- Ако газовият котел е бил сглобен в Италия, тогава цената му ще бъде висока.
- Бутоните на контролния панел са неудобни и трудни за натискане.
Газовите котли Immergas са сред най-добрите в Европа.
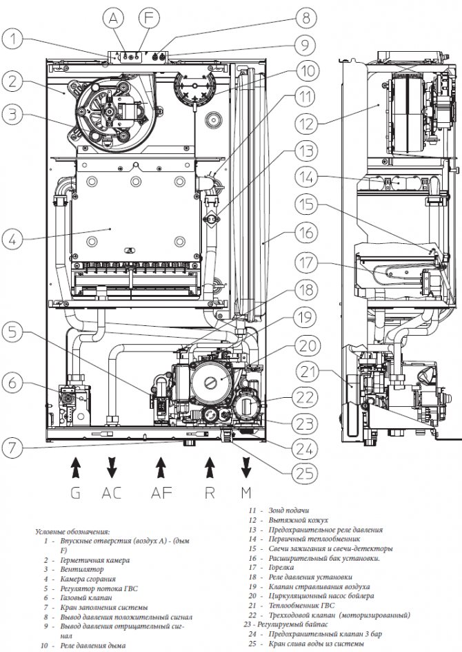
Устройството и основните елементи на котела
Важно е да знаете котела си, за да извършите най-простите процедури за поддръжка. Въпреки че моделът може да се различава от модела, основните елементи могат да бъдат намерени в случая:
- горивна камера;
- топлообменник;
- разширителен резервоар;
- газов котлон;
- циркулационна помпа;
- Контролен блок.
Особено внимание трябва да се обърне на устройството на долната част на корпуса, тъй като тук са свързани входовете и изходите на веригите и са разположени други важни части.


Схема на котела Navien
По-близо до стената има 4 свързващи тръби:
- Вход за фураж.
- Вход за връщане (с предпазен клапан).
- Изход за топла вода.
- Студена вода.
Следва малка тръба за подаване на газ.
Пред входа за връщане има филтър за топла вода, а още по-близо - дренажен щепсел.
Пред изхода за БГВ има грим кран, с който системата се пълни с вода.
Принципът на системата от замръзване. Когато температурата в тръбите падне под -10 °, помпата се включва автоматично, което задвижва охлаждащата течност и предотвратява нейното замръзване. Ако температурата продължи да спада и достигне -6 °, се задейства горелката, която загрява водата до + 21 °.







