Контролен списък на необходимите действия
Ако стана известно, че в къщата е разрешено инсталирането на индивидуално отопление, не може да се избегне дълга разходка през властите:
- На първо място, трябва да отидете в местната организация, отговорна за доставката на газ, и да напишете изявление там относно инсталирането на газов котел в апартамента. След определено време на собственика на жилището се издава становище относно разрешението или забраната за инсталиране на отоплителното тяло. Ако получите положителен отговор, можете да инсталирате хардуера.
- След това имате нужда от проект. Той трябва да бъде поръчан от дизайнерско бюро, оторизирано за този вид работа. Адресът му може да бъде получен от доставчика на газ. На този етап е препоръчително да изберете модел на котел и брояч. За тях трябва да се изготви проектна документация и данните да се посочат в спецификацията. Факт е, че след одобрение промените могат да бъдат направени само по-късно и срещу отделна такса. Ако проектът е подписан, в него не може да се промени нищо, трябва да поръчате нов.
- В пожарните власти трябва да разберете адреса и името на организацията, която проверява състоянието на вентилационните канали, и да се съгласите с нейните специалисти за услугата. Представител на компанията ще дойде и ще провери качеството на вентилацията. Ако всичко е наред, ще бъде издадено разрешение за инсталиране на газов котел в апартамента. В случай на незадоволително състояние на комина се съставя акт със списък на работите, които трябва да се извършат. След отстраняване на недостатъците трябва да поканите отново специалист, за да получите разрешение.
- На следващия етап в отоплителната мрежа се подава заявление за отказ от отопление. Ако планирате сами да затопляте водата, трябва също да откажете подаването на топла вода. Препоръчително е незабавно да се изясни времето на мерките за изключване. Проектът за преработка, одобрен от Gorgaz, вече трябва да е на разположение.

- Данните за закупения брояч и котел се съобщават на организацията на проекта. След това готовата документация се отнема. Не си струва да купувате оборудване предварително, тъй като разрешение за инсталиране на газов котел в жилищна сграда не винаги може да бъде получено.
- След това в отдел Gorgaz се сключва споразумение за поддръжка на блока и проектът за газификация се представя за одобрение.
- След като получите подписания проект във вашите ръце, можете да започнете да изключвате от отоплителната мрежа. В този случай ще трябва да източите водата от отоплителната система на цялата къща.
- Освен това собственикът на апартамента трябва да монтира индивидуална отоплителна система. Котелът е инсталиран без свързване към газопровода, системата се проверява за херметичност и готовност за работа.
- В "Gorgaz" откриват датата, когато е възможно да се монтира газов котел в жилищен блок в конкретен апартамент. Неговите служители ще свържат тръби и оборудване в съответствие с проекта, ще запечатат брояча, ще пуснат печката и уреда.
- За да бъде валидна гаранцията за газовия котел, ще се изисква настройка и изпълнение на първото пускане, последвано от маркировка в паспорта. За този вид работа се свържете с отдела, където устройството е доставено за сервиз. Капитанът ще настрои котела, ще стартира системата и ще постави печат в паспорта. Сега можете да използвате монтираното оборудване.
Целият процес, описан по-горе, в съответствие с изискванията за инсталиране на газов котел в жилищна сграда, ще отнеме от 1,5 до 2,5 месеца. Затова е препоръчително процедурата да започне през пролетта или в самото начало на лятото.
Правила за инсталиране на газови уреди в апартамент
Най-малко проблеми с подреждането на индивидуалното отопление възникват сред собствениците на нови апартаменти, които не са свързани с централизирана отоплителна система. В този случай не е необходимо да посещавате отоплителната мрежа и не е необходимо да се изключвате от щранговете, а разрешението за инсталиране на отопление на газ в жилищна сграда може да бъде в пакета от документи за недвижими имоти.
Но в този случай трябва да се придържате към определени правила. На първо място, като имате под ръка документи, не можете сами да инсталирате газово оборудване - тази работа трябва да се извършва от специалисти. Това могат да бъдат не само служители на газоснабдителна организация, но и представители на компания, с която този вид дейност е лицензирана.


След приключване на инсталацията, инженерът на компанията, доставяща газообразно гориво, ще провери правилността на връзката и ще издаде разрешение за използване на котела. Едва след това може да се отвори вентилът, водещ към апартамента.
Преди да започнете, в съответствие с изискванията за инсталиране на котел в жилищна сграда, трябва да се провери индивидуална система за топлоснабдяване. За целта се изстрелва под налягане от най-малко 1,8 атмосфери. Този параметър може да се контролира с помощта на манометъра на отоплителната единица.
Ако тръбите са вградени в пода или стените, препоръчително е да увеличите налягането и да прокарате охлаждащата течност през тях за поне 24 часа. Само след тестване на системата можете да сте сигурни, че няма течове и че връзките са сигурни.
Оборудването трябва да се обезвъздуши преди стартиране. Тъй като при инсталиране на газов котел в жилищна сграда системите се правят затворени, трябва да използвате крановете на Маевски, налични на радиаторите. Във всяка батерия се отделя въздух, заобикаляйки ги няколко пъти на свой ред, докато в тях не остане въздух. След това системата може да бъде стартирана в работен режим - включете захранването с топлина.


Не трябва да се забравя, че съвременните агрегати се управляват чрез автоматизация и такива устройства изискват напрежение. Поради това се препоръчва да се използва стабилизатор на напрежение и непрекъсваемо захранване. За да се предпази котелът от натрупвания по вътрешната му повърхност, трябва да се монтират филтри на входовете за гориво и студена вода.
Електрически контакт и друг газов уред трябва да се поставят на разстояние най-малко 30 сантиметра от устройството.
Процедурата за инсталиране на газов котел в апартамент
Газовият котел се инсталира от специална инсталационна организация, която има разрешения за правото на работа. Работата се извършва изключително съгласно одобрения проект.
След като проектът бъде одобрен от регулаторните органи, се избира подходящото оборудване в съответствие със спецификациите. Преди да инсталирате газовия котел, се проверява пълнотата и изправността на закупените стоки.
Алгоритъм за извършване на монтажни работи в апартамент с централно отопление в многоетажна сграда:
- Поставете защитно огнеустойчиво покритие на стената, където се намира устройството.
- Закрепването се поставя под хоризонталното ниво; обикновено се доставя с котела.
- Устройството е окачено на стойката и нивото се проверява от нивото.
- Котелът е снабден с вътрешни инженерни системи: вода, отоплителни тръби и електрически мрежи.
- Връзката на котела от страната на газа с инсталирането на търговски газомер се извършва от представител на газовата компания.
- Електрическото свързване и подреждането на защитна система за заземяване от газовия котел се извършват от електрически персонал.
- Свържете се с електричество, проверете ефективността на системата за заземяване.
- Първото стартиране след проверка на спазването на правилата за инсталиране на газов котел се извършва от представител на газовата компания.
- Съставя се акт за въвеждане на котела в експлоатация с представители на клиента, проектантската и монтажната организация, както и противопожарната инспекция, архитектурният отдел и SES.
Подреждане на помещение за бойлер
Най-добре е да инсталирате монтиран на стена газов уред в кухня, чието оформление отговаря на стандартите за поставяне на такова оборудване. Също така в тази стая вече има доставка както на вода, така и на газ.


Ето как изглеждат нормите за инсталиране на газов котел в апартамент:
- Площта на помещението, където се планира инсталирането на оборудване, когато таваните в него не са по-ниски от 2,5 метра, трябва да надвишава четири квадратни метра.
- Задължително е да имате прозорец, който се отваря. Площта му трябва да бъде 0,3 квадратни метра. м. за 10 кубически метра обем. Например, размерите на стаята са 3x3 метра с височина на тавана 2,5 метра. Обемът ще бъде 3x3 x2,5 = 22,5 m3. Това означава, че площта до прозореца не може да бъде по-малка от 22,5: 10 х 0,3 = 0,675 кв. м. Този параметър за стандартен прозорец 1,2х0,8 = 0,96 кв. м. Ще се справи, но се изисква наличието на транец или прозорец.
- Ширината на входната врата не може да бъде по-малка от 80 сантиметра.
- Трябва да има отвори за таван.
Изисквания за инсталиране на газов котел
Инсталирането на газов котел в частна къща ще изисква спазване на изискванията, определени в SNiP 31-02-2001. Оборудването се инсталира в добре проветриво помещение на първия или сутеренния етаж, плътно затворено от врата. В изключителни случаи, с мощност на оборудването до 150 kW, се допуска монтаж на тавана в специално обособено помещение. В кухнята могат да се монтират котли с мощност не повече от 35-60 kW (в зависимост от тарифата, използвана от газовата служба).


Собственикът на къщата има право самостоятелно да избере мястото на инсталиране на устройството, като вземе предвид изискванията на SNiP. Решаваща роля обаче ще изиграе мнението на служителите на газовата служба, издаващи разрешения за инсталиране на отоплителната система. Те разглеждат характеристиките на стаята, вземат предвид регионалните разпоредби. Газовите работници имат право да изискват отделно помещение за котелно помещение, направено в съответствие с нормативните изисквания.
Не всяка стая е подходяща за монтиране на устройството. Той трябва да бъде изолиран от други стаи с врата, да има добра естествена вентилация и прозорец с изглед към улицата. Минималната площ е 15 кв. м. Неспазването на изискванията ще доведе до отказ за издаване на разрешителни и въвеждане в експлоатация на оборудването.
В апартаментите инсталирането на газов котел се извършва в кухните, като се вземат предвид изискванията на SNiP 2.08.01:
- Наличие на захранваща вентилация с достатъчно подаване на чист въздух в апартамента (изчислението се извършва индивидуално, като се вземе предвид капацитетът на газовото оборудване, разположено в кухнята).
- Площта на помещенията е не по-малка от 4 - 5 кв.м.
- Височина на тавана най-малко 2 - 2,5 m.
- Наличието на прозорец с прозорец (0,3 m² на 1 m² етаж) или балконска врата с вентилирана функция.
- Заземяване на системата преди пускане в експлоатация.
- Стените трябва да бъдат подравнени.
- Наличието на плътно затваряща се врата, широка 80 см, с малка междина за вентилация (от 2 мм).
Ако стаята не е оборудвана с вътрешна врата (например, собствениците са направили арка или са свързали кухнята към стаята), газовата служба няма да издаде разрешение за инсталиране на газов котел. Собственикът ще трябва да го възстанови или да изостави идеята за инсталиране на индивидуално отопление.
Изчисляването на въздушния поток през захранващата вентилация се извършва индивидуално, като се отчита мощността на агрегата. 1 kW трябва да има най-малко 8 cm².
Монтажът на газово отопление е невъзможен без връзка с централната газоснабдителна система и индивидуално измервателно устройство. Можете да инсталирате измервателния уред заедно с отоплителното устройство, след като предварително сте получили проекта и разрешението за неговото инсталиране.
Препоръки за инсталиране на газово оборудване
В приложените към продукта документи всеки производител описва изискванията за инсталиране на газов котел в апартамент. За да бъде валидна гаранцията, предоставена от производителите, уредът трябва да бъде инсталиран в съответствие с техните препоръки.


Списъкът с изисквания е както следва:
- Котел за стена отделени от стените с негорим материал. Когато сте с плочки или покрити със слой мазилка, това ще е достатъчно. Уредът не трябва да бъде окачен веднага на повърхност, облицована с дърво.
- Етаж поставени върху негорима основа. Ако подът има керамични плочки или бетон, не е нужно да правите нищо. Върху дървената настилка трябва да се постави лист топлоизолационен материал, а върху него да се закрепи метален лист, чийто размер надвишава размерите на котела с 30 сантиметра.
Проектиране на проекти
Проектът се разработва, като се вземат предвид действителното състояние на апартамента и всички плюсове и минуси на котела, както и условията, отбелязани в техническите спецификации. Създаването на проект може да се извършва само от специалисти, лицензирани да извършват съответната работа.


Освен това завършеният проект се изпраща за одобрение до регионалните офиси на надзорни агенции, които контролират безопасното функциониране на газовото оборудване: газ, пожарна инспекция, SES, управляваща компания, архитектура и други заинтересовани организации, участващи в експлоатацията на инженерни мрежи на апартамент сграда. Списъкът на одобренията може да бъде получен от отдела по архитектура на общината.


Приблизителен списък на документите за получаване на одобрение за инсталиране на газов котел:
- Проект със схеми и спецификация на оборудването.
- Технически паспорт на котела от производителя.
- Инструкции за безпроблемна поддръжка на котела от производителя.
- Сертификати за газов котел в апартамент и оборудване за съответствие с държавните стандарти за качество и изискванията за пожарна безопасност и SES.
Изисквания за подреждането на комина
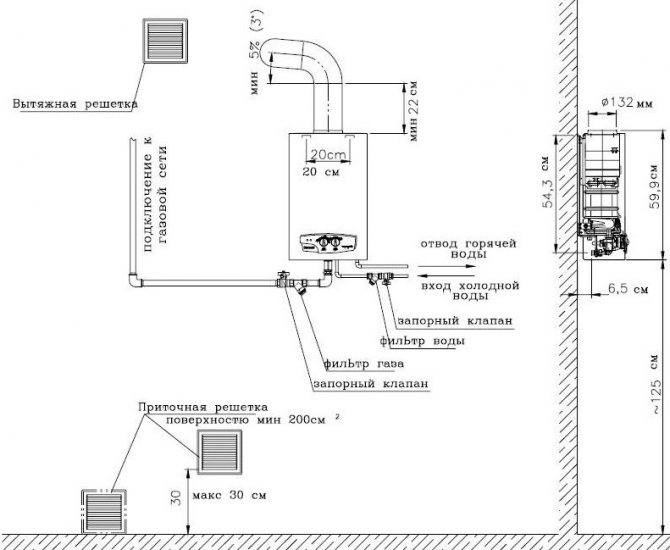
Когато газов котел от всякакъв тип е инсталиран в апартамент на жилищна сграда, коминът не трябва да бъде по-тесен от изхода му. Ако устройството има отворена горивна камера и мощност не по-голяма от 30 kW, напречното сечение на комина не може да бъде по-малко от 140 милиметра и с капацитет 40 kW - диаметър 160 милиметра.
Ако котелът има затворена горивна камера, той е оборудван с коаксиален комин с размер на напречното сечение, препоръчан от производителя.


След това трябва да се придържате към тези правила:
- тръбата, излизаща от монтираната на стената газова единица, трябва да има дължина най-малко 50 сантиметра и тогава може да се монтира само коляното;
- не трябва да се създават повече от три завоя по цялата дължина на комини;
- продуктите от горенето от уреди с отворени горивни камери се отстраняват в комина, а при затворени - също в комина или през стената директно към улицата (методът зависи от проекта).
Какво трябва да замените през 2020 г.
Ако планирате да инсталирате нов котел в друго помещение, вземете предвид следните изисквания:
- Монтажът е разрешен само в нежилищни помещения с врата.
- За инсталирането на оборудване с отворена горивна камера е необходимо да имате прозорец с отдушник и площ на помещението от 8 m2 или повече. За затворени устройства изискванията са само по отношение на обема - от 9 m².
Как да завършите инсталацията и да съберете документи:
- Напишете заявление до газовата служба за разрешение.
- Получете списък със спецификации. Ако се окаже, че се променя само оборудването, тогава проектът остава същият. Ако мястото на инсталация, схемата за доставка на комуникации се промени, тогава се разработва нов проект. За да направите това, трябва да се свържете с компания с лиценз.
- Вземете паспорта на сградата от компанията за подмяна.С него, акт за състоянието на коминните канали, акт за съответствие на оборудването със стандарти, свържете се с газовата инспекция.
- Демонтаж, монтаж, пускане в експлоатация.
Можете сами да направите събирането на документация или да дадете указания на специална служба.
Разрешено ли е неоторизирано инсталиране на оборудване в частна къща или апартамент?
Инсталацията „направи си сам“ не е забранена от документални доказателства. Не е разрешено само неоторизирано свързване към газопровода. Останалата част от работата може да бъде изпълнена от потребителя, ако той има умения.


Ако свържете газ без одобрение, ви грози глоба от 10 000 до 15 000 рубли (съгласно член 7.19 от Административния кодекс на Руската федерация). Много потребители не се страхуват от това: те извършват инсталацията неоторизирано и след това плащат глоба. Но си струва да разберете, че застрашавате не само себе си, но и съседите си.
Какви действия трябва да се предприемат при подмяна:
- За организацията на кондензационни котли се изисква свързване към мрежата, свързване на системата за отводняване на кондензат съгласно правилата.
- Преди да включите, ще трябва да се споразумеете за състоянието на комина. Проверката се извършва от специалист по газови услуги. След това подобен одит ще се извършва веднъж годишно.
- Ако извършвате самостоятелна работа, няма да получите гаранция.
Избор на газов котел
Преди да поставите котел в апартамент, трябва да направите най-добрия избор. Стенни и подови котли могат да се монтират в многоетажна сграда. Стенните модели се считат за по-естетични и удобни по отношение на поставянето. Техните размери са сравними с размерите на кухненските стенни шкафове и поради това те се вписват добре във вътрешността на стаята.
С монтажа на подови единици ще бъде по-трудно, тъй като те не винаги могат да бъдат притиснати близо до стената. Този нюанс зависи от местоположението на тръбата за отвеждане на дим. Ако е отгоре, тогава устройството, ако желаете, се премества на стената.
Котлите също се предлагат в едно и двуконтурно. Първият от тях работи само за топлоснабдяване, а вторият - за отопление и отопление на водата. Когато за БГВ се използва друго оборудване, тогава един верижен модел ще бъде достатъчен.


Ако водата се загрява от газов котел, тогава ще трябва да изберете един от двата метода: котел за непряко отопление или поточна намотка. И двата варианта имат недостатъци. Когато се използва намотка, което означава, че се извършва моментално нагряване, не всички устройства могат да поддържат зададената температура.
Поради тази причина в котлите трябва да бъдат зададени специални режими на работа, те се наричат по различен начин в различните устройства. Например в моделите Navien (прочетете за неизправности на котела Navien), Beretta е „приоритет на топлата вода“, а във Ferrolli е „комфорт“.
Недостатъкът на отоплението на котела е, че газообразното гориво се изразходва, за да се поддържа стабилна температура на водата в резервоара. Освен това резервът на загрята вода е ограничен. След консумацията му трябва да изчакате, докато новата порция се загрее.
Изборът на горните методи е индивидуален въпрос, но трябва да запомните, че с проточната версия ще трябва да се съсредоточите върху производителността на отоплителната вода в минута, а при котелно помещение - върху обема на резервоара.
Газовите агрегати се различават по вида на използваната горелка, които са:
- единична позиция;
- двупозиционен;
- модулиран.
Най-евтините са еднопозиционните, но в същото време са и най-икономичните, тъй като винаги работят с пълен капацитет. Малко по-икономични са двупозиционните, които могат да работят както със 100% мощност, така и с 50%. Най-добрите горелки се считат за модулиращи, тъй като имат много режими на работа, което спестява гориво. Изпълнението им се контролира автоматично.


Горелката е разположена в горивна камера, която може да бъде или отворена, или затворена. Кислородът за отворени камери идва от стаята и продуктите от горенето се отстраняват през атмосферен комин.
Затворените камери са оборудвани с коаксиална конструкция на комина, а кислородът за горене влиза в тях от улицата. В този случай продуктите от горенето се отстраняват по централния контур на комина и въздухът навлиза отвън.
Подови модули са оборудвани с надуваема или атмосферна горелка. Когато подов котел е инсталиран в жилищна сграда, е разрешено да се използва атмосферна горелка в апартамента. Повечето от тези газови уреди имат затворена горивна камера, което означава, че са оборудвани с турбина и коаксиален комин.
Стандарти за поставяне на газов бойлер в апартамент
Важно е да се придържате към правилата за инсталиране на газов бойлер за целите на пожарната безопасност:
- стандарти за стаите: площта на кухнята трябва да бъде най-малко 7,5 кв. м.; минималната височина на тавана в апартамента е 2 м;
- диаметър на отвора на комина - не по-малък от 120 mm;
- трябва да монтирате колоната върху тухлена или бетонна стена и за по-добра защита (за да се избегне пожар) е важно да инсталирате поцинковани листове по време на монтажа;
- естествената вентилация е предпоставка за инсталиране на колоната;
- забранено е инсталирането на устройството директно над газовата печка;
- колоната трябва да бъде разположена на разстояние най-малко 1,5 м от електрическите уреди;
- наложително е аспираторът за газов бойлер в апартамента да бъде монтиран в кухнята, тъй като продуктите от горенето трябва да се изхвърлят навън. В апартамента тези продукти се отстраняват през вентилационния канал. Съгласно стандартите, не повече от 2 единици могат да бъдат свързани към една качулка. А качулката може да се монтира само близо до стена, изработена от негорими материали;
- трябва да присъстват специални сензори, за да могат да се използват за наблюдение на присъствието на продукти от горенето във въздуха. Това е необходимо, за да може, когато нивото на продуктите от горенето във въздуха е надвишено, сензорите да изключат подаването на газ или да уведомят жителите за проблема;
- в кухнята, където се намира газовият бойлер, трябва да има врата;
- забранено е маскирането на газовите тръби и самата колона. Газовите специалисти винаги трябва да имат лесен достъп до оборудване и тръби.
Изчисляване на мощността на котела
Когато е избран типът на отоплителното тяло, трябва да решите за неговата мощност. Ако желаете, можете да поръчате изчисление на топлотехника, което ви позволява да определите топлинните загуби в помещенията. Въз основа на тази цифра те започват да избират мощността на котела.
Възможно е да не се правят изчисления, а да се използват нормите, получени от опита, според които 1 кВт мощност на котела се изисква за 10 "квадрата" на площта. Този резултат трябва да бъде допълнен с марж на изпълнение за различни загуби.
Например, за да се достави топлина на апартамент с площ от 60 "квадрата", е необходимо устройство от 6 kW. Ако се планира отопление на водата, добавете 50% и получете 9 kW мощност, а в случай на необичайно студено време още 20-30%. Крайният резултат е 12 kW.


Но това е изчисление за централна Русия. Ако селището е разположено на север, производителността на единицата трябва да бъде допълнително увеличена. Конкретната стойност зависи от степента на изолация на къщата. За панелна или тухлена високоетажна сграда това ще бъде 50% или повече.
Котелът трябва да има достатъчна мощност, за да осигури комфорт в апартамента, така че не трябва да пестите от него. Разликата в разходите няма да е голяма. Ако се закупи автоматизиран котел, няма да има прекомерно потребление на газ, тъй като такива модели агрегати са най-икономични.
Процесът на получаване на разрешение, свързан с това дали е възможно да се постави газов котел в апартамент, е доста сложен, скъп и отнема много време. Но всички усилия си заслужават, тъй като е много по-добре да живеете при комфортна вътрешна температура. В същото време ще трябва да платите за индивидуално отопление по-малко, отколкото за централизирано отопление.






