Класификация на термостатите
Терморегулаторите за отоплителни котли осигуряват даден температурен режим на помещението с достатъчно висока точност. Отклоненията, като правило, не надвишават 0,50 С - 1,00 С. Тяхната работа се извършва с помощта на различни изпълнителни механизми, което всъщност определя принадлежността на термостата към един или друг тип. По броя и съдържанието на изпълняваните функции устройствата са класифицирани както следва:
- Еднофункционален (поддържане на изключително зададена температура).
- Многофункционален или програмируем.

Според вида на изпълнението термостатите са разделени на устройства, които са свързани към отоплителния котел посредством проводници и безжични. Инсталирането на устройството за управление се извършва на достъпно място, което осигурява достатъчен въздушен поток. Освен това е препоръчително да се изключи поставянето на битови електрически уреди (телевизори, отоплителни и осветителни устройства и др.) В близост до регулатора, тъй като това може значително да повлияе на правилността на неговата работа.
Програмируем стаен контролер
Програмируем термостат за отоплителен котел осигурява възможност за избор на необходимата (удобна) температура за желания период от време, той може лесно да бъде конфигуриран в друг работен режим. Оборудването на устройството с таймер ви позволява да зададете различни модели за функциониране на отоплителната система за почивните и делничните дни. Има таймери, които могат да поддържат определени параметри в зависимост от деня от седмицата. Наличието на такива функции в температурния контролер ви позволява да регулирате системата за отопление на помещенията в съответствие с преобладаващия начин на живот и да гарантирате поддържане на температурния микроклимат дори по време на отсъствието на собствениците.
Този контролер има някои опции, които значително разширяват възможностите на отоплителната система като цяло:
- "Batch", функция, която осигурява периодично изключване (за няколко часа) и последващо възобновяване на системата.
- "Празненство". Целта на тази опция е да увеличи или намали интензивността на отоплението на помещенията за даден брой дни.
- „Припокриване“. Мисия, която ви позволява временно да промените настройките на програмата в един от периодите.
Централно приспособление
По правило устройство от този тип се използва за ефективно управление на отоплителната система на цялата къща и се поставя на известно разстояние от отоплителния котел. Такива устройства са оборудвани с дилатометричен термостат, който работи дистанционно. Принципът на неговото действие е да измерва температурата на околната среда и в зависимост от нейните колебания да включва (изключва) отоплителния котел.
Многофункционален таймер-термостат, базиран на радиоконструктор Masterkit


В помощно стопанство, както и в частна къща или работилница, гараж, има много процеси, свързани с температурни промени и възможна реакция на тези промени. Освен това реакциите могат да бъдат доста разнообразни и зависят от времето и календара. Може да бъде „голям брат“ за гледане на терариум аквариум или сложна стъпаловидна топлинна обработка във високотемпературна фурна, управление на отоплителна и вентилационна система у дома или просто звънене в образователна институция.
Не е трудно да се реши такъв проблем, като се използва микропроцесорен радиодизайнерски модул като управление. Например NM8036, предлаган от Masterkit.
Основните характеристики на устройството.
Управление на таймера:
Включване на товара в определен период от време Управлявайте натоварванията в определени дни от седмицата, дни в месеца или в избрани месеци.
Контрол на температурата (термостатиране):
Управление като охладител Управление като нагревател
Звук на будилник + светлина (подсветка на дисплея).
1. Брой свързани температурни сензори: 32. 2. Енергичен часовник в реално време (пълен календар, като се вземат предвид високосните години). 3. Запазване на всички настройки в енергонезависима памет. Продължаване на правилната работа на програмата в случай на временно изключване от мрежата. 4. Резултати: a. оптоизолирана каскада за свързване на силови триаци (по избор - 4 оптрони вече са на платката, възможно е да добавите още 8 за управление на външни тиристорни / триакови силови каскади) b. логически изходи с максимален ток 10mA.
5. Дистанционно управление на термостата през COM порта на компютъра посредством специално разработен софтуер. 6. Възможност за актуализиране на вътрешния софтуер с нови версии от сайта https://www.masterkit.ru. 7. Индикация: 2-редов 16-знаков LCD-дисплей с възможност за програмно управление на контраста и яркостта на подсветката. 8. Звукова индикация от вградения микро говорител.
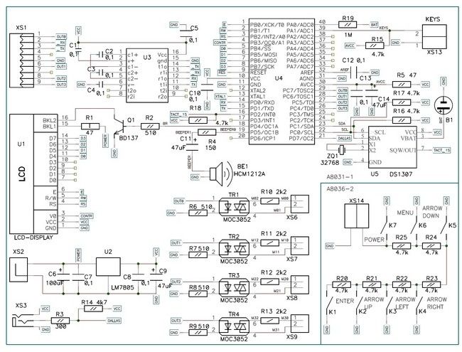
Схематичната схема на устройството е представена по-долу.


Описание на веригата
Термостатът е базиран на микроконтролера Atmel Mega32. Към входно-изходните портове са свързани: текстов двуредов индикатор, микросхема с часовник в реално време DS1307, драйвер на ниво MAX232IN, оптосимистори. Клавиатурният блок е проектиран като отделна дъска. Кодът на натиснатия клавиш се декодира от аналогово-цифровия преобразувател (ADC) на контролера. Освен това ADC следи състоянието на резервната батерия на часовника. Регулаторът на напрежението е направен върху микросхемата LM7805. Температурните сензори DS18B20 са свързани чрез 1-жичен протокол. Яркостта на подсветката се контролира с помощта на транзисторен превключвател. Използвайки миниатюрен високоговорител, свързан чрез разединителен кондензатор и амортисьорен резистор към порта на контролера, устройството може да генерира аудио сигнали. Работоспособността на веригата се осигурява от вътрешната програма на микроконтролера. В началото програмата анализира 1-жичната шина и инициализира "регистрираните" температурни сензори в 12-битов режим на термично преобразуване. След това всички други блокове се инициализират (текстов индикатор, порт RS232, микросхема на часовника). След инициализацията системата влиза в режим на основния цикъл. В този режим има непрекъсната обработка на актуализирана информация от часовника, от сензорите, а също и анкети за състоянието на контролните бутони. Освен това процесът, отговорен за управлението на таймера, непрекъснато работи.


Устройството се предлага под формата на комплект радиоелементи с печатни платки, включително микроконтролер с програма. Структурно сглобеният термостат-таймер изглежда като триизмерен модул, сглобен от три платки. На най-голямата платка "дънна платка", върху метални винтови опори, са инсталирани две допълнителни дъски - индикатор и клавиатура.
Какво е използвано.
Инструменти.
Комплект инструменти за радиоинсталация, разбираемо поялник с аксесоари, мултицет. Полезен беше мозайката за бижута. Малки ключарски инструменти. Всичко за пробиване на дупки, плюс тренировки. Използвах лепило за топене. Сграда сешоар за работа с топлинни тръби. Пояло с капацитет около 60 вата, за конструктивно запояване. На някои места бяха полезни бормашина, малка газова горелка, отвертка.
Материали.
Самият радиодизайнер. Използвани са и радиоелементи за електронни ключове, захранване, парчета покрит с фолио материал за печатни платки, различни термо тръби, монтажен проводник, крепежни елементи. Поцинкована ламарина за предния панел, парче плексиглас.Достъп до компютър с принтер.
Първоначално модулът се използва като устройство за управление на подово отопление в градски апартамент.


Цялата отопляема площ (коридор, кухня, баня-тоалетна) се състоеше от четири независими нагревателя. "Тънко подово отопление" беше положено в слой лепило за плочки. Заедно с всяка отоплителна мрежа е зазидан цифров сензор за температура DS18B20. Всички жици бяха въведени в специален шкаф в кухнята. Имаше и някои електрически компоненти, които не са свързани с подово отопление - блок за плавно включване на халогенни лампи в банята (както в театър, без него те имаха изключително нисък ресурс), RCD на котел. Контролният блок беше снабден с триак ключове на мощни радиатори, захранване. Шкафът имаше две вентилационни решетки и врата с ключалка.


По-горе, диаграма на един от симисторните превключватели. RC схемите, показани на фигурата, свързани паралелно с тиристори, се препоръчват да се използват за подобряване на техните динамични характеристики. Колкото по-малък е диапазонът, съпротивлението на резистора съответства на резистивното натоварване, а по-голямо е индуктивното. Успоредно с товара беше включена неонова лампа. Поставен на видно място, много удобен за настройка и наблюдение на работата.
В селото термостатът-таймер бе преместен в кутията от стария системен блок на компютъра. Основното поле на неговата дейност е управлението на нагревателни елементи в пещта. По това време често ми се налагаше да напускам за няколко дни, включително през зимата. Отоплението на къщата е много инерционен процес - първите един и половина до два дни след пристигането, трябваше да замръзна. Автоматичното управление на електрическото отопление във фурната, избягва това, с разумен разход на електроенергия.


Тъй като блокът за управление се намираше отвън - в недовършеното мазе на къщата, корпусът беше изолиран и един от каналите беше натоварен с малък нагревател от няколко вата от пет ватови резистори в правоъгълен керамичен корпус (стрелка на снимката ). Те поддържаха няколко градуса над нулата вътре в корпуса. За превключване на нагревателя е използван малък контактор.
След известно време такъв режим на пещ вече не е бил необходим и управляващият блок е модернизиран за използване в оранжерия със заземена батерия. Отстранена е изолацията на корпуса, модулът е преместен на една от стените, така че да е удобно да се използва отвън. Контакторът е премахнат, добавен е мощен тиристорен превключвател за един канал - управление на нагревателя. Останалите клавиши са с ниска мощност, натоварването им е малко - вентилатори и евентуално допълнително осветление (разсад) лампи.


Контролният модул се разглобява на отделни платки, всички те са фиксирани в една равнина с помощта на стелажи, така че да е удобно да се използва отвън - екранът е отгоре, бутоните под него. Срещу екрана, разбира се, е изрязан правоъгълен отвор. Месинговите стълбове, с плосък край, просто бяха споени с поцинкована стомана (добре е калайдисана с "спояваща киселина" - цинков хлорид). На "дънната платка", за да се подобри надеждността, се премахна захранващият конектор, конекторът за сензорите. Капаците от окабеляването са запоени към техните подложки.


Метална монтажна плоча с монтиран термостат, фиксирана към предната част на корпуса. Слепи нитове.


Предният панел е отпечатан на цветен принтер и е покрит с парче плексиглас. Като цяло дизайнът се оказа „индустриален“ и не е лош.
Тиристорният ключ е сглобен съгласно схемата по-горе. Предимствата в сравнение с симистора трябва да се отдадат на "разстоянието" на ключовия кристал в два случая - много по-голяма площ за отстраняване на топлината. Останалото вижте схемата с триак.
Модулът на термостата е актуализиран до версия 1.9 на фърмуера.Това направи възможно използването на още няколко полезни функции на устройството, например стана най-удобно да се използват аналогови сензори, появи се много полезна способност - зависимостта на различните етапи на програмата един от друг. Новата версия включва и алтернативна версия на контролната програма за компютър, най-полезната разлика от която, виждам, режимът „събиране на данни“ - запис на температурите на сензорите във файл. Позволете ми да ви напомня, че актуализациите се разпространяват от разработчика и се намират на връзките по-горе.
До сезона на градината термостатът е участвал в допълнителна работа - заредена с импровизиран „шкаф за сушене“ от стара фурна, за сушене на фото лак върху заготовки от печатни платки и други парчета желязо - процесът предполага доста точен температурен диапазон .
Станете автор на сайта, публикувайте свои собствени статии, описания на домашно приготвени продукти с плащане на текст. Повече подробности тук.
Принцип на действие
Независимо от типа, конструкцията на термостатите съответства на една обща схема. Устройството се състои от 3 ключови модула (блока):
- температурен датчик за отоплителен котел с термочувствителен елемент;
- блок за настройки;
- контролен блок.
Термичен сензор с термочувствителен елемент следи степента на нагряване на околната среда. Промените в температурата на околната среда причиняват промени във физическите параметри на елемента, които се улавят от контролния блок. Устройството за управление от своя страна предава сигнал на едно от изпълнителните устройства:
- механичен клапан;
- електромагнитно реле;
- цифрово (аналогово) устройство, извършващо последваща обработка на сигнала.


Функционалната цел на тунера е да фиксира стойностите на параметрите, чието постигане инициира работата на самия термостат.
Инсталирането на терморегулатор за отоплителен котел се извършва със задължителното спазване на определени задължителни условия:
- Устройството трябва да бъде защитено от UV лъчение.
- Външният сензор е инсталиран на места, характеризиращи се със стабилна околна температура (без близост до отоплителни устройства, течения и др.).
- Сензорът е монтиран на височината, препоръчана от производителя.
- Неприемливо е да покривате устройството с екрани, завеси, мебели и т.н.
Регулиращ термостатичен клапан
Това регулиращо устройство, наречено термостатичен клапан (клапан), е най-простото решение на проблема за получаване на топлоносител с определена температура. Резултатът се постига чрез смесване на студена и топла вода. Контролът на температурата на охлаждащата течност се извършва не чрез управление на отоплителния котел, а чрез промяна на интензивността на потока на охлаждащата течност през радиатора.
Дизайнът на устройството е доста прост и включва два основни елемента:
- Самият клапан (клапан), който всъщност е обикновен спирателен вентил, който затваря отвора на входа на отоплителния радиатор. Припокриването се случва изцяло или частично, което по същество определя количеството на преминалата охлаждаща течност.
- Термостатичен елемент с термостатична крушка, пълна със специална течност (газ), която се разширява, когато температурата на охлаждащата течност се промени.


В допълнение, термостатичният клапан може да се разглежда като ефективно допълнение към механични или електронни термостати. Предимствата на такива устройства са тяхната ниска цена и лекота на използване, но те трябва периодично да проверяват работните параметри.
На какви параметри трябва да обърнете внимание при избора?
Термичните релета могат да бъдат конфигурирани за специфични температурни характеристики или регулируеми. Освен това има устройства за едновременно затваряне / отваряне на контакти и за отделно изпълнение на тези функции.
Има някои технически характеристики, които трябва да проучите, преди да закупите такова устройство:
- температура, при която устройството се задейства - параметри, при достигане на които, контактите се отварят или затварят;
- индикатор за връщане на температурата - в момента на достигане на този параметър устройството заема първоначалното си положение;
- диференциал - представлява разликата, през която устройството е в покой, тоест от момента на задействане до връщане;
- превключеният ток и напрежение са показатели за "трайност", поради което, като се започне от параметрите на тока в домашната мрежа, е необходимо да се избере устройство с малко по-висока стойност;
- контактно съпротивление;
- индикатор за време на работа;
- грешка - тази характеристика може да има стойност ± 10% от посочената стойност.
Това са основните параметри, които всеки термостат има. Но въз основа на модификацията, значението им може да се промени.
Ако вземем предвид цените, тогава всичко зависи от устройството:
- Механични термостати. Най-простите опции от долен тип ще струват около 20 долара, докато изплащането му се измерва буквално до края на първия му отоплителен сезон.
- Програмируемо термично реле. Цените за този тип релета започват от $ 30; недостатъците на този тип устройства включват наличието на батерии, които трябва да запомните, за да се сменят периодично.
Обхватът на избор на термостат е доста голям и естествено цените им могат да варират доста. Но това не означава, че е необходимо да се преследва евтиността на устройството, за да се интегрира в системата. Повече или по-малко висококачествени устройства струват от 2000 рубли, не трябва да обръщате внимание на всичко, което е по-евтино.
Полезни съвети
За да се осигури висококачествена и непрекъсната работа на термостата за котела и цялата отоплителна система като цяло, е необходимо да се вземат предвид някои нюанси. В тази връзка няколко полезни съвета:
- Закупуването на контролно оборудване се предшества от изчисление, което отчита такива параметри като необходимата температура и площта на отопляваното помещение. Това изчисление ще избегне ниската ефективност на системата и проблемите с електрическото окабеляване, които са неизбежни при свързване на тежко оборудване.
- Въпреки доста добрата съвместимост на термостатите с повечето модели отоплителни котли, използването на оборудване от един производител ще осигури не само лесна инсталация, но и лекота на използване.
- Ако се съмнявате в необходимостта от закупуване на скъпо оборудване, купете по-евтина (механична) опция и тествайте нейните възможности. Може би неговата функционалност ще бъде достатъчна.
- Преди да инсталирате термостата, извършете мерки за топлоизолация в отопляемо помещение, тъй като големите топлинни загуби ще попречат на ефективността на устройството.


Обобщавайки горното, можем да заявим, че термостатите за отоплителни котли (водни кръгове, газови уреди) все повече се позиционират като незаменимо оборудване на отоплителната система, което осигурява икономия на енергия, комфортна топлина и уют в помещението.






