Ефективното и икономично отопление или охлаждане на работната среда в съвременната промишленост, жилищно-комуналните услуги, хранителната и химическата промишленост се извършва с помощта на топлообменници (TO). Има няколко вида топлообменници, но най-широко използвани са пластинчатите топлообменници.

Статията ще обсъди подробно дизайна, обхвата и принципа на действие на пластинчатия топлообменник. Особено внимание ще се обърне на конструктивните характеристики на различни модели, правилата за експлоатация и характеристиките за поддръжка. Освен това ще бъде представен списък на водещи местни и чуждестранни производители на плоча TO, чиито продукти са в голямо търсене сред руските потребители.
Устройство и принцип на действие
Дизайнът на топлообменника с плоско уплътнение включва:
- неподвижна предна плоча, върху която са монтирани входните и изходните тръби;
- фиксирана притискаща плоча;
- подвижна притискаща плоча;
- пакет от плочи за пренос на топлина;
- уплътнения, изработени от топлоустойчив и устойчив на агресивен материал материал;
- горна опорна основа;
- долна водеща основа;
- легло;
- комплект болтове за връзване;
- Комплект опорни крака.
Това разположение на модула осигурява максимална интензивност на топлообмена между работната среда и компактните размери на устройството.


Уплътнен плоча топлообменник дизайн
Най-често топлообменните плочи се правят чрез студено щамповане от неръждаема стомана с дебелина от 0,5 до 1 mm, но при използване на химически активни съединения като работна среда могат да се използват титаниеви или никелови плочи.
Всички плочи, включени в работния комплект, имат еднаква форма и се монтират последователно, в огледално изображение. Този метод за инсталиране на топлообменни плочи осигурява не само образуването на канали с прорези, но и редуването на първи и втори втори кръг.
Всяка плоча има 4 отвора, два от които осигуряват циркулацията на първичната работна среда, а другите две са изолирани с допълнителни контурни уплътнения, с изключение на възможността за смесване на работната среда. Плътността на връзката на плочите се осигурява от специални контурни уплътнения, изработени от материал, който е топлоустойчив и устойчив на въздействието на активни химични съединения. Уплътненията са монтирани в профилните канали и фиксирани с ключалка.


Принципът на действие на пластинчатия топлообменник
Оценката на ефективността на всяка поддръжка на плоча се извършва съгласно следните критерии:
- мощност;
- максималната температура на работната среда;
- честотна лента;
- хидравлично съпротивление.
Въз основа на тези параметри се избира необходимия модел на топлообменник. В пломбените топлообменници с уплътнение е възможно да се регулира производителността и хидравличното съпротивление чрез промяна на броя и вида на плочите.
Интензивността на топлообмена се дължи на режима на потока на работната среда:
- при ламинарен поток на охлаждащата течност интензивността на топлопреминаване е минимална;
- преходният режим се характеризира с увеличаване на интензивността на топлопредаването поради появата на вихри в работната среда;
- максималната интензивност на топлопредаването се постига с турбулентно движение на охлаждащата течност.
Ефективността на плочата топлообменник се изчислява за турбулентен поток на работната среда.
В зависимост от местоположението на каналите има три вида плочи за пренос на топлина:
- от "Мека"
канали (жлебовете са разположени под ъгъл от 600). Такива плочи се характеризират с незначителна турбулентност и ниска интензивност на топлопредаване, но „меките“ плочи имат минимално хидравлично съпротивление; - с "Средно аритметично"
канали (ъгъл на гофриране от 60 до 300). Плочите са преходни и се различават по средна турбулентност и скорости на топлопреминаване; - от "Здрав"
канали (ъгъл на гофриране 300). Такива плочи се характеризират с максимална турбулентност, интензивен топлообмен и значително увеличение на хидравличното съпротивление.
За да се увеличи ефективността на топлообмена, движението на първичната и вторичната работна среда се извършва в обратна посока. Процесът на топлообмен между първичната и вторичната работна среда е както следва:
- Охлаждащата течност се подава към входящите тръби на топлообменника;
- Когато работната среда се движи по съответните вериги, образувани от елементи на топлообменната плоча, интензивен топлообмен се получава от нагрятата среда, която се нагрява;
- Чрез изходните тръби на топлообменника отопляемата охлаждаща течност се насочва по предназначение (към отопление, вентилация, водоснабдителни системи), а охладената охлаждаща течност отново навлиза в работната зона на топлогенератора.
Принципът на действие на пластинчатия топлообменник
За да се осигури ефективна работа на системата, се изисква пълна плътност на топлообменните канали, която се осигурява от уплътненията.
Подреждане на чинията
Конструкцията и принципът на работа на пластинчатия топлообменник ще зависят от модификацията на оборудването, което може да съдържа различен брой плочи с неподвижни уплътнения. Тези уплътнения покриват каналите с течащия термичен носител. За да се постигне необходимата плътност на сцеплението на двойки взаимно свързани уплътнения, е достатъчно тези плочи да се фиксират с подвижна плоча.
Натоварванията, които действат на това устройство, се разпределят по правило върху плочите и уплътненията. Рамката и крепежните елементи са като цяло корпусът на оборудването.
Релефната повърхност на плочите по време на компресия гарантира здраво закрепване и позволява на цялата система за топлообменник да придобие необходимата здравина и твърдост.
Уплътненията са фиксирани към плочите с прикачна връзка. Трябва да се каже, че уплътненията са егоцентрирани спрямо оста си по време на затягане. Течът на термичната среда се предотвратява от ръба на маншета, което допълнително създава бариера.
За устройството на плоча топлообменник са направени няколко вида уплътнения: с твърди и меки гофри.
Повече за топлообменното оборудване:
В меките плочи каналите са под ъгъл от 30 градуса. Този тип устройства се характеризират с висока топлопроводимост, но незначително съпротивление на налягането на топлоносителя.
В твърдите елементи се прави ъгъл от 60 градуса по време на производството на канали. Тези устройства не се характеризират с повишена топлопроводимост; основното им предимство е способността да издържат на значително налягане на охлаждащата течност.
За да постигнете най-добрия режим на пренос на топлина, можете да комбинирате плочите. Освен това трябва да се има предвид, че за оптимална работа на устройството е необходимо то да функционира в режим на турбулентност - топлоносителят трябва да се движи през каналите без никакви закъснения. Между другото, топлообменникът с черупки и тръби, където конструкцията има схема на тръба в тръба, има ламинарен поток на охлаждащата течност.
Какво е предимството? По време на същите топлинни инженерни характеристики, плочата оборудване има значително по-малки размери.
Изисквания към уплътненията
За да се осигури пълна плътност на профилните канали и да се предотврати изтичане на работни течности, уплътнителните уплътнения трябва да имат необходимата устойчивост на температура и достатъчна устойчивост на въздействието на агресивна работна среда.


Следните видове уплътнения се използват в съвременните пластинкови топлообменници:
- етилен пропилен (EPDM). Използват се при работа с гореща вода и пара в температурен диапазон от -35 до + 1600С, неподходящи за мазни и мазни среди;
- NITRIL уплътненията (NBR) се използват за работа с маслена работна среда, чиято температура не надвишава 1350C;
- Уплътненията VITOR са предназначени за работа с агресивни среди при температури не повече от 1800C.
Графиките показват зависимостта на експлоатационния живот на пломбите от условията на работа:


По отношение на закрепването на уплътненията има два начина:
- върху лепило;
- с клип.
Първият метод, поради трудоемкостта и продължителността на полагане, се използва рядко, освен това, когато се използва лепило, поддръжката на устройството и подмяната на уплътненията са значително сложни.
Фиксаторът осигурява бързо инсталиране на плочи и лесна подмяна на счупени уплътнения.
Чугунен топлообменник
Чугуненият топлообменник не е обект на корозия, но изисква внимателна поддръжка и внимателна работа. Тези характеристики се дължат на техните свойства на чугун и основното е крехкостта на чугуна. Неравномерното нагряване, което най-често се случва поради мащаба, води до пукнатини в топлообменника.
Информация: Измиването на охлаждащата течност е задължителен и основен елемент от техническата работа на газов котел. Охлаждащата течност се промива
- Веднъж годишно, ако се използва като топлоносител - течаща вода (не се препоръчва),
- Веднъж на 2 години, ако се използва - антифриз,
- Веднъж на 4 години, ако се използва пречистена вода.
Спецификации
Обикновено техническите характеристики на пластинчатия топлообменник се определят от броя на плочите и начина на тяхното свързване. По-долу са дадени техническите характеристики на уплътнени, споени, полузаварени и заварени плочи топлообменници:
| Работни параметри | Единици | Сгъваем | Припоен | Полузаварени | Заварени |
| Ефективност | % | 95 | 90 | 85 | 85 |
| Максимална температура на работната среда | 0С | 200 | 220 | 350 | 900 |
| Максимално налягане на работната среда | лента | 25 | 25 | 55 | 100 |
| Максимална мощност | MW | 75 | 5 | 75 | 100 |
| Среден период на работа | години | 20 | 20 | 10 — 15 | 10 — 15 |
Въз основа на параметрите, дадени в таблицата, се определя необходимия модел на топлообменник. В допълнение към тези характеристики трябва да се вземе предвид и фактът, че полузаварените и заварени топлообменници са по-приспособени за работа с агресивни работни среди.
Избор на пластинчати топлообменници по технически характеристики
Когато избирате топлообменник, обърнете внимание на:
- желаната температура за нагряване на течността;
- максималната температура на охлаждащата течност;
- налягане;
- консумация на охлаждаща течност;
- необходимия дебит на нагрятата течност.
Производителите произвеждат оборудване с различни технически характеристики. Например продуктите на популярната марка Alfa Laval имат следните параметри.


Специализиран софтуер и специализирани услуги опростяват задачата за търсене. Обикновено блоковете са конфигурирани да оставят течност с температура 70 ° C.
Приложения
Надеждни и ефективни плочасти топлообменници се използват в различни области.
- Петролна индустрия. Оборудването се използва за охлаждане на рециклируеми енергийни ресурси.
- Системи за отопление и топла вода. Устройствата затоплят течностите, доставяни на потребителите.
- Машиностроене и металургия.Оборудването се използва за охлаждане на машини и съоръжения.
- Хранително-вкусовата промишленост. Топлообменниците например са част от инсталациите за пастьоризация.
- Корабостроене. Уредите охлаждат различно оборудване и загряват морската вода на корабите.
Това е само малка част от обхвата на приложение на топлообменниците. Оборудването се използва и в автомобилната индустрия, при производството на киселини и основи и в други индустрии.
За какво е топлообменник в отоплителна система?
Обяснението на наличието на топлообменник в отоплителна система е съвсем просто. Повечето системи за топлоснабдяване у нас са проектирани по такъв начин, че температурата на охлаждащата течност да се регулира в котелното помещение и отопляемата работна среда да се подава директно към монтираните в апартамента радиатори.


При наличието на топлообменник работната среда от котелното се разпределя с ясно определени параметри, например 1000С. Попадайки в първичния кръг, загрятата охлаждаща течност не навлиза в отоплителните устройства, а загрява вторичната работна среда, която влиза в радиаторите.
Предимството на такава схема е, че температурата на охлаждащата течност се регулира в междинни отделни термични станции, откъдето се доставя на потребителите.
Предимства и недостатъци
Широкото използване на пластинчатите топлообменници се дължи на следните предимства:
- компактни размери. Поради използването на плочи, площта на топлообмен е значително увеличена, което намалява общите размери на конструкцията;
- лесна инсталация, експлоатация и поддръжка. Модулната конструкция на уреда улеснява разглобяването и измиването на елементите, изискващи почистване;
- висока ефективност. Производителността на PHE е от 85 до 90%;
- достъпна цена. Черупкови, спирални и блокови инсталации със сходни технически характеристики са много по-скъпи.
Недостатъците на дизайна на плочата могат да бъдат разгледани:
- необходимостта от заземяване. Под въздействието на разсеяни течения могат да се образуват фистули и други дефекти в тънки щамповани плочи;
- необходимостта от използване на качествена работна среда. Тъй като напречното сечение на работните канали е малко, използването на твърда вода или некачествен топлоносител може да доведе до запушвания, което намалява скоростта на топлопреминаване.
Характеристики и характеристики на плочите
Както вече беше споменато много пъти, за производството на плочи се използва само неръждаема стомана - материал, който е устойчив на корозия и високи температури. Технологията на производство на плочи топлообменни елементи е щамповане, което позволява производството на плочи със сложна конфигурация. Плюс това, това ви позволява да запазите основните характеристики на материала.
Също така е важно да се има предвид, че не цялата неръждаема стомана е подходяща за изработка на плочи. Използват се само определени марки. Самите плочи имат необичайна форма. Върху плоската повърхност са направени специални канали, разположени както в симетричен, така и в хаотичен ред. Благодарение на такава гофрирана повърхност, площта за отвеждане на топлината се увеличава и се осигурява по-равномерно разпределение на течностите за пренос на топлина.
Закрепването на гумените уплътнения се извършва директно върху плочите с помощта на специални скоби. Освен това уплътненията имат самоцентриращ се дизайн, което е много удобно и благодарение на маншетите се създава допълнителна преграда, която помага да се запази охлаждащата течност. Ако разгледаме видовете плочи, произведени от производителите, тогава има само два от тях.
- Елемент с термично твърда гофрировка... Каналите на такава плоча са направени под ъгъл от 30 градуса. Те имат високи топлопроводими характеристики, но не издържат на прекалено голямо налягане при циркулация на охлаждащата течност.
- Термично мека гофрирана плоча, изпълнени под ъгъл от 60 градуса. Такъв елемент има ниска топлопроводимост, но лесно се противопоставя на високото налягане на охлаждащата течност, циркулираща вътре в блока.
Благодарение на комбинацията от различни видове плочи вътре в основния корпус на устройството е възможно да се постигне оптимална опция за пренос на топлина за цялата конструкция. За ефективната работа на пластинчатия топлообменник обаче е важно охлаждащата течност да циркулира в турбулентно състояние. Най-просто казано, течността вътре в устройството с максимален топлообмен трябва да тече безпрепятствено.
Схеми на тръбните плочи на топлообменника
Има няколко начина за свързване на PHE към отоплителната система. Най-простата се счита за паралелна връзка с управляващ клапан, схематичната диаграма на която е показана по-долу:


Схема за паралелно свързване на PHE
Недостатъците на такава връзка включват повишено натоварване на отоплителния кръг и ниска ефективност на отоплението на водата със значителна температурна разлика.
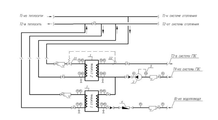
Паралелното свързване на два топлообменника в двустепенна схема ще осигури по-ефективна и надеждна работа на системата:


Двустепенна диаграма на паралелно свързване
1 - плоча топлообменник; 2 - регулатор на температурата; 2.1 - клапан; 2.2 - термостат; 3 - циркулационна помпа; 4 - измервателен уред за консумация на топла вода; 5 - манометър.
Отоплителната среда за първия етап е обратната верига на отоплителната система, а студената вода се използва като среда за нагряване. Във втория кръг отоплителната среда е топлоносителят от директната линия на отоплителната система, а предварително загрятият топлоносител от първия етап се използва като отопляема среда.
Схеми на свързване на топлообменника за БГВ
Топлообменникът вода-вода има няколко възможности за свързване. Първичната верига винаги е свързана към разпределителната тръба на отоплителната мрежа (градска или частна), а вторичната верига към водопроводите. В зависимост от дизайна може да се използва паралелна едностепенна БГВ (стандартна), двустепенна смесена или двустепенна БГВ.
Схемата на свързване се определя в съответствие с нормите на "Проектиране на топлинни точки" SP41-101-95. В случая, когато съотношението на максималния топлинен поток към БГВ към максималния топлинен поток към отопление (QHWMax / QTEPLmax) се определя в границите на ≤0,2 и ≥1, като основа се приема схема на едноетапно свързване, ако съотношението се определя в рамките на 0,2≤ QHWSmax / QTEPLmax ≤1, тогава проектът използва двустепенна схема на свързване.
Стандартен
Схемата за паралелно свързване се счита за най-простата и икономична за изпълнение. Топлообменникът е инсталиран последователно по отношение на регулиращите клапани (спирателен вентил) и успоредно на отоплителната мрежа. За да се постигне висок топлопренос, системата изисква голям дебит на топлоносителя.


Двустепенна
Когато се използва двустепенна схема на свързване на топлообменника, отоплението на водата за подаване на топла вода се извършва или в две независими устройства, или в моноблокова инсталация. Независимо от конфигурацията на мрежата, инсталационната схема става много по-сложна, но ефективността на системата се увеличава значително и разходът на охлаждаща течност намалява (до 40%).
Подготовката на водата се извършва на два етапа: първият използва топлинната енергия на обратния поток, който загрява водата до около 40 ° C. На втория етап водата се загрява до нормализираните стойности от 60 ° C.
Двустепенната смесена система за свързване е както следва:


Двустепенна схема на последователно свързване:


Схема за последователно свързване може да бъде приложена в един топлообменник за БГВ.Този тип топлообменник е по-сложно устройство в сравнение със стандартните и цената му е много по-висока.
Упътване
Всеки фабрично направен топлообменник трябва да бъде придружен от подробно ръководство за експлоатация, съдържащо цялата необходима информация. По-долу са дадени някои основни разпоредби за всички видове ПОО.
Инсталиране на PHE
- Местоположението на уреда трябва да осигурява свободен достъп до основните компоненти за поддръжка.
- Закрепването на захранващите и изпускателните тръбопроводи трябва да бъде твърдо и плътно.
- Топлообменникът трябва да бъде инсталиран на строго хоризонтална бетонна или метална основа с достатъчна носеща способност.
Пускане в експлоатация
- Преди да стартирате уреда, е необходимо да проверите неговата плътност съгласно препоръките, дадени в техническия лист на продукта.
- При първоначалното стартиране на инсталацията скоростта на повишаване на температурата не трябва да надвишава 250C / h, а налягането в системата не трябва да надвишава 10 MPa / min.
- Процедурата и обхватът на пусковите работи трябва ясно да съответстват на списъка, даден в паспорта на звеното.
Работа на уреда
- В процеса на използване на PHE не трябва да се надвишават температурата и налягането на работната среда. Прегряването или повишеното налягане може да доведе до сериозни повреди или пълен отказ на уреда.
- За да се осигури интензивен топлообмен между работните среди и да се увеличи ефективността на инсталацията, е необходимо да се предвиди възможност за почистване на работната среда от механични примеси и вредни химични съединения.
- Значително удължаване на експлоатационния живот на устройството и увеличаване на производителността му ще позволи редовна поддръжка и навременна подмяна на повредени елементи.
Вторичен топлообменник за газов котел
Нарича се още топлообменник за подаване на топла вода (БГВ). Това е правоъгълно устройство с взаимосвързани вътрешни плочи от неръждаема стомана от хранителен клас. Колкото повече има, толкова по-висока е производителността на устройството. Вътре те образуват от 8 до 30 слоя. Високата топлопроводимост на материалите и голямата площ на взаимодействие осигуряват необходимия топлообмен по време на бързото движение на водата.
Всеки от слоевете е канал, изолиран в топлообменника. Плочите имат релеф, от който са оформени тези проходи. Дебелината на преградите обикновено е 1 мм. Каналите имат ъгли и колкото по-остри са те, толкова по-висока е скоростта на течността и обратно. Моделът на движение на водата може да бъде еднопосочен и многопосочен - с промяна в посоката. Във втория случай се постига по-висока ефективност.


Вторичният топлообменник трябва да се измива ежегодно с лошо качество на водата и веднъж на всеки три години, ако се използва филтър за омекотяване.
След отваряне на клапана за гореща вода на смесителя, трипътният клапан насочва част от нагрятата охлаждаща течност към вторичния топлообменник. Тогава горещата течност отдава топлина на студената чешмяна вода в уреда, след което нагрятата вода излиза от топлообменника за подаване през крановете в кухнята и банята.
След това охладената охлаждаща течност отива в тръбата, където се смесва с обратния поток - отработената охлаждаща течност от отоплителната система и отново влиза в първичния топлообменник.
Вторичният топлообменник обикновено се намира под горивната камера. В различни котли той е монтиран вертикално или хоризонтално отстрани.
Комбинираните топлообменници - битермални - също се използват в котлите. В тях комуникацията с топла вода е заобиколена от канали с топлоносител за отоплителната система. Първо, газът прехвърля енергия към охлаждащата течност, а после последната насочва част от нея към захранването с топла вода. Тъй като газовите котли с такива топлообменници са по-прости, не е необходим трипътен клапан.
Ремонт на вторичен топлообменник
Вторичните нагреватели често са запушени, особено модели с тесни канали.Без почистване те се развалят с времето и накрая се провалят. Слоят от котлен камък вътре в уреда намалява преноса на топлина, поради което котелът консумира повече газ.


Солевите отлагания, котлен камък и ръжда образуват по-голямата част от замърсяването: освен вторичния топлообменник, не боли и проверка на отоплителните и горещите кръгове за вода
Проблемите с топлообменниците ще бъдат докладвани чрез кодове на дисплея на котела. В този случай има план за действие.
Нека разгледаме по-отблизо проблема с вторичния нагревател:
- Изваждаме вторичния топлообменник.
- Разглеждаме фугите, вътрешните и външните резби. След последното почистване състоянието им може да се е влошило. Това се случва поради агресивните киселини. Подменяме износените подвижни елементи.
- Проверяваме целостта. Възможно е да се получи воден чук с топлообменника. Много малка фистула (дупка) може да бъде намерена само от специалист.
- Ние изследваме по-добре обменника и за това се обаждаме на съветника. Подменяме силно повреден уред.
- В самото начало може да се открие замърсяване. Търсим плака визуално във входните дупки. Вдуваме въздух в детайла и също така се ориентираме по звук. Почистваме, ако топлообменникът е запушен. Бучки от варовик могат да изпаднат дори след леко почукване.
- Трябва да изберете 1 от 3 опции за почистване: домашни средства като детергенти и разтвори на лимонена киселина, специални смеси или професионално почистване.
Преди всичко изплакнете топлообменника със студена чешмяна вода. След това изсипете лимонена киселина в устройството и поставете в кофа с вода. След това - извадете топлообменника и го напълнете с вода, за да проверите проходимостта.
Ако влезе бавно или не се движи, тогава пригответе наситен разтвор на оцет във вода и изсипете там. След това изплакнете с гореща вода и издухайте. Използвайте въздушна помпа, когато е възможно. Повторете цикъла с оцет.


Сред аргументите за професионално почистване заслужава да се отбележи неудобството на дизайна за почистване, трудността при оценката на замърсяването, рискът от повреда поради независимо механично действие.
Ако горните стъпки не работят, опитайте със специален почистващ разтвор, като почистващ гел или разтвор на адипинова киселина с ниска якост. Ако и този метод не работи, обадете се на капитана или поръчайте професионално почистване.
Как да замените част?
За това не са необходими специални знания. За да премахнете стария топлообменник за проверка или подмяна, изпълнете следните стъпки:
- Изключете захранването и изключете газта.
- Отстранете предния капак на котела.
- Изключете захранването със студена вода за веригата за БГВ. Затворете клапаните на тръбите за подаване и връщане на отоплителния кръг.
- Извадете запушалката за източване. Източете цялата вода от котела.
- Намалете налягането в системата, ако е необходимо, и отстранете въздуха.
- Извадете електронната платка. Отстранете необходимите крепежни елементи за това.
- Извадете клемите от газовия клапан.
- Извадете елементите на котела, които предотвратяват лесното отстраняване на вторичния топлообменник: вход за студена вода, фитинги за вода и др. Отстранете съответните скоби, гайки и скоби.
- Изолирайте всички електрически възли и проводници с водоустойчив материал.
- Развийте крепежните елементи, държащи вторичния топлообменник. Използвайте удобен инструмент. Понякога това може да се направи с шестоъгълник. Производителите се опитват да поставят обменника на удобно място, така че елементите на котела да не страдат по време на отстраняването му.
- Извадете вторичния топлообменник, отстранете водата от там.
По време на премахването си струва да запомните местоположението на обменника, за да го инсталирате обратно по същия начин или да поставите нов.


Група за безопасност на отоплителната система: навигирайте по манометъра (вляво) и в случай на показания, т.нар. червена зона, изпускайте въздух през отвора (в средата)
Нанесете медна грес върху връзките, които фиксират устройството от вътрешната страна на котела. Това ще го предпази от окисляване.
Също така сменете износените уплътнения, преди да върнете частта на място.
Промиване на плоча топлообменник
Функционалността и производителността на уреда до голяма степен зависи от висококачественото и навременно промиване. Честотата на промиване се определя от интензивността на работата и характеристиките на технологичните процеси.


Методология на лечението
Образуването на котлен камък в топлообменните канали е най-често срещаният тип замърсяване с PHE, което води до намаляване на интензивността на топлообмена и намаляване на общата ефективност на инсталацията. Отстраняването на котлен камък се извършва с помощта на химическо изплакване. Ако освен котлен камък има и други видове замърсяване, е необходимо механично да почистите плочите на топлообменника.
Химическо измиване
Методът се използва за почистване на всички видове PHE и е ефективен, когато има малко замърсяване на работната зона на топлообменника. За химическо почистване не е необходимо разглобяване на уреда, което значително намалява времето за работа. Освен това не се използват други методи за почистване на споявания и заварен топлообменник.
Химичното промиване на топлообменното оборудване се извършва в следната последователност:
- в работната зона на топлообменника се въвежда специален почистващ разтвор, където под въздействието на химически активни реагенти се получава интензивно разрушаване на котлен камък и други отлагания;
- осигуряване на циркулацията на детергента през първичната и вторичната верига на ТО;
- промиване на топлообменните канали с вода;
- източване на почистващи агенти от топлообменника.
По време на процеса на химическо почистване трябва да се обърне специално внимание на окончателното промиване на уреда, тъй като химически активните компоненти на детергентите могат да разрушат уплътненията.
Най-често срещаните видове замърсяване и методи за почистване
В зависимост от използваната работна среда, температурните условия и налягането в системата, естеството на замърсяването може да бъде различно, поради което за ефективно почистване е необходимо да изберете правилния препарат:
- отстраняване на котлен камък и метални отлагания с помощта на разтвори на фосфорна, азотна или лимонена киселина;
- инхибираната минерална киселина е подходяща за отстраняване на железен оксид;
- органичните отлагания се унищожават интензивно от натриевия хидроксид, а минералните отлагания от азотната киселина;
- замърсяването с мазнини се отстранява с помощта на специални органични разтворители.
Тъй като дебелината на топлообменните плочи е само 0,4 - 1 mm, трябва да се обърне специално внимание на концентрацията на активни елементи в състава на детергента. Превишаването на допустимата концентрация на агресивни компоненти може да доведе до разрушаване на плочите и уплътненията.
Широкото използване на пластинчатите топлообменници в различни сектори на съвременната индустрия и комуналните услуги се дължи на тяхната висока производителност, компактни размери, лекота на монтаж и поддръжка. Друго предимство на PHE е оптималното съотношение цена / качество.
Принцип на действие
Ако разгледаме как работи плоча топлообменник, тогава неговият принцип на действие не може да се нарече много прост. Плочите са обърнати една към друга под ъгъл от 180 градуса. Най-често една опаковка съдържа два чифта плочи, които създават 2 колекторни вериги: вход и изход на топлоносителя. Освен това трябва да се има предвид, че парата, която е на ръба, не участва по време на топлообмена.
Днес се произвеждат няколко различни вида топлообменници, които в зависимост от механизма на работа и дизайна се разделят на:
- двупосочен;
- много верига;
- едносхемен.
Принципът на работа на едносхемен апарат е както следва.Циркулацията на охлаждащата течност в устройството по цялата верига се извършва постоянно в една посока. Освен това се произвежда и обратен поток от топлоносители.
Многоконтурните устройства се използват само по време на малка разлика между температурата на връщане и температурата на входящия топлоносител. В този случай движението на водата се извършва в различни посоки.
Повече за пластинчатия топлообменник:
https://youtu.be/DRd3TR4DvpI
Двупосочните устройства имат две независими вериги. При условие за постоянно регулиране на топлоснабдяването, използването на тези устройства е най-целесъобразно.

