Връзка чрез 3-пътен клапан
Малко по-различна в сглобяването и принципа на действие е възможността за свързване на топъл под чрез трипътен клапан, който е показан на диаграмата по-долу със стрелка.
Тази схема се използва в случаите, когато освен топъл под, системата съдържа и основен отоплителен кръг. Температурите на охлаждащата течност в тях ще бъдат различни, поради което е необходим смесителен клапан.

Връзка чрез 3-пътен клапан
- Това устройство не само регулира подаването на вода към веригата (монтирано на захранващата тръба пред циркулационната помпа), но в същото време, използвайки вграден термостат, контролира неговата температура, смесвайки студения топлоносител с гореща. В този случай налягането в тръбопровода съответства на налягането, зададено в помпата.
- Въпреки това, клапанът не може точно да измери количеството вода за смесване, така че температурата в пода може да бъде или охладена, или твърде гореща. Проблемът се решава чрез свързване на серво към него, тъй като той е този, който балансира работата на системата и предпазва подовете от прегряване.


Трипътен смесителен клапан
Верига със смесителен клапан е доста достъпна за самостоятелно сглобяване и оборудването за нея не изисква големи разходи.
Характеристики на дизайна и принцип на действие
Трипътният клапан е устройство с форма на тройник с един изход и два входа. От изхода течността се подава с предварително определен температурен режим към веригата.
Входните отвори са предназначени за смесване на охлаждащата течност. Охладеният обратен поток влиза в първия отвор, а водата, загрята от котела, влиза във втория. Между двата входа има затвор, който се отваря, когато сензорът се загрява до максималната температура, която е зададена на самия клапан.
Работният процес на трипътен клапан в подова отоплителна система се извършва в следната последователност:
- водата тече към инсталирания колектор;
- клапанът задава нивото на нагряване на нагревателния агент;
- когато температурата се повиши над зададената в трипътното устройство, проходът за охладената течност се отваря;
- има процес на смесване на студен поток с горещ;
- при достигане на зададената температура отворът за подаване на вода от обратната верига се затваря.


Как изглежда трипътен клапан за подово отопление?
Трипътният клапан допринася за подаването на охлаждаща течност от тръбопровода на водния под с зададена температура, а също така ви позволява да изключите прегряване на отоплителната система. В този случай устройството не предпазва от обратния поток на студена течност във веригата.
Двупосочна верига на клапана
Инсталирайте го на захранването от отоплително устройство. На мястото на джъмпера между захранващия тръбопровод и връщащата линия е монтиран балансиращ регулируем клапан. Регулира се в съответствие с необходимата температура на подаваната вода, обикновено с помощта на шестостенния ключ. Необходимо е да се регулира количеството студена охлаждаща течност.
Температурният сензор се поставя след помпата, която от своя страна премества водата по посока на гребена. Едва сега интензивността на движение на нагрятата охлаждаща течност от котела се променя. По този начин температурата на подаваната вода се променя на входа на помпата, докато студеният поток е регулиран и стабилен.


Смесването винаги се извършва и водата от котела не влиза директно във веригите, тъй като това е невъзможно. Тази схема може да се счита за по-надеждна.Но трябва да се отбележи, че смесителната група, оборудвана с двупосочен елемент, е в състояние да нагрее 150-200 "квадрата" на площ, тъй като няма клапани с по-голям капацитет.
Колектор за система за подово отопление
За подово отопление най-често се монтира общ колектор или пред всеки отоплителен кръг се монтира отделен колектор. Ако е приложена последната опция, тогава всички колектори са оборудвани с разходомери, термостати, както и следните елементи:
- Смесителен клапан за връщане и подаване;
- Спирателен вентил за балансиране на нагревателя;
- Преливен клапан.
Възможно е сами да сглобите колектор за топъл под според различни схеми, а в някои схеми на колекторни възли се използват байпаси, но не винаги - само в едноконтурни системи. Ако системата за подово отопление е организирана по схема с две вериги, тогава колекторът може да бъде свързан без байпас към вторичната верига.




Двуконтурна система за подово отопление с колектор
Преди да сглобите сборник за топъл под, преценете възможностите си - понякога е по-лесно да си купите готова конструкция. Ако ще се купува колекторът, по-добре е всички негови части и елементи да са от един и същ производител. Когато сглобявате единицата сами, трябва да изберете материала, от който ще бъдат сглобени основните компоненти на модула: от мед, стомана, полимери или месинг.
Също така при избора на индустриален дизайн е важно да се вземат предвид следните параметри:
- Колко отоплителни кръга ще има в системата (обикновено от 2 до 12), общата дължина на тръбопровода и производителността на веригите;
- Максимално допустимо налягане в тръбите;
- Възможността за разширяване на отоплителната система;
- Ръчно или автоматично управление на колектора;
- Електрическа мощност на всички възли и възли;
- Диаметърът на вътрешните отвори на колектора (производителност).


Направи си сам колектор
Най-ефективната работа на сглобените колекторни възли може да бъде осигурена чрез свързване към тях отоплителни кръгове със същата дължина. За да се изравнят по дължина тръбопроводите с достатъчна точност, те са разделени на равни сегменти, които са свързани към колектора. Най-лесният начин за изчисляване на колекторната единица е в специална компютърна програма или в онлайн калкулатор, така че да не се появи явление, наречено "топлинна зебра", тоест неравномерно нагряване на пода.
За изчислението са ви необходими следните данни:
- Вид декоративна настилка;
- площта на отопляемото помещение и планът за поставяне на големи предмети в него;
- Материал и диаметър на верижните тръби;
- Номинална мощност на котела;
- Тип подова изолация.


Изчисляване на резервоара
Монтаж на колектор - препоръки
Когато проектирате система за подово отопление, първо трябва да намерите оптималното място за инсталиране на колектора. Стандартно модулът е монтиран в шкаф за колектори, а самият шкаф е монтиран на височина 30-40 см от нивото на пода до подаването и връщането.
За да не обвинявате собствените си грешки и да осигурите максимално нагряване на тръбите за подово отопление, изучете инструкциите за свързване на колектора. След това сглобете сглобката в следната последователност (това се отнася за сглобяемия промишлен колектор):
- Разопаковайте тръбите за директен и обратен поток на отоплителната среда. Тръбите трябва да са с разходомери и захранващи клапани. Ако колекторът е многосекционен, сглобете секциите в една конструкция;
- От сглобените секции трябва да сглобите единица върху скоби (включени);
- След това инсталираме спирателни кранове, автоматика, сензори и останалите свързващи фитинги;
- Прикрепваме модула към стената или в шкафа, монтираме термостата, серво задвижването и циркулационната помпа;
- Свързваме тръби от котела и тръби от отоплителните кръгове на системата "топъл под".


Колекционерски комплект
Сега схемата на свързване на колектора за подово отопление е под налягане, след което бетонната замазка може да се излее. Термичните настройки на колектора могат да се извършват след монтажа на покривния слой.
Направи си сам колектор
Фабричният колектор е доста скъп продукт, така че много майстори искат да го направят със собствените си ръце. Все още ще трябва да бъдат закупени много артикули, но цената ще бъде по-евтина. Най-лесният начин е да се запои самоделен колектор от PVC тръби и фитинги Ø 25-32 мм. Ще ви трябват също тройници и завои със същите диаметри и спирателни клапани.


Домашен колекционер
Броят на клапаните и фитингите се изчислява според броя на отоплителните кръгове. От инструментите се нуждаете от поялник за пропиленови елементи и дюзи за него, специални ножици за рязане на тръби и рулетка.
Маркирането на колектора се състои в маркиране и отрязване на тръбите с необходимата дължина, като се спазва минималното разстояние между тройниците. Клапаните и преходите са запоени към PVC тройници с поялник. Към тази конструкция са запоени фитинги за свързване на помпата. Както можете да видите, всичко е просто, но е по-добре да купите готови по-сложни колекторни единици.
Контролиране на работата на системата за подово отопление
Ефективността на отоплителните устройства зависи не само от тяхната мощност и корекции, но на първо място от състоянието на отоплявания обект. Ако сградата не е достатъчно изолирана, никоя система няма да създаде условия за комфортен живот в нея. Стените, изработени от порести материали, като нарязан черупков камък или пенобетон, намаляват топлинните загуби с 20 - 25% в сравнение с керамичните тухли, допълнителната изолация на стените и вятърната защита, както и изолацията на покривната торта, дават приблизително същия ефект.
Обръщайки се към въпроса за управлението на режима на работа на подово отопление, трябва да се отбележи, че се използват два основни подхода: ръчно управление на смесителния блок и използването на автоматични системи за управление.
Първият вариант се използва за малки сгради, състоящи се от 2 или 3 дневни и помощни помещения. Режимът на смесване се настройва ръчно с обикновен кран.
За сложно развитите отоплителни мрежи този метод е нереалистичен поради многофакторния характер на процеса и се използват сложни автоматизирани устройства.
Системите за контрол на отоплението могат да бъдат:
- група - тяхната задача е да преобразуват температурата на водата, излизаща от котела при 75 - 90 градуса, до 35 - 40 градуса на входа, необходим за нискотемпературни вериги и да контролират температурата на обратния поток, като направят корекции в режима на смесване. Естествено, промените в метеорологичните условия също влияят върху количеството топлопреминаване в отоплителната система;
- индивидуален - дебитът на топлоносителя за всяка верига е настроен по такъв начин, че помещението да има постоянна температура в посочения интервал. Това се постига или чрез инсталиране на датчик за стайна температура, или чрез наблюдение на температурата на обратния поток надолу по веригата директно в сборния колектор.
Оборудване
В рамките на малка статия е невъзможно да се покаже цялото разнообразие от устройства, така че нека се спрем на някои от техните типични представители:
Групови контролери
Нагряването се контролира чрез подаване на импулс към серво на управляващия клапан, който извършва подходящата манипулация. В един контролер са инсталирани до 10 канала от сензори за регулиране на сместа в различни вериги. Възможно е програмиране на работата.


Блок за управление на режима на работа на подово отопление
Когато е свързан външен температурен датчик, режимът на температурата на отопление на отоплителната среда се променя превантивно.
Термостати
Отдалечено устройство, способно да измерва температурата на мястото на инсталацията и да предава данни за него на контролния блок на отоплителната система. Устройството може да предава информация както по проводник, така и по радио. Трябва да се инсталира на място, защитено от слънчева светлина и далеч от течение.


Стаен термостат за воден под
Устройство за директен контрол на температурата на потока на топлоносителя. Р се намира в разкъсването на тръбопровода. Обикновено е оборудван със серво мотор за управление на амортисьора. Изчислено при работа при налягане в системата до 16 атмосфери.


Трипътен термостатичен вентил в системата за подово отопление
Серво
Устройство, което задвижва устройство за изключване на клапана (стебло). Устройството е с малки размери и генерира сила над 10 кг.


Серво за клапан за подово отопление
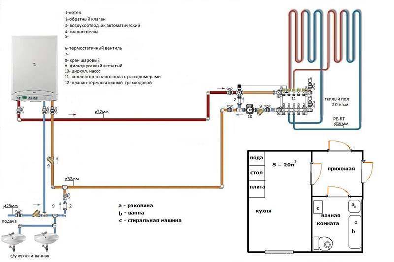
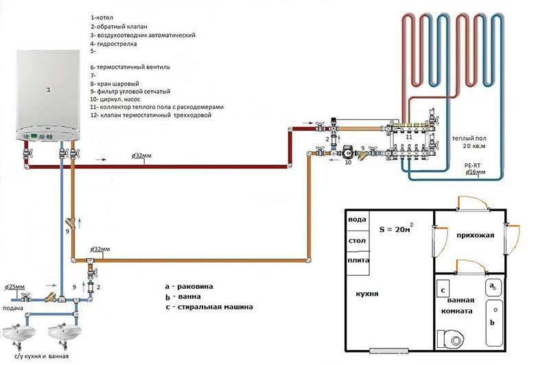
Схема за директно свързване
Разполагате с бойлер, след което са монтирани всички предпазни фитинги + циркулационна помпа. В някои версии на котли, монтирани на стена, помпата първоначално е вградена в тялото си.
За подови копия ще трябва да го инсталирате отделно. От този котел водата първо се насочва към разпределителния колектор и след това се разпръсква по контурите. След това, след завършване на прохода, той се връща през връщането към топлинния генератор.
При такава схема котелът се регулира директно до желаната температура на самите TP. Тук нямате никакви допълнителни нагреватели или радиатори.
Кои са основните характеристики, на които си струва да се обърне внимание тук? Първо, при такава директна връзка е препоръчително да се монтира кондензен котел. В такива вериги работата при относително ниски температури за кондензатора е напълно оптимална.
В този режим той ще достигне най-високата си ефективност
В такива вериги работата при относително ниски температури за кондензатора е напълно оптимална. В този режим той ще достигне най-високата си ефективност.
Ако използвате обикновен газов котел, скоро ще се сбогувате с вашия топлообменник.


Вторият нюанс се отнася до котлите на твърдо гориво. Когато го инсталирате, за директна връзка с подово отопление, имате нужда и от буферен резервоар.


Необходимо е да се ограничи температурният режим. Много е трудно да се регулира температурата директно с котли на твърдо гориво.
Как да сглобите и свържете правилно колектора
Инсталирайте рамката - колекторът е монтиран хоризонтално директно на стената или в изрязана ниша. Единственото условие за монтаж е свободен достъп до стрелката на отоплителните тръби. Също така е възможно да инсталирате колекционен шкаф със собствените си ръце.
Шкафът ще ви позволи да скриете окабеляването от любопитни очи, което е особено важно, ако под котелното се използва баня или коридор.
Връзка с котела - охлаждащата течност се подава отдолу, обратният поток върви отгоре. Отрезите на топката трябва да бъдат монтирани пред рамката.
Помпена група е инсталирана непосредствено зад крановете. За да се поддържа необходимата температура, отопляемият топлоносител се използва само частично. Помпата не само създава необходимото налягане в отоплителната система, но също така помага за смесване на охладената вода от подовия кръг и нагрятата вода от котела. Инсталиран е възвратен клапан с ограничител на температурата. Разпределителният колектор е монтиран зад клапана. Окабеляването на колектора за подово отопление се извършва, както следва. Тръбите към топъл под са прикрепени отгоре, от отоплителната система отдолу. Ако трябва да сглобите разпределителен колектор на топъл воден под със собствените си ръце, в гребена са монтирани спирателни кранове с вграден термостат. Практиката показва, че най-добрият вариант е закупуването на готова конструкция.Сглобяването на колектора дори от професионалист и саморегулирането на клапаните е трудоемък процес, който изисква определени умения и опит. Свързването на колектор за топъл воден под изисква използването на специални аксесоари. Използват се компресионни фитинги, състоящи се от опорна втулка, затягащ пръстен и междинна месингова гайка. След монтажа колекторът е настроен.
Изпитване под налягане на колектора - след приключване на монтажните работи е необходимо да се провери уплътнението на връзките. За това завършената колекторна група е свързана към помпа (оператор под налягане). С помощта на оператор за налягане в системата се натрупва налягане. Водната верига се оставя под налягане за един ден. Ако индикаторите за налягане не са се променили, това означава, че инсталирането на колектора за подово отопление със собствените си ръце е извършено правилно и смесителният блок е готов за работа.
На пръв поглед сглобяването на колектор със собствените си ръце изглежда доста просто. Но както показва практиката, по-добре е да не започвате инсталацията без необходимите инструменти и специални умения.
Имате ли нужда от колектор
Основният недостатък на устройството се счита за високата му цена, но трябва да се има предвид, че без него покритията с топла вода няма да могат да функционират нормално. Това е възможно само ако капакът се състои от един отоплителен кръг. При модерното подово отопление дължината на тръбите за полагане не може да надвишава 70 метра. Тъй като тази сума ще бъде достатъчна само за 7 квадратни метра площ, за средно голяма стая ще ви трябват поне три контура.
Най-често покритията с топъл воден тип се монтират във всички стаи на апартамент или къща. В този случай ще се изисква задължителна инсталация на колектора, за да се разпредели равномерно захранването на топлоносителя. Ако говорим за една малка стая, колекторът може да не бъде закупен. Трябва да се помни, че без това устройство охлаждащата течност ще се доставя с температурата, както в общата отоплителна система. Също така, без него е невъзможно да се премахнат въздушните брави и да се контролира налягането.
Връзка на колектора към котела


Процесът на свързване на топъл воден под с гребен е много прост и се свежда до свързване на тръбите на отоплителните кръгове към колектора, а самият колектор към котела. Има обаче разлики в конфигурацията на колектора. Това ще разгледаме в този подраздел.
Колекторът трябва да бъде монтиран по такъв начин, че да е удобно да се водят тръбите на отоплителния кръг към него. И така, инсталирайте спирателни кранове на колектора. Свържете страничния изход към тръбата както за подаване, така и за връщане.
Ако закупите готов комплект колектор, той вече ще разполага с всички необходими клапани, дори на изходите на тръбите, които отиват към котела. Наличието на кранове ще ви позволи, ако е необходимо, да извършите ремонт или временно да деактивирате една от веригите. Ако сглобявате колектора сами, тогава сглобяването на връзката на всеки елемент се извършва с компресионен фитинг. В резултат на това подовото отопление ще бъде свързано към котела през колектора.


За автоматизиране на контрола на температурата на охлаждащата течност в колектора допълнително е инсталиран следният комплект оборудване:
- Помпа и смесител, който включва трипътен смесителен клапан.
- За помпа с принудителна циркулация.
- Отводнителен кран.
- Отдушник за въздух.
Така че, вместо спирателни клапани на колектора, инсталирайте термостатични регулиращи клапани. В техния дизайн има термоцилиндър с парафин, който, изтласквайки се от температурата на въздуха в помещението, се стеснява или разширява. Тези действия задават капацитета на термостатичния клапан. Що се отнася до помпената и смесителна единица, принципът на нейното действие е описан по-горе.
И така, разгледахме основните и работни схеми за свързване на топъл воден под.Както можете да видите, не е достатъчно да знаете как правилно да инсталирате воден под. Трябва да е свързан правилно. Надяваме се, че тази статия ще ви помогне да разберете тънкостите на тази работа. И ако вече имате личен опит, оставете обратна връзка и коментари в края на тази статия по отношение на схемите за свързване на пода с водно отопление, които използвате.
Свързване на подово отопление към котела
- Има 2 схеми за отопление:
- комбинираникогато в отоплителната система, освен топъл под, има радиатори;
- и отопление само подово отопление.
При комбинирана отоплителна схема задължително присъства смесител (трипътен клапан и циркулационна помпа), тъй като температурата на охлаждащата течност в радиаторната верига (70 ° C) е значително по-висока от температурата на контура на подово отопление ( 30 ° С). Котелът загрява охлаждащата течност до температура от 70 ° C, която се подава директно към радиаторната верига. А за кръга за подово отопление се добавя студен връщане към охлаждащата течност, идваща от котела, така че температурата на входа на контура за подово отопление е 30 ° C.
- При отопление само с подово отопление можете да използвате:
- Нормално газов котел (подаващ високотемпературна охлаждаща течност към системата), но само в тандем със смесител.
- Газов котел като режим на подово отопление... Но имайте предвид, че в нискотемпературен режим топлообменникът ще се повреди много бързо.
- Кондензиране газов котел. Нискотемпературният режим е оптимален за него, именно в този режим котелът има максимална ефективност. Но цената е 2-3 пъти по-висока, отколкото за конвенционалните модели.
Цената на кондензатора е две обикновени, струва ми се, че ползите от кондензатора се убиват от разликата в цената.
Използването на кондензен котел за подово отопление беше обсъдено много подробно на форума.
Свързването на подовото отопление с котела може да се извърши независимо. Преди да свържете топлия под към котела, е необходимо да инсталирате колекторна кутия и всъщност да инсталирате най-топлия под с отопление с циркулация на водата.
Като правило системата е свързана с монтиран на стената газов котел. В този случай производителят няма значение, тъй като процесът на инсталиране и експлоатацията на всички котли се извършва по подобен принцип. Няма значение дали подовата система е свързана с котела или в дома ви има отоплителна система с радиатор.
Въпреки това, в случай на покритие с топла вода, връзката обикновено се извършва към котела.
Изводите са следните: изход от съоръжението за гореща вода към отоплителната система (захранване), изход от съоръжението към системата за подаване на топла вода, подаване на газ, вход за студена вода и „връщане“ от отоплителната система.
Котелът, използван в такива системи, има 5 терминала (ако оборудването е двуконтурно, т.е. за система за подаване на топла вода и отопление).
В процеса на свързване към котела трябва да обърнете внимание на факта, че всички връзки между колектора и отоплителното оборудване са разглобяеми: с помощта на комбинирани съединители и съединителни гайки.
На всяка тръба е монтиран сферичен кран. Във всяко оборудване от такъв план има грим кран за допълване / запълване на отоплителната система от водоснабдителната система.
За да свържете самостоятелно отоплителната система към котела, трябва да подготвите набор от прости инструменти.
- Ще имаш нужда:
- рулетка - 5-7 м;
- клещи (клещи);
- ниво;
- регулируеми ключове;
- редовни ключове;
- Комплект отвертки;
- мелница;
- поялник;
- перфоратор;
- газов котлон;
- фреза за тръби.
Колекторна верига за свързване на топъл под
Целият процес на самостоятелно свързване на пода към котела се свежда до факта, че е необходимо да свържете тръбите към колекторите и да свържете самите колектори към тръбите, които идват от котела. Както вече споменахме, преди да свържете топъл под с отопляемото оборудване, колекторният шкаф трябва да бъде монтиран и самият под да бъде положен.
Шкафът на колектора трябва да бъде разположен на такова място, че тръбите за подаване и връщане да могат лесно да влязат в него. Необходимо е да се свържат страничните изходи на колектора към тръбите за "връщане" (връщане) и захранване.
Преди това обаче трябва да бъдат монтирани спирателни кранове (спирателни кранове) на колекторите. Спирателният клапан може да включва термометър за по-удобен контрол на температурата.
Препоръчително е да закупите готов комплект колектори от известен производител, който включва спирателни клапани не само на връщащите и захранващите изходи, но и на всички изходи за монтаж на топлопреносни тръби на отопляемото покритие. Това ще направи възможно изключването на 1 отделна верига на цялата система за ремонт, така че останалите да продължат да работят в този момент.
Тръбите, крановете, колекторите са свързани помежду си с помощта на компресионни фитинги. Свързването на тръбите за подово отопление към колекторите може да се извърши с помощта на специални съединители. Съединителят включва затягащ пръстен, опорна втулка и месингова гайка. В случай на свързване на различни диаметри се използват адаптерни фитинги.
Най-простият вариант за проектиране ще се състои от прости колектори със спирателни клапани. Извършва се връзката на връщането и захранването с тръби и спирателни кранове, свързват се колекторите и тръбите за пренос на топлина на водното покритие. Това завършва инсталирането на системата за подово отопление на котела.


Пълна колекторна система
Цялостната система от колектори включва, освен спирателни кранове на тръбите, трипътен смесител (или помпа и смесител), въздухоотвод, дренажен клапан, кръгла помпа за улесняване на циркулацията на охлаждащата течност в тръбите.
Входящите и изходящите спирателни клапани могат да бъдат заменени с термостатични регулиращи клапани. Те са оборудвани с парафинова крушка, с помощта на която се настройва производителността на клапана.
Блокът за смесване на помпата е необходим за смесване на охладената охлаждаща течност от обратния поток в захранването, намалявайки температурата на прекалено гореща течност.
Хората, които живеят в региони със студен климат, се нуждаят от смесител, тъй като оборудването ще работи в силен режим на отопление, а температурата на охлаждащата течност на нагретото водно покритие трябва да бъде не по-висока от 55 градуса.
Смесителната помпа е монтирана между захранващата тръба и захранващия колектор. Третият изход на помпата отива към обратния поток пред тръбопровода за доставка. По този начин помпата ще вземе охлаждащата течност с минималната температура и ще я добави към захранването.
Елементи на системата


Елементи на системата
Всички схеми са обединени от лекота на работа, възможност за самостоятелно сглобяване, както и местоположението на основните елементи. Подаването и връщането са разположени от лявата страна, а колекторът с гребени - отдясно. Разликите между схемите са в добавянето на някои подробности. Най-често колекторът се намира в близост до смесителния блок, по-рядко - на разстояние, което може да се дължи на липса на свободно пространство или планиращи характеристики на помещението.
Съставът на компонентите зависи от материала на използваните тръби - от омрежен полипропилен, металопластика, гофрирана неръждаема стомана или мед.
В схемата се използват следните елементи:
- Спирателни кранове под формата на сферични кранове. Те не участват в регулирането на основните показатели на охлаждащата течност - нейната температура и налягане, но са необходими при извършване на ремонтни дейности, когато е необходимо да се изключат отделни компоненти на системата.
- Наклонен филтър, предназначен за механично пречистване на водата. Използва се в системата, ако няма сигурност относно чистотата на използваната вода. Този филтър ще предпазва твърдите частици от тунера, като по този начин осигурява правилна работа на системата и удължава живота на клапана.
- Термометри, които осигуряват визуален контрол върху температурата на водата във веригата.Някои модели са оборудвани със сонда, която влиза в пряк контакт с охлаждащата течност. Термометрите се предлагат в течен, механичен и цифров вид.
- Термостатичният клапан е основният управляващ елемент на смесителния блок. Върху него се поставя термостатична глава. Когато температурата на охлаждащата течност се промени, главата действа механично върху термичния клапан. Ако степента е надвишена, клапанът се затваря и когато температурата спадне, той се отваря.
- Байпас за изтегляне на студена вода е джъмпер, който се формира между захранващата и връщащата тръби с помощта на водопроводни тройници. За точно регулиране на налягането на охлаждащата течност на байпаса е монтиран балансиращ клапан, който ще осигури оптималната работа на системата и нейната безшумност.
- Оптималната скорост на движение на водата през тръбите се осигурява с помощта на циркулационна помпа.
Захранващ дросел


Двупосочната клапанна система е най-простата за изпълнение. Контролът върху температурата на водата, влизаща в тръбите на системата, се осъществява благодарение на термостатична глава, монтирана на клапана и сензор за течност. Отварянето и затварянето на клапана се дължи на главата, която прекарва гореща вода от котела във веригата или я отрязва.
По този начин водата от "връщащия" поток е неограничена и топла вода само ако е необходимо под контрола на клапана. Поради това се изключва прегряването на топъл под и се удължава експлоатационният му живот. Ниският капацитет на двупосочния клапан осигурява плавно регулиране на температурата на водата, като елиминира внезапните промени.
Трипътен дросел
За разлика от двупосочния клапан, трипътният клапан смесва вода с различни температури вътре в себе си. Този елемент комбинира захранващ байпасен клапан и байпас. Особеността се крие във възможността за регулиране на количеството топъл и студен топлоносител за смесване, благодарение на амортисьор, разположен между тръбата за гореща вода и "връщането".
Такива клапани имат недостатъци. Има възможност много топла вода да се подава чрез сигнал от температурен датчик, което поради рязък спад може да предизвика повишаване на налягането в тръбите и нарушаване на целостта на веригите. Големият капацитет на потока на трипътния клапан може да причини рязък спад на температурата на водата във веригата, дори при минимално изместване на устройството за управление.
Как да използвам
Трипътният клапан може да се монтира както в смесителния блок, така и без него. Във втория случай устройството изцяло поема функцията на колектора.
Монтажът на тройник за регулиране на температурата на водния подово отопление без допълнителни смесителни устройства се извършва в помещения с площ не по-голяма от 25 квадратни метра. Подаването на течност с желания температурен режим се извършва от регулиращо устройство и термостат, монтиран в самия клапан.
Монтажът по тази схема е подходящ за бани, тоалетни и балкони. Недостатъкът на инсталирането на трипътен клапан като основно устройство за смесване на топла и студена охлаждаща течност е липсата на възможност за дозиране на потоци.
При инсталиране на система за подово отопление за големи обеми жилищна площ, трипътният клапан е компонент на групата колектори. В такива случаи устройството осигурява пълноценен непрекъснат процес на цялото отоплително оборудване. Благодарение на него течността с желаната температура влиза във всички вериги на системата за подово отопление.
Трипътният клапан се използва ефективно в съоръжения с голяма площ - повече от 200 квадратни метра. В този случай топлият под може да работи както от автономна мрежа, така и от централна отоплителна система.
Смесителни клапани
В зависимост от желания ефект има различни методи за свързване. Всеки от тях непременно предполага инсталиране на смесителни клапани. Тези устройства са необходими за свързване на топла и студена вода. Последният се захранва от отоплителния кръг, първият от котела. Системата може да се регулира автоматично или ръчно, което изисква допълнителна инсталация на контролния серво. Има два вида смесителни клапани.
Двупосочно серво
Това серво се нарича още серво за подаване. Основната му разлика от конвенционалните клапани е способността да провеждат вода само в една посока. Ако вентилът е сглобен неправилно, той започва да функционира неправилно и бързо се повреди.


"Хранене" - провежда вода само в една посока
Като затваряща част за него се използва топка или специален прът. Регулирането се извършва или чрез завъртане на топката, или чрез преместване на стеблото. За извършване на тези манипулации се използват електрически задвижвания.
Най-популярният метод е термостатична глава, снабдена с воден сензор, който редовно следи температурата на топлоносителя. Вземайки предвид получените данни, главата включва или изключва клапана. Така че, от връщането, охлаждащата течност се подава редовно, а от котела само при необходимост.
Принципът на действие на устройството обяснява основното предимство на колектора, който е снабден с клапан за подаване. Подовете с това оборудване не прегряват, което значително увеличава техния експлоатационен живот. Ниският капацитет на потока на клапана създава плавно регулиране на температурата на охлаждащата течност, в този случай са изключени значителни скокове.
Захранващите клапани се характеризират с лесна инсталация и последваща работа. Те доста често се срещат в схемата на самостоятелно изработени колектори за подово отопление, но имат някои ограничения в приложението си. Не се препоръчва да се инсталират двупосочни устройства в системи, които работят в помещения, по-големи от 250 квадратни метра.
Трипосочни системи
Трипосочните елементи са подредени по различен начин. Това оборудване интегрира работата на байпасен захранващ клапан и байпасен клапан. Клапанът се състои от тяло с един вход и два изхода. За регулиране се използва или въртяща се топка, или специално стъбло.
Особеността на този тип устройства е, че регулиращата част напълно блокира потока и разпределя входящата вода, смесвайки я. Температурата се регулира автоматично, за това клапанът има задвижваща система, която приема сигнали от различни сензори.


Такива клапани имат серво задвижвания
По правило трипътните клапани са оборудвани със серво задвижвания, които се управляват от термостатични сензори или контролери с компенсация на времето. Серво задвижването активира заключващия механизъм, който се настройва в необходимото положение, за да се получи необходимият индикатор за нагрятата охлаждаща течност и обратния поток.
Контролерите с компенсация на времето са необходими, за да регулират мощността на системата според времето. Например по време на силно застудяване стаята ще започне да се охлажда много по-бързо, тоест ще бъде много по-трудно за отоплителната система да свърши работата.
За да се улесни задачата, е необходимо да се увеличат разходите за топлоносителя и да се увеличи температурата. Основните недостатъци на трипосочните елементи включват значителна производителност. При тези условия дори лекото изместване на регулирането може да доведе до рязка промяна в температурата на водата.
Трипосочните елементи се използват за колектори, монтирани в помещения, по-големи от 250 кв. m и системи с голям брой вериги. Нещо повече, те се използват за конструкции, които са оборудвани с метеорологични сензори, които определят необходимата температура на пода, отчитайки атмосферните условия.
Характеристики на оборудването
Охлаждащата течност от котела преминава през тръбопровода към колектора. От него течността попада в тръбопровода на пода. Отдавайки топлина, той се връща обратно в колектора, който има отделен връщащ изход за охладения топлоносител. Циркулационната помпа изпомпва вода обратно в котела.
При ръчно управление на температурния режим на веригата се монтират клапани със студена вода и високотемпературна охлаждаща течност. Ако помещението се е затоплило достатъчно добре, тогава вентилът за топла вода е затворен. Ако стаята е студена, тогава клапанът се отваря.
За автоматично регулиране на режима на отопление е инсталиран трипътен смесител с термостат и външен температурен сензор. Тази система образува термостатичен клапан. Той е инсталиран на входа на колектора. Оборудването е изработено от месинг или бронз.
- Трипътният клапан има 3 изхода за топла и студена вода и за отоплителната среда, която се подава към пода. В случая маркерите показват посоката на потоците с различни температури.
- Предвидена е смесителна камера за смесване на течности с различни температури.
- На тялото е разположен термостат с терморегулатор.
- Температурният сензор е разположен на термостата.
- Клапаните затварят отворите за студено и горещо течение. Те могат да бъдат с форма на диск или с форма на игла. Тяхната работа зависи от термостата.
- Термостатът е система, която се състои от течна капсула и пружинно стъбло. Към него са прикрепени клапани.
- Температурният сензор има цифров панел, на който са посочени режимите на отопление.
Препоръчваме: Какви са митовете за опасностите от подово отопление?
Термостатът може да бъде разположен в термичната глава или в задвижващия механизъм. Устройствата имат различна схема, но същия принцип на действие. Термичната глава е термостат, който работи с помощта на течност: тя е чувствителна към температурни промени.
Сервомеханизмите се захранват от електрическата мрежа. Течността се съдържа в контейнер. Съдържа нагревателна плоча. Серво серво е монтирано на колектора.


Трипътният смесител е предназначен за отоплителни системи на големи площи. В отделни помещения или в селски къщи двупосочен клапан е свързан към колектора. Той е инсталиран на верига с високотемпературна охлаждаща течност. Водата тече през него само в една посока.
Инсталиране на устройството
Колекторът за топъл воден под е монтиран по следната схема:
- Необходимо е да инсталирате рамка под устройството. Монтира се директно на стената в хоризонтално положение или в специално подготвена ниша. Когато избирате място за монтаж, човек трябва да се ръководи от наличието на безплатен достъп до устройството за свързване на необходимия брой тръбопроводи. Също така, специален шкаф често се използва за монтиране на устройството. В тази форма устройството може да се побере във всяка стая.
- Връзка към отоплителен котел. Охлаждащата течност се подава към системата отдолу, а връщането се поставя отгоре. Също така, пред рамката, трябва да инсталирате отсечки на топката. Монтира се циркулационна помпа зад крановете.
- Монтира се преливният клапан. Той трябва да бъде оборудван с ограничител на температурата. Зад това устройство е монтиран разпределителен колектор.
- Извършва се окабеляване на тръбопроводи към топъл под. Елементите, през които охлаждащата течност ще влезе в системата, са поставени отгоре. Тръбите от подово отопление се монтират отдолу.
- Ако възнамерявате да инсталирате устройството със собствените си ръце, е необходимо да свържете спирателни клапани, които са оборудвани с термостат, към разпределителния колектор. Когато се сглобява готов комплект, не е необходимо да правите това.
- Колекторът е свързан към отоплителната система с помощта на компресионни фитинги.Този елемент се състои от затягащ пръстен, опорна втулка и междинна гайка.
- Изпитване под налягане на колектора. След монтажа на всички конструктивни елементи е необходимо да се провери колко плътна е получената система. За това уредът е свързан с циркулационна помпа. Той натрупва налягане в системата. В тази форма водната верига се оставя за един ден. След това време проверете налягането. Ако не се е променило, инсталацията е била успешна.
Защо подът, подгряван с вода, не се нагрява: неизправности и тяхното отстраняване
Водното подово отопление е доста сложна система от взаимосвързани компоненти. Ако водният топъл под не работи, причините може да са различни.
На първо място, трябва да знаете основните елементи на този тип отопление:
- Тръби - линии, по които циркулира охлаждащата течност, която предава топлина към повърхността на пода.
- Околовръстен път.
- Циркулационна помпа.
- Колекторни и електрически задвижвания на входната група, използван за регулиране на потока във веригите, както и балансиращ клапан, предназначен да смесва нагрята и вече отделена топлинна вода.
- Термостати и термостатипозволяващо регулиране и поддържане на зададената температура. В случай на повреда са възможни както охлаждане, така и критично прегряване на системата.
Струва си да се вземат предвид възможните недостатъци в инсталацията. Ще бъде проблематично да се премахне такава неизправност, като например недостатъчно количество изолация и големи топлинни загуби, защото ще трябва да повдигнете подовата настилка на топъл воден под, да демонтирате замазката и тръбите.
Също така, ако подът с топла вода не се нагрява, причините могат да се крият в неправилни изчисления в проекта и в резултат на това неправилно избрани системни компоненти. Често се случва, че за правилно отопление няма достатъчно енергия... В този случай въпросът е в ниското напрежение на мрежата или недостатъчната мощност на котела.
Ще разгледаме обаче най-типичните повреди, места и причини за тяхното възникване, както и начини за решаване на проблема.
Повреда на тръбопровода
Пробив на под, загрят с вода, се проявява в теч и често рязък спад на налягането в тръбите. Изтичането не само намалява количеството охлаждаща течност в системата, но също така е изпълнено с разрушаване на пода, наводняване на съседи и повреда на имуществото.
Ако топъл воден под не се нагрява добре и има съмнение за теч, тогава първата стъпка е да се инспектира повърхността и фугите на подовото покритие. Може да няма мокри петна. След това трябва да използвате термовизор.
След като установите теча, демонтирайте внимателно подовата настилка и замазката на място. Методът за отстраняване на теча се свежда до изрязване на повредения участък на тръбата и замяната му с нов, цял. Технологията зависи от вида на използваните тръби.
Преди да демонтирате покритието и да режете тръбата, първо трябва да изключите подаването на охлаждаща течност към веригата (на колектора) и след това напълно да източите водата от веригата. След ремонта веригата се стартира. Задължително е да се провери спойката или съединението за херметичност.
Преди да загреете водния топъл под, е необходимо да го обезвъздушите.
Неравномерно отопление
В случаите, когато подът, подгрят с вода, не се нагрява добре, причините могат да се крият в неравномерното разпределение на охлаждащата течност във веригите. Това се дължи на факта, че контурите, като правило, имат различна дължина. Ако дебитът на водата върху колектора във всеки контур е еднакъв, то охлаждащата течност ще отнеме повече време, за да премине по-дълга верига. Съответно, в такива бримки водата се охлажда по-бързо.
В този случай регулирането на подаването на охлаждаща течност към колектора към всяка верига ще позволи да се реши въпросът защо топъл воден под не се затопля. Необходимо е да се проверят и регулират нивата на електрическите задвижки на захранващите клапани.
В този случай ще трябва да проявите търпение, тъй като времето, необходимо за затопляне на топъл воден под, зависи от много фактори (устройството и дебелината на „топлата торта“, температурата и интензивността на водоснабдяването, температурата извън прозорците, материалът на подовото покритие, каква мощност е нагревателят за топъл воден под и др.).
Инструментите за автоматизация ще спомогнат за улесняване на контрола и настройката, а именно температурни сензори и серво задвижвания на клапаните на колектора, свързани към външен термостат - анализатор, който изпраща команди към колектора за регулиране на подаването на вода към контурите.
Електрически неизправности
Защо подът на топлата вода не се отоплява, ако няма изтичане? Като се има предвид, че някои елементи на системата изискват захранване от мрежата, за да функционират, може да се приеме, че причината за проблема се крие точно в тях.
Честа повреда е повредата на циркулационната помпа и термостата, разположени в смесителния блок на колектора. Необходимо е да се провери дали те са под напрежение. Това може да се направи с мултицет или индикаторна отвертка. По принцип неработоспособността на помпата може да се определи от липсата на шум.
След обща проверка на термостата, ако не се установи проблем, е необходимо да се провери съпротивлението на всеки от неговите клеми. Възможно е температурните сензори да не работят. Поради това се препоръчва редовно да проверявате тяхното представяне.
Ако вие сами не сте могли да разберете защо подът с топъл вода не се нагрява, докато нищо друго не е предизвикало съмнение, по-добре е да потърсите помощ от специалист.
Видове системи за подово отопление
Има две принципно различни системи, вземете предвид техните силни и слаби страни. Изборът на схема ще повлияе на комфорта на пребиваване в жилищни помещения, имайте това предвид при вземането на решение, вземете предвид не само техническите параметри на различните схеми, но и характеристиките на помещенията и съществуващите отоплителни системи.
Воден топлоизолиран под
Позволява да се получи равномерно подово отопление, съвместимо с някои съществуващи отоплителни системи в стари сгради. Недостатъците включват сложността на оборудването и монтажните работи и високите прогнозни разходи. Освен това водната система намалява височината на помещението с поне 10 см поради бетонната замазка. За да се създаде електрическа схема, стаята е разделена на отделни секции, като се вземат предвид размерът и конфигурацията на пода, всяка верига трябва да има приблизително еднаква дължина на тръбите, в противен случай отоплението ще бъде неравномерно по площ. В зависимост от строителната технология водният под може да има няколко инсталационни схеми.
- На бетонна основа. Състои се от слой топлоизолация върху бетонна основа, метална мрежа за полагане на тръби, тръбопроводи, горна замазка и довършително подово покритие.
- Полистирол. Няма нужда да се прави по-модерен метод за полагане на топъл под с вода, циментово-пясъчна замазка. Върху топлоизолационния слой се полагат специални полистиролови плочи с места за закрепване на пластмасови тръбопроводи. Готовото окабеляване е покрито с гипсофазерни плоскости, върху които е положена довършителната настилка.
Често срещан недостатък на водното подово отопление е, че извънредните ситуации имат много сериозни последици. Най-сложните елементи на водното отопление са смесител и колектор.
Описание на видовете смесителни единици
Смесителният блок осигурява постоянна и балансирана циркулация на нагрята вода по положените вериги, променя скоростта на движение, независимо поддържа зададената температура за отопление на пода и топлоносителя. В зависимост от характеристиките на дизайна, той може да има няколко вида:
- с последователно свързване на водна помпа и двупосочен термоклапан;
- с последователно свързване на водна помпа и трипътен термоклапан;
- с последователно свързване на водна помпа, трипътен терморегулатор работи с потоци, сходящи се в един възел;
- с паралелно свързване на водна помпа, двупосочен термоклапан;
- водната помпа е свързана паралелно, термичният клапан е трипътен.


Смесител за подово отопление
Всяка схема има свои собствени характеристики, изборът се извършва, като се вземат предвид техническите параметри и броят на отоплителните кръгове.


Разположение на тръби за радиатори и топъл воден под
Разпределителни колектори
Проектиран да свързва всички отоплителни устройства на системата за подово отопление на едно място. В зависимост от номенклатурата и броя на допълнителното специално оборудване те могат да бъдат прости и подобрени. Простите нямат никакви фитинги и се използват само за свързване на фитинги. Подобрените имат контролни сензори, устройства за работа, измервателни уреди и др.
Как работи серво задвижването за подово отопление?
Серво задвижването е електромеханично устройство, което ви позволява да отваряте и затваряте линията на обратния поток на охлаждащата течност на отделна верига.


Как работи серво задвижването за подово отопление? Състои се от електрически задвижващ механизъм и бутален прът - този прът действа върху клапана, който се намира в колектора за подово отопление и в зависимост от състоянието на термостата заема отворено или затворено положение.
Контролът на потока по веригата се извършва от страната на захранването с охлаждаща течност.
Серво серво се завинтва към връщащия колектор. Към веригата, която трябва да се контролира (т.е. трябва да знаете къде коя верига е на колектора, където тръбата тръгва от нея). За колектори за подово отопление (ако сте инсталирали точно такива) резбата за инсталиране на серво задвижването е унифицирана. Тези. всеки ще направи.


За да инсталирате серво, трябва да свалите стандартната капачка и да завиете самия серво.
След като инсталирате сервосистемите на всички вериги, е необходимо да ги свържете към контролния блок (в случай на безжична система). Конфигурирайте сигнали от термостати. Тези. определят каналите, чрез които ще управляват един или друг серво. Или ги свържете директно към температурни сензори, ако са свързани. И тогава управлението ще се извършва директно чрез подаване или не подаване на мощност към серво.
Сервомеханизмите могат да бъдат „нормално отворени“ или „нормално затворени“. Това означава, че когато няма напрежение, то позволява охлаждащата течност да циркулира (нормално отворена). Или не позволява (нормално затворен).
Какъв вид серво задвижване трябва да се използва за контрол на температурата на под, загрята с вода?
По-логично е да изберете "нормално отворен". С тази опция напрежението няма да се подава към серво задвижването с по-голямо% съотношение с течение на времето и охлаждащата течност ще циркулира (т.е. отоплението ще работи). Повечето (ако не всички) термостати или блокове за управление на подово отопление ви позволяват да управлявате както нормално отворени, така и нормално затворени серво, в зависимост от терминалите, към които са свързани.












