Популярността на новите видове отоплителни уреди, по-специално като подово отопление, нараства всяка година. Тази среда за отопление на помещенията често се използва в бани и коридори чрез инсталиране на отоплителната система под подовото покритие. Днес има 3 вида конструкции за подово отопление: електрически, водни и инфрачервени.
Схемата на свързване на топъл под и принципите на работа от различни видове се различават помежду си. Преди да помислите за това как правилно да свържете топъл под, как ще бъдат инсталирани нагревателните елементи, дали термостатът ще бъде свързан или не, трябва да разберете устройството и видовете отоплителни устройства.
Принципът на действие на електрическото подово отопление е да преобразува електрическата енергия в топлина, като използва физическите свойства на проводниците, или по-скоро тяхното съпротивление. Върху подовото отопление е монтирано основното подово покритие (плочка или подова замазка), което загрява и разпределя топлината в цялата отоплителна площ.
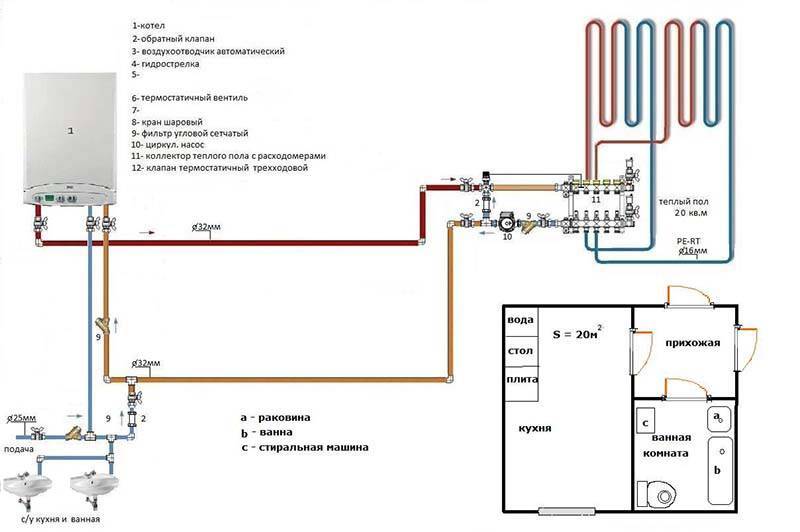
Схема на свързване на подово отопление
Електрическото подово отопление е свързано чрез термостат. Схемите на свързване за подово отопление от всички видове, като нагревателни елементи, имат различен дизайн:
- едно- или двужилен нагревателен кабел (кабелно подово отопление);
- термо постелки.
Инфрачервените панели първо отопляват човека, а след това и пространството в стаята
Инфрачервеното подово отопление се счита за нова технология за този тип отопление. Нагревателният елемент в отоплителната система на такива подове е двуслоен инфрачервен филм с обща дебелина до 1 mm, в средата на който е монтирана плоча (въглеродна или биметална).
Схемата на свързване на филмовите топли подове има някои съществени разлики от другите видове. Електричеството се подава към плочите чрез ултратънки медно-сребърни проводници, а топлинната енергия от нагревателния елемент се излъчва от инфрачервените (инфрачервени) лъчи от повърхността с помощта на нанесената въглеродна паста. Контролът на необходимото ниво на температура се "следи" от термостата за подово отопление.
Учените вярват, че най-удобната топлина за човешкото тяло идва от инфрачервените отоплителни устройства.
Мощността на термопанелите трябва да съответства на площта на помещението
Тези устройства използват принципа на вторичната конвекция, според който човешкото тяло и предмети се нагряват, а след това и въздух.
Когато избирате топъл под, винаги трябва да вземете предвид индикатора за мощност. За да определите този показател, трябва да знаете: площта на помещението, предназначението на самото отоплително устройство (основно или допълнително) и вида на отопляемото помещение (кухня, баня, балкон). Има таблици, с които можете да определите мощността на необходимото подово отопление.
Монтаж и свързване на термостата
Термостат - мозъчният център на подово отопление
След като се запознахме с принципите на работа и устройствата на разновидностите на новите видове отопление, струва си да помислим как да свържем термостата според подходящата схема на свързване за подово отопление и къде ще бъде инсталиран.
Термостатът или термостатът е „мозъчният център“ на въпросното отоплително устройство. Той отговаря за включването на нагревателя, регулирането на температурните параметри и наблюдението на цялата система.Устройството е в състояние да „отчита“ всички показания от температурен датчик, който е свързан с термозащитен кабел, монтира се заедно с топъл под и автоматично изключва захранването при достигане на необходимата температура.
Веднага след като стаята се охлади, термостатът ще включи отоплението
В този случай термостатът остава в експлоатация и следи температурните индикатори. Ако температурата падне под зададената скорост, устройството ще захранва отоплителната система и тя ще започне да функционира.
Днес гамата от термостати е доста разнообразна. Съществуват механични модели, комбинирани електромеханични опции и електронни, които също могат да бъдат разделени на програмируеми и непрограмируеми.
Всеки избира и свързва термостат за топъл под самостоятелно, в зависимост от изискванията, но свързването на регулатора към нова отоплителна система е задължително.
Изисквания за монтаж на термостат
Инсталирайте термостата близо до електрически контакт
Необходимостта от използване на термостат за подово отопление (електрически и инфрачервен) не трябва да се съмнява, такова устройство не може да се превключва "директно". Преди да свържете топъл под с термостата, е необходимо да вземете решение за местоположението на самия термостат, като вземете предвид схемата за свързване на топъл под.
По време на инсталацията има определени изисквания:
- Устройството може да се монтира от топъл под на височина не повече от 1,5 m.
- Термостатът е монтиран на противоположната стена от батерията (ако има такава), за да се избегне прегряване и фалшиво задействане на сензора.
- Според електрическата схема за електрическото подово отопление и неговия регулатор, мястото за монтаж трябва да бъде избрано близо до изхода или да изтеглите отделно освободения кабел към разпределителното табло (препоръчително е подовото отопление да бъде включено към платката чрез прекъсвач )
- Свързването на термостата към топъл под трябва да се извърши съгласно схемата към устройството.
Трябва да се помни, че според много схеми за електрическо подово отопление, когато се свързва термостат, е необходимо да се монтира отоплителният кабел в стената в пластмасови тръби (всеки проводник поотделно), за да се избегне пожар в стаята.
След като разгледахте принципите на работа на видовете топли подове и техния "мозъчен център", трябва да разберете как да свържете топъл под към термостат и как да монтирате отоплителни устройства. Има изисквания, които трябва да бъдат изпълнени при инсталиране на всички видове подово отопление:
- топлоизолация на инсталационната повърхност на подово отопление;
- изравняване на повърхността;
- температурният сензор трябва да бъде разположен така, че нагретият елемент да не го докосва;
- съединителите (свързващи нагревателния елемент и захранващия кабел) трябва да бъдат разположени и свързани под подовото покритие.
Останалите характеристики на схемата за свързване на топъл под към инфрачервен подов термостат и видовете електрически под трябва да се разглеждат отделно.
Монтаж на кабелно електрическо подово отопление
Монтажът и свързването на подово отопление от кабелен тип се извършва след изравняване и изолиране на повърхността. Полага се монтажната лента, върху която на различни интервали са разположени крепежните елементи за кабела. Имайки предвид всички характеристики на схемата за свързване, нагревателният елемент - кабелът се полага със змия и се фиксира върху лентата с крепежни елементи (кабелът не трябва да се пресича и е разположен под постоянно стоящи предмети, така че топъл под да не се провали). За информация как да инсталирате топъл кабелен под под плочките, вижте това видео:
След инсталирането на нагревателния елемент е необходимо да проверите съпротивлението на кабела с тестер. Ако индикаторите са нормални, можете да излеете замазката или плочката.
След като подовата настилка се втвърди, можете да извършите останалите превключващи работи и да свържете електрическия кабел към термостата, а след това си струва да свържете топъл под към електричество.
В термоматите кабелите вече са положени и фиксирани, просто трябва да развиете ролката
Инсталирането на топъл под под формата на електрически рогозки е по-лесно от инсталирането на кабелен аналог. Електрическа подложка е същият кабел, инсталиран с определена стъпка върху термичен филм. Нагряващите се постелки се предлагат в различни дължини и мощности. Електричеството от разпределителното табло се подава директно към термостата за подово отопление.
Електрическите постелки са удобни за инсталиране в помещения с ограничена височина на пода, те са с относително ниска цена и не се нуждаят от електротехник за монтаж (можете да го направите сами). Има и свързващ елемент за постелки, който позволява топъл под да бъде свързан с допълнителна постелка или да бъде намален.
Изолацията трябва да се постави под IR панелите
Инфрачервеният филм също е положен върху равна повърхност, но отдолу има изолационен субстрат с отразяваща равнина, която отразява радиацията. Проводниците, които свързват нагревателните елементи на филма, имат контактни клеми за свързване на силови вериги.
Схемата за свързване на инфрачервеното подово отопление (включена в комплекта за доставка) показва, че контурът на проводниците е 3-5 секции на плочите, това е 20-30 см, в зависимост от производителя. Това прави възможно нарязването на филма на парчета по маркираните линии, което позволява удобно позициониране на свързания нагревателен елемент. Вижте тънкостите при инсталирането на топъл инфрачервен под в това видео:
Свързването на инфрачервеното подово отопление с термостата се извършва по същия начин, както при други модели на нов тип отопление само без съединители, всички проводници ще бъдат свързани към термостата отделно или чрез общ клемен блок.
При инсталиране на подово отопление е необходимо мощността на рогозката, кабела или инфрачервения филм да съответства на допустимото натоварване на термостата за подово отопление.
Схема на свързване на инфрачервеното подово отопление
При промяна на размера на сегментите за подово отопление (изграждане на рогозки, добавяне на филм) е необходимо да се вземе предвид регулаторът на подово отопление (термостат), или по-скоро неговите параметри и, ако е необходимо (не комбиниране на устройства по отношение на стойности на тока и мощността), заменете го.
Всеки тип подово отопление има свои собствени характеристики. Свързването на топъл под с термостат и изборът на самия термостат не е трудно. Основното нещо е да анализирате ситуацията, да направите своя избор в полза на определен тип нагревателен елемент, да изберете термостат за топъл под и да започнете да инсталирате.
В този случай можете да разчитате на горните точки и на инструкциите от производителя на топъл под, където много компании посочват процедурата и характеристиките на монтажа. В случай на затруднения, ако схемата за свързване на термостата не е ясна, за да излезете от ситуацията, трябва да използвате услугите на електротехник.
Свързването на подово отопление е най-популярният метод за допълнително отопление на помещенията. За да спестите пари, е допустимо да извършите част от работата със собствените си ръце. В представения материал ще разгледаме как да свържем топъл под със съществуващите отоплителни системи и какви тънкости са важни, за да се вземат предвид.
Има два основни типа топлоизолирани подове - водни топлоизолирани подове и електрически. При отопление на водната версия, топлоносителят е нагрята вода, подавана от котела или от общ щранг.
А при електрическите подове преносът на топлина се осъществява по следния начин: протичащият ток загрява медните нагревателни елементи и те от своя страна пренасят топлина към околните предмети.Електрическите постелки и нагревателният кабел функционират според този принцип. А принципът на действие на инфрачервения филм се крие в излъчването на дълги инфрачервени вълни от специализирани елементи, което загрява всички предмети в стаята.
Всеки от типовете има тънкости при свързване, тогава ще разгледаме по-подробно свързването на подово отопление.
Видове топли подове
Оформление на стелажа върху дървена основа
По вида на материала, в който са положени тръбите, могат да се разграничат основните видове инсталация:
- в бетонна замазка;
- на полистиролова основа;
- върху дървени летви.
Първият тип е най-надежден и широко разпространен. На равна повърхност се полага слой топло- и хидроизолация. За укрепване на конструкцията се полага армираща мрежа. След това тръбите се полагат и фиксират със специални скоби. Монтираната система се излива с хоросан от смес от цимент и пясък, а също така можете да добавите пластификатори, които укрепват замазката. Най-добрият вариант за декоративно покритие ще бъде плочка или камък.
Не можете да използвате топъл под, докато замазката не изсъхне напълно, може да се напука.
Следващият вариант е монтаж на основа от полистирол. Тази опция е най-лесната за инсталиране. Тръбите се монтират в специални готови форми. За да се монтира една основа върху тях, са предвидени заключващи ключалки и не е необходимо допълнително фиксиране. След полагането на тръбите плочите за разпределение на топлината са прикрепени отгоре, а след това и довършителното подово покритие.
Последният вариант е монтаж на дървена основа. Материалът е различен - дъска с кант, шперплат или други изделия от дърво. От тях се правят ленти и се полагат на дървен под, с пролуки за тръби. В тези празнини тръбопроводът е прикрепен с помощта на специални скоби. След това повърхността е покрита с полиетилен и слой гипсови влакна, той ще разпредели равномерно температурата и горният слой е прикрепен към него.
За да извършите правилното изчисление на топъл под от воден тип, трябва да вземете предвид много параметри и условия:
- основно или вторично отопление;
- планира се монтаж в къщата или апартамента;
- какво е финишното покритие;
- какъв е обемът на стаята;
- каква е целта на помещенията;
- какъв вид топлинни загуби в стаята.

Изчисляването на топлинните загуби на помещението е много важно, особено ако топлият под е единствената отоплителна система. За да направите това, трябва да вземете предвид нюансите:
- вид строителни материали за стени и подове;
- вид дограма и стъклопакет;
- брой врати и размер на прозорците;
- особености на климата във вашия регион;
- наличие на алтернативни отоплителни системи.
За помещения от различен тип се осигурява определена температура на нагряване на покритието, а именно:
- дневни - 30 градуса;
- в помещения, където е необходимо силно нагряване - 36 градуса;
- с висока влажност - 33 градуса;
- за естествено дърво - 27.
Изборът на материала за покривния слой трябва да бъде направен предварително на етапа на изчисляване на разходите. В противен случай мощността на отоплението няма да бъде достатъчна или ще бъде прекомерна.
Особеностите на отоплението с подово отопление предполагат точно топлинно изчисляване на мощността на системата. Това важи особено за стаи с дървени подове. Такава повърхност има ниска топлопроводимост и отоплението ще бъде по-слабо при стандартната мощност на системата. След като проучихте всички нюанси и обърнете внимание на важни точки, трябва да направите точно изчисление на работата на топъл под, отоплително оборудване и да изчислите стъпката между тръбопровода, като вземете предвид избраната схема за оформление. Цялата тази информация ще ви помогне да направите отопление с подово отопление в частна къща със собствените си ръце.
Грешки при монтажа на воден под (2 видеоклипа)
Схеми за воден под (25 снимки)
Статии, които други четат:
- Серво задвижване за колектор за подово отопление: автоматизация на подово отопление
- Правилният избор на замазка в нова сграда: характеристики и специфики
- Инженерна или паркетна дъска: как да изберем?
Стаята трябва да бъде разделена на секции в зависимост от конфигурацията. Начертайте предварителна скица на схемата за отопление на хартия. В този случай трябва да бъдат изпълнени две условия: броят на отоплителните тръби във всяка секция трябва да бъде приблизително еднакъв, по възможност да се избягват резки завои. Максималната площ на една секция не може да надвишава ≈20 м2, дължината на тръбите върху нея е не повече от 100 м. Конкретните стойности зависят от мощността на помпата и техническите характеристики на отоплителните тръби.


Схема на свързване за свързване на водно топъл под към бойлера
Схемите за свързване могат да бъдат направени от пластмасови (най-евтиният и доста издръжлив вариант), гофрирани неръждаеми (във всички отношения те заемат средни позиции) и медни (най-скъпият и най-надежден вариант) тръби.


Тръби за подово отопление


Гофрирани тръби от неръждаема стомана
След това трябва да нарисувате оформление на тръбата на хартия, като вземете предвид горните условия. Разстоянието между тръбите е 15–30 cm, в зависимост от необходимата вътрешна температура. Трябва да се има предвид, че подовите настилки не могат да се нагреят до повече от 30 ° C.
При съставяне на диаграма трябва да бъде изпълнено още едно условие. В стаята всяка верига трябва да има еднаква дължина на тръбата и приблизително еднакъв брой завои. Схемите предвиждат полагане на тръбата със спирален метод, зигзаг и змия, разрешено е да се използват няколко метода в една стая, всичко зависи от характеристиките на конфигурацията на пода. Препоръчва се да се увеличи плътността на отоплителните тръби близо до прозорци, в противен случай подът под тях ще бъде много по-студен.


Схема на свързване на подово отопление


Разход на тръба в зависимост от стъпката
Дължината на всяка верига се увеличава с около два метра, те ще са необходими за тръбопроводи към щранга. Ако можете да направите малка грешка с пластмасовите тръби, тогава медните са твърде скъпи, за да ги нарежете на парчета, непродуктивните отпадъци увеличават цената на отоплителната система. Възможно е да се наложи да нарисувате няколко скици, да промените външния вид и размерите на очертанията.


Опции за полагане на тръби


Методи за полагане на тръби за топъл под с вода


След като намери оптималното решение, оформлението на контура може да бъде маркирано на основата с флумастер. По-нататъшното развитие на инсталацията зависи от вида на основата.


Схема на топъл воден под върху бетонна основа


Монтаж на водно топъл под с бетонна замазка
Инсталация за отопление с топла вода върху бетонна основа съдържа няколко слоя торта.
Изолационен слой
Полага се върху почистена основа, ако има големи неравности, първо трябва да се направи замазка. Препоръчително е да използвате пенобетон, той намалява непродуктивните топлинни загуби. Дебелината на изолацията трябва да бъде повече от три сантиметра, плътността на изолацията трябва да бъде най-малко 35 kg / m3.


Изолационен слой
Препоръчително е да поставите пяна или пресована минерална вата с повишена физическа якост във веригата. В изпълнението има специални рогозки за водни системи за подово отопление, те имат монтирани скоби, които значително улесняват процеса на полагане на тръби. Ако помещението е голямо, дебелината на изолацията се увеличава.
Прочетете повече: Хидравлично изчисление на изчислението на площта на отоплителната система
Полагане на тръби


Фиксиране на тръби за подово отопление
Средно ще са необходими приблизително пет течащи метра на квадратен метър от стаята със стъпка от 20 см. Тези показатели могат да варират, като се вземе предвид изчислената мощност на отоплителната система.


Полагане на тръби
След свързването на всички участъци е наложително да се проведе хидротест на херметичността на връзката. За да направите това, включете единия край на тръбата и свържете водна помпа към другия. Налягането на водата по време на изпитванията трябва да бъде два пъти по-голямо от работното налягане.Такива тестове ще дадат възможност за своевременно откриване и отстраняване на течове.


Демпферна лента за подово отопление


Демпферна лента и изолационен филм
По контура на помещението е предвидена демпферна лента, която компенсира топлинното разширение на горната циментова замазка. В схемата е осигурен слой хидроизолация между контура на тръбата и замазката. За тези цели можете да използвате евтин пластмасов филм с дебелина най-малко 30 микрона.


Върху хидроизолацията се полага метална или пластмасова мрежа за армировка.


Изолационен филм и мрежа
Дебелината на замазката е 3–10 cm над повърхността на тръбите. Замазката се извършва по обичайния начин, можете да използвате мокър или полусух материал. След охлаждане се монтира финалната настилка.


Намазва се под под, затоплен с вода
Всички слоеве на топъл под са изчертани на диаграмата, като се посочват материалите за производство и линейни параметри.
Предвижда използването на готови OSB плоскости с нарязани канали за тръби и метални плочи. Дебелината на плочите е най-малко 22 mm; на диаграмата, монтажът на топлоизолация е предвиден в пода. Разнообразие от модули по отношение на конфигурацията ви позволява да ги поставите в желаната последователност според разработената схема.


Топъл под на дървена основа


Снимка на полагане на тръби за подово отопление
Диаграмата е съставена, като се вземе предвид използването на дървени или OSB ламели с дебелина най-малко 28 mm. Ламелите трябва да бъдат положени върху подовите греди, като разстоянието между тях е малко по-голямо от диаметъра на тръбите. Като скоби се използват метални профилни плочи, отгоре има резета. Системата е покрита с гипсофазерни плоскости.


Топли подове върху дървена основа
Когато разглеждате проблема как да свържете топъл под към отоплителната система, веднага си струва ясно да разберете разликата между устройството за отопление в частна и жилищна сграда. В първия случай собственикът е свободен да извърши подобрението без никакви ограничения, само въз основа на характеристиките на котела и оформлението на помещенията. Във високи сгради свързването на топъл воден под към отоплителната система създава много повече проблеми.
Основните са следните:
- разликата в хидравличното съпротивление в отоплителните радиатори и подовите отоплителни тръби;
- качеството на водата в централната отоплителна система е лошо и може да има осезаем ефект върху работата на подово отопление;
- водният чук и спада на налягането могат да доведат до преждевременна повреда на системата за подово отопление.
Подготовка на основата и свързване на подово отопление
Преди да свържете топъл под, е необходимо да се подготвите. Каквато и схема на топъл под да изберете за изпълнение, винаги е важно да подготвите основата:
- Първата стъпка е демонтирането на старата настилка.
- Ако трябва да се извърши нова замазка, тогава е необходимо да се премахне и старата замазка.
- След това основата се инспектира и ако се открият пукнатини и дълбоки стружки, те се запечатват. За да направите това, пукнатината се почиства до твърда основа, повърхността се грундира и запълва с приготвен разтвор или специално закупена ремонтна смес.
- Следващата стъпка е да се постави хидроизолационният слой под формата на полиетиленов филм с минимална дебелина 200 микрометра.
- След това се полага изолационният слой и към стените по периметъра на помещението се закрепва амортисьорен филм, който ще изравнява топлинното разширение на бъдещата замазка.
Основният алгоритъм за подготовка е един и същ за почти всички видове подово отопление, с изключение на инфрачервеното подово отопление.
Свързване на водния под
Най-компетентният отговор за това как да свържете топъл под на базата на водна версия е да ги свържете към котел с помощта на водна помпа.Поради факта, че температурата на охлаждащата течност не може да бъде повече от 35 градуса, е необходимо да се използват колектори и смесителни блокове.
За да се осигури такава връзка, са монтирани трипътни и двупосочни клапани. След това захранващата тръба е свързана към разпределителното табло, което трябва да има изходи според броя на веригите, както и регулатори на потока и клапани. Те могат да се използват за регулиране на водния поток и задаване на температурата на целия под.
За изключване на отделна верига за подаване и връщане са монтирани клапани.
Приблизителна схема за свързване на воден под
Свързване на системата към захранването с охлаждаща течност и инсталиране на колектор
Система за свързване на колектора
Схемата за свързване на колектора се свежда до факта, че котелът и колекторът трябва да бъдат свързани с тръбна линия. Ако котелът е инсталиран близо до газовата тръба (в случаите, когато котелът е газов), тогава колекторът може да бъде монтиран на всяко удобно място. Той трябва да бъде достъпен за захранване на тръби с подаване и връщане, както и за наблюдение и управление на системата.
Преди да свържете тръбите, на колектора трябва да се монтират спирателни кранове. За да се улесни контролирането на температурата, в конструкцията на клапана може допълнително да се включи термометър.
И така, единица, състояща се от колектор, тръба и клапан, е свързана помежду си чрез компресионни фитинги. За свързване на тръби се използват специални връзки, които се състоят от месингова гайка, затягащ пръстен и опорна втулка. Ако е необходимо да се свържат тръби с различен диаметър, могат да се използват фитинги за адаптери.
По този начин имаме най-простата схема за свързване на подово отопление. Тази схема има следните възли:
- Прост колектор със спирателни клапани.
- Тръбопровод за подаване / връщане, свързан чрез кранове с гребен.
Пълен комплект колектори
https://www.youtube.com/watch?v=iSG92rSo27c
Така охлаждащата течност ще бъде равномерно разпределена по отоплителните кръгове.
Термостатичен контролен клапан
Да се организира пълен контрол на топъл под в
ще включва:
- Помпа и смесител.
- Отводнителен кран.
- Циркулационна помпа.
- Отдушник за въздух.
- Спирателни кранове и тръби.
На изхода / входа могат да се монтират термостатични регулиращи клапани вместо конвенционални кранове. Чрез тях можете да настроите производителността на крана. Това се постига благодарение на парафина, който се разширява или свива под въздействието на температурата.
Смесителната помпа е инсталирана между подаването на тръби и захранването на колектора. Има и трети изход, който отива към обратния поток преди обратния поток в колектора. Ако е необходимо, помпата ще изпомпва охладения топлоносител в захранването, за да достигне зададената температура.
Прочетете повече: Водата тече от климатика в стаята: причини за това какво да правите
За да разберете как да свържете топъл под към отоплителната система, трябва да разберете кои елементи от системата участват в това. Както при класическите схеми за отопление, тези елементи са:
- тръба за захранване с отопляема охлаждаща течност;
- връщаща тръба или връщане на охладената охлаждаща течност.
Когато системата се състои само от една верига, тя може да бъде свързана директно към котела. Ако има повече от една верига, за да се осигури равномерно разпределение на охлаждащата течност, е необходимо да свържете колектора за подово отопление към захранването с охлаждаща течност. Към него съответно са прикрепени контурите на останалата част от системата.
Първо, трябва да изберете мястото на монтаж на колектора. Има няколко възможности за настаняване:
- подреждане на колекторния шкаф;
- монтаж в ниша в стената;
- монтаж на стена в окачено положение.
Популярните модели колектори са оборудвани с автоматична терморегулация.Комплектът ще включва температурни сензори и различни измервателни уреди. Процесът на разпределение на охлаждащата течност се случва автоматично. Опростена схема на колектора за подово отопление осигурява чифт термометри и ръчно регулиране.
Като начало към колектора са свързани две тръби - връщане и захранване. След това се свързват "клонове" на различни тръбопроводи. За управление и регулиране на отоплението е по-точно да се свържат циркулационна помпа, трипътен смесител и регулиращи клапани.
За улесняване на ремонта и поддръжката спирателните клапани са монтирани в зоната на свързване на тръбата, а в края на колектора е предвиден дренажен клапан. Такава система работи на котел и температурата ще зависи от температурата на подаването на отоплителния агент.
Колекторът, или по-правилно, колекторният шкаф, е основният елемент на системата и се намира в стената. Най-доброто място е по-близо до средата на стаята. Класическият размер на устройството е 60x40x12 см. Стенната ниша, в която е поставено, трябва да бъде разположена близо до повърхността на пода.
Колекторът е отговорен за движението на охлаждащата течност. Той е "точката на среща" на тръбите за подаване и връщане. Попадайки в котела, водата се загрява и се влива обратно в тръбите под пода. Кръгла помпа е отговорна за автоматизацията на процеса.


В колекторния шкаф и двете тръби имат спирателни кранове, които се използват за включване / изключване на помещението от отопление. Компресионен фитинг се използва за свързване на метални клапани и пластмасови тръби.
Колекторът всъщност е тръба, която събира металопластичните елементи на системата за подово отопление. Тяхната връзка се осигурява чрез използване на фитинги. Броят на изходите в колектора трябва да бъде равен на броя на контурните елементи. Колекторът е свързан с клапана, а на изхода е поставен сплитер с дренажен клапан и автоматичен отвор за въздух. Последното устройство елиминира възможността от въздушни мехурчета в системата. Използвам дренажния клапан в случай на нужда от ремонт.
Тоест, ако разгледаме топъл воден под, свързването към колектор ще изглежда най-деликатният и надежден начин за организиране на системата.
Процесът на свързване на топъл воден под с гребен е много прост и се свежда до свързване на тръбите на отоплителните кръгове към колектора, а самият колектор към котела. Има обаче разлики в конфигурацията на колектора. Това ще разгледаме в този подраздел.
Колекторът трябва да бъде монтиран така, че да е удобно да се водят тръбите на отоплителния кръг към него. И така, инсталирайте спирателни кранове на колектора. Свържете страничния изход към тръбата както за подаване, така и за връщане.
Ако закупите готов комплект колектор, той вече ще разполага с всички необходими клапани, дори на изходите на тръбите, които отиват към котела. Наличието на кранове ще ви позволи, ако е необходимо, да извършите ремонт или временно да деактивирате една от веригите. Ако сглобявате колектора сами, тогава сглобяването на връзката на всеки елемент се извършва с компресионен фитинг. В резултат на това подовото отопление ще бъде свързано към котела през колектора.
Така че, вместо спирателни клапани на колектора, инсталирайте термостатични регулиращи клапани. В техния дизайн има термоцилиндър с парафин, който въз основа на температурата на въздуха в помещението се стеснява или разширява. Тези действия задават капацитета на термостатичния клапан. Що се отнася до помпената и смесителна единица, принципът на нейното действие е описан по-горе.
Свързване на термостата към топъл под
Преди да отговорите на въпроса как да свържете топъл под с термостат, трябва да проучите какво е регулатор и как е свързан към веригата.
Основната задача на това устройство е да регулира температурата в стаята. Нагревателните елементи също са свързани към захранването чрез термостата.
Термостатът, който следи температурата на въздуха в помещението, е монтиран на стената на разстояние най-малко един метър от нивото на пода.
Има два основни начина за свързване на термостата. Това е връзка към отделен електропровод от разпределителна платка или връзка към съществуващ контакт.
Обхватът на доставката винаги включва схема на свързване за подово отопление, което означава, че тази процедура може да бъде извършена без подкана.
След инсталирането на термостата, ние извършваме цепене на два канала. В един от тях ще бъдат положени захранващите проводници, а във втория ще бъдат положени управляващите проводници на сензора, които ще бъдат поставени директно в дебелината на замазката. В края на основните операции, описани по-горе, можете да поставите и свържете топлите подове в стаята с конфигурирания и инсталиран сензор.
Пазарът предлага широка гама от регулатори, вариращи от най-примитивните механични системи до интелигентни регулатори (създадени веднъж и използвани непрекъснато без намеса). Как да свържете топъл под с термостат не е трудна задача.
Изборът на термостат за топъл под
С цялото удобство в експлоатация, с усложняването на веригата на термостата, нейната цена също се увеличава. Трябва да се каже, че инсталирането на устройства с много допълнителни функции е оправдано само при контролиране на отоплението на големи площи. И също така - когато тези функции наистина ще ви помогнат да спестите енергия. Ето защо, когато избирате термостат, внимателно прочетете неговите възможности и ги изпробвайте според вашата ситуация.
Ако подовото отопление е инсталирано в няколко стаи, има смисъл да се мисли за централизирано управление. Възможно е да се инсталира термостат за подово отопление, способен едновременно да наблюдава и контролира температурата на няколко обекта. В този случай ще бъде полезен още един акцент, присъщ на някои не евтини съвременни регулатори: Wi-Fi комуникация с мобилен телефон.
На малки площи, като баня или тоалетна, все още е достатъчен прост и евтин термостат. Тези стаи се посещават редовно и хаотично, което прави невъзможно да се предвиди кога отоплението трябва да бъде изключено или изключено. Освен само в момент, когато цялото семейство отсъства.


Контролер за подово отопление в модерен дизайн
И не забравяйте децата. Светещият дисплей и бутоните ги привличат като магнит. За да изключите възможността за „неразрешено препрограмиране“, или закупете модели термостати с механичен контрол на температурата, или с функция за заключване на бутоните.
Предполага се, че самият топъл под вече е избран, следователно консумираната от него мощност е известна. Тази стойност не трябва да надвишава максималната стойност на паспорта, зададена за управлението на термостата.
Забележка: Важно е също така да се запознаете с препоръките за избор на термостат от производителя на нагревателните елементи, които сте закупили.
Свързване на кабелния под
Как да свържете кабел за топъл под. В началото на кабелната инсталация трябва да съставите основна схема на разпределение на проводниците. В същото време се изчисляват следните моменти:
- Непрактично е да поставяте нагревателния кабел под мебелите, следователно проводникът не е поставен под него. Необходимият буфер от стените е тридесет сантиметра.
- Стъпката между завоите на проводника е избрана произволно според принципа: колкото по-плътно е мястото, толкова по-силно е нагряването, но е непрактично да се полагат по-плътно 10 см. Тъй като разходът на материали се увеличава, ефективността остава същата.
Не позволявайте на проводника да се пресича по време на монтажа, тъй като това може да доведе до късо съединение и повреда на цялата система за подово отопление. Също така е за предпочитане да се използва двужилен кабел, тъй като той генерира много по-малко електромагнитно излъчване по време на работа.
Можете да фиксирате кабела към пода по всякакъв начин, например е доста просто и удобно да го поставите върху монтажната лента.
След като завършите инсталирането на кабела, трябва да поставите сензора за наблюдение. След това трябва да извършите коректността на монтираната система като цяло. За да направите това, вземете мултицет и проверете съпротивлението в краищата на кабела. Той трябва да отговаря на данните, посочени в документацията.
След проверка подът е готов за запълване на замазка.
След като изчакате точното време, докато замазката изсъхне напълно, можете да преминете към директното свързване на всички електрически устройства към термостата и мрежата. Извършването на тази процедура е доста лесно, достатъчно е стриктно да се следва схемата.
Затегнете внимателно всички връзки. Ефективността и дълготрайността на подово отопление зависи от качеството на затягането. Ако при извършване на работа как да свържете топъл под, направете некачествено свързване на проводници, тогава на това място ще възникне отопление, което може да доведе до пожар.
Разположение на пода на кабела
Свързване на електрическо подово отопление
Електрическият под се предлага в няколко разновидности. Всеки има свои собствени характеристики на свързване.
- Кабел
Преди да започнете свързването на кабелния под, първо трябва да изравните повърхността. След това по стената се полага амортисьорна лента, след което се монтира топлоизолация. Ако отдолу имаше отопляема стая, тогава кабелът може да бъде положен върху старата повърхност, без да се използва облицовка. За да се свържете с термостата, на първо място, всички проводници се изтеглят към него и след това се полага кабелът.


Така че кабелът да не се движи и да е фиксиран в необходимото положение, на пода се поставя стандартна монтажна лента и след това се полагат нагревателни елементи. Кабелът може да бъде положен по всякаква схема, но не забравяйте, че неговите участъци не трябва да се допират или пресичат. Най-популярният и удобен начин е змията. Произвежда се кабел, вече положен със „змия“ и фиксиран към мрежата. Може да се закупи на рула.
След като разпределите кабела равномерно на пода, той трябва да бъде прикрепен. Не забравяйте, че краищата на подовото отопление не трябва да достигат около 10 см спрямо мебелите и стените. След това, на разстояние около 40-50 см от намотката на нагревателния елемент, поставете температурния сензор, който се намира в тръбата. Това е целият процес на инсталиране на кабела и сензора.
Не забравяйте да проверите с тестер какво е съпротивлението на самия нагревателен елемент. След като се уверите, че съвпада с паспортните данни, напълнете всичко със замазка и изчакайте, докато се втвърди напълно. След това свържете проводниците към термостата и проверете дали системата работи правилно. Но не се препоръчва веднага да свържете електрически под, тъй като могат да се появят пукнатини, поради което индикаторът за якост значително ще намалее.
Свързване на електрически постелки
Как да свържете електрически постелки. Нагревателните рогозки по своята същност са по-усъвършенстван тип кабелен топлоизолиран под, така че свързването на този тип подово отопление ще бъде по-лесно. Разликата се крие във факта, че в конструкцията на рогозката се използва по-тънък проводник, необходимият интервал вече е зададен и жицата е фиксирана върху специален материал.
По този начин инсталирането на такава конструкция е значително опростено и изисква по-малко усилия. Също така не се изисква изливане на дебела замазка, за да се скрие жицата, достатъчно е да се направи тънка замазка или можете да използвате лепило за плочки, ако крайното покритие е порцеланови каменни изделия.
Тъй като завършената конструкция има малка дебелина, тогава за полагане на температурния сензор, първо трябва да смилате ниша в основата.
Друго важно предимство на използването на постелки е спестяването на височината на тавана. Принципът на свързване към сензори и захранване напълно съвпада с пода на термокабела.
Поставени топли подложки
Свързване на нагревателни рогозки
Не е трудно да се разбере как е свързан топъл под от отоплителни рогозки. Принципът на работа в този случай е същият като при инсталиране на кабелна система. Следователно има смисъл да се говори само за съществуващите различия.
Нагряващата подложка е тънък нагревателен кабел, прикрепен към топлоустойчиво фолио. Тъй като стъпката на полагане е предварително определена, остава само да се определи площта, върху която ще бъде разположена системата и нейната плътност на мощността.


Полагане на замазка върху термо рогозки
Преди да свържете топъл под, филмът с кабела се поставя директно върху грубата бетонна повърхност, излива се с тънък слой замазка или лепило за плочки и се покрива с материала, избран за довършителни работи. Използването на топлоизолация в този случай е неприемливо, тъй като води до прегряване на системата.
Тръба за подово отопление, изчисляване и монтаж
Готовата конструкция е с дебелина само един и половина сантиметра, така че трябва да направите вдлъбнатина в повърхността на пода, за да поставите сензора.
Ако за свързване на топъл под с термостата няма достатъчно т.нар. студени краища, след това част от кабела се изрязва от постелката. Съединителят се поставя вътре в вратовръзката.
Тъй като нагревателната подложка е вид нагревателен кабел, инсталирането на двете системи е много подобно. Разликата е, че с нагревателните рогозки работата е по-лесна и бърза. Липсата на топлоизолация и тънък слой замазка прави изгодно свързването на топъл под, като цената за него ще бъде по-ниска поради икономии на материали и обем на работа. Също така плюс е възможността за инсталиране на системата в помещения, които имат ограничения за повишаване на височината на пода.
Инфрачервена връзка на пода
Как да свържете инфрачервен тип топъл под. При инфрачервеното подово отопление връзката е различна от описаните по-горе, тъй като самият под функционира съгласно различен алгоритъм. Цялата конструкция е направена от въглеродни или биметални нагревателни елементи, споени в тънък слой материал с топлоустойчиви характеристики.
По ръбовете на този филм са направени медни проводници, които са директно свързани към мрежата. Важно е да инсталирате специализирана топлоотразяваща изолация от фолио, преди да инсталирате инфрачервения филм.
Филмът може да се реже на специално проектирани места, които се поставят върху целия филм на интервали от 30 сантиметра.
В противен случай принципът на монтаж не се различава от нагревателните рогозки и нагревателните кабели.
В горната статия бяха разгледани основните видове подово отопление, както и методите за тяхното свързване. След като се запознахте с описания материал, можете да извършите това действие със собствените си ръце, така че свързването на топлите подове да зависи от всички.
Устройството на системата за подово отопление се състои в инсталирането на нагревателни елементи под подовото покритие и по-нататъшното им свързване към източника на енергия. Това не се случва директно, а чрез термостат - устройство, което служи за регулиране на температурния режим. Свързването на топъл под към термостат (термостат) и електричество е проста операция, така че може да се направи без участието на професионални електротехници. Освен това производителите на грижи обикновено изобразяват електрическа инсталационна схема на корпусите на своите термостати. Ако обаче сте човек, който изобщо не е запознат с дивата природа на електричеството, някои от нюансите може да не са ви ясни. Ще се опитаме да вземем предвид възможните противоречиви нюанси и да опишем възможно най-подробно процеса на свързване на термостата към системата за подово отопление - за „манекени“.
Общи принципи на свързване
Когато инсталирате система за подово отопление от всякакъв електрически тип, първо трябва да решите къде да инсталирате термостата. Той ще контролира цялата система, ще поддържа желаната температура и ще свързва отоплителните устройства към електрическата мрежа.Устройства с вградени сензори, които записват температурата в помещението, са монтирани на стена на височина най-малко един и половина метра от пода. Мястото за устройството трябва да бъде премахнато или защитено от източници на топлина.
Докато термостатът не бъде свързан и последващата инсталация на електрическо подово отопление, е необходимо да се реши как ще се направи това. Има възможност за стационарно свързване от електрическо табло или за включване се използва обикновен контакт.
Много модели термостатични устройства на техните кутии имат диаграми, с помощта на които топлият под е свързан с термостата. С тяхното присъствие процесът на инсталиране е опростен, цялата работа може да се извърши самостоятелно, без да се включват електротехници за това.


Схема на свързване за подово отопление към термостата
След инсталиране на термостата, фазата, нулата и земята се показват на разпределителната кутия. В стената е направен жлеб, в който са поставени пластмасови тръби. В едната се намира захранващият кабел на отоплителния кабел, а в другата се намира окабеляването на сензора, разположено под пода. Веднага след като всички работи приключат, е разрешено да се пристъпи към инсталиране на отопление, действайки в съответствие със схемата за свързване на топъл под с термостата.
Между другото, видеото с последователността на свързване на термостата може лесно да бъде намерено в Интернет днес.
Как работи термостатът?
Термостатът се използва за поддържане на стабилна температура в "топла" система, както и за включване и изключване на нагревателни рогозки (филми). Устройството "отчита" показанията на температурния сензор и автоматично прекъсва захранването, веднага щом подът се загрее до необходимата граница. В същото време самият той остава в работен режим и продължава да контролира ситуацията. Ако сензорът уведоми за отклонения в температурния режим, термостатът отново ще вкара електричество в системата и подът ще започне да се загрява.
Най-популярните и надеждни термостати са механични и конвенционални електронни. По-сложните са електронно програмируеми. Въпреки значителната разлика в неговото „пълнене“, принципът на свързване на термостатите е много сходен.
Комплектът за термостата включва температурен датчик, разпределителна кутия, клеми, инструкции за монтаж и експлоатация
Инсталиране и свързване на термостата
Термостатът обикновено е монтиран на стена като конвенционален превключвател. За него е избрано място близо до съществуващото електрическо окабеляване, например близо до контакт. Първо се прави вдлъбнатина в стената, там се монтира разпределителната кутия на термостата, към нея се свързват проводниците (фаза и нула) на захранващата мрежа и температурния сензор. Следващата стъпка е да свържете термостата.
Отстрани на термостата има "гнезда". Тук са свързани кабелите на мрежата (220V), сензорът и нагревателният кабел.
Полезно е да се знае, че проводниците, които са свързани при инсталиране на термостата, са цветно кодирани:
- бяла (черна, кафява) тел - L фаза;
- син проводник - N нула;
- жълто-зелена тел - земя.
Свързването на топъл под към електричество се извършва в следния ред:
- Към "контакти" 1 и 2 свържете мрежовите проводници с напрежение 220V. Полярността се спазва стриктно: L (фазовият) проводник е свързан към контакт 1, а N (нулевият) проводник към контакт 2.
- Нагревателен кабел за подово отопление е свързан към контакти 3 и 4 съгласно принципа: контакт 3 - проводник N (нула), контакт 4 - проводник L (фаза).
- Проводниците на температурния сензор (обикновено вградени в пода, т.е. определяне на температурата в пода) са свързани към "контакти" 6 и 7. Тук не е необходимо да се спазват принципите на полярността.
- Проверете изправността на термостата. За да направите това, включете захранването -220V, задайте минималната температура на устройството и включете системата на нагревателните елементи (чрез завъртане на копчето или натискане на бутона).След това режимът на отопление се променя на максимум, тоест термостатът се "програмира" до най-високата температура, която е възможна за него. Коректната работа на устройството ще се отчете с щракване, което ще означава затваряне на отоплителния кръг.
Схемите на свързване могат да се различават леко в зависимост от видовете и моделите на термостатите. Следователно, така че потребителят да не сгреши, като правило всички контакти се записват на корпуса на устройството.
Инсталирането и пускането в експлоатация на скрити отоплителни системи е доста прост процес, ако не говорим за водни конструкции. Електрическите отоплителни кръгове са подходящи за помещения с всякаква конфигурация и предназначение и за разлика от по-сложните водни системи, практически няма ограничения за тяхното използване.
Инсталирането и подреждането на такъв нагревателен елемент се състои в полагане на самия топлоносител и свързването му към източник на енергия. Това не е трудна работа, която не изисква специални знания и колосален опит, но ако инсталирането на самия източник не създава много проблеми, тогава не всеки знае как да свърже топъл под с термостат.
Колектор за система за подово отопление
За подово отопление най-често се монтира общ колектор или пред всеки отоплителен кръг се монтира отделен колектор. Ако е приложена последната опция, тогава всички колектори са оборудвани с разходомери, термостати, както и следните елементи:
- Смесителен клапан за връщане и подаване;
- Спирателен вентил за балансиране на нагревателя;
- Преливен клапан.
Възможно е сами да сглобите колектор за топъл под според различни схеми, а в някои схеми на колекторни възли се използват байпаси, но не винаги - само в едноконтурни системи. Ако системата за подово отопление е организирана по схема с две вериги, тогава колекторът може да бъде свързан без байпас към вторичната верига.




Двуконтурна система за подово отопление с колектор
Преди да сглобите колектор за топъл под, преценете възможностите си - понякога е по-лесно да си купите готова конструкция. Ако колекторът трябва да бъде закупен, по-добре е всички негови части и елементи да са от един и същ производител. Когато сглобявате единицата сами, трябва да изберете материала, от който ще бъдат сглобени основните компоненти на модула: от мед, стомана, полимери или месинг.
Също така при избора на индустриален дизайн е важно да се вземат предвид следните параметри:
- Колко отоплителни кръга ще има в системата (обикновено от 2 до 12), общата дължина на тръбопровода и производителността на веригите;
- Максимално допустимо налягане в тръбите;
- Възможността за разширяване на отоплителната система;
- Ръчно или автоматично управление на колектора;
- Електрическа мощност на всички възли и възли;
- Диаметърът на вътрешните отвори на колектора (производителност).


Направи си сам колектор
Най-ефективната работа на сглобените колекторни възли може да бъде осигурена чрез свързване към тях отоплителни кръгове със същата дължина. За да се изравнят тръбопроводите с достатъчна точност по дължина, те са разделени на равни сегменти, които са свързани към колектора. Най-лесният начин за изчисляване на колекторната единица е в специална компютърна програма или на онлайн калкулатор, така че да не се появи явление, наречено "топлинна зебра", т.е.неравномерно нагряване на пода.
За изчислението са ви необходими следните данни:
- Вид декоративна настилка;
- площта на отопляемото помещение и планът за поставяне на големи предмети в него;
- Материал и диаметър на верижните тръби;
- Номинална мощност на котела;
- Тип подова изолация.


Изчисляване на резервоара
Монтаж на колектор - препоръки
Когато проектирате система за подово отопление, първо трябва да намерите оптималното място за инсталиране на колектора. Стандартно модулът е монтиран в шкаф за колектори, а самият шкаф е монтиран на височина 30-40 см от нивото на пода до подаването и връщането.
За да не обвинявате собствените си грешки и да осигурите максимално нагряване на тръбите за подово отопление, изучете инструкциите за свързване на колектора. След това сглобете сглобката в следната последователност (това се отнася за сглобяемия промишлен колектор):
- Разопаковайте тръбите за директен и обратен поток на отоплителната среда. Тръбите трябва да са с разходомери и захранващи клапани. Ако колекторът е многосекционен, сглобете секциите в една конструкция;
- От сглобените секции трябва да сглобите единица върху скоби (включени);
- След това инсталираме спирателни кранове, автоматика, сензори и останалите свързващи фитинги;
- Прикрепваме модула към стената или в шкафа, монтираме термостата, серво задвижването и циркулационната помпа;
- Свързваме тръби от котела и тръби от отоплителните кръгове на системата "топъл под".


Колекционерски комплект
Сега схемата на свързване на колектора за подово отопление е под налягане, след което бетонната замазка може да се излее. Термичните настройки на колектора могат да се извършват след монтажа на покривния слой.
Направи си сам колектор
Фабричният колектор е доста скъп продукт, така че много майстори искат да го направят със собствените си ръце. Все още ще трябва да бъдат закупени много артикули, но цената ще бъде по-евтина. Най-лесният начин е да се запои самоделен колектор от PVC тръби и фитинги Ø 25-32 мм. Ще ви трябват също тройници и завои със същите диаметри и спирателни клапани.


Домашен колекционер
Броят на клапаните и фитингите се изчислява според броя на отоплителните кръгове. От инструментите се нуждаете от поялник за пропиленови елементи и дюзи за него, специални ножици за рязане на тръби и рулетка.
Маркирането на колектора се състои в маркиране и отрязване на тръбите с необходимата дължина, като се спазва минималното разстояние между тройниците. Клапаните и преходите са запоени към PVC тройници с поялник. Към тази конструкция са запоени фитинги за свързване на помпата. Както можете да видите, всичко е просто, но е по-добре да купите готови по-сложни колекторни единици.
Видове електрически системи
Тази скрита опция за отопление е най-често срещана сред хората, които искат да създадат комфортни температурни условия в дома си. Въпреки факта, че електрическите подове работят от един и същ източник на енергия, те се различават по нагревателния елемент. За да разберете как да свържете топъл под с термостат, трябва да изясните с какъв тип отоплителна система имате работа.
Така че, сред цялото разнообразие от топлинни източници, могат да се разграничат най-често срещаните:
- кабел със свойството на саморегулиране на температурния режим;
- резистивен едно- или двужилен нагревателен кабел;
- термоматите са тънък, валцуван материал, в който източникът на топлина е запечатан в няколко слоя специална кърпа;
- филм на основата на въглерод, биметални влакна за пренос на топлина, както и въглеродни пръчки.
За всеки от тези видове електрически подови настилки е разработена своя индивидуална схема на окабеляване и свързване. При инсталиране на термокабелни елементи е необходимо правилно да се изчисли стъпката на полагане, което ще премахне прекомерното генериране на топлина или неравномерното нагряване на подовото покритие.
И така, какви видове електрически подове са, вече разбрахме, сега нека разберем как работи регулаторът на температурата.
ВИДЕО: Как да свържете топъл под с термостат
Какъв е принципът на термостатите
Това устройство, както бе споменато по-горе, се използва за поддържане на стабилна температура в скрита отоплителна система. Също така, с помощта на термостат се провежда цикъл на включване / изключване на работа на термичните елементи. Как го прави?
И така, по време на изливането на замазката се полага сензорът, който ще отчита своите топлинни данни от повърхността на пода.Освен това, когато циментовата основа е напълно суха и декоративното покритие е положено, топлият под трябва да бъде правилно свързан с термостата. По правило той се намира в стенното покритие, съгласно принципа на устройството на контакти и ключове. Но ако последните са инсталирани, съгласно европейския стандарт, на 80 см от подовото покритие, тогава регулаторът трябва да е лесен за използване. Повечето обучени специалисти препоръчват поставянето на термостата на нивото на очите за удобно използване и защита от ненужни действия на малки деца.
И така, да се върнем към това как работи това устройство. Термосензорът, разположен в замазката, „предава“ данните за отоплението към автотермостата, който при достигане на зададената температура изключва отоплителната система. В този случай самото устройство остава в експлоатация и продължава да наблюдава ситуацията. Когато устройството открие отклонения в температурата на бетонната основа и тази, зададена от програмата, то подхранва системата отново и подът отново започва да се затопля.
Днес пазарът в този сегмент предлага огромен брой регулатори, сред които механичните и конвенционалните електронни модели са най-популярни и надеждни. По-сложни - електронни термостати с функция за програмиране на цикъла на изключване / включване, както и други допълнителни функции. Въпреки значителната разлика в тяхното „пълнене“ и съответно в цената, принципът на връзката им с мрежата е почти идентичен.
Свързващи термостати
Преди да свържете топъл под с термостата, трябва да решите кой метод ще използвате за свързване. Съществата имат две възможности:
- Стационарно захранване на източника на захранване от главния измервател.
- Използване на контакт.
Много модели в пълния им комплект вече имат схема, благодарение на която процедурата за пускане на устройството в експлоатация няма да създаде трудности. И ако сте поне малко запознати с електротехниката, тогава най-вероятно можете самостоятелно да извършите тази процедура, без да прибягвате до помощта на специалисти.
След като сте инсталирали термостата за подово отопление на мястото, от което се нуждаете, фаза, земя и нула трябва да бъдат свързани към разпределителната кутия. Сега нека започнем да подготвяме мястото за изхода на проводниците от измервателния уред. В покритието на стената изрязваме малък жлеб, в който трябва да се поберат две пластмасови тръби за проводници - захранващият проводник на източника на топлина и връзката на вътрешния сензор. Въз основа на това трябва да разберете, че свързването на регулатора на подово отопление се извършва преди завършване на работата, в противен случай просто ще съсипете готовите, красиви стени и ще трябва да се справите отново с тяхното подобряване.
Веднага след като редица от тези мерки са изпълнени, можете да продължите с инсталирането и свързването на електрическото подово отопление.
Как да свържете кабелния под?
Преди да продължите с монтажа на кабела, е необходимо да опънете захранващите проводници към термостата, докато самият нагревателен елемент и проводниците, преминаващи към регулатора, са свързани със специален съединител, който по-късно ще бъде разположен в замазката.
Следващата стъпка е директно полагане на кабела. Има много схеми, които помагат за създаването на равномерно нагряване на подовата равнина, но независимо от това, което изберете, е важно да запомните, че кабелните линии не трябва да се пресичат във всеки случай.
Следва инсталирането на сензора, който се поставя в пластмасова тръба с подходящ размер. И преди да излеете замазката, трябва да се уверите, че положеният източник на топлина работи, като използвате специален тестер за това. След като това устройство покаже съпротивление, идентично на паспортните данни, можете да започнете да изливате бетонната основа.
Свързването на свързаното подово отопление с термостата се извършва само след като основата се втвърди напълно.
Свързващ термомат
Свързването на тази отоплителна система с термостат не е толкова трудно, особено след като процесът е почти идентичен с предишната версия. Следователно има смисъл да се посочват само разликите.
Поради факта, че в този случай няма нужда от бетонна замазка, ще е необходим допълнителен отвор в подовата повърхност за поставяне на сензора. След като подложките и измервателният уред са разположени, фиксирайте ги с тънка лепяща подложка. Това е цялата разлика.
ВИДЕО: Монтаж на подово отопление на базата на нагревателни рогозки
Връзка към мрежата на филмовата структура
По краищата на нагревателния филм има медни пръчки, които са свързани към мрежата. Термостатът е свързан към разнообразието от филми по същата схема като устройството на термомат. Разликата е в използването на специален субстрат, който е разположен върху цялата изолирана повърхност, която е фолио.
ВИДЕО: Инструкции за свързване на пода с топъл филм 220 вата
Терморегулаторът е важен елемент от всяко електрическо подово отопление. Подобрява ефективността на цялата система и значително намалява консумацията на енергия. Схемата за инсталиране на това устройство е доста проста. Дори неспециалист, който има основни умения за работа с електрически уреди, ще може да го инсталира.
Схеми на свързване
Съществува няколко начина въвеждането в експлоатация на отоплителна система за стая от този тип.
Във всяка от схемите е необходимо да се предвиди отсъствието на частици в тръбите, в противен случай това ще доведе до запушване на структурните елементи на подовото отопление.
Чрез отделен вход


С този метод работа на циркулационната помпа на сухо не се допуска. За това е инсталирано реле, което регулира налягането или потока.
И също така е допустимо да се използва надземен термостат, което позволява да се блокира работата на помпата, когато тя премине знака на долния праг на температурата.
Най-ефективният вариант е монтаж на регулатора, коригиране на температурния режим на отопление на помещението в съответствие с външната температура на помещението.
Чрез вертикално окабеляване
Основната цел на такава схема е да възстанови съществуваща радиаторна система.
Като фиксирате тръбите за подово отопление директно към щранга, можете удвоете количеството получена топлина. Това се дължи на факта, че при една и съща температура в захранващата тръба и връщане в момента на разликата в тръбите на топъл под, тя ще бъде по-висока, отколкото в радиатора.
Ако е налично в жилищен район 4 щранга антифриз от двамата е в транзит, а от останалите - използва се топла вода от централното отопление.


Снимка 1. Схема на свързване на водно топъл под към отоплителната система посредством вертикално окабеляване.
Последователността на действията по тази схема:
- инсталиране на нови обменници отопление на мястото на използваните преди това радиатори;
- паралелно фиксиране на вторичния кръг от подово отопление.
Важно! При извършване на процеса е наложително приложение на PVC тръби една дължина.
Еднотръбна система
Такава схема не предвижда контрол на потока охлаждаща течност и понижаване на нейната температура.


Подовото отопление е свързано към централната отоплителна система посредством щранг. Това може да се направи от подмяна на радиатора с контур за подово отопление.
Разликата между топлинните натоварвания на централната отоплителна система и подовото отопление не трябва да бъде повече от 5-10 градуса.
В този случай стайната температура може да се контролира с помощта на циркулационна помпа и термостат.
При липса на охлаждаща течност в щранга, работа на помпата спира автоматично.
За да се поддържа комфортна температура през зимата, тя може да се използва в използваната схема пиков електрически котел... Този елемент ще може да изпълнява тази функция с термостат, при условие че е свързан към централното отопление от едната страна и към отопляемия под от другата.
Как работи термостатът?
Основната цел на термостата е да поддържа стабилната работа на електрическото подово отопление. В зависимост от зададените параметри той включва и изключва нагревателните елементи в определен момент. Това действие ви позволява да намалите консумацията на енергия, без да се нарушава качеството на отоплението. Терморегулаторът получава информация за системата с помощта на специален сензор. Той е инсталиран вътре в конструкцията, където записва промени в зададения температурен режим.
Има следните видове устройства за регулиране на работата на система за подово отопление:
Въпреки разликата в устройството на устройства от този тип, тяхната схема на свързване не се различава.
Подготвителна работа
Преди да инсталирате термостата, сензора и други елементи на системата, е необходимо да изчислите броя на устройствата от този тип, които ще осигурят ефективната работа на топлия под. Ако подово отопление е предвидено за цялата къща, тогава се препоръчва да се извърши независима връзка към електрическата мрежа за всяка стая.
Също така, за различни вериги, трябва да инсталирате отделен термостат. Този подход ще ви позволи да получите по-ефективна система, при която във всяка стая могат да бъдат зададени определени работни параметри.
Преди да инсталирате терморегулатора, трябва внимателно да огледате тялото му и да се запознаете с паспорта. Обикновено производителят описва подробно схемата за инсталиране. Трябва да се разбере, че захранващият кабел може да бъде свързан към устройството както директно през окабеляването, така и през контакта. Също така, производителите препоръчват използването на отделен прекъсвач при инсталиране на термостата. Това ще позволи по-ефективна работа на подово отопление.
Термостатът е монтиран на стената близо до електрическото окабеляване. Най-добре е да изберете място в близост до електрически контакт, но не изложено на пряка слънчева светлина. Монтажната височина на термостата е около 1,5 м. В избраната зона се прави малка вдлъбнатина, която ще позволи инсталирането на кутията на устройството. Също така трябва да направите жлеб в стената, където ще бъдат поставени двете пластмасови тръби.
Те са предназначени за захранващите проводници на нагревателния кабел и температурния сензор, които ще бъдат монтирани вътре в конструкцията на подово отопление. Наложително е да свържете фазата, земята и нулата към кутията на термостата. След цялата подготвителна работа преминете към инсталирането на едножилен кабел.
Как да свържете кабелно подово отопление с термостат
Свързване на системни елементи към мрежата
След инсталиране на температурния сензор, топъл под е свързан с термостата. Схемата на свързване на всички елементи на системата е както следва:
След инсталацията проверете колко е ефективен терморегулаторът. За да направите това, включете захранването и задайте минималната работна температура за нагревателните елементи. За това устройството има специален бутон или копче, в зависимост от конкретния модел.
След тези манипулации е необходимо да зададете максималната температура на отопление, която трябва да достигне кабелният топъл под. Коректността на действията трябва да бъде потвърдена с характерно щракване. Това показва късо съединение в отоплителния кръг.
Необходимостта от подова терморегулация
Терморегулацията в отоплителната система "топъл под" играе основна роля.С помощта на термостата се поддържа стабилен температурен режим в системата, нагревателните елементи се включват и изключват. Устройството разпознава показанията на температурния сензор и автоматично изключва системата, когато се загрее до желаната граница. В същото време устройството продължава да поддържа режим на работа, наблюдавайки ситуацията.
Веднага щом се получи сигнал от сензора за понижаване на температурата, термостатът отново активира системата чрез подаване на електричество. Настилката отново ще започне да се затопля. Най-популярни са надеждни механични и прости електронни устройства. Електронните програмируеми термостати се считат за по-сложни. Но разликите в конструктивните характеристики не оказват особен ефект върху схемата на свързване на топъл под към термостата и електрическата мрежа.
Характеристики на свързване на различни видове подово отопление
В зависимост от типа подово отопление, свързването на неговите елементи към термостата, включително сензора, се извършва по следния начин:
Принципът на свързване на всички елементи на системата към термостата и мрежата е един и същ. В зависимост от използвания модел при инсталирането могат да се появят някои особености. За да не се заблудите и да направите всичко правилно, трябва внимателно да проучите инструкциите, където е посочена всяка стъпка. Също така, на самото устройство е нарисувана схематична диаграма на свързването на всички елементи.
Видео: Монтаж на едножилни и двужилни нагревателни кабели
Тайни на лечението на болки в ставите от нашия редовен читател.
Здравейте!
Казвам се Генадий Алексеевич. Аз съм производител на печки с над 20 години опит. Занимавам се както с ремонт, така и с изграждане на руски печки и камини. Винаги върша работата много ефективно и внимателно, което се отразява негативно на състоянието на ставите. С възрастта болките започнаха да стават по-силни, до точката, в която вече не можех да работя. След като изпробвах много както медицински, така и традиционни методи на лечение, разбрах колко сериозно е заболяването ми, тъй като нямаше положителен ефект. Докато не попаднах на един инструмент, за който искам да ви разкажа.
Това е уникална комбинация от най-редките и мощни природни лечебни вещества. Този инструмент е доказал своята ефективност не само за пациентите, но и за науката, която го е признала за ефективно лекарство. Болките в ставите и гърба изчезват за 10-15 дни, показват проучвания. Основното е да следвате ясно инструкциите в методологията. Можете да поръчате продукта в оригиналната му опаковка, с гаранция за качество, на






