За управление на водното подово отопление във всяка стая е монтиран стаен термостат, който управлява съответната електрическа моторизирана насочена глава на колектора за подово отопление.
Ако всички посоки на подовото отопление са затворени, тогава помпата ще бъде защитена от работа в затворен кран от наличието на байпасен байпас на смесителния блок - помпата просто ще изсъхне.
Изглежда, че това е достатъчно.
Но за да се изключи работата на празен ход на помпата на смесителния блок, е необходимо допълнително устройство. Това устройство също ще помогне за изключване на отоплителния котел, когато температурата, зададена от термостатите, бъде достигната във всички стаи.
За да не изобретяваме внезапно велосипеда, тъй като веднъж той се опита да изобрети колектор за подово отопление, ще проучим какви централни контролни устройства за подово отопление вече се продават.
Гледайки напред, ще кажа, че избрах Beok CCT-10 за решаване на този проблем, който описах в отделна статия: Тестване на контролера за подово отопление на Beok CCT-10.
Необходим е централен контролен блок за подово отопление, който въз основа на сигналите, получени от термостатите, ще стартира котела и помпата на смесителния блок.
Алгоритъмът на работа на централното устройство е много прост: добавяне съгласно OR схемата на сигнали от стайни термостати и извеждане на получения сигнал към помпата и котела.
Оказа се, че не съм единственият, който е имал подобен проблем и за неговото решение има устройства в индустриален мащаб.
Контролер за отоплителна зона COMPUTHERM Q4Z.
COMPUTHERM Q4Z на уебсайта на производителя.
Има безжичен аналог.

Това е прекрасно устройство и изпълнява дори повече, отколкото си представях: три, обобщаващи различни зони, изходи и възможност за ръчно управление на зони.
Такъв контролер би ми паснал, ако не за едно нещо.
Всеки стаен термостат може да бъде свързан към контролера на зоната. Така че е записано в паспорта и може да се разбере, че термостатът трябва да има нормално отворени контакти.
Така се е случило в исторически план, но повечето термостати, които се оказах, са по-подходящи за управление на електрическо подово отопление. Те издават контролен сигнал под формата на 220V.
Ето класическа схема на свързване на термостати за подово отопление:


Този сигнал, в допълнение към управлението на нагревателя, може да се използва за управление на помпа или моторизирани глави. Вече е невъзможно да се използва това устройство за логически операции с получени сигнали от този вид.
Не разбирам защо се прави това и защо просто не се изведат релейните контакти - това би бил универсален начин. Въпреки че, от друга страна, инсталирането е по-удобно без излишни джъмпери в инсталационната кутия - входящият 220V проводник и изходящият проводник към топъл под седят на съответните клеми без допълнителни връзки. Тук биха помогнали два допълнителни контакта на термостата, за да можете да премахнете или поставите джъмпер.
Има още един фактор - цената в Русия, която е 8000r. Как цената от 1547 UAH в Украйна се превръща в 8000 RUB в Русия?
Но щях да намеря някой, който да го доведе от Барабашово, ако имах нужда от него.
При мен няма да работи, тъй като изисква само релейни контакти.
Режим на подово отопление
Режимът се избира по преценка на обитателите. Най-често срещаният е комфорт или отопление. При първия вариант температурата на повърхността се поддържа на ниво 28-320 ° С. Тук функцията за отопление на основното помещение се изпълнява от други устройства, например радиатори.Вторият вариант предвижда поддържане на зададената температура на въздуха в помещението, която трябва да осигурява топъл под. За това се използват стайни термостати за управление на отоплението.
Колко течност преминава през веригата, показва ротаметър, монтиран на захранващия колектор. Термоглавата за водно подово отопление е монтирана на връщащия колектор.


Налягането в системата се създава от централната циркулационна помпа на отоплителния котел. За да може той да прокара всички бримки, дължината на всеки трябва да бъде не повече от 60 m.
Контролер за управление на воден топлоизолиран под Tech L-5.
Tech L-5 е много интересен инструмент.
Струва 5238r.


Проектиран за управление на термостатични задвижващи механизми с помощта на окабеляване, за събиране и обработка на информация, получена от компонентите на системата, както и за предаване на команди за управление към тях.
Това е най-простият модел с намалена функционалност и има по-сложни устройства: с радио термостати, WiFi, облачна услуга и изключваме.
Позволява ви да контролирате температурата в осем различни зони за отопление.
Възможност за управление на 22 термостатични задвижващи механизма с 8 стайни регулатора:
- 3 стайни регулатора правят възможно обслужването до 12 серво;
- 5 стайни регулатора позволяват да се управляват до 10 серво.
Един 230V изход на помпа.
Изход за сух контакт за управление на допълнително отоплително устройство.


Цената от 5-6 хиляди за такова устройство не изглежда голяма.
Ето само входните сигнали за този контролер също трябва да са релейни контакти.
Хубаво. Терминалите за свързване са скрити. При мен няма да работи, тъй като изисква само релейни контакти. Много съжалявам.
Висококачествен контрол на температурата на топъл под
Методът се състои в смесване на гореща вода, идваща от котела, с охладената охлаждаща течност, връщаща се обратно към отопление. За това се използва трипътен клапан с термоглава за подово отопление. В резултат на това водата се подава към отоплителната система при предварително определена температура.


Термичната глава е свързана към стеблото на клапана през кутията на моста, която заключва входа към мястото на нейното свързване. По сигнал от температурен датчик, стъблото с два изпускателни клапана се движи. В този случай проходът за единия поток се отваря, а за другия се затваря, в резултат на което температурата на охлаждащата течност, подавана към отоплителния кръг, се променя.
Salus KL06 жичен комутационен център.
Salus KL06 в магазина.
Разходи 4281r.


Контролерът KL06 е проектиран да свързва термостати и изпълнителни механизми в един превключващ блок. Има индикация за състоянието на серво.
Управлението на помпата и котела е възможно само след свързване на допълнителни модули Salus PL06 или PL07 (1700r и 2800r).
Ако внимателно прочетете инструкциите на Salus KL06, можете да разберете, че това е по-хитро устройство, отколкото може да изглежда.
Работи напълно с термостати на Salus.
+ Покажете цитати от този паспорт с описание на функциите.
ШИМ, VP, NSB СИСТЕМИ
Системите, използвани в терморегулаторите от серията Salus ERT, осигуряват по-ефективно управление на подовото отопление.
ШИМ.
Поради голямата инерция на подовото отопление, използването на ШИМ системата в контролерите от серия ERT ни гарантира прецизно поддържане на постоянна температура в помещенията. PWM системата следи работното време, както и честотата на отваряне и затваряне на използваните сервомотори във връзка с повишаването на стайната температура. Резултатът е допълнителни икономии, комфорт и липса на прегряване на стаята.
VP.
Това е система, която защитава и удължава живота на сервомоторите. Отваря и затваря сервомотора веднъж седмично, дори ако системата в момента не работи (време извън отоплителния сезон).
NSB.
Функция за намаляване на температурата - NSB (Night Set Back).Системата осигурява възможност за въздействие върху температурата в зависимост от времето на деня, което гарантира ефективен контрол на отоплителната система. Функцията за намаляване на температурата позволява да се намали с 4 ° C, без регулиране на термостата, дори с използването на непрограмируеми регулатори в повечето зони.
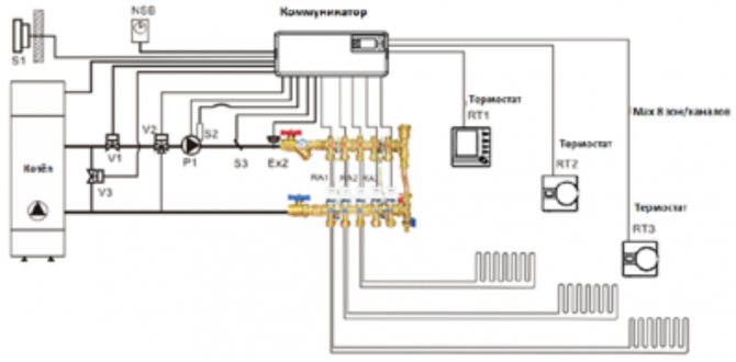
Функцията NSB в регулаторите се активира от външен сигнал, предаван на лентата Salus KL06 с помощта на седмичния термостат Salus ERT50. Този регулатор трябва да бъде свързан към полето, обозначено с номер 1.
Всички регулатори трябва да бъдат свързани с 4-жилен кабел, съгласно диаграма номер 1.
Ако не свържете полето, посочено от часовника, функцията MSB няма да бъде активна, но останалите функции на контролера (PWM и VP) ще работят.
Това са схемите за свързване на термостати.


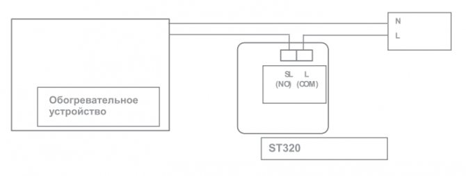
Схемата на свързване на термостата ST320 е необичайна - нека видим какво има в паспорта на този термостат.


Изглежда, че термостатът управлява точно 220V, преминавайки или не преминавайки през себе си. Ако е така, контролерът Salus KL06 може да е подходящ за работа с термостати, които издават 220V за контрол на товара.
Не ми харесва визуално, а с модул за свързване на помпа и котел струва повече от 6000r и има отворени клеми. Няма да имам термостати на Salus, така че интелигентните функции не са налични.
Ограничител на температурата на връщане
Регулаторът Unibox Rtl Oventrop, който ограничава степента на нагряване на обратния поток, се използва на малки подови нагревателни площи <20 m2. Диапазонът на нормализираната температура е 20-50 ° C и зависи от индикатора, зададен от термичната глава, поради което степента на допустимото нагряване се поддържа автоматично.


Регулатор за подово отопление Unibox Rtl Oventrop
Подобна схема включва инсталирането на Unibox Rtl Oventrop, така че охлаждащата течност циркулира през целия кръг на подово отопление и едва след това през контролера Rtl.
Принципът на неговото действие се различава от функционирането на смесителния блок, където, за да се постигне необходимата температура, се смесват течни потоци с различна степен на нагряване, контролирани от клапан.
Когато се използва регулаторът Rtl, не се получава смесване, когато водата попадне в контурите за подово отопление, т.е. когато е свързана към радиаторно отопление, охлаждащата течност незабавно се премества в отоплителния тръбопровод. Задачата на RTL клапана, вграден в регулатора, е да ограничи температурата на потока на течността още на изхода на тръбите на водния кръг, в съответствие с установения стандарт.
Такива тръбопроводи предполага подаване на гореща охлаждаща течност на части, така че да не се получи прегряване. Инерционната замазка също помага за изглаждане на температурата.


Размери на Rtl клапани
Когато оборудвате система за воден отоплителен кръг с Rtl клапан, трябва да се има предвид, че температурата, зададена на ограничителя на потока на обратния поток, не трябва да бъде по-ниска от стойностите на въздуха в помещението.
Ако това изискване не е изпълнено, тогава може да възникне нестабилно неправилно функциониране на регулатора Rtl.
Структурно той се състои от тяло, ограничител на хода на стеблото и сензор за течност, благодарение на които се предават данни за температурата на преминаващия поток, за да се поддържа зададената отоплителна стойност в автоматичен режим.


Контур за управление на водно подово отопление
Клапанът Rtl се отваря само ако не е достигната максималната стойност. Подобен регулатор се използва и при оборудване на контур за топла вода от комбиниран тип, когато охлаждащата течност тече успоредно на радиаторите и към системата.
Разнообразие от възможности за свързване на воден отоплителен кръг ви позволява рационално да решите коя верига ще бъде подходяща за специфични условия.В селските къщи при инсталиране на локален котел с контролирана температура на изходящия воден поток е възможно директно свързване без допълнителни възли, предназначени да намалят степента на нагряване на охлаждащата течност.
Контролен модул Watts WFHC-BAS.
Watts WFHC-BAS 6 зони, 220V, нормално затворени серво струва 5650r.


Watts WFHC-BAS паспорт.


Модулът може да се използва като независимо устройство и като компонент на система за автоматизация. Има опции за разширяване и използване на радио модули.
Ако използвате модул с функция за програмиране и вградени термостати, можете да програмирате всички термостати от един модул.
Обмислете схемите за свързване от този паспорт.


Изглежда, че това е точно това, от което се нуждая. Възможно е да свържете 220V термостати! Освен това терминалите за свързване са скрити и от снимката можете да видите, че това е качествен продукт.
Серво за колектор
За подово отопление тръбопроводът е свързан към колектор. Оборудването има изходи за гореща охлаждаща течност и за охладена течност, която се изпомпва в котела. Броят на изходите в колектора съответства на броя на контурите за отопление на водата. Към линията се подава охлаждаща течност с определена температура. Сервосистемите са проектирани да го регулират посредством клапани, разположени на колектора.
Препоръчително: Как да инсталирам Q-Term подово отопление?
Контролният блок за подово отопление има следните компоненти:
- пружина от нихром; през него преминава електрически ток;
- съд с термична течност; нагрява се посредством нихромова пружина;
- стеблото, към което са прикрепени клапаните на студения кръг;
- термичен сензор; устройството е инсталирано на течна верига за подово отопление;
- термостат; той е програмиран за определен режим; към него са свързани сензор за температура и серво кабел.
На термостата е зададен определен режим на отопление. Ако температурата на пода надвиши зададения параметър, термостатът затваря серво веригата. Пружината, която е в термичната течност, започва да се нагрява.
Течността се разширява и притиска стеблото, което отваря клапана за студения кръг. В смесителната камера се смесват горещата охлаждаща течност и охладената вода. Топла течност навлиза в подовата линия.
Когато зададената температура спадне, термостатът отваря серво веригата. Пружината започва да се охлажда, топлинната течност се охлажда и стеснява. Стъблото се издига и затваря изхода за студения кръг. Системата за подово отопление е инсталирана в Москва за отопление на селски вили.
Когато използвате серво задвижване, топлинната течност бързо се загрява и охлажда. Системата променя режима на работа за 1-3 минути. Термичната глава на смесителния блок изключва отоплителната система за 15 минути. Машината за топъл под може да се управлява дистанционно посредством серво задвижвания с помощта на електронни джаджи.
Терморегулатор Teplocom TC-8Z.
Намерих това устройство на неочаквано място - от производителя Bastion, който е известен с резервни захранвания за сигнализация.
Разходи 3900r - препоръчителната цена на уебсайта на производителя.
Струва 3600r.


Паспорт teplocom-tz-8z.pdf.
Схемите за свързване откриваме от паспорта.


Как да разбера фразата "свържете 220V термостати"?
Ще ни бъде помогнато чрез изучаване на термостатите, препоръчани за използване с този терморегулатор.
Някои от тези термостати подават напрежение 220V, когато са включени и няма релейни контакти.
Този термоконтролер е подходящ за моите топли подове и дори най-евтиният от познат производител. Можете да затворите очите си за това, което има отворени терминали и ще трябва да закупите стандартна кутия за него.
Управление на циркулационната помпа
За да се осигури определена скорост на охлаждащата течност в пода, на изходната верига е монтирана циркулационна помпа. Той е проектиран да изпомпва охладената течност в топлообменника, който се намира в котела.
За всеки клон на линията се препоръчва да се монтира собствена циркулационна помпа със собствен термостат. Това е необходимо, за да може индивидуално да се контролира температурния режим в определена стая.
Ако подовото отопление е оборудвано само с една помпа и един блок за управление, отоплението ще се поддържа на едно и също ниво във всички стаи. Системата ще се изключи не само в стая, където температурата надвишава нормата, но и в стая с по-намален индикатор. Автоматизацията на подово отопление, която контролира работата на помпата, е представена от следните елементи:
- температурен сензор; оборудването е инсталирано на контур с охладена вода; той предава данни към термостата;
- термостат; оборудването е предназначено да анализира зададената температура за определена стая и данните, предавани от сензора; когато индикаторите намаляват, термостатът се изключва или включва циркулатора;
- хистерезис; устройството осигурява хармоничната работа на системата; зададен е резервен температурен диапазон; може да бъде от +/- 1 до +/- 10 градуса; ако термостатът е настроен на 30 ° C, при хистерезис +5 ° C, тогава помпата ще се изключи вече при температура от 25 ° C; той ще се включи, когато охлаждащата течност се нагрее до 35 ° C;
- непрекъсваемо захранване UPS или генератор; оборудването ще осигури непрекъсната работа на помпата и автоматично управление, независимо от захранването.
Препоръчваме: Колко консумира топъл под?
Вместо датчик за температура, на циркулатора е монтиран превключвател за налягане. Устройството определя интензивността на подаване на охлаждаща течност към линията. Водата циркулира в системата под налягане 4-6 бара. Когато индикаторът се повиши, релето изключва помпата. Водата постъпва в системата под ниско налягане, което намалява интензивността на отоплението. Когато налягането в тръбата спадне, релето включва циркулатора.


Концентратор на контролер Beok CCT-10 за 8 канала.
PS. В крайна сметка поръчах това устройство за моята задача: Тестване на контролера за подово отопление Beok CCT-10.
Това е устройство от магазин на AliExpress.
Струва 2117r.


В асортимента на магазина също има подобен концентратор, но с възможност за свързване на радио термостати.


Модели близнаци: същото устройство, но неназовано в магазина Side-To-Side и TWC-08 за 1700r, но без отзиви и поръчки.
Паспорт на Yandex диск CCT-10 Hub Controller.pdf.


Нека да проучим схемите за свързване в паспорта.


Не е напълно ясно дали е подходящ за термостати, които издават 220V. Но цената - по-евтина, отколкото да го направите сами - насърчава експериментирането.
Център за управление на подово отопление Saswell SCU209.
SCU209 на уебсайта на производителя.
SCU209 на AliExpress.


Радио версията за 5 зони струва 4700r.
Кабелната опция трябва да струва 3600 рубли (на Amazon 44 евро).
За съжаление, сега на AliExpress има само опция за свързване на стайни термостати чрез радио.
Uponor Base X25.
Модулните системи за управление на лъчисто отопление на Uponor заслужават внимание - те са една от опциите за идеалната система за контрол на подово отопление.
Нека да разгледаме най-простия жичен контролер на Uponor Base X25 с реле на помпата.


Това устройство си заслужава повече от 9400r.
Функционалност:
- Въртящ се селектор на канали за удобна регистрация на изпълнителни механизми;
- Реле на помпата 2А;
- Защита от претоварване;
- LED за захранване;
- 6 канала (термостати);
- 12 изпълнителни механизма.
Uponor Base X25 паспорт в pdf: ръководство за инсталиране-uponor-base-4.pdf.
Скъп, но продуктовата линия на Uponor си заслужава да бъде проучена.
Принципът на действие на смесител с двупосочен клапан
Термоглавата със сензор за подово отопление е свързана към система с двупосочен клапан. Чрез него се подава топла вода от котела към смесителния блок.


Сензорът разпознава температурата на отоплителната среда, подавана към подовото отопление, и когато тя е висока, вентилът на термоглавата прекъсва подаването от котела. Циркулацията ще се извършва по вътрешния кръг, докато водата започне да се охлажда.Когато се достигне зададената минимална стойност на температурата на охлаждащата течност, от сензора се изпраща команда за подаване на топла вода и той отново започва да се смесва с връщане.
Малката производителност на двупосочните клапани осигурява отопление на помещения с площ не повече от 200 m2.
Valtec VT.ZC.
Разклонителна кутия Valtec VT.ZC за 8 канала 220V струва 6000r.


Не беше ли възможно да се измисли нещо интересно? Или смятат, че са залепили „Произведено в Русия“ и го ядат?


Паспорт в pdf.
Изследване на паспорта показа, че този контролер има всякакви различни превключватели, които ви позволяват да групирате изходи и да настройвате каскаден контрол. Може би наличието на ключове и е повлияло на цената.
1500р цена за него. И се нуждае само от термостати с контакти.
Контролер за управление на серво задвижвания на отоплителни радиатори SMART CHR-08.
Струва 7950r.
По някаква причина в линията на оборудването няма такъв 220V контролер. Затова помислете за SMART CHR-08 контролер, който управлява 24V серво.


Не е ясно защо това устройство е необходимо за такива пари, защото по същество е терминален блок с крушки.
Външна термоглава за топъл под
В система за подово отопление с автоматично управление стайната температура се следи от термостати, свързани с контролера. Дистанционният стаен термостат изпраща сигнал към серво задвижването, което управлява колекторния клапан. Освен това контролерът има следните функции:
- реакция на показанията на сензора, включително извън къщата;
- организация на режимите на отопление за определени помещения;
- изключване и включване на отоплението в отделни помещения по различно време;
- работа с дистанционно управление чрез GSM комуникация.
Разходите за автоматизация ще се изплатят с времето, тъй като ви позволяват да спестите до 20% от парите, изразходвани за отопление.


Insolo.
Зонален комуникатор Insolo Pro Aqua струва 14135r.


Паспорт в pdf.
Това устройство очевидно е повече от клемна кутия. Комуникаторът може да регулира температурата на подаващата отоплителна среда за подово отопление, в зависимост от температурата на външния въздух, както и да контролира и изключва нейното прегряване над 55 ° C, чрез регулиране на серво на смесителния клапан с помощта на допълнителен сензор за температура на външния въздух.
Комуникаторът има релейни изходи за управление на работата на котела и циркулационната помпа.
Режим на нощно понижаване на температурата на охлаждащата течност. Защита срещу липса на охлаждаща течност.
LCD дисплей, показващ състоянието на входовете и изходите. Програмиране от панела на комуникатора.
Има модел без дисплей и бутони, но с Wi-Fi.
По принцип е определено нивото, към което производителите на такива устройства трябва да се стремят.
Характеристики на оборудването
Охлаждащата течност от котела преминава през тръбопровода към колектора. От него течността попада в тръбопровода на пода. Отдавайки топлина, той се връща обратно в колектора, който има отделен връщащ изход за охладения топлоносител. Циркулационната помпа изпомпва вода обратно в котела.
При ръчно управление на температурния режим на веригата се монтират клапани със студена вода и високотемпературна охлаждаща течност. Ако помещението се е затоплило достатъчно добре, тогава вентилът за топла вода е затворен. Ако стаята е студена, тогава клапанът се отваря.
За автоматично регулиране на режима на отопление е инсталиран трипътен смесител с термостат и външен температурен сензор. Тази система образува термостатичен клапан. Той е инсталиран на входа на колектора. Оборудването е изработено от месинг или бронз.
- Трипътният вентил има 3 изхода за топла и студена вода и за отоплителната среда, която се подава към пода. В случая маркерите показват посоката на потоците с различни температури.
- Предвидена е смесителна камера за смесване на течности с различни температури.
- На тялото е разположен термостат с терморегулатор.
- Температурният сензор е разположен на термостата.
- Клапаните затварят отворите за студено и горещо течение. Те могат да бъдат с форма на диск или с форма на игла. Тяхната работа зависи от термостата.
- Термостатът е система, която се състои от течна капсула и пружинно стъбло. Към него са прикрепени клапани.
- Температурният сензор има цифров панел, на който са посочени режимите на отопление.
Препоръчваме: Как да направите сух топъл под?
Термостатът може да бъде разположен в термичната глава или в задвижващия механизъм. Устройствата имат различна схема, но същия принцип на действие. Термичната глава е термостат, който работи с помощта на течност: тя е чувствителна към температурни промени.
Сервомеханизмите се захранват от електрическата мрежа. Течността се съдържа в контейнер. Съдържа нагревателна плоча. Серво серво е монтирано на колектора.


Трипътният смесител е предназначен за отоплителни системи на големи площи. В отделни помещения или в селски къщи двупосочен клапан е свързан към колектора. Той е инсталиран на верига с високотемпературна охлаждаща течност. Водата тече през него само в една посока.
Релейна логика.
Простата логика на релето е добре с моите термостати. Можете сами да сглобите контролера за отопление, особено след като това ще бъде много просто.
За пет посоки са необходими 6 релета.
Намотките на 5-те релета ще бъдат свързани паралелно с изпълнителните механизми на клапаните. Техните затварящи контакти ще бъдат свързани паралелно, за да включат помпата на смесителния блок, ако е включена поне една посока.
Шестото реле ще управлява котела и е проектирано да премахва високо напрежение от контактната група. Намотката на това реле ще бъде свързана паралелно с помпата на смесителния блок.
Резултатът ще бъде система за управление с допълнителни изходи - има няколко групи контакти за релето. Можете да използвате тези контакти за изграждане на система за дистанционно наблюдение и събиране на статистически данни.
Най-евтиното реле с контакт ще струва 200 рубли.
Продукт на AliExpress.com - Безплатна доставка HH54P MY4NJ реле за вграждане PYF14A 12v 24v 36v 48v 110v 220v DC / AC 5A сребърен контакт 14-пинов 4PDT освобождаващ контакт
Плюс кутия с дин релса 200 рубли.
Общо: 6 * 200 + 200 = 1400 рубли.
Е, какво друго е необходимо?



























