
Старият добър маслонагревател е счупен. Какво да правя? Логиката предлага: „Вземете го за ремонт“, а изобретателност: „Потърсете в Интернет и го направете сами!“
Е, нали! Ремонтът на маслените нагреватели не е лесен, но може да изисква малко поддръжка. Ето защо, без да проверявате, не бързайте да изхвърляте устройството и да купувате ново!
Устройство на устройството


Маслен охладител Watt WOH-80
Компонентите на масления нагревател са:
- Херметично тяло под формата на акордеон, състоящо се от два панела, заварени един към друг. Вътре се изпомпва техническо масло и в почти всички модели остават малки количества въздух. Но това не вреди на устройството, тъй като маслото, когато влезе в контакт с въздуха, не създава условия за корозия. Ако вместо това имаше вода, вероятността от разрушаване на метални конструкции би била много голяма.
- В долната част в устройството отстрани се вкарва нагревателен елемент. Именно с негова помощ се загрява маслото и самият радиатор.
- До нагревателния елемент е монтиран блок за управление и безопасност. Неговият основен и важен елемент е термостат с предпазител. Първият е отговорен за задаването на необходимия температурен режим, а вторият е отговорен за безопасността на работата. Ако по някаква причина маслото започне да изтича от корпуса, предпазителят ще работи и ще спре подаването на електричество към нагревателния елемент.
Днес производителите използват предпазители от проводник за еднократна употреба или биметални хапчета за многократна употреба. Що се отнася до управляващите релета, в маслените нагреватели те са подобни на електрическа кана, а не на ютии. В дизайна релето виси във въздуха, без да докосва корпуса на устройството.
- Всяко устройство има два превключвателя. Три проводника са подходящи за всеки - фаза, нула от нагревателния елемент и проводник от термично реле. За да работи подсветката на превключвателите са необходими три проводника.
Електрическата верига на масления нагревател е практически същата като при ютиите, електрическите кана и други нагревателни устройства. Той е прост, но надежден. Обикновено във всички тези нагреватели са монтирани два нагревателни елемента и когато и двата са включени наведнъж, консумацията на енергия се увеличава значително. Но в същото време времето за достигане на работната температура се увеличава. Ако температурата в стаите е ниска, тогава дори при включени два нагревателни елемента устройството може да работи, без да се изключва.
Металният корпус, който покрива захранващия и предпазен блок на устройството, има вентилационни отвори отгоре и отдолу. Ако ги затворите, устройството няма да страда от това, но ще бъде трудно да работите. Той ще се изключи по-бързо, но не и толкова скоро. Поради това се препоръчва да не закачате предмети, за да изсъхнат на радиатора. Ако това се случи, опитайте се да не покривате пролуките на вентилацията.
Основни неизправности
Няма толкова много причини, поради които масленият нагревател не работи. Те могат условно да бъдат разделени на две части - електрическа и механична. Неизправност в работата на електрическото оборудване най-често се случва в нагревателния елемент и контролните комуникации - термично реле, превключвател, термични предпазители. Може да има проблем в окабеляването, но това е изключително рядко.
Механичните повреди включват различни дупки в корпуса, както и образуването на кухини по него, през които изтича маслото. По правило това са плодовете на корозионната активност. Определянето на типа неизправност не е трудно. Механичните повреди винаги са свързани с маслени петна под нагревателя.Всички други неизправности са свързани с електрическата част.


Ремонтираме нагревателя
Външният вид на нагревателя създава впечатлението, че той е едно цяло, т.е. електрическият блок и тялото са свързани чрез валцуване. Но това е само външен вид. Обърнете внимание на надписа „не покривай“ - под него има няколко винта, с които капакът се държи на корпуса. Те трябва да се развият, но капакът няма да се откачи, тъй като на дъното му е монтирана пружина, която го държи. Просто го махнете и свалете капака.
Сега обърнете внимание на нагревателния елемент. Уплътнява се плътно и херметично. Производителите направиха това нарочно, за да не влязат там любопитните. Тези тръбни нагревателни елементи издържат десетилетия, така че няма смисъл да ги докосвате. Ако някой от тях не работи, тогава е по-добре да закупите нов нагревател на масло. Никой не може да поправи такава повреда със собствените си ръце. За да направите това, ще трябва да замените елементите, но у дома и дори в някои работилници е невъзможно да навъртите нагревателния елемент обратно в кутията със 100% плътност. Долната линия постоянно изтича масло, което може да доведе до големи проблеми.
Но всеки може да изтрие свързващите елементи с алкохол. Всички те са направени под формата на терминали, така че няма да е голям проблем да ги изключите, изтриете и свържете отново. Тук е важно да не обърквате нищо, като инсталирате проводника към определен терминал.
Същото важи и за подмяна на части от захранването и сигурността. Ще бъде трудно да поправите някой от тях със собствените си ръце. И ако не сте специалист по този въпрос, едва ли ще успеете. Следователно има само един изход - да заменим неуспешните елементи с нови. Всички те се държат с винтове или скоби, така че няма да е твърде трудно да ги премахнете. Отново напомняме, че основната ви задача не е да объркате кабелите за връзка. В края на краищата електрическата верига на радиатора е основата за неговата правилна и ефективна работа.
Как да разглобявате масления нагревател
На пръв поглед изглежда, че маслените нагреватели са монолит, който не е предназначен за разглобяване. Но това не е така, можете да го разглобите.
Какво може да бъде полезно за ремонт на маслен нагревател със собствените си ръце и свързана с него поддръжка:


- клиновиден предмет, с който можете да издърпате пластмасов панел;
- отвертка;
- тестер или мултицет;
- шкурка;
- мека кърпа;
- алкохол, одеколон или други подобни;
- файл;
- четка.
Разбира се, моделите на нагревателите са различни, следователно стандартният алгоритъм за разбор не може да бъде описан. Огледайте контролния панел на нагревателя. Понякога има винтове, скоби. Тогава процесът на разглобяване ще започне с тях.
Въпреки това, най-често пластмасовият панел е закрепен с пружинен резе. Трябва да се разхождате по периметъра на панела с пластмасов (или друг, само ако не надраскате кутията) предмет. Внимателно, без резки движения, за да не се счупи. С докосване можете да определите къде е резето и, като натиснете по-силно, да го огънете.
Ако не разглобявате оборудването много често, по-добре е да поставите камера до себе си и да заснемете целия процес на разглобяване. Тогава връщането на всичко обратно ще бъде много по-лесно. Освен това се препоръчва болтовете и гайките да се поставят в ред по време на разглобяването. Ще бъде по-лесно да се разбере какво е извлечено за какво.
Но не бързайте да разглобявате нагревателя! Някои повреди могат да бъдат открити, без да се гледа в устройството.
Ремонт на резервоари


Маслен нагревател Forte EW-RD
Въпреки че не се препоръчва да ремонтирате резервоара със собствените си ръце, някои домашни любимци все още се опитват да го поправят. Какво трябва да знаете, за да не ви разочарова резултатът?
- Първо се източва маслото. Обърнете внимание на оценката му. Факт е, че когато тялото на масления нагревател бъде ремонтирано, част от маслото ще се разлее и ще трябва да се попълни.В същото време е невъзможно смесването на минерално масло със синтетично. Обемът му трябва да бъде такъв, че вътре в корпуса да остане въздушна възглавница. Необходимо е за разширяване на маслото.
- Обикновено металното тяло на радиатора е заварено или запоено. Първият вариант е за предпочитане. Но не всеки домашен майстор има тази възможност, затова много хора избират запояване. Моля, обърнете внимание, че при спояване на масления охладител използвайте сребърна, месингова или медно-фосфорна спойка. Калай не може да се използва. Необходима е горелка. По време на процеса на запояване водата се излива в резервоара. След приключване на работата тялото трябва да се изсуши.
- Маслото не се излива в ремонтирания резервоар както обикновено. Трябва да се изпари при температура от + 90 ° С. Не се препоръчва да се прави по-висока температура, тъй като маслото ще започне да се окислява.
Понякога малки отвори в тялото се затварят с резбова връзка. Методът за ремонт не е много надежден, но е приемлив като временен вариант. Тук е важно фугата да се запечата добре. В процеса на цикъл за многократна употреба - отопление и охлаждане - всеки уплътнител ще започне да се напуква, така че не може да се избегнат зацапвания.


Ремонт на нагревателни елементи в нагревателя
Що се отнася до подмяната на нагревателния елемент със собствените си ръце, тогава този нагревателен елемент се избира по мощност. И ако решите да го промените сами, ще трябва да се потите. Изгарянето с факел няма да е толкова трудно, но повторното изгаряне е голям проблем. Някои модели маслени нагреватели са оборудвани с подвижни нагревателни елементи, което ги прави по-лесни за ремонт. Но дори и в този случай е необходимо да отделите много време и внимание на кръстовището на корпуса и нагревателния елемент. Всички уплътнения и уплътнители няма да издържат дълго и вероятността да се върнете към ремонтни дейности е много висока.
По-добре е да използвате електрическо заваряване, за да затворите отвора в резервоара. За да направите това, имате нужда от инвертор с тънък лист. Преди започване на заваръчни работи е задължително да отстраните ръждата от краищата на пукнатината или отвора. Ремонтът на резервоара по този начин е най-добрият вариант, който увеличава шансовете ви за успех.
Инструкции за ремонт на електрически нагревател
Ремонтът на всеки електроуред започва с външна проверка. Първата стъпка е да проверите щепсела. Не трябва да има видими механични повреди, затъмнена пластмаса и пукнатини в кутията. Щифтовете на щепсела трябва да са здраво закрепени в корпуса и да не почерняват. Захранващият кабел не трябва да бъде механично повреден. Особено внимателно трябва да проверите мястото на кабела, където той излиза от тялото на щепсела. В този момент шнуровете често се изтъркват.
Също така е необходимо да погледнете през мрежата или перфорацията вътре в корпуса на нагревателя и да се уверите, че във видимото пространство няма скъсани или изгорени проводници, проводниците не са изгорени в точките на свързване към съединителите и фиксиране с гайки, топлинните нагревателни елементи (нагревателни елементи или нихромова спирала) нямат механични повреди.
Ако външният преглед не разкри очевидни дефекти, тогава ще е необходимо измервателно устройство за по-нататъшно търсене на причините за повреда на нагревателя. Най-доброто за тези цели е тестер за набиране или мултицет, включен в режим на измерване с ниско съпротивление.
Без да разглобявате нагревателя, като използвате тестер, можете да проверите изправността на захранващия кабел в точката, където той излиза от корпуса на щепсела. За целта поставете превключвателите на нагревателя (ако има такива) в работно положение, свържете сондите на омметъра към щифтовете на щепсела (удобно с помощта на крокодилска скоба) и натиснете кабела към тялото на щепсела по линията на изхода му от щепсела, разклатете го от едната страна на другата. Ако иглата на тестера или показанията на мултицета се променят дори за момент, тогава ремонтът е почти приключил. Остава само да смените щепсела.Стойността на съпротивлението на нагревателния елемент е, в зависимост от мощността на нагревателя, 10–150 Ohm и при желание можете да го изчислите с помощта на онлайн калкулатора по-долу.
Схеми на свързване на нагревателя
Снимката по-долу показва пет стандартни, широко използвани електрически нагревателни вериги.
Схема № 1 е най-простата, това е захранващ щепсел с кабел, който е свързан към нагревателния елемент директно или чрез клемен блок с помощта на резбова връзка или съединителни клеми. Съгласно тази схема е сглобен нагревател тип трамвайна печка. За да включите нагревател, направен по тази схема, е достатъчно да поставите щепсела в контакта.
Схема № 2 се различава от предишната схема чрез инсталиране на превключвател на кутията на електрическия нагревател за удобство. В резултат на това по време на работа вече не е необходимо да поставяте и изваждате щепсела от контакта всеки път, за да включите или изключите нагревателя.
Нагревателите, сглобени по схема No 3, са допълнени с термичен предпазител, който ще отвори захранващата верига на нагревателя, ако прегрее, когато падне отстрани или ако нещата са поставени на нагревателя за сушене в нарушение на правилата за работа. В някои модели, освен това, последователно с термичния предпазител, е инсталиран и сензор за положение, който изключва нагревателя, ако неговото положение се отклонява от работното. Обикновено работното положение на нагревателя е вертикално.
Схема 4 има два нагревателни елемента и допълнителен превключвател. Нагревателните елементи могат да бъдат с еднаква мощност или различни. Такова решение на веригата ви позволява да регулирате мощността на нагревателя чрез просто включване или изключване на ключовете, като по този начин регулирате топлината, генерирана от него. Например, ако нагревателят е оборудван с два нагревателя от 1000 и 2000 вата. След това, когато On1 е включен, мощността ще бъде 1 kW, когато On2 е изключена, но On1 е включена, мощността ще бъде 2 kW, а когато On1 и On2 са включени, тя вече е 3 kW.
За удобство в някои видове нагреватели е монтиран превключвател за вафли. Завъртането на копчето по посока на часовниковата стрелка увеличава мощността с 1 kW при всяко щракване.
Съгласно схема № 5 се правят електрически нагреватели от типа нагреватели на вентилатори. В тях допълнително е монтиран електрически мотор с работно колело. За да се предотврати прегряване на нагревателните елементи, е невъзможно да се включат без включване на вентилатора. Това се осигурява от допълнително инсталирания превключвател ON1. Във вентилаторните нагреватели трябва да се монтира самовъзстановяващ се термичен предпазител, който да изключва нагревателните елементи в случай на повреда на вентилатора. Нагревателят на вентилатора може да се използва, ако нагревателните елементи не са включени, като нормален вентилатор за охлаждане в горещо време.
В скъпите модели електрически нагреватели можете да намерите регулатор на температурата. Когато регулаторът зададе предварително зададената температура на въздуха, когато тя бъде достигната, нагревателят ще се изключи и включи само след като температурата на въздуха падне под предварително зададената стойност.
Индикатори за режимите на работа на неонови крушки или светодиоди могат да бъдат инсталирани във веригата на електрическия нагревател. В някои модели са инсталирани осветени ключове, в които вече са монтирани неонови светлини. Индикаторите за пряко участие в работата на нагревателя не вземат, а само сигнализират за режима на неговата работа.
Как да разглобите електрически нагревател
Ако нагревателят спря да се нагрява и външният преглед не позволи да се установи причината за неизправността, тогава той ще трябва да бъде разглобен за ремонт.
Нека разгледаме последователността на ремонтите, като използваме примера на съвременен микрокалоричен нагревател Bimatek PH300 (снимка в началото на статията), сглобен според най-сложната от горните електрически вериги. Знаейки как да ремонтирате такъв нагревател, по-прости могат да бъдат ремонтирани без затруднения.
Необходимо е да започнете разглобяването от страната на входа на захранващия кабел. Обикновено кабелът влиза в капака отстрани. За да премахнете страничния капак от нагревателя Bimatek PH300, отстранете всички видими винтове, държащи капака, и още два винта с потапяне. Единият от тях е покрит с декоративно покритие, което се намира под контролните копчета.
За да извадите щепсела, е необходимо да издърпате щепсела отстрани на фиксатора с отвертка или острие на нож и да преместите фиксатора навътре. Щепселът ще излезе лесно.
Ще се отвори отвор, в който има винт за странично закрепване на капака към основата. Второто тайно вино беше скрито под лепкав стикер, до който имаше още един жълт стикер с предупредително съобщение „Ако пломбата е повредена, гаранцията е невалидна!“.
Така че, ако нагревателят все още е в гаранционно обслужване и не сте уверени във възможностите си, ако е възможно, по-добре е да се свържете със сервизния център с гаранционен ремонт.
Страничният капак е премахнат и всички контакти на органите за управление и нагревателните елементи вече са достъпни. Остава само, с помощта на тестер, да се намери и замени неуспешната част.
Принципът на работа и оборудване на устройството
Устройството се основава на контейнер, напълнен строго до определено ниво с минерално масло.
Вътре в този контейнер са разположени тръбни електрически нагреватели (нагревателни елементи). Нагревателните елементи трябва да бъдат постоянно потопени в масло, поради което инсталирането на маслен нагревател е разрешено само във вертикално положение. Ако нагревателят падне и нагревателните елементи са изложени, последните могат да се повредят.
Работа, свързана с подмяна на нагревателни елементи, което означава, че с необходимостта от източване и подмяна на маслото, обикновено се извършва в специализирани работилници (ако имате опит и почистите трансформаторното масло, можете да рискувате да го направите сами). Ако резервоарът за масло е под налягане, по-добре е да се доверите на професионалистите, тъй като това не може да бъде елиминирано у дома. Понякога ще бъде по-евтино да закупите нов нагревател.
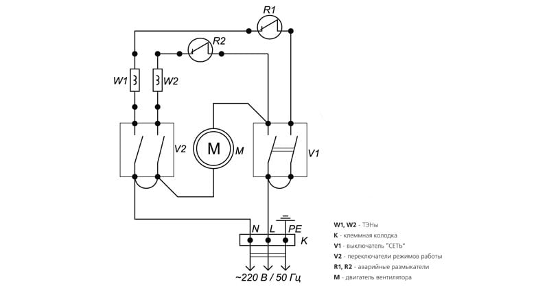
Опростена схема на масления нагревател е показана на фигура 1. Нагревателен елемент, състоящ се от 2 маслени нагревателя, EK1 и EK2, е свързан чрез превключвател за захранване V1, разположен на корпуса на масления нагревател. В зависимост от броя на включените нагревателни елементи, неговата консумация на енергия се променя (превключващата верига на нагревателния елемент е показана условно и може да се различава).
Нагрятото масло предава топлина към корпуса, който действа като нормален радиатор. Колкото повече секции има, толкова по-бърз е топлообменът. Нивото на температурата на въздуха в помещението може плавно да се променя, то се настройва с помощта на биметален термостат, посочен на диаграмата като SK1. Нагревателят не трябва да бъде покрит отгоре, в противен случай термостатът просто ще изключи устройството, реагирайки на натрупването на горещ въздух. Някои модели имат специални стойки за сушене на дрехи, но като цяло е неефективно използването на маслен охладител за сушене.
Схемата за свързване на нагревателния елемент също съдържа термопревключвател (SK2), който предпазва самия корпус на устройството от прегряване. Характеристика на маслените нагреватели е постепенното нагряване на въздуха. За да се ускори донякъде този процес, някои модели са оборудвани с вградени вентилатори. Точката на свързване на двигателя на вентилатора M на диаграмата обикновено е показана със стрелки, тъй като тя не е задължителен елемент на устройството. Мрежовият превключвател SA1 захранва захранването на сигналната лампа HL1.
От автора:
здравей скъпи читатели.Електрическите нагреватели на масло са популярни единици в ежедневието, характеризиращи се с бюджетна цена и издръжливост. Но пренапреженията, активната или неправилна работа създават редица технически проблеми. Възможно ли е да поправите нагревател на масло със собствените си ръце или да го съберете от наличните инструменти? Статията изброява основните видове неизправности на устройствата и начините за тяхното отстраняване.
Премахване на най-простите повреди


Тези разбивки са окисляване, разхлабване на контактите, повреда на щепсела.
След като разглобите радиатора, трябва да проверите всеки проводник. Това се прави с мултицет или тестер. Първо проверете изправността на щепсела. За това един край на тестера се прилага към единия му край. Вторият извод на тестера трябва да бъде прикрепен към връзката между термостата и проводника, простиращ се от щепсела.
Понякога може да има допълнителна връзка на захранващия кабел. Това се прави веднага след като кабелът влезе в корпуса. По-нататък от тази връзка проводниците отиват към термостата и нагревателния елемент. Вторият извод на тестера трябва да се приложи към всеки проводник в тази връзка. Проверете и двата изхода на щепсела.
Ако тестерът не е подал сигнал при последователно прилагане на втория терминал на тестера към края на входната фаза и неутрален проводник, тогава щепселът е повреден. Имате нужда от нея замени.
След това всички други проводници се проверяват с тестер. Един от терминалите му винаги е прикрепен към щепсела. Другото се отнася за всички терминали. Последователността на проверката е следната:
- контакти на термостата;
- контакти на термични предпазители;
- контакти на регулатора на работа на нагревателния елемент;
- контакти на нагревателния елемент.
По време на проверката термостатът трябва да е в такова положение, в което нагревателният елемент да работи. Той е изложен на температура, която е по-висока от наличната.


Ако при проверка на изходния контакт на термичното реле няма сигнал на тестер, тогава контактът може да е лош или терморелето е счупено, или по-скоро биметална плоча... Първо обърнете внимание на контакта. Телният терминал се изтегля и проверява. Ако е чист, няма окисляване или сажди, значи е годен за експлоатация и проблемът се крие в основата на закрепването на терминала или термичното реле. Ако терминалът има изброените недостатъци, той трябва да бъде почистен. В краен случай той се заменя с нов.
Всички контакти могат да бъдат визуално проверени. Ако терминалите са чисти и неповредени, тогава проблемът не е в тях. Някои от контактите могат да бъдат отслабени. След това те се завинтват или основата, в която е поставен терминалът, се сплесква или по-сплеска.
Ремонт на термично реле и термичен предпазител
Този процес се състои в подмяна на биметалната плоча или целия артикул. Биметалната плоча трябва да бъде заменена, когато е силно деформирана и всяко положение на колелото на релето не затваря контакта.
Биметалната плоча се сменя, както следва:
- Задайте най-ниската температура на нагряване.
- Извадете копчето на регулатора.
- Развийте гайките, демонтирайте рамката.
- Извадете биметалната плоча, поставете нова на нейно място.
- Сглобете регулатора.
- Проверете дали плочата работи правилно. Това изисква завъртете копчето на регулатора, като промените положението на плочата и зададете определено ниво на температура... След това плочата се загрява със сешоар или нагревател на вентилатора до зададеното ниво на температура. Ако се огъне и контактът е прекъснат, значи е добре поставен. В противен случай подмяната е неправилна. Трудността трябва да се реши чрез облекчаване на налягането на плочата върху контакта, което съответства на най-ниската температура на нагряване.
Поставянето на плочата в желаното положение е дълъг процес. По-лесно е да си купите нов термостат.
Извършете подобни действия със счупен термичен предпазител.
Как да поправите повреда?
И така, за да ви стане по-ясно как да процедираме, ние ще предоставим инструкции стъпка по стъпка:
Какво да направите, ако бутонът не работи
Основни повреди на електрически конвектори
Това е всичко, което исках да ви кажа за това как да ремонтирате конвектор със собствените си ръце у дома. Надяваме се предоставените съвети да ви помогнат при решаването на проблема!
Проверка на превключвателя за режим
Ако захранващият кабел е в ред, продължете да проверявате превключвателя за режим на работа на нагревателя.
Клемата на превключвателя, към която се вписва кафявият проводник, е обща и се захранва с захранващо напрежение. За да проверите превключвателя, трябва да го настроите на позиция III, в която общият терминал трябва да бъде свързан към останалите два изхода. Сега е достатъчно да се измери съпротивлението между общия терминал и другите два, то трябва да е равно на нула. Ако превключвателят е настроен на позиция II, средният контакт ще остане свързан само с един от другите два. В позиция I, само с непроверен контакт. В нулево положение не трябва да се свързва контакт с другия. Ако превключвателят е в ред, тогава трябва да потърсите причината за повредата на нагревателя на друго място.
Проверка на работата на биметалния термостат
До превключвателя за режим е монтиран биметален термостат. Принципът му на действие се основава на свойствата на различни метали, увеличаване или намаляване на размера, когато температурата се променя по различни начини. Ако свържете две плочи от различни метали в едно цяло, тогава, когато температурата се промени, получената пластмаса ще започне да се огъва. И ако на такава плоча е установен електрически контакт, благодарение на огъването на плочата ще бъде възможно да се контролира температурата на включване или изключване на електрическите уреди, в зависимост от околната температура. Всеки от нас всеки ден се сблъсква с полезното свойство на биметалните плочи. Например електрическата кана се изключва от биметална плоча, загрята от парата на преварена вода.
За да проверите изправността на термостата, просто докоснете сондата на мултицета до неговите клеми и завъртете копчето от стоп, за да спре в двете посоки. В почти целия обхват на въртене съпротивлението на термостата трябва да е нула. Ако случаят не е такъв, тогава обикновено е достатъчно да се почистят добре видимите отстрани контакти с фина шкурка.
Ако трябва да свалите термостата, например за подмяна или ремонт, първо трябва да махнете копчето за регулиране. Той се задържа на оста поради плътно прилепване. За да махнете дръжката, трябва внимателно да я издърпате от двете страни с плоски остриета на отвертка. Дръжката се отстранява от оста с малко усилие.
Под дръжката има два винта. Достатъчно е да ги развиете и механизмът на термостата ще бъде освободен.
Проверка на изправността на нагревателните елементи
Сега е ред да проверите нагревателните елементи, свързани към превключвателя и термостата с помощта на шарнирен шестопинов конектор.
Както се оказа, микрокатермичният нагревателен елемент е композитен и се състои от два. Единият има съпротивление 60 ома, другият 100 ома. За да се тества нагревателният елемент, е достатъчно да се измери съпротивлението между червените, сините и кафявите проводници. Проверката показа изправността на микрокалоричния нагревател.
Проверка на сензора за вертикално положение
Сензорът за положение е тежест, прикрепена към лост с балансираща пружина, зацепвана на противоположния край на лоста. Когато нагревателят е в изправено положение, тежестта опъва пружината и притиска вградения микропревключвател. Захранващото напрежение се подава към нагревателните елементи. Ако нагревателят е наклонен отстрани, силата на гравитацията ще намали въздействието върху пружината, пружината ще измести лоста от микропревключвателя, веригата ще се счупи и токът ще спре да тече към нагревателните елементи.
Има два проводника от сензора за положение, бял и кафяв. За да проверите, достатъчно е да измерите съпротивлението между тях с мултицет.Когато нагревателят е във вертикално положение, съпротивлението на датчика за положение трябва да бъде нула. При накланяне - безкрайност. Установено е, че сензорът за позиция работи правилно
Проверка на изправността на термичния предпазител
Остава да се проверят последователно свързаните термични предпазители, които бяха три и всички бяха монтирани зад плочата на микрометричния нагревател. Двойка бели проводници преминаха от термичните предпазители към шест-пинов съединител, към същия като проводниците от микроатермичния нагревател. Тест за набиране с мултицет показа разединена верига във веригата на термичния предпазител. Стана ясно, че един от термичните предпазители е повреден.
Отне допълнително разглобяване на нагревателя. За да направя това, трябваше да сваля втория страничен капак и защитна мрежа, която се отстранява след освобождаване на винтовете чрез преместване встрани. Достъпът за тестване на два самовъзстановяващи се термични предпазителя вече е отворен.
За да проверите термичните предпазители, трябва да докоснете белия проводник, който приляга на шест-пиновия съединител с единия край на мултиметровата сонда, а с втората сонда, пробивайки изолацията с иглата, притисната към нея, да докоснете проводника, свързващ термичната предпазители. Тестът показа изправността на предпазителите, налични за тестване. Всички елементи са тествани с изключение на термичния предпазител зад микрокатермичния нагревателен елемент. Това означава, че е дефектен.
Трябваше да сваля нагревателния елемент, за което беше достатъчно да развивам четири винта в ъглите и да го отведа отстрани. Отвори се следният изглед.
Термичният предпазител е бил разположен в стъклопластова тръба и е бил прикрепен към тялото на нагревателя с винт с помощта на метална скоба.
Както се оказа, в тръбата е имало самовъзстановяващ се термичен предпазител SF192E, предназначен за температура на реакция от 133˚C и ток на натоварване до 10 A при напрежение до 250 V. Допълнителна проверка с мултицет потвърди, че термичният предпазител е повреден.
Термичният предпазител е свързан към проводниците чрез пресоване с месингова лента. С помощта на шило краят на лентата отстрани на термичния предпазител се огъва, термичният предпазител се отстранява и на негово място се притиска подобен, тип G4A00, предназначен за температура на реакция от 128 ° C и товар ток до 10 A при напрежение до 250 V. Температурата на реакция на инсталирания термичен предпазител е с 5 градуса по-ниска от неизправната. Но като се вземе предвид максималното нагряване на тялото на нагревателя от само 65 ° C, подобна подмяна няма да повлияе на защитните функции и работата на нагревателя.
Преди да сглобите нагревателя, всички съединители бяха свързани помежду си, мултиметърните сонди бяха свързани към щифтовете на щепсела и бяха проверени всички режими на работа на нагревателя. Съпротивлението в положението на превключвателя за режим 0 беше безкрайно, в позиция I беше 156 ома, в позиция II –100 ома и в позиция III - 56 ома, което показваше, че нагревателят е в пълна работоспособност.
След сглобяването нагревателят беше свързан към мрежата и беше потвърдено, че работи. Ремонтът на нагревателя приключи и само следи от инструмента, останали върху пластмасовите тапи, напомнят за неговата неизправност.




















