Забележително е, че автоматизацията за частна къща може да бъде инсталирана на почти всяка отоплителна система. Въпреки това мнозина все още не разбират защо да се автоматизира системата и за какво става въпрос.
За да поръчате инсталирането на автоматизация за частна къща - обадете се на +7 495 205-205-2
Вече базирайки се на името, можем да заключим, че автоматизацията е проектирана да сведе до минимум човешката намеса в процеса на отопление. По този начин автоматичната програма освобождава човека от постоянно регулиране на вътрешната температура. Но мнозина пренебрегват това и разчитат на ръчно управление. От една страна, това е значителен разход на лично време, а от друга страна, в повечето случаи автоматизацията е необходима за безопасна и надеждна работа на системата.
Обикновено терминът "автоматизация" означава цял списък от различни устройства, които наблюдават работата на цялата отоплителна система и по-специално на котела. Също така трябва да се отбележи, че автоматичното управление така или иначе ще бъде по-точно.
Автоматизация за отопление на частна къща
Основната задача, за която е отговорна автоматизацията за отопление на частна къща, е да поддържа необходимата температура вътре в помещенията. Както знаете, регулирането се извършва в зависимост от външната температура. По този начин можете лесно да си осигурите комфортна обстановка в къщата.
Друго предимство на автоматизацията е спестяването на разходи. Отново, като се има предвид факта, че температурата се регулира в зависимост от температурата на външния въздух, системата автоматично ще понижи температурата на отопление, ако изведнъж стане по-топло навън.
Забележително е, но автоматичната система може да увеличи или обратно да намали температурата в помещението, в зависимост не само от времето навън, но и от дните и часовете от седмицата. Например, ако в почивните дни в къщата има малко или няма хора, тогава можете да настроите програмата по такъв начин, че да не отоплява стаята толкова интензивно, но в същото време да поддържа оптималната температура. Разбира се, това ще има положително въздействие върху спестяването на разходи.
Основните предимства на автоматизацията на отоплителната система включват следното:
- Програмата ви позволява да регулирате температурата в къщата по искане на собственика. Ако навън е станало много по-топло, тогава можете да програмирате системата по такъв начин, че да понижава температурата на отопление, като по този начин поддържа комфортна вътрешна среда;
- Възможно е да контролирате температурата в зависимост от деня от седмицата или в определени часове;
- При подходящи условия автоматиката винаги ще намали температурата на отопление, като по този начин ще спести парите на собственика;
- Автоматизацията на отоплителната система ще осигури надеждна защита срещу прегряване на охлаждащата течност, ще следи налягането вътре в системата, а също така ще контролира подаването на вода или газ към системата.

Автоматизация на котелно помещение - отоплителни системи
Автоматизация на котелно помещение
(
отоплителни системи
) Представлява набор от мерки за създаване на автоматизирана система за топлоснабдяване, чиято работа се регулира в зависимост от околната температура.


С ръчно управление операторът самостоятелно задава температурата на подаващата или връщащата линия на котела. Единствената полза от ръчното управление е ниската първоначална цена. Недостатъци - висок разход на гориво, трудности при постигане на комфорт и необходимост от постоянно регулиране, тъй като метеорологичните условия постоянно се променят.
Включването на модул за БГВ и стаен термостат в системата за управление е първата стъпка в автоматизация на котелно помещение
- отоплителни системи
... Модулът за подготовка на топла вода, когато температурата в котела спадне, дава команда на котела и помпата за зареждане на котела да се включат. Стайният термостат контролира стайната температура и дава команда на котела да се включи, ако стайната температура падне под зададената.
С частична автоматизация на отоплението удобството за приготвяне на топла вода се увеличава до известна степен и става възможно регулирането на температурата в помещението с помощта на стаен термостат. Сред недостатъците са недостатъчна точност на стайните термостати, висок разход на гориво и липсата на пряко отчитане на метеорологичните условия. Освен това регулирането в такива системи се извършва според стайната температура, така че котелът се включва, когато температурата в помещението вече е спаднала.
В момента автоматизацията на котлите и отоплителните кръгове, зависима от атмосферните условия, стана широко разпространена. Такава система следи температурата на външния въздух и в зависимост от нея изчислява кои параметри на охлаждащата течност трябва да бъдат подадени към отоплителните устройства, за да се поддържа зададената температура в помещението. Правилно конфигурираната автоматична система за управление на котела не изисква намеса на оператора, но за по-точна работа може да се монтира сензор за стайна температура. Сензорът се различава от термостата по това, че следи не само температурата в помещението, но динамиката на неговата промяна. Следователно автоматизацията може да предскаже по-нататъшното състояние на системата и да предприеме навременни мерки за стабилизиране на температурата в къщата.


Когато се използват автоматизирани системи за управление, зависими от времето, недостатъците на "частичната автоматизация" изчезват. Такива системи автоматично поддържат необходимата температура на охлаждащата течност в котела и във всеки отоплителен кръг. В същото време разходът на гориво се намалява с 15-20%. Основният недостатък на системите, зависими от времето, е високата цена. Оперативните разходи обаче ще бъдат значително по-ниски поради икономии на гориво и електроенергия.
При автоматизиране на котелни помещения трябва да се обърне внимание на автоматизацията за безопасност, която предотвратява работата на котелно оборудване в неприемливи режими, гарантира безопасността на отоплителната система и безопасността на персонала. Направете правилния избор!
Направете правилния избор!
Автоматизация на отоплителната система на частна къща
В допълнение към всички изброени предимства, автоматизацията на отоплителната система на частна къща има и няколко недостатъка:
- Основният недостатък е цената му. Ако сравним цената на автоматизацията с цената на конвенционалния термостат, тогава последният ще струва буквално "стотинки";
- За да спестите от отопление в определен час от денонощието, докато имате ръчно управление, е необходимо да извършите независимо всички манипулации със системата, което не винаги е удобно и възможно. За да автоматизирате напълно този процес, можете да закупите или поръчате зависима от времето или програмируема техника за конкретна система. Но си струва да се отбележи, че няма да е възможно да го намерите евтино, тъй като струва малко повече от конвенционалното оборудване;
- Ако отоплението се извършва с помощта на газов котел, тогава разходът на гориво ще се увеличи при периодично включване и изключване на отоплението. Спестяването на гориво в този случай е много по-трудно, отколкото при други модерни отоплителни котли.
Режими на работа на системата. Работа в системата за автоматизация и диспечеризация на сгради
Системите за управление на отоплението могат да работят в следните режими.
Ръчно управление... В този случай настройването на режимите на работа, превключването на оборудването от основния към резервния и много други функции се извършва от оператора ръчно, няма значение дали той натиска бутоните на панела за автоматизация или на компютъра, това е ръчно управление.
Автоматичен офлайн режим... В този случай системата се включва и изключва от оператора, след което системата работи съгласно даден алгоритъм и предава информация за състоянието си на оператора или диспечера.
Автоматичен като част от автоматизирана система за управление на сгради. В този режим работата на отоплителната система се синхронизира с други системи за поддържане на живота на сградата, операторът или диспечерът не участват в контрола.
Автоматизация на отоплителната система в частна къща
Дори на етапа на бъдещото строителство на частна къща възниква въпросът кое отопление да изберете, за да осигурите комфортна обстановка в къщата и да сведете до минимум разходите за поддържане на цялата отоплителна система. Обикновено изборът за отопление на частна къща се свежда до три основни аспекта на избора:
- Кой котел да изберем;
- Каква ще бъде конфигурацията на отоплителната система;
- Автоматизация на отоплителната система в частна къща.
Що се отнася до избора на котел, който е основният източник на топлина в къщата, има три основни типа, които са най-популярни сред потребителите. Всеки тип има както предимства, така и недостатъци.
- Газов котел. Това ще бъде най-изгодният вариант, ако има основна линия за подаване на гориво. При липса на тази линия можете да използвате втечнен газ в бутилки, но това не отразява по най-добрия начин разходите за обслужване на отоплителната система;
- Електрически бойлер. Това е доста скъп вариант и изисква много електричество. За да минимизират разходите и да осигурят удобно спиране в стаята, те прибягват до инсталиране на електрическо подово отопление, което е много по-икономично;
- Котли на твърдо гориво. Той е много популярен сред потребителите, тъй като улеснява организирането на автономна отоплителна система. Но има някои нюанси: поддръжката на такава система причинява някои неудобства. В допълнение, такива котли са най-добре да се използват за отопление на малки къщи или да се използват в зависимост от сезона.


Направи си сам автоматизация за управление на отоплението в дома. Част 1


Мултифункционалните устройства BM8036 и NM8036 от Master Kit могат да се използват като централна част на система за управление за отопление, охлаждане, вентилация и др. Въз основа на NM8036, един от нашите купувачи реши да направи автоматизация за управление на отоплението в дома и описа подробно процеса на изпълнение на неговата идея:
„В статията си„ Автоматизация на отоплението за дома “писах за това каква автоматизация е необходима за отоплителна система с воден топлинен акумулатор (БТА). Въз основа на желания алгоритъм и особеностите на работата на отоплителна система от този вид, стигнах до извода, че се нуждаем от програмируем блок за управление, който изпълнява не само функциите на термостат, но и таймер с календар. По принцип можете просто да вземете стар компютър, някакъв вид Pentium 2, да напишете програма за него, която да изпълнява всички желани функции - и това е краят. Признавам, че все още не съм загубил това настроение. Изведнъж обаче си спомних компания, в която можете да си купите много различни комплекти за голямо разнообразие от задачи. Това е Master Kit.
И трябва да кажа, че тази компания доставя различни комплекти за сглобяване на електронни устройства. Какво е комплект? Това обикновено е печатна платка и набор от части за сглобяване. Вярно е, че вече има сглобени, готови устройства. Всъщност използвах тази услуга и преди, събрах нещо ... И сега, след като поразрових доста каталога й, намерих устройство, което като цяло напълно отговаря на моите изисквания.Това е 4-канален таймер-термостат NM8036.


В каталога има и аналог на такъв термостат, но вече за 8 канала: BM8036.


* устройството се доставя запоено с монтирани превключватели на захранването в комплект с корпус и 8 температурни сензора
Ако разгледате по-отблизо и двата варианта, тогава лично моят избор: 4-канален. Защо? Той може лесно да бъде разширен до 12 канала. По-точно и двете устройства могат да бъдат конвертирани в 12-канална версия. Тоест, настройте 12 устройства под негов контрол. И това не е моето изобретение, уебсайтът на Master Kit казва всичко това. Изборът ми падна на NM8036, тъй като е по-евтин. Използването на една или друга опция обаче зависи от задачите, способността за запояване и т.н. (за някой ще бъде по-лесно и удобно да използва готовото устройство).
Какви устройства може да бъде? Е, например електрически клапани на отоплителната система, циркулационни помпи, електрически нагреватели, вентилатори, електрически управляеми клапани ... Ека ме взриви. Вентили за затваряне, вентилатори ... Duc, вече обмислям, че този термостат не само ще контролира отоплителната система, но и ще поддържа температурата на съхранение в мазето, която е оптимална за зеленчуци.
Не е излишно да се отбележи едновременно, че огромен брой температурни сензори могат да бъдат свързани към входовете на това устройство. Цифрови сензори с висока точност. А за гастрономи от електрониката е възможно да се свържат и няколко аналогови сензора към ADC входовете.
Но най-важното в тази единица дори не е това. Неговото софтуерно ядро ви позволява да програмирате работата, без да знаете езици за програмиране. Всичко е на ниво човешко разбиране на руски език. Въпреки че, разбира се, човек, който е далеч от подобни неща, вероятно ще се затрудни с това. Поне не веднага, нито от нападение.
Но това, което особено ми хареса, беше фактът, че това устройство може да се свърже с компютър и да се измами по него вече не с помощта на стандартните му бутони, а с компютърната клавиатура. Преглед на програмата, промяна, качване на нови версии на фърмуера ... Трудно ли е, Учителю? Не знам, не мисля така. Днес е такъв век, че 12-годишни внуци, които вече не гледат бутоните на клавиатурата, бият. И какъв съм аз, по-тъп от тях, или какво? Дудки, няма да ни настигнат!
Е, накратко, сглобих и отстраних грешките на това устройство. Сега остава дреболия: да поставя температурните сензори на техните места и да създам програма според алгоритъма, който ми е необходим, за да работи системата. И това изобщо не е тръбна работа. Вижте, Учителю, прочетете колко хора вече използват този термостат. Тук не направих откритие, просто намерих това, от което се нуждаех, и на достъпна цена.
И така, какво е необходимо, за да сглобя напълно контролния си блок? Разбрах го в моите списъци с желания и реших да използвам всички 12 канала наведнъж. Може би не веднага, но управляващият блок трябва да бъде сглобен завършен. Следователно:
1. Таймер-термостат NM8036 1 брой 2. Блок изпълнителни релета NM4411 3 броя 3. Захранващ блок PW1220D 1 брой 4. Цифров температурен сензор DS1822 4 броя
Всичко това го купих в онлайн магазин. Всъщност температурните сензори се доставят с таймер, вече има 4 от тях. Но взех за разширяването още 4. Те няма да са излишни. И в местен магазин потърсих калъф за блок за управление, където можете да залепите всички тези компоненти.
Самият Master Kit не се занимава с търговия, това се прави от различни дилъри, магазини, включително онлайн магазини. В моето село няма супермаркети, затова използвам онлайн магазини.
Ето процеса на изграждане
Сега нека поговорим за сглобяването и стартирането на блока за управление на отоплението, базиран на NM8036.
Master Kit има много добри инструкции за работа с комплекта. В края на страницата с описание на комплекта има връзка.
Но днес не започнах история, за да повторя тази инструкция. Има различни подводни камъни и камъни, които не са споменати в инструкциите, но в моята практика или се натъкнах, или по чудо избегнах един, но можех да се натъкна. Ще говоря за това.
Няма да разказвам и показвам как да споявам елементи към печатна платка. Разбира се, това не се прави с духалка и определено минимално умение е, разбира се, силно желателно.Тук правилата са прости: спретнатост и внимателност, заключения и контактни площадки, опитайте се да не прегреете.
Има диаграми с множества, списъци с елементи са вложени, изписват се имена на елементите - имат, както се казва, очи и ръце. Но искам да ви напомня едно нещо: след сглобяването, почистването и изплакването не бързайте да го включвате веднага. Вземете, Учителю, по-голяма лупа и внимателно проверете всяка спойка. ВСЕКИ! Така че кръгът да е четен, така че затварящият сопол на спойката да не се простира от него до други контакти. Лъвският дял от неизправности възниква именно от некачественото запояване.
Поставете процесора (контролера) правилно в гнездото. Това е най-голямата микросхема, тя има прорез в края, показващ началото на заключенията. Схемата на свързване показва къде трябва да изглежда този изрез.
Събран? Виж това? Сега проверете отново. Контролен изстрел преди стартиране. Изстрел? Е, прекръстете се на изображението и натиснете конектора за захранване. Само имайте предвид, че ако го поставите на грешното място, удоволствието ще бъде съмнително, а резултатът не е същият.
Вижте, близо до COM конектора има два по-малки конектора - отдясно и отляво. Този отдясно е съединителят на сензора. А захранващият конектор е този отляво на COM. Така че, конекторът за захранване прониква много добре в съединителя на сензора. Внимавайте, в противен случай рискувате да срещнете неприятности.
COM конектор. За какво? За да се свържете с компютър ... и още. Изходите на контролера са свързани към контактите на същия конектор за управление на натоварванията OUT0, OUT1, OUT2 и OUT3 (вижте конектора XS1 на диаграмата). Тоест тези 4 изхода могат да се използват директно от този конектор.
Не е лошо, разбира се, но ако не ги използвате тук и използвате конектора само за свързване към компютър, тогава не се опитвайте да използвате никакъв кабел за връзката. Този кабел може също да запоява проводници към изходните щифтове. Не е известно как това може да завърши. В инструкциите се казва как да се откача кабелът за свързване към компютъра - така го направете.
Освен това. Тези сини клемни блокове (XS6 - XS9), вляво от съединителите, изобщо могат да бъдат пропуснати, ако възнамерявате да използвате NM4411 комплекти за контрол. Освен това е възможно също така да не се запояват всички елементи, които са предвидени в тези изходни етапи. Всичко, което е на този фрагмент от веригата NM8036 (има и 8 резистора и 4 оптрони).
Тези елементи не са необходими (по-малко дажби - по-надеждно устройство). И така, как да свържете изходите на контролера към входовете NM4411? Duc, като ... директно.
В края на краищата казах, че в този комплект стандартно има само 4 изхода, към които съответно могат да бъдат свързани само 4 товара. А софтуерът и фърмуерът на контролера могат да осигурят работа с 12 товара. В същото време всеки от тях е свързан директно към контактите на контролера (въпреки че, разбира се, първите 4 могат да бъдат взети от COM конектора като стандарт).
Колко директно?
Ако погледнете борда NM8036 отстрани на дажбите, тогава външният му вид ще бъде приблизително същият като на тази фигура (кликнете върху него, за да го увеличите). Изходите на контролния канал от 1 до 12 са номерирани със съответните номера. Два аналогови входа (A1 и A2) също са номерирани, които също се обработват от новия фърмуер на контролера.
Ако, Учителю, сте гледали видеото на сглобката, тогава, разбира се, сте забелязали сноп кабели, споени към клемите на контролера на гърба на дъската. Използвайки този пакет, свързах посочените щифтове към конектора на допълнителната платка.
И там вече отиде още един сноп, от този конектор до платките на изпълнителните релета NM4411 и два превключвателя, които бяха свързани към аналоговите входове на контролера. За какво са ключовете? Сложих ги да превключват режимите на работа на отоплителната система.
Контролът на отоплението на частна къща с котел и топлинен акумулатор не може да бъде решен еднозначно.Не е просто „включване и изключване“. Работата на котела за акумулиране на топлинна енергия вече е отделен режим, различен от режима на консумация на топлина. Първият ми превключвател е да активирам / деактивирам режима "Котел", който точно отговаря на работата на котела.
Вторият превключвател в моя случай включва отоплението на банята. В режим на готовност температурата в съблекалнята, мивката и сауната се поддържа на 16 градуса. Когато отоплението е включено, температурата в мивката се повишава до 35 градуса.
Схемата за превключване на режима е проста, това е двойка резистори от 1 kΩ, споени към превключвателя. Горният резистор е свързан към щифт 10 на контролера (VCC, мощност + 5V), а долният резистор е свързан към щифт 11 (GND, общ).
Остава да допълним тази статия със съображения за избор на случай. В моя случай изборът на пластмасов калъф, който намерих в един от местните магазини за електротехника, се оказа много успешен. Известна теснота в него беше напълно компенсирана от доста подходящ прозрачен прозорец за поставяне на NM8036 устройство с дисплей под него. Също така се помещават захранването и 3 контролни табла NM441, по 4 канала.
Клавиатурата и превключвателите на превключвателите на режимите бяха фиксирани от вътрешната страна на капака. По този начин се оказа добър контролен блок за отопление на частна къща.
Следва продължение…"
Автоматизация на отоплението
За да се увеличи ефективността на отоплението, както и лекотата на използване на цялата отоплителна система, се използва автоматизация на отоплението. Това включва следните компоненти:
- Термостатичен клапан;
- Терморегулатор;
- Стаен регулатор с термо-клапан и др.
Използването на такова оборудване ще осигури по-ефективна работа на системата, както и ще намали консумацията на енергия, докато това няма да повлияе на комфорта на обитателите. Благодарение на такива устройства става много лесно да се контролира отоплителната система и температурата вътре в къщата винаги ще отговаря на нуждите на жителите.
Процеси на автоматизация
Става толкова ясно, че цялата автоматизация на отоплителните системи на частна къща работи с помощта на помощни устройства, нека разгледаме как се прави това.
- Управление само на отоплителния котел. По този начин се регулира само температурата в него и съответно се вземат предвид външни фактори, като температурата на помещението, където се намира оборудването. Естествено, чрез регулиране и наблюдение на котела се следи температурата на топлоносителя в него и на изхода.


Автоматизация на отоплителния котел
- Термостат на клапана. Най-простото устройство, което се инсталира на всеки отделен радиатор. Този термостат задава температурата, от която се нуждаете, и реагира в бъдеще на всички промени в самия радиатор и извън него. Този клапан, ако температурата е достигнала границата, затваря достъпа до нагревателя и в обратен ред, при ниска температура на помещението или радиатора, той се завърта обратно.
Такива технологии се използват самостоятелно и по никакъв начин не провокират икономията на потребление на ресурси, тъй като по никакъв начин не регулират тяхното потребление.
Съществува и трети автоматизиран подход за отопление на частна къща, специална стайна кутия с данни - контролер за стайна температура. Той вече контролира циркулацията на нагревателя, неговата температура и осигурява желания режим. Грубо казано, той сам прави това, което правят двете предишни, и то се използва не за временно използване на „лятна вила“, а за постоянно.


Контролер за стайна температура
Автоматизация на отоплението
Днес автоматизацията на отоплението в широк диапазон е представена от термостатични клапани. Това устройство е проектирано специално, за да може да регулира температурата на въздуха във всяка отделна стая в къщата.Това устройство може да бъде инсталирано или на отоплителен радиатор, или на подов отоплителен кръг. Функционирането му е съвсем просто. Собственикът ще трябва само да завърти термоглавата на клапана до необходимата цифра и устройството бързо ще повиши или понижи температурата до зададеното ниво. Тук свършва човешката намеса в работата.


Останалата част от процеса се извършва автоматично. След като температурата в помещението се повиши над зададената стойност, клапанът ще затвори циркулацията на водата към отоплителния радиатор. След като температурата падне под определеното ниво, захранването на отоплителната среда ще бъде възстановено отново. В този случай клапанът работи непрекъснато и действието му е съвсем просто.
Струва си да се отбележи, че такава схема ще продължи да функционира независимо от това дали подаването на охлаждаща течност в котела е регулирано или не. Това не зависи от използвания котел. Такива клапани могат да бъдат инсталирани в тези отоплителни системи, които използват котел на газ или твърдо гориво. И дори да говорим за електрически котел, тогава и тук термо клапаните няма да са излишни. Най-хубавото е, че такова устройство се проявява с котли на твърдо гориво. Известно е, че регулирането на температурата с такива котли е не само трудно, а понякога и невъзможно.
Сензори
Сензорите са предназначени да контролират налягането и температурата в помещението, на открито и охлаждащата течност в тръбопроводите на отоплителната система.


Температурните сензори са:
Потопяем... Предназначен за отчитане на отоплението на водата в тръбите. Монтажът им се извършва в определени области на системата. Тези сензори са биметални и алкохолни
Дистанционно... Този тип сензор е инсталиран извън отоплителната система. Напоследък популярни са безжичните модели, които предават информация с помощта на спомагателна електроника, което прави възможно инсталирането им почти навсякъде - в отделна стая или на улицата.
Сензори за налягане са механични - превключватели за налягане (механично измерване на диференциално налягане и електрическо преобразуване) и аналогови сензори за налягане (преобразуване на налягането директно в електрически сигнал, например с помощта на пиезо елементи).
Автоматизация на отоплението в частна къща
Струва си да се отбележи, че в този случай автоматизацията на отоплението в частна къща не предполага икономии, тъй като термостатичният клапан просто не позволява това. И има няколко основни причини за това:
- Използвайки такова устройство, мощността на нагревателя се увеличава с приблизително 15%. Ако не използвате такова устройство, тогава е възможно да изберете по-слаб радиатор. Можем да кажем, че в този случай устройството изигра не добра шега. Колкото по-висока е мощността, толкова по-скъпо е отоплителното устройство;
- В този случай отоплителният котел няма да бъде в най-удобните условия за него. Това ще се отрази в увеличения разход на гориво, както и в експлоатационния му период. Много е трудно да си представим колко пъти на ден даден газов котел може да се изключи и включи отново. Разбира се, това не се отразява по най-добрия начин на експлоатационния му живот. При котлите на твърдо гориво ситуацията е още по-лоша, тъй като тук вероятността котелът просто да заври се увеличава значително;
- Има още един момент, който вече изисква човешка намеса. За да спестите гориво, ще е необходимо ръчно да намалите температурата на охлаждащата течност, когато в къщата няма никой. Това може да стане по два начина: първият е да се намали количеството гориво за котела, а вторият е да се настрои индикатор за намалена температура на всеки отделен термо-клапан. Както показва практиката, мнозина просто забравят за това, така че въпросът за спестяването не е решен тук;
- Цената на такова оборудване далеч не е малка.Освен това крайното количество ще варира в зависимост от отоплителните батерии. Умножаваме техния брой по цената на един термостатичен клапан и получаваме доста солидна сума.
Какво знаем за автоматизацията
Под това име в повечето случаи те означават определен брой различни устройства, чиято цел е да се наблюдава работата на отоплителния котел. Почти самото име на процеса показва, че комплексът от устройства ви позволява да създавате различни работни места без оператор.
Инструкцията препоръчва сами да зададете необходимите параметри и системата ще се придържа към тях, което е много удобно и не отнема свободното ви време. В резултат на това контролът се извършва толкова точно и без грешки, което не може да бъде изключено в случая на „антропогенен фактор“.


Сега е възможно да се автоматизира всеки процес, въз основа на това, отоплението не беше изключение в тази идея. В допълнение, автоматизацията може да се използва за цялата верига наведнъж, както и за отделните й елементи, например радиатори.
Както бе споменато по-горе, автоматичното управление на отоплението е контрол върху температурата в котела и в помещенията. Това е основната му функция, въз основа на това, най-много въпроси възникват за устройствата.
Пазарът е наситен с широка гама от устройства за контрол и наблюдение, които се различават по функционалност, производителност и точност на показанията. Въз основа на това ще разгледаме този въпрос по-подробно.


Термостатичен клапан
- Проектиран да контролира и регулира температурата във всяка стая на къщата.
- Монтажът се извършва на батерия или подово отопление.
- За да включите устройството в действие, достатъчно е да разгънете термичната му глава, върху която има номера на необходимата температура.
- Друга работа се извършва в автоматичен режим, въз основа на това, когато температурата на въздуха в помещението намалява, клапанът отваря подаването на охлаждащата течност към радиатора, ако е надвишен, той го затваря.
- Работата на веригата не зависи от температурата в топлинния генератор и вида на битовия котел на отоплителната система.
- Много по-често оборудването се използва с газови, течни и твърди горивни устройства за отопление на охлаждащата течност. В последния случай това е най-подходящо, тъй като е трудно или нереалистично да се създаде контрол на температурата в топлинния генератор.


Когато избирате това автоматично устройство, вземете предвид, че не се препоръчва за запазване. Нека да обясним по-долу:
| Мощност | При инсталиране на термостатичен вентил топлинната мощност на радиатора веднага се увеличава с приблизително 15%. Въз основа на това, ако не е инсталирано, отоплителното устройство може да бъде избрано с по-ниска мощност. На практика ще трябва да закупим батерия на по-висока цена. |
| Работа на котела | Генераторът на топлина ще трябва да работи в режим, който не е много удобен за него, което ще се отрази на:
Той ще трябва да включва и изключва няколко пъти дневно, което е много по-лошо, отколкото ако трябва да работи в един режим. Генераторите на топлина за твърдо гориво са още по-обезпокоителни. На практика е нереалистично да се регулира подаването на гориво към тях, така че има опасност охлаждащата течност да заври. |
| Антропогенен фактор | За да спестите енергия, ще трябва да намалите температурата й, когато не сте у дома. Има два метода за това:
|
Цената на качествен термостатичен клапан не може да бъде ниска. Ако го инсталирате на всички радиатори в къщата, сумата ще бъде доста важна.


Контрол на стайната температура
- Едно от съвременните устройства за автоматизация за отопление.
- Инсталиран на стена в стая и представлява цял комплекс от устройства:
- включване и изключване на подаването на гориво (за електрически и газови котли),
- регулиране на работата на циркулационната помпа в системи с агрегат за твърдо гориво.


Нека дефинираме предимствата на тази автоматизация:
- Температурата на околната среда в стаята се контролира, а не охлаждащата течност в радиаторите. Въз основа на това няма внезапни промени в температурата.
- Котелът няма да се включва и изключва доста често. Ето защо е възможно да се намалят разходите за енергия с почти 30%.
- Регулаторът е програмируем. Въз основа на това ще бъде много лесно да зададете минимален температурен режим за 7 дни, в случай че трябва да напуснете дома. Преди вашето завръщане системата ще може да загрее въздушното пространство в стаята до нормалното в рамките на един час.
Съвет: Препоръчваме да използвате този метод, тъй като всяка по-ниска степен може да даде 6% икономия на гориво.


- Регулаторите с два сензора - в къщата и на открито, са в състояние да контролират режима в стаята от външната температура. Те се наричат зависими от времето и цената им е вероятно 6 пъти по-висока от обикновената.
- Тази автоматизация може да се контролира не само ръчно, но и чрез SMS съобщения или чрез Интернет.
Съвет: автоматизация на отоплителни системи за жилищни сгради - статии по темата, подробни схеми и съвети за независима инсталация, имате възможност да намерите нашия портал.
Термо клапан със стаен регулатор
Забавна опция, за която трябва да бъдете изпратени да разговаряте по-подробно, за да разберете дали е възможно да се възползвате от подобна комбинация под формата на спестявания от разходи за отопление.
Експертите казват, че разходите ще бъдат значително намалени. Това ще се случи не само поради по-ниската консумация на енергийни източници, но и поради закупуването на евтини термостатични клапани.


В този случай трябва правилно да разпределите функциите между устройствата въз основа на важността на всяко от тях:
- стайният контролер трябва да се използва като основен елемент, под контрола на който има и регулиране на работата на топлинния генератор... Въз основа на това, основната корекция ще зависи от това,
- термо клапаните са необходими като допълнително оборудване, което може да се използва за регулиране на температурата в помещениятавъз основа на условията, създадени във всеки.
Автоматизация на отоплителните системи
Ако е необходима по-модерна автоматизация на отоплителните системи, тогава днес производителите предлагат доста уникални устройства, които ще отличават всички изисквания на нашето време. Това включва контролер за стайна температура. По принцип такива устройства се инсталират точно в стаята. Той е монтиран на стена и ви позволява да контролирате стайната температура. Уникалността на такова устройство се крие във факта, че то изпълнява цял набор от различни задачи. Той може да включва или изключва подаването на гориво, когато става въпрос за газови или електрически котли, а също така да включва и изключва утайките за циркулация на охлаждащата течност, когато става въпрос за котли на твърдо гориво.


Какво и как да автоматизирам? Основни принципи
В зависимост от вида на отоплителната система на отоплителната среда, управлението ще се различава и параметрите, контролирани от системата за автоматизация.
По принцип операторът задава желаната стайна температура чрез контролния панел или компютър, чрез контролния панел в отделна стая и т.н.
Системата за автоматизация на отоплението, базирана на данни за температурата на въздуха в сградата, външната температура, времето на деня, присъствието на хора в помещението, избира режима на работа и предава управляващи сигнали към задвижващите механизми, които могат да се различават:
А) За управление на електрическата отоплителна система се използват устройства, които контролират мощността на електрическия ток: биметални термостати, работещи на принципа "включване / изключване", или тиристорни регулатори на напрежението, с помощта на които при намаляване на напрежението мощността консумацията на устройството също е намалена. Като пример можем да си припомним електрически конвектор, потребителят задава необходимата температура, а термостатът поддържа температурата чрез включване и изключване на захранването на устройството.


Б) За управление на отоплителната система с контур на охлаждащата течност се използват устройства, които регулират температурата и дебита на охлаждащата течност. В същото време регулирането на температурата на охлаждащата течност е възможно само в автономни системи с котли и нагреватели, например в частни къщи; за централизирани отоплителни системи температурите на входящия и изходящия поток на охлаждащата течност се определят от графиките:
- от големи ТЕЦ: 150/70 ° С, 130/70 ° С или 105/70 ° С;
- от котелни и малки ТЕЦ: 105/70 ° С или 95/70 ° С.


По този начин при големи обекти контрол на стайната температура може да се извършва само с помощта на устройства, които променят дебита на охлаждащата течност в отоплителната мрежа и я поддържат на дадено ниво, така че да не излиза извън температурния график.
Автоматизация на отоплителната система
Такава автоматизация на отоплителната система, която е представена от регулатори на стайна температура, има следните предимства:
- Устройството отговаря за контрола на температурата във въздуха, а не вътре в охлаждащата течност. Предвид факта, че обемът на въздуха е по-голям от обема на водата, няма да има внезапни скокове на температурата. Това ще има положителен ефект върху периода на работа на котела, тъй като ще има много по-малко изключвания и изключвания. Експертите отбелязват, че използването на такава автоматизация може да осигури 30% икономии;
- Устройството е програмируемо. Той може да бъде инсталиран по такъв начин, че една температура на въздуха да се поддържа до вечерта, а преди пристигането на жителите, тя ще се повиши. Спестяванията в този случай са очевидни. Прави впечатление, че всяка по-ниска степен на температура на въздуха осигурява 6% икономия на гориво;
- Има и по-функционални сензори, които се състоят от две устройства, едното от които е инсталирано директно в къщата, а второто на улицата. Това е необходимо, за да може температурата в къщата да зависи изцяло от температурата навън. Такива устройства се наричат зависими от времето;
- С помощта на такова устройство можете да контролирате процеса на нагряване на водата в котела, както и да контролирате циркулацията на охлаждащата течност по веригите на различни етажи, както и в системата за подово отопление. Друг голям плюс на такава система е, че тя може да се контролира чрез Интернет или чрез SMS чат.
Как се регулира отоплителната система?
- Автоматичен контрол, зависим от времето, според температурната графика на зависимостта на температурата на охлаждащата течност от температурата на външния въздух;
- Регулиране на консумацията на топлина за поддържане на зададените параметри на температурата на въздуха в помещения с централно отопление.
- Програмирано намаляване на консумацията на отоплително средство за отопление през нощта, почивните дни и празниците.
- Ограничение на температурата на водата на връщащата мрежа според графика на нейната зависимост от температурата на външния въздух в съответствие с изискванията на топлоснабдителната организация в отоплителните системи
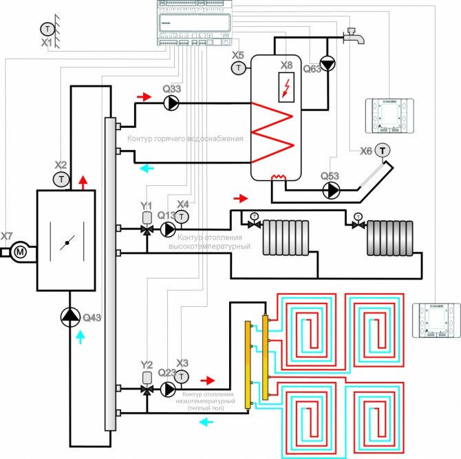
Топлоносителят от централната отоплителна система идва при вас в IPT, до контролния блок. След това охлаждащата течност влиза в отоплителната система на дома. След като е преминал през всички батерии, охлаждащата течност от всички щрангове се събира във връщащата тръба и отново влиза във вашия блок за управление. Контролерът за автоматизация анализира температурните параметри на улицата, захранващия тръбопровод (захранване), връщащия тръбопровод (връщане) и автоматично регулира разхода на охлаждаща течност, определяйки колко от охлаждащата течност и каква температура трябва да се подава към отоплителната система на къщата, според към вградените PID коефициенти. PID коефициентите се коригират от сервизните инженери при настройка на системата.
PID коефициент - Пропорционално-интегрално-диференциращ коефициент.Използва се в системите за автоматично управление за изчисляване на управляващия сигнал, за да се получи висока точност на процеса.
Схеми за автоматизация на отоплителната мрежа.
| Първи отоплителен кръг - 150/70 ° C | Втори отоплителен кръг - 95/70 ° C |
|
|
|
|
Варианти на местоположението на температурните сензори ATS.
| Най-добрият вариант за инсталиране на температурни сензори | Неправилно инсталиране на температурни сензори |
|
|
Сервиз и поддръжка на ACS, APCS.
- настройка на настройките ден / нощ, уикенд / работен ден
- смазване на подвижни клапанни механизми
- проверка на работата на възвратните клапани, спирателните кранове
- в ръчен режим, управление на клапани, помпи
- проверка на показанията на температурните сензори с референция
- анализ на архивирани данни
- поддържане на настройките на системата за автоматизация в границите, определени от техническите условия
- диагностика на техническото състояние и предотвратяване на неизправности на системи за управление и оборудване
До блока има диаграма на подстанция във формат A3 и ръководство с инструкции за ATS.
С компетентна организация на процеса на обслужване на APCS е възможно да се премине от системата за превантивна поддръжка към извършване на работа в съответствие с действителното състояние на оборудването.
Услугата струва 480 рубли / месец.
Получете консултация на сервизен инженер!
Автоматизация на управлението на отоплението
Що се отнася до цената на стаен регулатор, такава автоматизация за управление на отоплението ще зависи пряко от избрания модел. Трябва да разберете, че разликата в цената е доста осезаема. Ако изберете термостат, зависим от времето, тогава той ще струва 5-6 пъти повече от обикновения. Но има ефективен начин за решаване на този проблем. За да направите това, термостат може да бъде инсталиран в една от стаите, а термостатичните клапани могат да бъдат инсталирани на радиаторите във всички останали. На термостата трябва да зададете необходимата температура и да завъртите клапаните ръчно.
Автоматизация на отоплителната система
Какво е предимството? Факт е, че скъпата автоматизация на отоплителната система ще повлияе на работата на самия нагревател, като постоянно го включва и изключва. Що се отнася до термо клапаните, те няма да имат нищо общо с котела, тъй като те ще следят само температурата в помещението, където са инсталирани. Но тук има един малък недостатък. Например в една стая, където е монтиран регулаторът на стайната температура, са се събрали няколко души. Разбира се, температурата в тази стая ще започне да се повишава бързо. Съответно автоматиката ще реагира на тези промени и подаването на гориво към котела ще бъде рязко намалено. Естествено, това ще доведе до факта, че температурата в цялата къща ще започне да намалява. Ако в стаята, където са се събрали хората, ще бъде доста удобно и топло, то в други стаи ще стане много по-хладно.


Може да възникне напълно логичен въпрос - колко бързо автоматиката ще реагира на температурните промени. Ако вземем предвид факта, че човек излъчва около 100 вата топлинна енергия, този показател трябва да се умножи по броя на хората и ще получим желания резултат. Както показва практиката, в средно помещение, където са се събрали около 5 души, температурата на въздуха ще се увеличи с 1 градус за половин час. Също така си струва да се вземе предвид моментът с местоположението на стаята, където е инсталиран регулаторът. Ако стаята е от южната страна, тогава винаги ще е по-топло, отколкото в другите стаи. Всичко това трябва да се вземе предвид преди закупуването на автоматичен термостат.
Технологични характеристики
При организирането на интелигентна система за управление се вземат предвид характеристиките на архитектурата на сградата, материали за направа на стени, предназначението на помещенията и други нюанси. Също така е важно да се осигури интегрирането на отоплителната система с вентилационни и климатични системи.Тези комунални услуги трябва да работят заедно за по-голяма ефективност и по-добър контрол на климата в помещенията.
Средствата за автоматизация трябва да осигуряват контрол на всички устройства в системата, било то радиатори, конвектори, котли или друго оборудване. За това се използват електрически задвижвания, термостати и други устройства, благодарение на които се извършва съответната настройка. Референтната точка за оборудването за автоматизация се определя от температурните сензори, разположени в помещенията. Те се използват за контрол на текущите климатични условия.


Когато се комбинира в една система, компетентната автоматизация на отоплението решава няколко важни задачи едновременно.
- Всички отоплителни зони в къщата се наблюдават и управляват.
- Възможно е предварително да програмирате температурната промяна в стаята по часове на деня, дни от седмицата или по отделни дати.
- Възможно е да се предвиди увеличаване на консумацията на топла вода сутрин и вечер.
- Ако има най-много празни стаи за гости, режимът на отопление може да се регулира съответно, за да се осигурят икономии.
- За спални, детски стаи, кухни и други стаи можете да регулирате режима на отопление в съответствие с тяхното предназначение.
Автоматизация в частна къща
В допълнение, автоматизацията в частна къща може да бъде едновременно представена от стаен регулатор и термоклапан. Тази комбинация вече беше обсъдена малко по-горе. Но наистина ли тази „симбиоза“ е толкова ефективна, колкото се казва? Практиката показва, че икономиите са наистина значителни. И този факт се влияе не само от намаляване на енергийния носител, но и от по-ниската цена на термо клапаните.
Функциите в този случай се разпределят въз основа на важността на всяко от използваните устройства. Регулаторът на стайната температура ще бъде основният от цялата верига, който ще контролира и регулира работата на котела. С прости думи - той ще извърши основните корекции на работата. Що се отнася до трите клапана, те ще бъдат своеобразни допълнения, които могат да коригират температурата в помещенията, където са инсталирани.
Що се отнася до цената на автоматизацията, тя също се влияе от вида на отоплението, както и от наличието на подово отопление и т.н. Използвайки комбиниран тип автоматизация, цената за него ще се увеличи. Въпреки това, присъствието му ще намали разходите, които пряко зависят от газопровода, както и от местоположението на всички необходими органи. Преди да направите своя избор по посока на конкретно устройство, трябва да се запознаете с всички видове автоматизация на отоплителната система. Това ще ви позволи да изберете правилния тип устройство, както и да изчислите приблизителните му разходи и бъдещи спестявания. Ако е трудно да направите това сами, тогава за помощ можете да се обърнете към специалист, който ще свърши цялата работа вместо вас. В този случай рискът от изразходване на още повече лични средства, отпуснати за подреждането на автоматизацията на отоплителната система, е значително намален.
Автоматично регулиране на топлина, отопление, подаване на топлина.
За да се създаде удобно отопление в апартамент, задължителен елемент включва използването на автоматизация. Няма да седите постоянно в точката на нагряване и ръчно да контролирате работата на отоплителното тяло. И е по-добре да осигурите комфортни условия в къщата не с отворени отвори, въпреки че никой не е отменил вентилацията в стаите, а чрез задаване на желаната температура. Не е лесно да се създаде мек климат в къщата, с резки колебания в стайната температура и чести течения. Тези задачи се изпълняват от автоматизацията на отоплителните системи.
Автоматизацията на отоплението никога не е била толкова достъпна, вижте сами!
Техническата възможност за инсталиране на автоматизацията се определя от отоплителния инженер на място. Посещението на специалист е безплатно и не ви задължава към нищо.
Разберете възможността за инсталиране!
Поръчайте безплатно посещение на инженер!

























