недостатъци
Автономното отопление с газ на частна къща, както всяка друга технологична система, има своите недостатъци:
- Получаване на разрешение от местни служители за провеждане на подходящи комуникации.
- Големи разходи за закупуване на котелно оборудване.
Всичко това може да се изплати само след 3-5 години. Някои хора обаче озвучават цифрата от 10-15 години, но такива изявления изискват проверка за всеки конкретен случай. Освен това към днешна дата прогнозите за цените на газа са доста разочароващи: анализите предвиждат значително увеличение.
Втечнен газ
Ако няма възможност за свързване към главния газопровод, можете да използвате втечнен газ. На мястото има специален контейнер - държач за газ. Цената на втечнения газ варира между дизела и дървесината. И най-важното, ако в бъдеще стане възможно да се свържете към мрежата за доставка на газ, тогава няма да е необходима мащабна реконструкция на отоплителното оборудване - ще бъде необходимо само да се подменят дюзите в котела.

Газовото отопление на частна къща с бутилки е не само екологична, ефективна, но и напълно автономна отоплителна система, която няма да зависи от превантивна поддръжка или аварии на газопровода. Средно едно пълнене на резервоара за газ трябва да е достатъчно за една година.
Отопление на газ: възможни повреди
Газовото отопление има не само предимства, но и недостатъци. Това изцяло зависи от наличието на газ в тръбите. Липса на газоснабдяване - липса на топлина и топла вода в къщата. В тази ситуация няма да е лесно да се намери изход. По-добре е да предвидите непредвидени обстоятелства предварително, като инсталирате котел, който ще работи едновременно на газ и електричество. Не всеки може да си позволи цената на подобно придобиване. Но топлината в страната ще бъде гарантирана.
Много собственици на вили допълнително инсталират обикновени печки или камини в случай на липса на газ и електричество.
Но ако нищо не се случи с транспортирането на синьо гориво до дачата, инсталираният газов котел за подаване на топлина към къщата ще работи ефективно и трайно, създавайки уникална атмосфера на комфорт в нея.
Схема на лента
Газовото отопление на частна къща с помощта на бутилки има следните недостатъци: поради малкия обем се изисква честа подмяна (зареждане с гориво) на празни бутилки, както и трудности при контрола на качеството на зарежданото гориво. Газовите бутилки за отопление на селска къща могат да се разглеждат като временно решение преди инсталирането на пълноценна система или като резервна опция.


В процеса на изгаряне на природен газ не се образуват сажди и сажди, поради което не е необходимо постоянно да почиствате котела и комини. Има невероятен избор от модели газови съоръжения - едноконтурни, двуконтурни, атмосферни, турбо-, подови и окачени на стена котли. След като сте избрали най-оптималния модел, ще можете да организирате в селска къща не само висококачествена отоплителна система, но и водоснабдяване с топла вода.
Съществени елементи
Газовото отопление на частна къща по отношение на нивото на автоматизация по никакъв начин не отстъпва на електрическото. Процесът на контрол на работата на газовото оборудване може да бъде организиран с помощта на програмируеми стайни сензори и автоматика, зависима от времето, дистанционно управление - чрез SMS съобщения.
Всеки котел трябва да бъде оборудван със защитна система в случай на прекъсване на захранването и газа.Най-модерните модели са оборудвани с функция за предупреждение за код и програми за самодиагностика.


За защита срещу прекъсване на електрозахранването е необходим стабилизатор. За да предотвратите изключването на котела, когато захранването е напълно прекъснато, препоръчително е да инсталирате непрекъсваемо захранване.
Кратки инструкции


Схема за монтаж на парапетен газов котел.
Техническите документи, които съдържат характеристиките на терена и плана за подаване на газ от централната тръба, се изготвят и изпълняват от лицензирани организации. Това обикновено са техници за газова кампания.
Цялата инсталация на оборудване за свързване на газ (бойлери, бойлер, метър, тръби) се извършва от екип от монтажници.
Сключете договор за доставка на газ от централната тръба и договор за монтаж на оборудване. Това са напълно различни работни места и те се извършват според различни оценки.
Помещението, в което планирате да инсталирате газовото оборудване, трябва да има вентилация, прозорец, осветление и бетонен под. Ако искате да инсталирате целия комплект в кухнята, тогава ще трябва да пробиете дупки във вратите и да направите вентилация в близост до газови инсталации.
След приключване на инсталацията трябва да сключите договор за поддръжка на газово оборудване. Обадете се на служител от отдела за контрол на газа и съставете акт за пускане в експлоатация на оборудване и газомери.
Свързана статия: Как да затворите беседката отстрани: начини за защита на стените от лошо време
Вземете акта за влизане и сключете споразумение в отдела за обслужване на клиенти на газовата кампания за доставка на газ и заплащането му от брояча.
Изисквания за инсталиране
Газовата отоплителна система на частна къща трябва да бъде възможно най-безопасна. Във връзка с това се налагат доста строги изисквания към котелното помещение, в което се намира оборудването и са инсталирани газоснабдителните мрежи. Неспазването може да предизвика критично намаляване на нивото на безопасност. Котелното помещение трябва да бъде оборудвано с добра вентилация, отвори за прозорци за естествена светлина, газов анализатор, клапан за автоматично изключване на подаването на газ към котелното оборудване, свободно преминаване към всички уреди и устройства, а заграждащите конструкции трябва да имат определена ниво на пожароустойчивост и др.
Нежелателно е да се организира котелно помещение в мазето. Тъй като природният газ е много по-тежък от въздуха, в случай на изтичане той ще започне да се натрупва, образувайки експлозивна смес, когато се комбинира с атмосферен кислород.
За оборудване с отворена горивна камера в стаята трябва да присъства комин с определен дизайн. Като се вземат предвид големите габаритни размери на комина, той трябва да се вземе предвид дори на етапа на проектиране. Котлите със затворени горивни камери не изискват обемисти и скъпи комини с естествена тяга. В такива устройства се използва принудителна тяга, в това отношение е достатъчен тръбопровод с диаметър 10 cm за отстраняване на продуктите от горенето.


За да се извърши отопление на газ в частна къща (експертните прегледи потвърждават това) е безопасно, препоръчително е да се използват услугите на изключително сертифицирани специалисти. Проектирането, изборът на отоплителни схеми, изборът на газово оборудване, както и инсталирането на системата трябва да се извършват професионално и в пълно съответствие с изискванията на SNiPs, GOST и правилата за пожарна безопасност. Преди да започнете да експлоатирате нова отоплителна система, трябва да получите официално разрешение от регионалната или областната газова организация.
Отопление на газ: предимства
Не може да не се съгласим, че у нас най-достъпният и относително евтин вид гориво е природният газ.Днес планът за повсеместна газификация е в действие и дори най-отдалечените кътчета на държавата могат да използват отопление с газ за отопление на къщи. Газовото отопление на лятна вила е най-приемливият и изгоден вариант за уютно подобрение на дома. Предимствата на този тип отопление са значителни.
Вече беше казано за достъпната цена на газа. Трябва да се отбележи, че в допълнение към лекотата на инсталиране на оборудването, отоплението с газ е напълно непретенциозно при използване: горивото постъпва самостоятелно в котела, така че не са необходими усилия за зареждането и разтоварването му. Отоплението на лятна вила с газ е екологичен процес, горивото не оставя след себе си сажди и сажди, напълно изгаряйки. Парите, инвестирани в доставка на гориво, ще се изплатят много бързо. Освен това собственикът на дачата ще бъде освободен от ежегодното събиране на въглища и дървен материал, което ще увеличи шансовете за по-приятна почивка през лятото.
Преди да продължите с доставката на газ в къщата, е необходимо да съберете и подготвите документи. Не пренебрегвайте тази стъпка. Липсата на един необходим лист хартия може да доведе до спиране на работата.
Свързана статия: Висящи легла „направи си сам“: кръгли, правоъгълни, легла за хамак
Автономно отопление на газ
Ако сте закупили или построили например вила или имение, определено ще ви трябва автономно отопление на частна къща, газов котел, който ще стане неразделна част от него. Модерен дом без автономно отопление е просто невъзможно да си представим. И като цяло, как могат да бъдат хората там, ако през зимата температурата в стаята няма да се различава много от тази на улицата?
С инсталирането на собствена отоплителна система можете самостоятелно да понижите или увеличите нивото на отопление. А с какво да се отоплявате - дървесни брикети, дизелово гориво, газ - вие също избирате сами.


Монтаж на газово отоплително оборудване
При изгаряне природният газ не отделя такива вредни компоненти като:
- миризма;
- смог;
- дим;
- сажди.
Следователно, според всички параметри на околната среда, той се счита за безопасен.
Но, за да се избегне опасността от изтичане и натрупване на газ, се препоръчва да се извикат квалифицирани работници, които имат специални разрешения, за работа с такова оборудване.
Много специалисти правят монтаж на отоплително оборудване до ключ. Те инсталират само собствено оборудване, като се позовават на факта, че тяхното оборудване е устойчиво на износване и никога няма да има течове в него.
Но работата до ключ е свързана с пътуване до града и получаване на специални документи от съответните власти.
И въпреки че в интернет много видеоклипове ви казват как сами да инсталирате газово оборудване, прочетете следните съвети и не рискувайте напразно.
Съвет! Не се надявайте на съдбата. Не се опитвайте сами да инсталирате отоплителната система и не питайте „съсед, който знае ...“. Ако нещо се случи, съседът няма да ви помогне.
Планиране на отоплението на помещенията
Газовото отопление на частна къща, по-специално отоплението с котел, има редица нюанси, основният от които е подреждането на котелното помещение (или го изградете отделно, или преоборудвайте част от помещението за него със собствените си ръце ).


Процесът на подмяна на стара отоплителна система с нова
За планиране, на първо място, е необходимо да изберете газов котел и приблизително да изчислите необходимите параметри на цялата система.
Изчислението отчита региона (северния, южния), в който се намира вашата селска къща, коефициента на топлинни загуби (отделно за всяка сграда), обема на водата, загрята от котела, и броя на радиаторите.
Въз основа на резултатите от изчислението избираме мощността на отоплителния котел. В магазина ще ви бъдат предложени инструкции за всеки котел и лесно можете да направите избор. Но това е само половината от битката.
Според избрания от вас модел се установява нивото на сложност на работата, определя се инсталацията и нейната цена. Например, ако имате малко място, трябва да изберете опция за монтиране на стена от леки (по тегло) материали.
Това оборудване се инсталира без предварителна подготовка и почистване на повърхността на стената.
От друга страна, подовото оборудване заема голяма площ, но е много по-лесно и по-евтино да го инсталирате. Ако искате хромиран котел с много висока якост, ще трябва да платите висока цена.
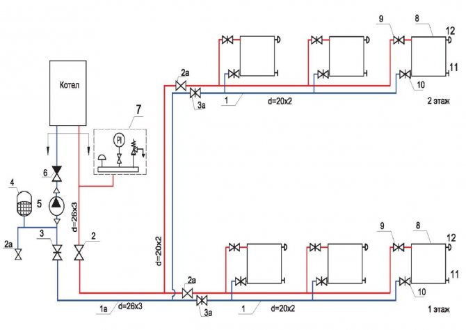
Система за отопление на дома с газов котел
Както става ясно от заглавието на този раздел, основното устройство в системата е газов отоплителен котел, от правилния избор на който зависи надеждната работа на всички компоненти на газовото отоплително оборудване.
Основните критерии за избор на котел са:
- осигуряване на зададената температура;
- консумация на газ;
- мощност.
По мощност котлите са разделени на три вида:
- малък - за дома (до 65 kW);
- среда за работилница (до 500 kW);
- котли с голяма мощност (над 500 kW) за огромни помещения.
Автономно отопление с втечнени газове
Най-оптималният вариант за отопление на собствения ви дом е оборудването на котелното помещение с необходимите компоненти. В този случай основната задача трябва да бъде не само организацията на отоплението, но инсталирането на печеливша и икономична отоплителна система. За оборудването трябва да бъдат избрани оптимална мощност и други максимално допустими параметри. Струва си да се отбележи, че много зависи и от избора на гориво. Например, газовото отопление на частна къща (цената зависи от вида на избраното гориво) може да работи на газ, дизелово гориво, въглища или електрическа енергия.
Днес автономното отопление може да се нарече най-изгодно от икономическа гледна точка. И основното е, че безспорното предимство на такава система е нейната безопасност за околната среда.





