02.12.2014
Много хора свързват електрическото отопление у дома с инсталирането на подходящи бойлери за вода с нагревателни елементи, конвектори или монтаж на топъл филмов под. Има обаче много повече възможности. В съвременните частни къщи са инсталирани електродни или йонни котли, в които чифт примитивни електроди прехвърлят енергия към охлаждащата течност без никакви посредници.
За първи път в Съветския съюз бяха разработени и внедрени котли за отопление от йонни тип за отопление на подводни отделения. Инсталациите не създаваха допълнителен шум, имаха компактни размери, нямаше нужда от тях да проектират изпускателни системи и ефективно нагрявана морска вода, която се използва като основен топлоносител.
Топлоносителят, който циркулира през тръбите и влиза в работния резервоар на котела, е в пряк контакт с електрическия ток. Йони, заредени с различни знаци, започват да се движат хаотично и се сблъскват. Поради полученото съпротивление охлаждащата течност се загрява.

- 1 История на външния вид и принцип на действие
- 2 Характеристики: предимства и недостатъци
- 3 Дизайн и спецификации
- 4 Видео урок
- 5 Прост самоделен йонен котел
- 6 Характеристики на монтаж на йонни котли
- 7 Производители и средна цена
История на външния вид и принцип на действие
Само за 1 секунда всеки от електродите се сблъсква с останалите до 50 пъти, променяйки своя знак. Поради действието на променлив ток течността не се разделя на кислород и водород, запазвайки структурата си. Повишаването на температурата води до повишаване на налягането, което принуждава охлаждащата течност да циркулира.
За да постигнете максимална ефективност на електродния котел, ще трябва постоянно да наблюдавате омичното съпротивление на течността. При класическа стайна температура (20-25 градуса) тя не трябва да надвишава 3 хиляди ома.


В отоплителната система не трябва да се излива дестилирана вода. Той не съдържа никакви соли под формата на примеси, което означава, че не трябва да очаквате то да се нагрява по този начин - между електродите няма да има среда за образуване на електрическа верига.
За допълнителни инструкции как сами да направите електроден котел, прочетете тук
Изработването на електроден котел самостоятелно е просто и ефективно
Изследването на термичния отоплителен кръг дава възможност да се направят електродни отоплителни котли със собствените си ръце.
Тук трябва да разгледате принципа на действие и свойствата на участващите елементи, а именно:
- електрод;
- вода;
- устройства за контрол и автоматизация.
При нагряване водата губи съпротивление и отделя енергия поради разделянето на водна молекула под въздействието на електрически ток, увеличава обема си и работи за нагряване на обема на помещението.
Това явление и неговите последици са добре проучени, поради което в момента котлите използват не обичайния състав на водата, а специално проектиран дестилиран, за да увеличат продължителността на работа.


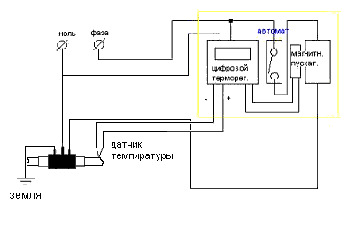
Свързване на еднофазен котел с автоматично управление
Инструкциите, дадени от един от авторите, които са патентовали своята версия на такъв електроден котел, ще ви кажат как изчисляването на необходимото количество топлина и отоплителна мощност на охлаждащата течност води до избора на схема за топлинно отопление. Показва се във видеото.
Дизайнът на електродния котел е много прост. Повредите на вътрешните части са практически изключени, поради което трайността на работата в продължение на много години надвишава TEN котли, чийто ресурс се изчерпва, първо, редовно и второ, е доста непредсказуемо.
Цената на електроден котел, направен по метода на автора, е няколко пъти по-ниска от същата фабрично изработена версия.
Фабричният електроден котел обаче е и много икономичен в експлоатация поради използването на нискокалорично гориво и добра система за автоматизация на работата. В същото време не се изисква поддръжка, няма оперативни разходи.
В зависимост от специфичните нужди има различни схеми за свързване на котела към цялостната система:
- паралелно с други котли;
- монофазни;
- трифазен котел;
- свързване на блокове за регулиране и автоматично управление.
Електродният котел може да се използва както за отопление, така и за отопление на вода в бани и кухни за битови нужди. Ето схемите на свързване за различни приложения.


Свързване на електроден котел като проточен бойлер
Етапи
Последователността на работата при производството на електроден котел със собствените си ръце е следната:
- планиране на схемата на отоплителната система. Възможна е едноконтурна схема, използвана за отопление, или двуконтурна - за осигуряване на топла вода и отопление;
- монтаж и заземяване на котела за неутрализиране на статично електричество;
- осигуряване на циркулацията на водата чрез повишаване на температурата на нейното нагряване;
- използването на ефективни батерийни материали, които взаимодействат добре с охлаждащата течност;
- нивото на автоматизация на подаването на топлина се регулира от устройството за измерване на стайната температура.


Свързване на котела без принудителна рециркулация
Съвети. Когато използвате тази схема за свързване на котела, обърнете внимание на посочените ъгли на наклон и диаметри на водопроводите, тъй като това ще осигури правилна циркулация.
Характеристики: предимства и недостатъци
Електронният котел с йонен тип се характеризира не само с всички предимства на електрическото отоплително оборудване, но и със собствените си характеристики. В обширен списък могат да бъдат разграничени най-значимите:
- Ефективността на инсталациите клони към абсолютния максимум - не по-малко от 95%
- В околната среда не се отделят замърсители или йонни лъчения, вредни за хората
- Висока мощност в тяло с относително малък размер в сравнение с други котли
- Възможно е да се инсталират няколко блока наведнъж, за да се увеличи производителността, отделно инсталиране на йонен тип котел като допълнителен или резервен източник на топлина
- Малката инертност позволява бързо реагиране на промените в температурата на околната среда и пълна автоматизация на отоплителния процес чрез програмируема автоматизация
- Няма нужда от комин
- Оборудването не се уврежда от недостатъчното количество охлаждаща течност в работния резервоар
- Пренапреженията на напрежението не оказват влияние върху ефективността и стабилността на отоплението


Можете да разберете как да изберете електрически котел за отопление тук
Разбира се, йонните котли имат многобройни и много значителни предимства. Ако не вземете предвид негативните аспекти, които възникват по-често по време на експлоатацията на оборудването, всички предимства се губят.
Сред негативните аспекти заслужава да се отбележи:
- За работа на оборудване за йонно отопление не използвайте източници на постоянен ток, които ще предизвикат електролиза на течността
- Необходимо е постоянно да се следи електрическата проводимост на течността и да се вземат мерки за нейното регулиране
- Трябва да се погрижите за надеждно заземяване. Ако се повреди, рисковете от токов удар се увеличават значително.
- Забранено е използването на нагрята вода в едноконтурна система за други нужди.
- Много е трудно да се организира ефективно отопление с естествена циркулация, необходима е инсталация на помпа
- Температурата на течността не трябва да надвишава 75 градуса, в противен случай консумацията на електрическа енергия рязко ще се увеличи
- Електродите се износват бързо и трябва да се сменят на всеки 2-4 години
- Невъзможно е да се извърши ремонт и пускане в експлоатация без участието на опитен майстор


За други методи за електрическо отопление у дома прочетете тук.
Подводни енергийни системи
От началото на 20-ти век за подводни подводници се използват електрически двигатели, задвижвани от батерии. Батериите се зареждаха на повърхността от електрически генератори, задвижвани от дизелови двигатели.
Появата на ядрени подводници (ядрени подводници) след Втората световна война не спира строителството на дизелово-електрически подводници. По-тихи, по-евтини, неядрени подводници, способни да работят в плитки води, все още са в експлоатация на повечето световни флоти.
ОБЩО УСТРОЙСТВО
Електрическата система на дизелово-електрическите подводници (дизел-електрически подводници), в класическата схема, се състои от акумулаторни батерии, дизелов генератор, задвижващ двигател, спомагателни двигатели и други потребители на електроенергия.


Подводният двигател на дизеловата електрическа подводница винаги е бил електрически мотор, захранван от акумулаторни батерии. Той не се нуждае от кислород, за да работи, безопасен е и има приемливо тегло и размери. Но сериозно ограничение на използването му е малкият капацитет на батериите. Поради тази причина непрекъснатият подводен преход на дизеловата електрическа подводница е ограничен и зависи от начина на движение. Когато шофирате с икономична скорост, батериите трябва да се зареждат на всеки 300-350 мили. А при шофиране с пълна скорост - на всеки 20-30 мили. С други думи, подводницата може да се движи в потопено положение, без да се зарежда със скорост 2-4 възела в продължение на три или повече дни или час и половина със скорост повече от 20 възела.
Прочетете: Електроцентрали на първите подводници
Тъй като размерът и теглото на подводниците са силно ограничени, електрическите двигатели и дизелите съчетават различни функции. Електрическият мотор може да работи като обратима машина. Той консумира електричество по време на шофиране или го генерира за зареждане на батерии. Дизелът може да бъде двигател, който задвижва витло или електрически генератор, и може да бъде бутален компресор, ако се задвижва от електрически двигател.
След 50-те години на миналия век дизеловите електрически подводници практически изчезват, при които дизеловият двигател ще работи директно върху витлото. Витлото вече се задвижва изключително от електрически мотор. (Това не се отнася за ядрени подводници, чиито витла се задвижват от парна турбина). Дизелът само върти генератора. Тази схема дава възможност за работа на дизеловия двигател в постоянен, оптимален режим на работа и дава възможност за разделяне на задвижващите електродвигатели (PRM) и генераторите. Използването на тези устройства в индивидуален режим повишава ефективността и на двете и следователно увеличава подводния резерв на мощност. Недостатъците включват двойното преобразуване на енергията - първо механична в електрическа, след това обратно - и свързаните с това загуби. Но трябва да се примирим с това, тъй като основният е режимът на зареждане на батериите, а не режимът на консумация за GED.
ТЕКУЩО СЪСТОЯНИЕ НА DEPL
Както беше посочено, всички съвременни дизелово-електрически подводници използват изцяло електрическо задвижване. Повечето лодки с пълно електрическо задвижване преди са имали два двигателя: основен и икономичен. В съвременните проекти тяхната роля се играе от един двигател с два режима на работа. Презареждането на батериите се извършва на повърхността или на дълбочина на перископ с помощта на шнорхел - устройство за работа на двигателя под вода (RDP). Нов етап в развитието на дизеловите електрически подводници беше използването на горивни клетки на основата на различни химични съединения. Това даде възможност, по-специално, да се увеличи обхватът на непрекъснатата подводна навигация с икономическа скорост от пет до десет пъти и да се намали шумът на подводницата.Независимо от това, инсталациите с горивни клетки все още не осигуряват необходимите оперативни и тактически характеристики на подводниците, главно по отношение на извършване на високоскоростни маневри при преследване на цел или избягване на вражеска атака. Следователно съвременните подводници са оборудвани с комбинирана задвижваща система. За движение с висока скорост под вода се използват батерии или горивни клетки, а за плаване по повърхността се използва традиционната двойка „дизелов генератор - електрически двигател“.
Прочетете: Операция KAMA
АНАЕРОБНИ ЕЛЕКТРОУСТАНОВКИ
По-нататъшното развитие на неядрени подводници е свързано с използването на анаеробни (независими от въздуха) електроцентрали. Има четири основни типа анаеробни електроцентрали: дизелов двигател със затворен цикъл (CCD), двигател на Стърлинг (DS), горивна клетка или електрохимичен генератор (ECG) и парна турбина със затворен цикъл. Най-обещаващото направление е използването на двигатели на Стърлинг. Използването на този двигател значително увеличава времето, в което лодката остава в потопено положение, без сериозни загуби по други показатели.
Разработването на подводници със спомагателни задвижващи агрегати, независими от въздуха, започва преди повече от 30 години, но са построени малко повече от дузина такива лодки - това са шведският проект „Gotland“, френският „Saga“, японският „Soryu ".
В момента всички подводници на шведския флот са оборудвани с DS, а шведските корабостроители вече са разработили добре технологията за оборудване на подводници с тези двигатели. Използването на DS позволява тези подводници да бъдат под вода непрекъснато до 20 дни.
Ха ха
Еха
Удовлетворен
Тъжно
Ядосан
Гласувах благодаря!
Може да се интересувате от:
- Дизел-електрически инсталации на подводници
- Подводници от проект 636 "Варшавянка"
- Колумбийският флот укрепва подводния си флот
- Електроцентрали на неядрени подводници
- Дизел-електрически подводници (DPL или DPL)
- Подводници тип 209
- Подводни двигатели на Стърлинг
- Дизел-електрически подводници тип S
- Парна генераторна анаеробна електроцентрала MESMA
- Мини-подводници тип D
- Електрически задвижващи системи на кораби
- Подводници по проект 641
Абонирайте се за
нашия канал в Yandex.Zen
Устройство и технически характеристики
На пръв поглед конструкцията на йонен котел е сложна, но е проста и не е задължителна. Външно това е стоманена безшевна тръба, която е покрита с полиамиден електроизолационен слой. Производителите са се опитали да предпазят хората възможно най-много от токов удар и скъпи течове на енергия.
В допълнение към тръбното тяло, електродният котел съдържа:
- Работният електрод, който е направен от специални сплави и се държи от защитени полиамидни гайки (при модели, работещи от 3-фазна мрежа, са предвидени три електрода наведнъж)
- Входни и изходни дюзи на охлаждащата течност
- Заземителни клеми
- Терминали, захранващи шасито
- Гумени изолационни уплътнения
Формата на външната обвивка на йонни отоплителни котли е цилиндрична. Най-често срещаните домакински модели отговарят на следните характеристики:
- Дължина - до 60 см
- Диаметър - до 32 см
- Тегло - около 10-12 кг
- Мощност на оборудването - от 2 до 50 kW


За битови нужди се използват компактни еднофазни модели с мощност не повече от 6 kW. Има достатъчно от тях, за да осигурят напълно вила с площ от 80-150 квадратни метра с топлина. За големи индустриални зони се използва 3-фазно оборудване. Инсталация с мощност 50 kW може да отоплява помещение до 1600 кв. М.
Въпреки това, електродният котел работи най-ефективно във връзка с автоматиката за управление, която включва следните елементи:
- Стартер блок
- Защита от пренапрежение
- Контролер за управление
Освен това могат да се инсталират контролни GSM модули за дистанционно активиране или деактивиране. Ниската инертност позволява бърза реакция на температурните колебания в околната среда.
Трябва да се обърне дължимото внимание на качеството и температурата на охлаждащата течност. Оптималната течност в отоплителна система с йонен котел се счита за нагрята до 75 градуса. В този случай консумацията на енергия ще съответства на посочената в документите. В противен случай са възможни две ситуации:
- Температура под 75 градуса - консумацията на електроенергия намалява заедно с ефективността на инсталацията
- Температури над 75 градуса - консумацията на електроенергия ще се увеличи, но и без това високите нива на ефективност ще останат същите
Прост йонен котел със собствените си ръце
След като се запознахте с характеристиките и принципа, по който функционират котлите за йонно отопление, е време да зададете въпроса: как да сглобите такова оборудване със собствените си ръце? Първо трябва да подготвите инструмента и материалите:
- Стоманена тръба с диаметър 5-10 cm
- Наземни и неутрални клеми
- Електроди
- Кабели
- Метален тройник и съединител
- Упоритост и желание


Преди да започнете да сглобявате всичко, има три много важни правила за безопасност, които трябва да запомните:
- Към електрода се прилага само фаза
- Към тялото се подава само неутралната жица
- Трябва да се осигури надеждно заземяване
За да сглобите котел с йонни електроди, просто следвайте инструкциите по-долу:
- Първо се подготвя тръба с дължина 25-30 см, която ще действа като тяло
- Повърхностите трябва да са гладки и без корозия, прорезите от краищата се почистват
- От една страна електродите се монтират с помощта на тройник
- Също така се изисква тройник за организиране на изхода и входа на охлаждащата течност.
- От втората страна направете връзка с отоплителната мрежа
- Поставете изолиращо уплътнение между електрода и тройника (подходяща е топлоустойчива пластмаса)


- За да се постигне плътност, резбовите връзки трябва да бъдат точно съчетани помежду си.
- За фиксиране на нулевата клема и заземяване към тялото са заварени 1-2 болта
Събирайки всичко, можете да вградите котела в отоплителната система. Такова домашно приготвено оборудване е малко вероятно да може да отоплява частна къща, но за малки полезни площи или гараж това ще бъде идеалното решение. Можете да затворите устройството с декоративно покритие, като същевременно се опитвате да не ограничавате свободния достъп до него.
Електрически йонни котли
Такива котли работят на принципа на нагряване на вода (топлоносител) по метод на йонизация. Този процес протича по следния начин:
Когато котелът е включен към мрежата, водните молекули се разделят на положителни и отрицателни йони, които вибрират между два електрода (анод и катод). По време на този процес се генерира топлинна енергия. Той незабавно се прехвърля към охлаждащата течност, която го разпределя в цялата отоплителна система.
Такива единици се използват като автономна отоплителна система. Те се различават от котлите с нагревателни елементи в малки размери, както и в блок от електроди, който има висока производителност и ефективност. Към водата допълнително се добавя готварска сол, която играе ролята на топлоносител. Това е необходимо, за да се увеличи електрическото съпротивление на водата. За да се избегне метална корозия или образуване на котлен камък, вместо вода в системата се излива антифриз, разработен специално за йонни котли.
Електродните котли първоначално са били използвани само за военни цели за отопление на подводници или военни кораби. След това, след леко промяна на дизайна, разработчиците започнаха да произвеждат котли за битови или промишлени цели.
Например, котелът Galan е произведен в съответствие с всички установени норми за военно оборудване, тъй като производителите са специализирани в производството на инструменти за подводници и кораби.
Характеристики на монтаж на йонни котли
Предпоставка за инсталиране на йонни отоплителни котли е наличието на предпазен клапан, манометър и автоматичен обезвъздушител. Оборудването трябва да бъде разположено във вертикално положение (хоризонтално или под ъгъл е неприемливо). В същото време около 1,5 м от захранващите тръби не са поцинкована стомана.
Нулевият терминал обикновено се намира в долната част на котела. Към него е свързан заземителен проводник с съпротивление до 4 ома и напречно сечение над 4 mm. Не разчитайте само на RAM - тя не може да помогне с токове на утечка. Съпротивата също трябва да отговаря на правилата на PUE.
Ако отоплителната система е напълно нова, няма нужда да подготвяте тръбите - те трябва да са чисти отвътре. Когато котелът се срине във вече работеща линия, е задължително да се промие с инхибитори. На пазарите има широка гама от продукти за премахване на котлен камък, мащаб и котлен камък. Всеки производител на електродни котли обаче посочва тези, които счита за най-добрите за своето оборудване. Тяхното мнение трябва да се придържа. Пренебрегването на промиването няма да успее да установи точно омично съпротивление.
Много е важно да изберете отоплителни радиатори за йонния котел. Модели с голям вътрешен обем няма да работят, тъй като за 1 kW мощност ще са необходими повече от 10 литра охлаждаща течност. Котелът ще работи постоянно, прахосвайки напразно част от електричеството. Идеалното съотношение на мощността на котела към общия обем на отоплителната система е 8 литра на 1 kW.


Ако говорим за материали, по-добре е да инсталирате модерни алуминиеви и биметални радиатори с минимална инерция. При избора на алуминиеви модели се дава предпочитание на материала от първичен тип (не претопен). В сравнение с вторичния, той съдържа по-малко примеси, намалявайки омичното съпротивление.
Чугунените радиатори са най-малко съвместими с йонен котел, тъй като са най-податливи на замърсяване. Ако няма начин да ги замените, експертите препоръчват да се спазват няколко важни условия:
- Документите трябва да показват съответствие с европейския стандарт
- Задължително инсталиране на груби филтри и уловители на утайки
- За пореден път се произвежда общият обем на охлаждащата течност и се избира оборудване, подходящо за мощност
Йонен котел "Галан"
За битови нужди котлите Galan се произвеждат от серията Ochag, която има няколко модела:
«Огнище2»- предназначен за отопление на помещение с не повече от 80 м3. Консумацията на енергия на уреда е 2 kW. Котелът работи от 220 V. При нормална топлоизолация на помещението консумацията на електроенергия се колебае в рамките на 0,5 kW / h. Препоръчителното количество охлаждаща течност варира между 20-40 литра.
«Огнище 3»- Може да отоплява помещение с обем 120 м3. Мощността на котела е 3 kW. Енергията се консумира в рамките на 0,75 kW / h. Течностите за отопление на системата се нуждаят от 25 до 50 литра.
«Огнище 5»- използва се в помещения с обем не повече от 180 м3. Котелът е с мощност 5 kW. Консумира около 1,25 kWh. Обемът на охлаждащата течност варира между 30-60 литра. "Hearth 6" - с възможност за отопление 200m3. Консумацията на енергия е 6 kW, а консумацията е 1,5 kW / h. Препоръчва се от 35 до 70 литра. антифриз.
Само специално разработената течност Potok, която предотвратява корозията на тръбите, може да се излива в котелната система Galan.









