Ремонт и декорация
03.06.2018 Анастасия Прожева
Автоматизиран блок за управление е набор от оборудване и устройства, предназначени да осигурят автоматично регулиране на температурата и дебита на охлаждащата течност, което се извършва на входа на всяка сграда в съответствие с температурния график, необходим за конкретна сграда. Корекции могат да бъдат направени и според нуждите на обитателите.

Комплект тръбопроводи за бойлер.
Сред предимствата на AUU, ако го сравним с асансьорни и отоплителни тела, които имат фиксирано напречно сечение на проходния отвор, е възможността за промяна на количеството на охлаждащата течност, което зависи от температурата на водата при връщането и захранващи тръбопроводи.
Обикновено се инсталира автоматизиран блок за управление за цялата сграда, което го отличава от асансьор, който е монтиран на всяка секция на къщата.
В този случай инсталацията се извършва след уреда, който отчита топлинната енергия на системата.


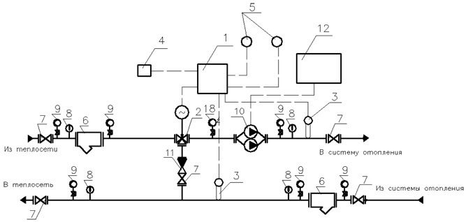
Изображение 1. Схематична диаграма на AUU със смесителни помпи на преградата за температури до AUU t = 150-70 ˚C с едно- и двутръбни отоплителни системи с термостати (P1 - P2 ≥ 12 mWC).
Автоматизираният блок за управление е представен чрез диаграма, илюстрирана от ИМИДЖ 1. Диаграмата осигурява: електронен блок (1), който е представен от контролен панел; сензор за ниво на външна температура (2); температурни сензори в охлаждащата течност в тръбопроводите за връщане и подаване (3); клапан за регулиране на дебита, оборудван с редуктор (4); клапан за регулиране на диференциалното налягане (5); филтър (6); циркулационна помпа (7); възвратен клапан (8).
Както показва диаграмата, управляващият блок се състои основно от 3 части: мрежа, циркулация и електронна.
Мрежовата част на AUU включва клапан за регулатор на потока на топлоносител с редуктор, задвижващ клапан за диференциално налягане с пружинен регулиращ елемент и филтър.
Циркулационната част на блока за управление включва смесителна помпа с възвратен клапан. Двойка помпи служи за смесване. В този случай трябва да се използват помпи, които отговарят на изискванията на автоматичния агрегат: те трябва да работят последователно с цикъл от 6 часа. Тяхната работа трябва да се наблюдава чрез сигнал от сензора, който е отговорен за диференциалното налягане (сензорът е монтиран на помпите).
Свързана статия: Какво може да се направи от стара пералня?
Как работи
Принципът на действие на блока за управление на отоплителната система е много прост:
Когато външната температура спадне, например до -20 ° C, блокът за управление на отоплението подава повече топлина в помещенията, като по този начин поддържа вътрешната температура на необходимото ниво, например +20 ° C.


И обратно.
Когато външната температура се повиши, например до + 5 ° C, модулът за управление на времето, както се нарича още, доставя по-малко топлина в помещенията.
По този начин се намалява консумацията на топлина, а температурата в помещенията остава на нивото, от което се нуждаем, например +20 ° С и не се повишава до +28 ° С, както често се случва при рязко затопляне.


Температурата не се повишава до +28 ° С
И ако е научно, блокът за управление на времето е проектиран да осигурява и поддържа необходимата температура на охлаждащата течност в захранващия тръбопровод, в зависимост от температурата на външния въздух.
Ползи


Лесно е да управлявате системата със собствените си ръце от всяко разстояние.
Какви са предимствата на използването на автоматичен блок за управление на отоплението?
Модерен контролер с комуникационен модул ви позволява да получите следните предимства и предимства:
- Фината настройка на системата в реално време ви позволява да постигнете максимални икономии с подходящо ниво на комфорт;
- Можете да постигнете точно такива температурни и климатични параметри на помещението, колкото искате, и за това е достатъчно само да зададете стойностите на желаните температури;
- Системата за незабавно уведомяване за аварийни режими и извънредни събития значително повишава надеждността и безопасността на работата;
- Имате възможност да напуснете къщата с работеща отоплителна система и да наблюдавате дистанционно нейното състояние, както и да контролирате режимите на работа, да включвате или изключвате оборудването от разстояние;
- Зимно посещение на селска къща с изключено отопление изисква влизане в студено помещение, разтопяване на уреда и изчакване няколко часа, докато стаята се затопли. Сега можете да дадете команда за предварително включване и да не губите време.


Трябва само да извадите телефона си.
Можете сами да сглобите и свържете системата за управление - за това не са необходими разрешения или одобрения. Работата е лесна за изпълнение, следвайки инструкциите на производителя. Цената на комплекта може да варира от 4 до 40 хиляди рубли, в зависимост от конфигурацията и производителя.
Важно! Повечето модули имат конектори за свързване на допълнителни сензори, с които можете да организирате контрол върху отварянето на прозорци и врати, слушане или наблюдение и други полезни функции.
Основните предимства на инсталирането на автоматизиран блок за управление на отоплението
Както вече казахме, целта на тази енергоспестяваща мярка е да оптимизира потреблението на топлинна енергия в сградата, а именно:
- значително намаляване на разходите за отопление на сгради и конструкции,
- подобряване на качеството и надеждността на топлоснабдяването,
- автоматично регулиране на топлоснабдяването на сгради и конструкции,
- възможност за дистанционно наблюдение на параметрите на охлаждащата течност и режимите на работа на оборудването за топлоснабдяване,
- способността, без допълнителни разходи, да преконфигурира работата на отоплителната система, например след изолиране на фасади, подмяна на прозорци, обновяване на сграда,
- автоматизация на системата за измерване на потреблението на топлинна енергия.
Както показва практиката, автоматизираният блок за управление (AUU) спестява около 25% - 37% от топлинната енергия и осигурява комфортни условия на живот във всяка стая.


Спестяване на топлинна енергия
Сега все повече хора мислят за енергоспестяващи проблеми. И това не е изненадващо - защо да плащате за отопление, когато можете да спестите от него? Най-лесният начин за пестене на топлинна енергия е инсталирането на измервателни уреди (блокове за измерване на топлината). Този метод се използва от 10 години и позволява да се намали плащането за топлинна енергия с 20-30%. Практиката показва, че средно инсталирането на блок за измерване на топлина за жилищна сграда се изплаща в рамките на един отоплителен сезон. Ако вече сте инсталирали уред за измерване на топлината и сте усетили какъв ефект дава - не спирайте. Можете да отидете по-далеч по този въпрос. Има няколко начина да намалите консумацията на енергия и в резултат на това да намалите разходите си.
Основните начини за пестене на енергия: автоматично регулиране на температурата на охлаждащата течност в отоплителната система и намаляване на топлинните загуби на заграждащата конструкция.
Първият начин за пестене на енергия чрез инсталиране на автоматична система за управление се дължи на два фактора. Първо, автоматичното управление ви позволява да поддържате оптималната стайна температура въз основа на външната температура, намалявайки дебита на топлоносителя от отоплителната мрежа по време на резки температурни колебания.Това се дължи на повторното използване на част от охлаждащата течност в отоплителната система на сградата, тъй като е необходимо много по-малко количество охлаждаща течност от отоплителните мрежи, за да се осигури необходимата температура. Тази опция е подходяща за жилищни, обществени и офис сгради. На второ място, за промишлени предприятия, благодарение на автоматичното регулиране, можем да зададем необходимата температура на охлаждащата течност в момент, когато помещението не се използва (през нощта, празници и почивни дни). По този начин има намаляване на потреблението на топлинна енергия и, следователно, спестяване на топлинна енергия. Одобрените стандарти за потребление на топлинна енергия понастоящем не отразяват реалната картина на потреблението на топлоносителя от сградите и са надценени.
Инсталирането на единица за измерване на топлина ви позволява да преминете към изчисления за действително консумираното количество енергия, както и да намалите нейното потребление.
Организацията за електрозахранване не регулира изцяло подаването на охлаждащата течност, което води до очевидно прекомерно потребление на енергийни ресурси и в резултат на разходите за отопление.
Наличието на добре функционираща система за автоматизация за подаване на топлинна енергия директно в сградата, както и правилната организация и настройка на отоплителната система, могат значително да намалят консумацията на топлинна енергия за отоплителни нужди. При свързване на отоплителната система на сграда според зависима схема (без централна отоплителна станция) разходите за отопление могат да бъдат намалени с до 50% през преходния период, а при свързване на отоплителна система по независима схема (регулиране при централна централа за отопление), разходите могат да бъдат намалени с 10-15%, в зависимост от качеството на регулиране в централата за централно отопление. Също така, устройството за автоматизиране на подаването на топлинна енергия ще позволи да се постигнат оптимални комфортни условия в жилищните помещения, подобрявайки условията на живот на жителите.
Кога е препоръчително да инсталирате AUU - примери и изчисляване на периода на изплащане
Нека да разгледаме 3 примера за инсталиране на измервателен уред и да изчислим периода на изплащане за това събитие.
Всички примери са от реалния живот и се основават на проведени от нас енергийни проучвания.
И така, имаме три административни сгради (офиси):
- Сграда 1 с площ от 1300 м2
- Сграда 2 с площ от 4800 м2
- Сграда 3 с площ от 18 500 м2
И трите сгради се намират в Москва.
Ето основните резултати от инсталирането на блок за управление на отоплителна система:
| Площ, м2 | Общо потребление на топлина за отоплителния период преди инсталирането на AUU | Общо потребление на топлина за отоплителния период след инсталирането на AUU | Намаляване на консумацията на топлина Gcal | Цената на Gcal хиляди рубли. (2018 г.) | Спестявания за отоплителния период хиляди рубли. | |
| Сграда No1 | 1 300 | 340 | 266 | 74 | 2,0 | 148 |
| Сграда No2 | 4 800 | 550 | 418 | 132 | 2,0 | 264 |
| Сграда No3 | 18 500 | 4 400 | 3 720 | 680 | 2,0 | 1 360 |
Както се вижда от таблицата, инсталирането на блок за управление на отоплението спомогна за намаляване на консумацията на топлина по време на отоплителния период чрез:
- Сграда № 1 - 74 Gcal,
- Сграда №2 - 132 Gcal,
- Сграда No 3 - 680 Gcal.
Такава значителна разлика в намаляването на потреблението се дължи главно на:
- размера на сградите (площ и етажи)
- брой часове работа,
- назначаване.
Следващата таблица показва:
- спестяване на топлина за отоплителния период (въз основа на цената от 2 хиляди рубли за Gcal)
- разходите за инсталиране и инсталиране на блока за управление на отоплението и
- период на изплащане.
| Спестявания за отоплителния период хиляди рубли. | Разходи за AUU (оборудване и монтаж) | Прост период на изплащане в години | |
| Сграда No1 | 148 | 1 556 | 10,5 |
| Сграда No2 | 264 | 1 856 | 7,0 |
| Сграда No3 | 1 360 | 2 000 | 1,5 |
Основното заключение, което можем да направим от изчисляването на периода на изплащане на AUU
Препоръчително е да се инсталира автоматизиран блок за управление на отоплението в сгради със значително потребление на топлинна енергия и в сгради с прегряване.
В малки сгради и сгради с ниска консумация на топлинна енергия, автоматизираният блок за управление на отоплението ще се изплати много дълго или никога.
В малки сгради е по-препоръчително да се ревизират асансьорните възли или да се инсталират, както и да се инсталира система от балансиращи клапани на основните щрангове на отоплителната система.


Блок за управление на отоплителната система
Грешки в процеса на въвеждане на автоматичен възел


Блок за управление на отопление и топла вода според независима верига за отопление и подаване на топла вода според затворен кръг.
Грешки могат да възникнат дори по време на планиране и последваща организация на работата по внедряването на отоплителната система. По време на избора на техническо решение често се допускат определени грешки. Не бива да се пренебрегват правилата за изграждане на индивидуална отоплителна точка. В крайна сметка по време на монтажа на блока за управление на отоплението може да възникне дублиране на функционалността на оборудването, което е инсталирано в централната отоплителна станция, което от своя страна противоречи на правилата за експлоатация на топлинните инсталации. Така че, инсталирането на блокове за управление на отоплението с балансиращ клапан може да доведе до високо хидравлично съпротивление в системата, което ще доведе до необходимост от подмяна или реконструкция на термично и механично оборудване.
Непълната инсталация на блокове за управление на отоплението също може да се нарече грешка, която със сигурност ще наруши установения топлинен и хидравличен баланс във вътрешните тримесечни мрежи. Това ще доведе до влошаване на работата на отоплителната система в почти всяка свързана сграда. Необходимо е да се направи термична настройка по време на работа на отоплителното оборудване.
Грешки често възникват в процеса на влизане в блок за управление на отоплението на етапа на проектиране. Това се дължи на липсата на работещи проекти, използването на стандартен проект, лишен от изчисления, обвързване и избор на оборудване при определени условия. Резултатът е нарушение на режимите на топлоснабдяване.
Защо е по-изгодно да се инсталира AUU в сгради с висока консумация на топлина?
Устройството за управление на отоплението струва приблизително еднакво за големи и малки сгради (разликата в цената на оборудването и инсталацията е 20% -30%).
В същото време голяма сграда може да спести 5-10 пъти повече топлинна енергия от малка сграда.
В нашия пример виждаме:
- Блокът за управление на отоплението се изплаща за 10,5 години в сграда No1, с площ от 1300 м2 и консумация на топлина от 340 Gcal преди инсталирането на AUU.
- Същата единица се изплаща за 1,5 години в сграда № 3, с площ от 18 500 м2 и консумация на топлина преди инсталирането на 4 400 Gcal AUU.
Нашият анализ и изчисление не са универсални.
Те ви дават само основно разбиране в кои сгради е по-целесъобразно да инсталирате автоматизирани блокове за управление на отоплението.
Препоръчваме да направите изчисление на осъществимостта и срока на възвръщаемост на блока за управление на отоплението поотделно за всяка сграда, въз основа на конкретните обстоятелства и условия.
Как е инсталирането на автоматизиран блок за управление на отоплителната система
Няма фундаментална промяна в схемата за топлоснабдяване на сграда при инсталиране на автоматизиран блок за управление на отоплителната система (AUU).
За разлика от асансьорните единици, инсталирани на всяка секция на къща, AUU се монтира, като правило, по една на сграда.
Свързването на блока за управление се извършва след модула за измерване на топлинната енергия.
Устройството за управление на времето включва следните елементи:
- контролен елемент,
- контролен клапан с изпълнителен механизъм,
- циркулационна помпа,
- сензори за външна температура,
- датчици за стайна температура.
Контролният елемент на блока за управление на времето ви позволява ръчно да променяте настройките, които определят режима на работа на отоплителната система и ви позволяват да поддържате различни температури в сградата по различно време.
Например в офис сгради през уикендите и празниците можете да намалите температурата на въздуха вътре до +12 ° C.
През делничните дни температурата може да се повиши до +18 ° C.
Диаграмата и общия изглед на автоматизирания блок за управление на времето са показани на фигурите по-долу.


Схемата предвижда:
- автоматично превключване между основната и резервната помпа в случай на повреда на една от помпите,
- възможността за въвеждане на гъвкав график за регулиране на температурата на въздуха в помещенията, като се вземат предвид нощното време, почивните дни и празниците за целия отоплителен сезон,
- задължителен контрол на температурата на връщащия топлоносител,
- поддържане на температурния график.
Температурата на отоплителната система се контролира чрез промяна на производителността на клапана и добавяне на отоплителна вода с помощта на циркулационна помпа.
По време на работа контролерът:
- периодично анкетира сензорите за температура на охлаждащата течност, вътрешния сензор за въздух (ако има такъв) и сензора за външен въздух,
- обработва получената информация и
- генерира контролни сигнали, даващи команда на задвижващия механизъм за отваряне или затваряне.
Управляващото действие от контролера променя отвора на областта на потока на управляващия клапан.
При липса на вътрешен сензор за въздух, основният приоритет на управлението е поддържането на температурния график.
Допълнителни изисквания при пускане в експлоатация на отоплителния блок


Блок за управление на отопление и топла вода според независима схема.
Избраните схеми за инсталиране на блокове за управление на отоплението може да не отговарят на необходимите, което се отразява отрицателно на топлоснабдяването. Също така се случва, че към момента на пускане на системата в експлоатация използваните технически условия не съответстват на реалните параметри. Това може да доведе до неправилен избор на оформлението на възела.
По време на пускането в експлоатация на блока за автоматизация трябва да се има предвид, че отоплителната система е можела преди това да бъде подложена на основен ремонт и реконструкция, по време на която веригата може да бъде сменена от еднотръбна на двутръбна. Проблеми могат да възникнат, когато възел се изчислява за система, която е била преди реконструкцията.
Процесът на въвеждане на системата в експлоатация не трябва да се извършва през зимата, така че системата да бъде стартирана своевременно.


Схема на автоматизиран блок за управление на отоплителната система (AUU) у дома.
Трябва да се помни, че сензорите за температура на въздуха трябва да бъдат монтирани от северната страна, което е необходимо за правилната настройка на температурния режим, като в този случай слънчевата радиация не може да повлияе на нагряването на сензора.
По време на процеса на въвеждане в експлоатация трябва да се осигури резервно захранване на блока, което ще помогне да се избегне спирането на централната отоплителна система в случай на прекъсване на електрозахранването. Необходимо е да се извърши настройка и пускане в експлоатация, както и мерки за намаляване на шума, уредът трябва да се обслужва. Трябва да се отбележи, че неспазването на едно или повече от правилата може да доведе до незагряване на системата, а липсата на амортисьорно оборудване ще доведе до неудобен шум.
Въвеждането на контролния блок трябва да бъде придружено от проверка на издадените технически условия, те трябва да съответстват на действителните данни. И техническият надзор трябва да се извършва на всеки етап от работата. След приключване на цялата работа по системата трябва да започне поддръжката на блока, която се извършва от специализирана организация. В противен случай престойът на скъпо оборудване на автоматизиран блок или неговата неквалифицирана поддръжка може да доведе до отказ и други негативни последици, включително загуба на техническа документация.
Ефективно използване на автоматизирани измервателни станции
Използването на AUU е най-ефективно:
- в големи сгради със значителен разход на топлина,
- в къщи, свързани към градски отоплителни мрежи,
- в сгради с недостатъчен спад на налягането в централната отоплителна система и със задължително инсталиране на помпи за централно отопление,
- в сгради с децентрализирано водоснабдяване с топла вода и централно отопление.


Автоматичен блок за управление
Назначаване


Автоматичният блок за управление е персонална отоплителна точка, предназначена да контролира параметрите на охлаждащата течност, циркулираща в отоплителната система, в зависимост от температурните показатели в помещението, отвън, в захранващите и връщащите тръбопроводи на веригата.
В допълнение, системата ви позволява да внедрите защита срещу извънредни ситуации, превключване на режимите на работа на оборудването, управление на отоплението на GSM. В случай на повреда или необичайна ситуация, модулът е в състояние да уведоми всички абонати, включени в пощенския списък чрез SMS.


Но това не е пълен списък с функции.
Контролният блок може да доставя:
- параметри и режими на работа на циркулационната помпа на отоплителната система, зададената скорост на циркулация на охлаждащата течност,
- изпълнение и контрол на поддържането на зададения температурен график на подаващите и връщащите тръбопроводи... Това позволява на системата да бъде защитена от хипотермия и прегряване,
- Поддържане на предварително определен постоянен диференциално налягане на входа за подаване и връщане към сградата, което позволява нормалната работа на цялата автоматизация в нормален режим,
- Тесно и грубо почистване на отоплителната среда,
- Визуален контрол на всички показатели за ефективността на системата: температури в ключови зони, разлика в налягането на изхода и входа от уреда, зададен режим на работа, аларми,
- Дистанционно управление на отоплението по телефона и чрез Интернет,
- Дистанционно управление на помещенията, аларми, порти и входни врати с помощта на допълнителни сензори.


Забележка! За да инсталирате такава система, другото оборудване и котелът трябва да бъдат пригодени за електронно управление. Изтърканите рамки с механични клапани с такава схема няма да работят.
принцип и устройство на действие


Структурата на всяка система за автоматично управление включва сензорни възли:
- и такива сензори, които събират необходимите данни на различни места от системата,
- процесори и контролери, които сравняват данните, получени от сензорите, със стойностите, продиктувани от инструкцията (програмата), записана на картата с памет, вземат решение и на негова основа дават команди на изпълняващите механизми,
- Изпълнителни механизми, които получават команди от контролерите и извършват прости действия - спират клапани и кранове, увеличават мощността на блоковете, превключват режимите на работа на отоплителното оборудване, правят аварийни изключвания на счупени блокове.


Сензорите за температура и налягане действат като сензори и всеки допълнителен сензор, който позволява да се контролират различни процеси. Най-сериозни са температурните сензори за подаване и връщане на охлаждащата течност, вътрешни и външни температурни сензори и сензори за налягане на входа на системата.


Ролята на контролера се играе от компютър с ниска мощност, който чете данни от всички сензори. Картата с памет на компютъра съдържа програма, която определя температурните условия.
Контролерът сравнява получените стойности с зададените и при необходимост взема решение за извършване на трансформации: увеличаване подаването на охлаждащата течност към една или друга верига, изключване на котела или прехвърляне в друг работен режим и т.н. .


След като вземе решение, контролерът изпраща контролен сигнал към едно или друго чисто устройство: превключващо реле, серво задвижване на клапан или амортисьор, превключвател или електроника на котела.В зависимост от зададената програма, GSM модулът за управление на отоплението може да изпраща съобщения до собственика за това или онова събитие и след изчакване на отговор може да предприеме определени мерки.


Контролът на отоплението в селска къща чрез GSM се осъществява посредством специален модул, вграден в компютъра.
Този модул включва следните елементи:
- Слот за превключване на SIM-карта,
- Захранване и батерия,
- GSM модем,
- Съединител за антена,
- LAN порт за свързване с интернет доставчик,
- ПРОЦЕСОР,
- Карта памет,
- USB порт за конфигуриране и настройка,
- LED индикатори или дисплей с течни кристали,
- Група контакти с изходи и входове за събиране на данни и изпращане на контролни сигнали.


Забележка! Заедно с модула за GSM контрол, трябва да се достави и софтуер за инсталиране в операционната система на мобилния телефон. Програмата ще ви помогне да организирате дистанционната комуникация на оператора и контролера.










