
Много хора светят с идеята да направят печка от газова бутилка със собствените си ръце.
Такова отоплително устройство не изисква големи финансови инвестиции, но ще може да отоплява техническо помещение, оранжерия или плевня.
Цилиндрите са различни. За работа е най-добре да вземете 50-литров контейнер. Диаметърът му е 30 см, височината е 85 см. Дебелината на стените е оптимална.
Има дори по-дебели индустриални бутилки за 40 литра. Диаметърът е 25 см. Балонът ще трябва да се реже на височина, а дебелите стени допринасят за по-дълго нагряване, но и за последващо задържане на топлината.
Какви фурни могат да се направят от газова бутилка и как да се направи правилно.
Печка от бутилка или патладжан.
Този тип пещ може да бъде направена директно, както от твърд метален лист, но също така и от всяко устройство, устойчиво на топлина, например барел, колба, тръба или цилиндър за пропан.
Дълго изгаряща газова пещ могат да бъдат направени по различни начини и да имат различни позиции - хоризонтално или вертикално. В някои случаи могат да се използват два цилиндъра наведнъж, като единият цилиндър е поставен вертикално на другия в хоризонтално положение.
Има повече от достатъчно модели на такова приложение на газови бутилки и след като разгледате всички опции, можете да изберете точно този, който се оказва най-приемлив за вас.
Разбира се, за да завършите това устройство, е необходимо да имате под ръка необходимите материали и инструменти, а също така е добра идея да придобиете поне малко опит в този сегмент.
Печка на твърдо гориво
Как можете да направите печка от газова бутилка? Първият въпрос, който възниква още преди започване на работа: как най-добре да се позиционира балонът - хоризонтално или вертикално?
Ако искате да използвате фурната за готвене, ще трябва да поставите цилиндрите хоризонтално.
Във вертикалната версия трябва да се монтират решетки във вътрешността на цилиндъра, а в хоризонталната версия това се прави по желание.
Но в хоризонтална конструкция ще трябва да заварявате тава за събиране на пепел, а във вертикална, когато инсталирате решетката на достатъчна височина, тавата за пепел може да бъде пропусната.
За печка ще ви трябват лети врати за вентилатора и горивната камера.
Майсторите ги правят сами от парче метал, изрязано от цилиндър, когато правят отвор за горивната камера.
В този случай трябва да закупите само панти и дръжка на резето. За закупена врата ще трябва да заварявате рамка, заварена от ъглите към цилиндъра, по периметъра на отворите и да фиксирате фитингите върху нея с болтове.
Преди да започнете да режете или заварявате метал, трябва да освободите контейнера от газ. Балонът се пълни до горе с вода, след което се източва и едва след това те започват да работят.
Етапи на производство на хоризонтална печка:
- отрежете горната част на контейнера с мелница;
- вътре в цилиндъра е монтирана решетка от огъната армировка;
- фитингите са заварени към контейнера;
- изрежете кръг от стомана с дебелина 4 мм, равен на външния диаметър на цилиндъра;
- в кръга се изрязват дупки-правоъгълници - първата под камината, втората под вентилатора;
- заваряване върху стоманен кръг;
- поправете вратите;
- залепете вратите по контура с азбестоцимент;
- те започват да преоборудват задната част на пещта - изрежете отвор за комина, равен на диаметъра на тръбата;
- комин е заварен от дебелостенна тръба.
Когато цилиндърът е разположен вертикално, ще се получи конструкция, която заема минимум пространство.


Такава печка от цилиндър е подходяща за баня, малка жилищна площ, може да се постави в гараж.
Етапи на производство на вертикална печка:
- отрежете горната част на цилиндъра с мелница;
- на предната част на бъдещата пещ за горивната камера се изрязва голям отвор, отдолу - под вентилатора, през който конструкцията ще бъде почистена от пепел;
- решетка от усилващи пръти се спуска в цилиндъра и се заварява към стените;
- върху отворите за вратите се заварява бордюр и се залепва с азбестоциментова корда;
- заварете отгоре - той беше отрязан само за да се постави решетката;
- отвор за комин се прави отгоре или отстрани.
Материали и инструменти
Материали за тази работа:
- Лист метал с приблизителна дебелина 3 милиметра, той се използва при направата на място за готвене и пепел;
- Изпускателна тръба за дим;
- Чугунена врата, направена предварително, или можете да я направите сами, като използвате лист метал или парче цилиндър;
- Ъглови или здрави армировъчни пръти за направа на крака и при липса на завършен - за направа на решетка.
- Необходими са също един или два цилиндъра, като за тази цел могат да бъдат подходящи както контейнери с газови бутилки, така и малки.
- Инструменти за направа на печка с бурканчета:
- Заваръчна машина 200 A;
- Мелница или мелница с дискове с необходимия диаметър, около 180 милиметра;
- Електроди;
- Режещи и шлифовъчни колела за метал;
- Чук за почистване на шлака от заваряване;
- Четка за извършване на метални работи;
- Метър или рулетка, креда или маркер за маркиране;
- Пробийте с бормашини с подходящ диаметър;
- Чук, длето, клещи.
За да бъде печката удобна и достъпна за използване, както вече споменахме, тя може да бъде разположена хоризонтално и вертикално, за да се определи кое е по-добро, трябва да се вземе предвид и размерът на помещението.
Обикновена бурканче от консерва
Най-простата печка, направена от собствени ръце, е направена от обикновена кутия. Не е необходимо да се говори за издръжливост на такава конструкция, но тя бързо се изгражда, лесно се сглобява и дава достатъчно топлина.
Цялата работа се състои в инсталирането на краката, подреждането на изходната тръба и някои козметични операции. За да работите, трябва:
- Мога
- Коминна тръба
- Настържете тел
- Заваръчна машина
- Инструменти
Приготвяме се да започнем
- Поставяме кутията хоризонтално и маркираме къде ще бъде вентилаторът, който има формата на правоъгълник или сърп. Поставете го под капака
- В стената или дъното на кутията се изрязва отвор, равен на диаметъра на коминната тръба
- За да направите решетка, трябва да се запасите със стоманена тел. Той се огъва, пренася се през капака навътре и леко се огъва, така че зигзагът да е в желаното положение, докато остава удобно да се полагат чипове, дърва за огрев и т.н.
- Кутията трябва да бъде фиксирана върху крака, които се изрязват от тръби или ъгли и се заваряват
- Коминът е заварен
На външната страна на резервоара може да се монтира рефлектор, благодарение на който ще се отделя по-малко топлина. След като заварите дръжките отстрани, конструкцията може да бъде прехвърлена на всяко друго място.
Плюсове и минуси на домашните буржоа
Сред многото предимства на такава нелицеприятна, но полезна инсталация, има:
- Пълна автономия и енергийна независимост
- Работете върху всяко твърдо гориво, включително растителни остатъци - това спестява много пари
- Универсалност на дизайна, който не само може да се инсталира в различни помещения, но и да се използва за готвене
- Прост дизайн, който можете да изградите сами от наличните в гаража материали
- Не е необходимо да се издига монолитна основа и да се монтира капитален комин
Но въпреки значителните и многобройни предимства, има редица недостатъци на буржоа:
- Високата топлопроводимост на метала води до бързо изгаряне на гориво и охлаждане на пещта
- Ако дебелината на стената е недостатъчна, скоро те ще започнат да изгарят и пещта ще се провали.
- Трябва да наблюдавате процеса на горене и да изхвърляте дърва за огрев навреме, да контролирате сцеплението
- Кафявите и влажни трупи причиняват упорити сажди в комина
Видео - друга опция за направа на пещ
Домашно приготвената печка е надежден и ефективен помощник в студена работна стая или собствен гараж. Производството му не е трудно и няма нужда от големи материални инвестиции, за да започне работа.
В статията ви е събран добър материал. Дълго време мислех да купя завършен или да го направя сам, въпреки това реших, че го направих сам. Като суровина използвах 200-литров варел от горива и смазочни материали. Водех се от подробен чертеж, който намерих на https://kamin-maker.ru/pechi/pechka-burzhuyka-iz-bochki/ Ще не казвам, че печката от цевта е много добра, има и недостатък, като тънък метал, от което следва, че експлоатационният живот е не повече от една година, но огромен плюс е много евтин и не сложно производство на тази единица. Въз основа на моя опит, такава пещ перфектно отоплява помещение от 80 м2, използвам пресовани дървени стърготини като суровина, една отметка ми е достатъчна за поне 6 часа. Дълго се съпротивлявах да направя или не, но напразно, страхотно нещо!
5bdedcb7ed5bd81554f3482ed13711bc.jpe
Подготовка на балон
В началото на цялата работа е необходимо да се извърши правилната обработка на бутилката за по-нататъшна употреба, особено ако това е газова бутилка. Тъй като ако газът присъства наскоро, частиците му могат да останат и при рязане на метал поради искра контейнерът може да експлодира.
За тази цел първо трябва да направите процедура, която изисква време и внимание: отворете клапана и освободете излишния газ. За тази цел е по-добре да поставите контейнера за една нощ на улицата или в стая с висока вентилация, а още по-лесно е да напълните балона до ръба с вода.
Освен това контейнерът се освобождава от конденз в обърната форма, която също мирише неприятно, което означава, че такива действия се извършват извън жилищните помещения.
Измитият контейнер става безопасен и може безопасно да бъде прикрепен към обработката.
Избор на цилиндър и материали
Корпусът на пещта е направен от стара празна газова бутилка. За ефективна работа и висок топлопренос на конструкцията, трябва да определите размера на контейнера. Малка стая може да се отоплява с помощта на петлитров цилиндър. Малки печки с ниска мощност са изградени от контейнери с размери от 12 до 30 литра.
Индустриалният (обем от 40 l) има дебели стени и диаметърът на вътрешната повърхност е твърде малък, за да зареди достатъчно количество гориво. Най-добрият вариант е 50-литров контейнер за пропан с височина 85 см и диаметър 30 см.
Печка от вертикален тип
Когато се прави буркан с такъв тип позиция, цилиндърът се поставя в стандартното за него разположение, всичко се отстранява от гърлото и маркировките се правят с креда и метър. След това се изрязва вход за горивната камера и вентилатора, като за тази цел се използва мелница или, ако има такава, се използват газови, плазмени резачки.


Следващата стъпка е решетката, тъй като практически не се предлага в завършен вид с необходимите размери, тогава армировката с необходимата дължина се изрязва и заварява между камината и вентилатора на предварително маркирано място.


Врати - за тази цел, за самостоятелно производство, необходимият размер на крилото се изрязва от метални парчета и се прикрепва към пантите, предварително заварени към заготовката на пещта.
За да ги закрепите сигурно, когато използвате фурната, на вратата се заваряват резета или резе.


Ако е необходимо, можете да оборудвате котлон в горната част на печката, на който се нагряват топли напитки или се приготвя лек обяд; за тази цел се използват и метални листове.
Можете да изградите не само готварска повърхност, но устройство, подобно на самовар за отопление на вода, където тръбата, идваща от горивната камера, ще премине през специален резервоар с вода.
Всички шевове на фугите трябва да бъдат запечатани.
Коминът е монтиран или в горната част на печката, или отстрани и излиза от стаята през покрива или стената на стаята. Този тип поставяне на печката е много икономичен, тъй като резултатът е компактно поставено отоплително устройство, което е идеално за малка стая в страната или за отопление на гараж и не заема много място.
Печка от метални листове
Ето характеристиките на направата на печка от метални листове, които използват различни суровини за отопление: добив и дърва за огрев.
Работна пещ
За да започнете да работите със собствените си ръце, се събира метален лист от около 5 мм (именно тази ширина позволява на печката бързо да се затопли и ефективно отоплява гаража) и тръби (необходими за комина и някои други елементи). За по-точно разбиране на производствения принцип вижте чертежа:


Чертеж на печка за обработка
Приготвяме се да започнем:
- Според дадените размери е необходимо да се изрежат елементите от листа, от който ще бъде направена пещта. Опитайте се да почистите максимално изрязаните ръбове.
- Подготвя се част за закрепване на компонентите на печката - тръба с отвори.
- Частите на горния резервоар са подготвени за монтажа на комина. За да направите това, трябва, според данните, показани на чертежа, да направите отвор, изместен вляво спрямо цента. Също така, в дъното на резервоара се прави още един отвор (изместен надясно) - той е предназначен за инсталиране на свързваща тръба.
- Съставните части се заваряват една към друга и се получава завършен резервоар.
- Долният резервоар е заварен по същия начин. Направен е само отвор за монтиране на тръбата в центъра. Също така трябва да направите още една дупка с леко отместване - обработката ще бъде излята в нея. Над отвора за пълнене е направен специален плъзгащ се капак.
- Долният резервоар е прикрепен към горния (те са заварени към свързващата тръба). Конструкцията трябва да бъде укрепена с помощта на скоби.
- Не забравяйте да заварявате краката към долния резервоар.
- За да се увеличи експлоатационният живот, фурната се почиства и боядисва.
Прикрепяте бурканче към комина и се опитвате да отоплявате гаража. За целта налейте гориво в долния резервоар и го запалете. Когато се запали, отворът за рециклиране трябва да се затвори с плъзгащ се капак.
Правоъгълна печка на дърва


Чертеж на правоъгълна печка
Тази опция е подходяща, когато трябва да отоплявате помещенията в гаража или сауната, предназначени за релакс.
Характеристиките на модела, чието производство ще опишем със собствените си ръце, е висок топлообмен и възможност за регулиране на тяговата сила.
Нашата фурна ще е с размери 45x45x80. Тези размери са достатъчни за отопление на средна стая. Дългата дървесина ще се побере в нея и е лесна за преместване.
В този случай няма да дадем конкретна рисунка и ще се опитаме да обясним колкото е възможно повече с думи. Преди да започнем работа, ние купуваме:
- Стомана с дебелина 3-4 мм. Лист един и половина на два метра ще бъде достатъчен.
- Парче тръба. Изберете от диаметър от 90 до 100 мм. Дължина: 0,4 m.
- Арматура 16 мм. Трябват ви точно 6,2 m.
- Пет килограма електроди.
- Панти с четири врати.
- Пръчка от стомана, дълга половин метър и около 10 мм в диаметър.
- Седем метра ъгъл с 40 мм рафт. Стените трябва да са с дебелина 5 мм.
Когато всичко необходимо е подготвено, започваме да работим със собствените си ръце в следната последователност:
- Бъдещите стени на конструкцията се изрязват от листовете.
- Ъгълът е заварен по такъв начин, че да се получи рамка. Когато изпълнявате тази и първата точка, трябва да запомните горните размери на печката (45x45x80).
- Арматурата се изрязва и заварява към рамката на интервали от 2 cm.
- Готовата рамка е попарена с калай.
- По протежение на диаметъра на гладката лента в участъка на тръбата, който ще бъде коминът, трябва да направите 2 отвора.Тръбата е заварена към рамката (преди това трябва да направите дупка под нея).
- В отворите на комина се вкарва извита шина. Тя трябва да бъде под формата на прав ъгъл. Към него е заварено парче калай с кръгла форма, малко по-малък от вътрешния диаметър на комина - той ще се използва за регулиране.
- Печката с гърне трябва да има врати. Те се изрязват направо от тялото. Върху отстраненото парче метал се заваряват контури, с които се закрепват към пещта.
- На вратите са монтирани болтове и дръжки, които могат да бъдат направени във всяка удобна форма. Основното е, че те гарантират максимално фиксиране на вратата (ако не искате да изгорите гаража).
- Когато работата приключи, можете да проверите резултата от работата със собствените си ръце и да започнете да отоплявате гаража.
Хоризонтално оборудвана фурна
Следващият вариант за поставяне на фурната е хоризонтален и той също има своите предимства като голям котлон, където можете да приготвите пълноценно ястие.
За стабилността на хоризонталната печка, след приключване на всички работи по производството на печката, тя е фиксирана върху стабилно стояща стойка, заварена от ъглите, с помощта на точково заваряване.
В този случай всички дейности започват с маркиране, след което се изрязва квадратна дупка за вратата и кръгла за комина. Изрязването на кръгъл отвор може да бъде досадно при липсата на фреза, тъй като мелницата тук не е помощник. Първо трябва да изрежете дупки в кръг, след това се използват длето и чук и накрая всичко се довежда до желания резултат с файл.


Ролята на решетката ще бъде изпълнена от отвор, изрязан в дъното на пещта, а заварената под нея кутия ще се превърне в контейнер за пепел. Същата кутия играе ролята на вентилатор и затова върху нея се заварява врата, за да се регулира притока и изхода на въздуха, за да се постигне необходимото сцепление.
Вратата може да бъде направена самостоятелно, като се използва част от цилиндъра, или можете да закупите готова такава с рамка и готов резе, и тази опция, разбира се, е много по-лесна.
След като фиксирате вратата върху пантите на фурната, устройството е фиксирано върху стойка, докато го фиксирате сигурно, или можете да заварявате крака с необходимата дължина към него.


След това е фиксирана разклонителна тръба, към която е прикрепена коминна тръба, която от своя страна ще излезе през отворите в стената или покрива на стаята.
Направи си сам печка с дълго изгаряне от газова бутилка
Въпреки че "бавните" котли имат процес на пиролиза, те все още не са пиролиза (последните ги надвишават по ефективност с 10 процента, имат различна структура, пълно изгаряне на гориво, по-висока екологичност и цена).
Но печката Bubafonya не се нуждае от турбокомпресор и може да бъде направена от газова бутилка със собствените си ръце.


Готова печка Bubafonya
Принцип на действие
Помислете как работи газовата фурна за лятна резиденция с цилиндър (на цилиндър).
Цялата долна част на такива агрегати е плътно запълнена с гориво. Изгарянето се извършва в тънък горен слой. Ефективността се постига благодарение на изгарянето на пиролизните газове. В Bubafon пиролизата се извършва под хомот, който притиска горивото и пада, докато изгаря.
Кислородът се подава през тръба, заварена към тази палачинка за процеса на горене. На угнетяващата палачинка има ребра, чиято извита форма разпределя въздуха.


Схема на пещта Bubafonya
Диаметърът на резервоара за зареждане на гориво Bubafoni трябва да бъде от 30 до 80 см! Оказва се, че балонът със своите 30 см е минималната граница.
Ефективността на печката дори не достига 40%, но печката е много лесна за сглобяване, поради което все още е популярна. Печка от газова бутилка на дърво - конструктивни характеристики и инструкции за монтаж.
Прочетете препоръките за направата на декоративна камина от гипсокартон в тази тема.
Монтаж
Процедурата за направа на пещ:
- При диаметър 30 см се предполага, че височината на котела е 90 см, но целият цилиндър е 85. Има две възможности за решаване на проблема.Първо, можете да отрежете цялата сводеста част и да добавите липсващата височина с фрагмент от друг балон. На второ място, можете да превърнете тази сводеста част в корица. Горният разрез се прави там, където започва правата част на тялото.
- Прави се преса. От метал се изрязва кръг с диаметър 27 см (с дебелина 6-10 мм) В центъра се прави отвор според размера на тръбата на канала.
- Ребрата са направени с височина 4 см. Те са леко огънати и заварени върху палачинката, така че огъването да върви по посока на часовниковата стрелка.
- В долната част на тялото е изрязана врата - пепелник с ширина 17 см.
- Гризли. Решетката може да бъде заварена отделно от метални пръти. Заварените към него крака ще ви помогнат да поставите решетката на желаната височина. Тяхната височина се взема въз основа на височината, на която завършва вратата на пепелника.
- Въздуховодна тръба. Диаметър 7,5 - 8 см. Долният му ръб трябва да излиза от притискащия лист (да достигне ръба на ребрата). Горният ръб е с 15 см по-висок от яката, заварена върху капака. Тръбата е заварена към оребрена кръгла преса.
- На горния ръб на тръбата за подаване на въздух се прави амортисьор, с помощта на който се регулира интензивността на подаването на въздух. По външната стена на тръбата по оста е заварен болт и в клапана е пробит отвор. Амортисьорът се оказва въртящ се.
- Шапка с козирка. Трябва да се облича плътно. За да направите това, можете да заварите пръстен с яка около външния ръб на кутията. Ще бъде удобно, ако капакът и корпусът са оборудвани с дръжки.
- В центъра на правия капак и в горната част на сводестия е направен отвор, през който въздуховодът ще излезе. Неговият диаметър е равен на външния диаметър на канала + минималната междина, която ще осигури свободно преминаване на тръбата (не повече от 2 mm).
- По периметъра на отвора се поставя яка. Височината му е размерът на пролуката, увеличен с 80 пъти.
- Комин. Парче тръба (с дължина 40 cm или повече) ще бъде разположено хоризонтално и скачено с вертикален комин (10-12 cm в диаметър). След отстъпване от капака на 1 - 2 см надолу се изрязва отвор, равен на диаметъра на комина, към него се заварява къса тръба. Това е последният етап от направата на пещта в цеха. Допълнителна работа се извършва след инсталиране на място.
- Част от комина попада под кръстовището с тръбата и в него е направено устройство за събиране и източване на кондензат, което е неизбежно в такива пещи.
- Коминът се прекарва през покрива и се заварява към печката.
Не е препоръчително да се отоплява домашно приготвена печка с въглища. Топлината от това гориво е най-силна и както вече споменахме, стоманата на цилиндъра не е топлоустойчива. И когато настъпи максималното нагряване от дървото, е по-добре да затворите амортисьора почти напълно.
Изчисляване на основните параметри: чертеж и препоръки
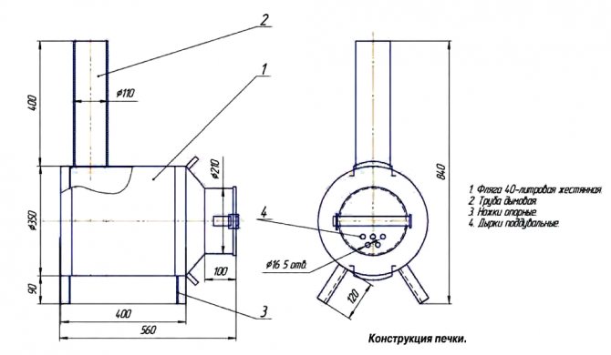
За производството на оптимално ефективна печка е подходящ изцяло метален цилиндър с обем 50 литра.


Стандартна бутилка от 50 литра ще бъде достатъчна
50-литровият газов цилиндър има стандартни размери: диаметър 300 мм и височина 850 мм. Дебелината на металната стена е 4 мм, което е оптимално за процесите на горене на твърдо гориво.
Намирането на такъв балон обикновено не е трудно. Те често се използват в домакинството и промишлеността.
За оборудването на такава пещ с комин се използва тръба с диаметър 100–125 mm и дебелина най-малко 3 mm, за да се направи коминна тръба. Самият комин трябва да бъде разположен вертикално, но се допуска и отклонение от оста (наклон не повече от 30 градуса). Наклонът е направен за по-голяма ефективност на топлопредаване от коминната тръба. Въпреки че местоположението на тръбата директно зависи от местните условия за инсталиране на печката.
Свързана статия: Домашен пясъчник за игра на деца на вашия сайт
За по-лесна употреба секциите на камината и пепелника са оборудвани с врати със заключващ механизъм. Когато вратите са затворени, процесът на горене се подобрява и рискът от пожароопасни частици да попаднат в помещението се намалява. И също така чрез регулиране на разликата с вратата на пепелника, можете да регулирате интензивността на подаването на въздух към пещта.
Вратите са изработени от всякаква форма. Основното нещо е да се вземат предвид стандартните размери на дърва за огрев и удобството при зареждането им.
Важна част от печката е скарата. Решетката служи за поддържане на горивото (дърво) и в същото време помага за отделянето на разхлабените продукти от горенето. Процесът на горене се извършва върху решетката. Следователно металът, от който е направена решетката, трябва да бъде достатъчно здрав и устойчив на високи температури. По-добре е да направите решетка от армировъчни пръти с диаметър най-малко 12 мм. Такива пръти се изрязват според размерите на вътрешната част на цилиндъра (ширина) и се сглобяват в решетка с ширина на междина 10-15 мм. Пръчките са свързани чрез заваряване.


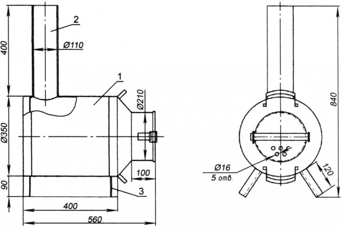
Печка от цилиндър
Приблизителна схема на монтаж на хоризонтална печка на твърдо гориво е приложима за газова бутилка.


Диаграмата е приложима за газова бутилка
Основният недостатък
Големият минус на такива „направи си сам“ печки е, че те са неикономични. Прилична част от топлината си отива с дима през комина. Този недостатък може да се справи перфектно чрез доизгаряне на газове в горната част на печката (което е показано по отличен начин от печката Bubafonya).
Можете и без него. Удължаването на комина в стаята може да служи като добър вариант за запазване на топлината. За да направите това, трябва да направите тръба с максимална дължина, но избягвайки наклона на тръбата до хоризонтално ниво. Също така, не трябва да правите тръбата твърде дълга - няма да има въздушно течение и тя ще изгори лошо. За тези, които имат няколко цилиндъра, можете да изградите следната конструкция: към основната цилиндрова печка, направена със собствените си ръце, в точката, където е свързан комина, трябва да заварявате друг цилиндър, където газовете ще бъдат изгорени .
Малка печка от малък цилиндър
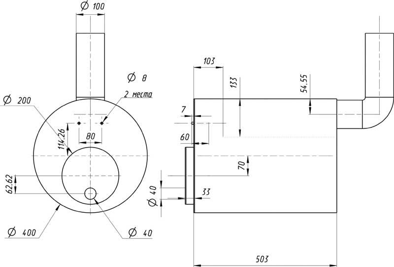
За малка парна баня с обем от 8-10 кубически метра ще бъде достатъчно да направите печка от малка газова бутилка. Обикновено се използват 27 литрови бутилки. Дебелината на стената отдолу е забележителна - 6 мм. Без кран, височината им е 500 мм, диаметърът е 300 мм. Оказва се прекрасна малка печка.
Първо, останалият газ трябва да се отстрани от бутилката. За това в него се излива вода. Водата постепенно измества всички остатъчни газове. След като цилиндърът се напълни, можете да отрежете крана и да започнете да правите пещта.
Настържете


Схема на устройството на пещта
Решетките може да не се използват за тази фурна. Това се отнася за цилиндри с малък обем. В този случай печката изглежда така: краката са заварени към цилиндъра, направена е една врата, отвор за комина в горната част и тръба. Духалката може да се заварява и отделно, ако обемът на хоризонтално поставения цилиндър е достатъчно малък. За това се заварява отделно правоъгълна конструкция.
Идеално е да използвате чугунени фабрични решетки като решетки, но те не винаги се вписват по размер, така че трябва да заварявате решетките сами. Можете да ги направите със собствените си ръце от дебели армировъчни пръти, като предварително сте направили измервания. Те са направени по същия начин като чугуна, тоест трябва да изглеждат еднакво. Гризлитата, направени от фитинги, бързо изгарят, особено ако въглищата се използват като гориво. Ако използвате дърва за огрев, решетките ще ви издържат малко по-дълго. С оглед на това решетките трябва да бъдат подвижни, за да можете по всяко време да замените старите с нови.
Подготвителна работа преди сглобяването на фурната
Подготвителната работа включва много важен етап - отстраняване на остатъците от газ от бутилката. Този етап трябва да се разгледа подробно, тъй като без правилното му изпълнение по-нататъшната работа е изключително опасна.
На първо място е необходимо да развиете клапата на цилиндъра, за да отстраните газа под остатъчно налягане в цилиндъра. Клапанът е напълно демонтиран от корпуса. След отстраняване на газа цилиндърът се обръща, за да се отстрани кондензатът.
Съдържащият се в цилиндъра газ съдържа определен процент влага. Вътре в него се натрупва под формата на кондензат (течност).
Обръщайки балона, ние премахваме влагата по естествен начин. По-добре е кондензатът да се събира в контейнер за еднократна употреба. Кондензатът често има специфична неприятна миризма. Ето защо е по-добре веднага да изхвърлите контейнера със събрания кондензат.
След това балонът отново се обръща - поставя се във вертикално положение. За пълно почистване на остатъците от газ, водата трябва да се изтегли в него. Водата, изтеглена до краищата на цилиндъра, напълно ще измести останалия газ от него. След това балонът се изпразва от вода и се счита за подходящ за рязане.
Свързана статия: Домакински бетонобъркачки - това, за което дори майсторите не знаят! (+ 3 видеоклипа)
За по-голяма яснота е показано видео за подготовката на цилиндъра за рязане.
Видеото е взето от Youtube. Използва се само за информационни цели и не представлява реклама.
Подготовка на газова бутилка за безопасно боравене с електроинструмент: видео
Подготовката на инструмента (електроинструмента) включва проверка за повреда, установяване степента на неговата годност за безопасна работа.





























