Какво е радиатор и за какво е той?
Радиаторът е част от автомобил, който е монтиран в двигателното отделение. Той осигурява постоянно охлаждане на двигателя.
Как работи, за какво служи, какви видове радиатори има, защо се проваля, как да се грижим за него и как да изберем най-добрата модификация? Нека да се справим с всички нюанси по-подробно.
Общи понятия, цел
По време на работата на автомобила всички негови механични компоненти се загряват. В някои отделения тази цифра достига повече от сто градуса. И основният агрегат, който бързо ще се провали поради високата температура, е двигателят.

Подвижните части на двигателя трябва да бъдат охладени, за да се предотврати влошаване. За това инженерите на всеки производител на автомобили разработват и инсталират охладителна система.
_
Охладителният радиатор е метален топлообменник, изпълнен с антифриз (или антифриз) отвътре. Към него са свързани гумени тръби, които са прикрепени към съответните шийки на двигателя.
Охлаждането на двигателя работи по следния принцип. Стартираният двигател с вътрешно горене върти работното колело на водната помпа. Благодарение на това антифризът започва да циркулира в системата (в тесен кръг). Когато температурата на течността достигне 80-90 градуса, термостатът се задейства и се отваря голям кръг на циркулация. Това позволява на двигателя да се загрее по-бързо до желаната температура.
Следващата 3D анимация ясно показва как работи системата:
Система за охлаждане на двигателя на автомобила. Общо устройство. 3D анимация.
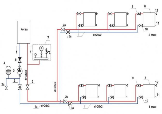
Схеми за монтаж на алуминиев радиатор
Трябва да се отбележи, че свързването на алуминиеви отоплителни радиатори може да се извърши по различни схеми. Алуминиевите батерии са подходящи за еднотръбни и двутръбни кабели. В последната версия захранващата и връщащата тръби са свързани паралелно, те са свързани чрез крайното устройство на отоплителната система.
Има такива начини за свързване на алуминиеви отоплителни радиатори: странични, диагонални и долни. Всяка от схемите се различава не само в технологията за инсталиране на батерията, но и в качеството на топлопредаване.
Диагонална връзка
Най-често срещаният и ефективен начин е диагоналната връзка. В този случай загубата на топлина не надвишава 2%. Идеален за оборудване с голям брой секции. Изходният тръбопровод е свързан с долния. Захранващата тръба е свързана с горната разклонителна тръба. Този метод се използва за двутръбни системи за топлоснабдяване.
Странична връзка
При странична връзка захранващата тръба е свързана отгоре, а изходната тръба е свързана отдолу. Монтажът се извършва към разклонителните тръби, които са разположени от едната страна. В долната версия връзката се осъществява към разклонителните тръби, които са разположени в долната част на батерията. Вярно е, че топлинната мощност в този случай е с 15% по-ниска от номиналната мощност на устройството.
Преди да свържете алуминиев радиатор за отопление, устройството трябва да бъде правилно сглобено. Производителят описва подробно технологията за монтаж и характеристиките на сглобяване в инструкциите, приложени към оборудването.
За какво е в колата
Двигателят на автомобила работи чрез изгаряне на гориво в цилиндрите. В резултат на това всички части се нагряват много. Когато температурата на металните елементи се повиши, те се разширяват. Ако не се охладят, това ще доведе до различни проблеми в силовия агрегат, например пукнатини в главата на цилиндъра, в охладителната риза, деформация на главата на цилиндъра, прекомерно топлинно разширение на буталата и т.н. Пренебрегването на подобни проблеми ще доведе до скъпи ремонти на ДВС.
За да стабилизират температурата, всички двигатели с вътрешно горене в своята конструкция имат охлаждаща риза, през която течността циркулира с помощта на помпа. Нагретият антифриз се подава през магистралата към радиатора на автомобила. В него течността се охлажда и след това се връща обратно към двигателя. Този процес ви позволява да поддържате работната температура на двигателя с вътрешно горене.
Ако в конструкцията на охладителната система нямаше радиатор, течността в него бързо щеше да заври. В автомобила тази част е монтирана в предната част на двигателното отделение. Това е необходимо, за да може по-студен въздух да влезе в равнината му.
Ефективността на топлообменниците зависи от следните фактори:
- броят на тръбите - колкото повече има, толкова по-добре ще се охлади антифризът;
- напречно сечение на тръбите - овалната форма увеличава площта на контакт с въздуха, което увеличава топлопредаването;
- принудителен въздушен поток - особено полезен в градски режим на шофиране;
- чистота - колкото повече отломки има между ребрата на топлообменника, толкова по-трудно ще попадне чист въздух върху горещите тръби.
Радиатори на двигатели с вътрешно горене [редактиране | редактиране на код]
В двигател с вътрешно горене радиаторът е топлообменник, който интегрира двете вериги на охладителната система. По принцип се използват радиаторни решетки с тръбна плоча и тръбна лента. В радиатора за преминаване на охлаждащата течност се използват зашити или плътно изтеглени тръби от месингова лента с дебелина до 0,15 mm. Използват се и алуминиеви радиатори: те са по-евтини и по-леки, но топлообменните свойства, при равни други условия (размери, площ на топлообмен и т.н.) и надеждността са по-ниски.
На дизеловите локомотиви подобно устройство се нарича „хладилник“.
Автомобилен радиатор, чието устройство включва два резервоара - горен и долен, както и тръби между тях, изпълнява съществена функция и е отговорен за предотвратяване на прегряване на двигателя. Как се случва това и какви типове този възел можем да намерим в нашите машини, ще говорим малко по-долу.
Дизайн на радиатора


Материалът, от който са изработени автомобилните радиатори, е метал (алуминий или мед). Стените на топлообменника са много тънки, поради което антифризът бързо отделя температурата си и се охлажда.
Дизайнът на радиатора се състои от тънки тръби, заварени заедно във формата на правоъгълник. Този елемент е монтиран на два резервоара (единият на входа, другият на изхода). Освен това върху тръбите са нанизани плочи, което увеличава площта на топлопреминаване. Въздухът преминава между ребрата и бързо охлажда повърхността на детайла.
Всички топлообменници имат два отвора: вход и изход. Към тях са свързани тръбите на системата. За източване на течността от кухината топлообменникът е снабден с тапа, монтирана в долната част на конструкцията.
Ако колата се движи по магистрала, има достатъчно въздушен поток, за да се охлади естествено антифризът (издухвайки ребрата). В случай на движение в града въздушният поток не е толкова интензивен. За това в охладителната система зад радиатора е монтиран голям вентилатор. При по-старите модели автомобили той се задвижва директно от мотор. Съвременните машини са оборудвани със система за контрол на температурата против замръзване и при необходимост включва принудителен въздушен поток.
Как се правят радиаторите - вижте следното видео:
Как се правят радиаторите за автомобили
Домакински маслени радиатори
Напълненият с масло (напълнен с масло) радиатор е мобилна отоплителна батерия. Устройство: електрическа намотка е разположена вътре в запечатания корпус, обвивката е пълна с минерално масло. Температурата на повърхността на масления нагревател не надвишава 150 ° C. Топлината се предава от намотката към маслото, след това от маслото към тялото и от тялото към въздуха.Устройствата от този тип са надеждни, издръжливи, безшумни, способни да задържат топлина дълго време след прекъсване на електрозахранването и освен това се считат за много безопасни. Основните предимства на маслените охладители са ниската цена, мобилността и ниското ниво на шум. Недостатъците на традиционния нагревател с масло включват дълго време за загряване (10-20 минути).
Съвременните маслени нагреватели имат следния набор от функции:
- Няколко режима на работа.
- Функция за контрол на климата
- Таймер за включване / изключване, радиаторът ще загрее стаята до определено време.
- Функция за защита от прегряване.
- Самоусукваща се тел.
- Дистанционно управление за нагревател на масло.
- Закачалка за сушене на неща.
Видове радиатори
Има няколко вида топлообменници. Всеки от тях е проектиран за собствена цел, но те работят по същия принцип - течността циркулира вътре в тях, за да осигури обмена на топлина. Топлообменниците се използват в следните системи за превозни средства:
- охлаждане;
- отопление;
- климатичен.
Има две категории радиатори, най-често използвани в автомобилната индустрия.
- Тръбни ламеларни. Това е най-често срещаната модификация, открита при по-старите автомобили. Топлообменникът в тях се състои от хоризонтално разположени тръби (кръгло сечение), върху които са нанизани тънки пластини. Най-често те са направени от алуминиева сплав. Тези модификации са инсталирани на по-стари превозни средства. Основният недостатък е лош топлообмен поради малката площ на контакт с въздушния поток.
- Тръбна лента. Те използват дълги тръби (овално сечение), сгънати под формата на бобина. Материалът, използван за тяхното производство, е или сплав от мед и месинг или алуминий. Такива модификации са инсталирани в много съвременни автомобили. Медните модели имат отлична топлопроводимост, но са много скъпи. Следователно, по-често охладителната система е оборудвана с алуминиеви аналози.


Сред първата категория има още два вида радиатори. Това са еднопроходни и многопроходни модели. Те се различават помежду си по принципа на циркулация.
- Еднопосочен. Охлаждащата течност влиза в кухината на топлообменника от едната страна и се разпределя равномерно по всички тръби. Те имат значителен недостатък: антифризът в кухината се разпределя неравномерно, поради което ефективността на топлообмена се губи.
- Multi-pass. Охлаждащите елементи са разделени на няколко секции. Този дизайн увеличава общата дължина на линията, което подобрява процеса на пренос на топлина.
Радиаторно устройство
уред; b - паровият клапан е отворен; c - въздушният клапан е отворен.
- Радиаторът конструктивно има горен (1) и долен (7) резервоар. Тези резервоари са свързани помежду си чрез тръби (5), изработени от месинг или алуминий. Плочи (6) са прикрепени към тези тръби чрез запояване, което увеличава повърхността на повърхността на охлаждане на елемента. Чрез тази повърхност топлината се отстранява от охлаждащата течност и се освобождава в околната среда.
- Горният резервоар има пълнителна гърловина за пълнене с охлаждаща течност. Вратът е затворен с тапа (3). Този щепсел съдържа клапан за пара (11) и въздух (12).
- Горният резервоар също има тръба (2) за свързване на радиатора към охладителната риза на двигателя. Тази връзка се осъществява посредством гумен маркуч. Освен това има парна тръба (4) и електрически термометър (13).
- Долният резервоар (7) има разклонителна тръба (8) за свързване на устройството с помпа (помпа). Има и допълнителен кран, който може да източи охлаждащата течност. Радиаторът е прикрепен към рамката на автомобила със специални крепежни елементи (9).
Повреди на радиаторите: причини, предотвратяване
Както всяка част, радиаторът в колата също може да се повреди.Ето пет основни причини.
- Механични повреди. Тъй като тази част е монтирана пред превозното средство, върху нея често падат чужди предмети. Например, това могат да бъдат камъни от кола отпред. Дори лек сблъсък от автомобил може да повреди радиатора, което ще наруши плътността на охладителната система.
- Окисляване на метал. Въпреки че всички елементи на топлообменника са направени от неръждаеми материали, радиаторите не са защитени от натрупване на котлен камък в кухините им. Поради използването на нискокачествена охлаждаща течност, металните части на двигателя могат да се окислят, което запушва линията и предотвратява свободното циркулиране на антифриза.
- Естествено износване. Постоянното нагряване и охлаждане води до "умора" на метала, което намалява неговата якост. Вибрациите в двигателното отделение разрушават свързващите шевове, което може да доведе до изтичане.
- Прекомерно налягане в тръбата. Ако на разширителния резервоар е инсталиран некачествен щепсел, с течение на времето предпазният клапан спира да функционира. Поради нагряването на антифриза до температура над 100 градуса, обемът в системата се увеличава. Най-често шевовете върху пластмасовите елементи се разминават. Но стените на стария топлообменник с времето изтъняват, което води до намаляване на налягането и течове.
- Замразяване на охлаждащата течност. Това може да се случи в случай на използване на грешен антифриз или обикновена вода. В студа водата кристализира и се разширява. От това се появяват пукнатини по стените на тръбите.


Повечето от тези проблеми могат да бъдат предотвратени чрез прилагане на превантивни методи. За да удължи обслужването на радиатора, собственикът на автомобила може да предприеме следните мерки.
- Не пълнете системата с нормална вода. При спешни случаи можете да използвате дестилирана, но в близко бъдеще трябва да я смените на антифриз. Тази течност кипи при температури над 115 градуса. В допълнение, той съдържа смазка, която има благоприятен ефект върху работното колело на помпата и други метални части на системата.
- Сменете антифриза своевременно и когато нивото намалее, добавете го. Смяната трябва да се извърши най-малко 50-70 000 км. пробег (за антифриз този интервал е от 150 хиляди). Но ако охлаждащата течност е променила цвета си и е станала черна, това е ясен сигнал за поддръжка на системата.
- Инсталирайте радиатор, направен за дадения модел автомобил.
- Извършете рутинна поддръжка на цялата охладителна система.
- Поддържайте перките на топлообменника чисти.
- По време на подмяната на антифриза, периодично промивайте вътрешните стени на намотката.
Кое е по-добре: ремонт или смяна


Всички автомобилисти могат да бъдат грубо разделени на две категории. Първите вярват, че неуспешната част трябва да бъде заменена с нова. Последните са сигурни, че всичко може да се поправи. А фиксирането на радиаторите е честа тема на спорове.
Интернет е пълен с всякакви съвети как сами да отстраните теча. Някои използват специални съединения. Други изпълват системата с агенти за преодоляване на пукнатини. Понякога някои методи помагат за удължаване живота на детайла за известно време. Но в повечето случаи тези техники само запушват охладителната система.
Има смисъл да се ремонтират медни модели, защото те са достатъчно лесни за запояване. При алуминиевите аналози ситуацията е различна. Те могат да бъдат запоени, но това ще включва скъпо заваряване. Следователно разходите за ремонт на течащ радиатор ще бъдат почти идентични с цената на нова част. Има смисъл да се съгласите с тази процедура само в случай на скъп модел на топлообменник.
В повечето случаи ремонтите са само временна мярка, тъй като в охладителната система постоянно се натрупва високо налягане, което ще доведе до многократно понижаване на налягането на линията. Ако извършвате навременна поддръжка и почистване на системата, често няма да е необходимо да сменяте радиатора.Следователно, когато част се разпадне и скъпоценната охлаждаща течност се излее на земята, по-добре е да замените този уред, отколкото постоянно да изхвърляте пари за закупуване на друг контейнер.
Как да работим правилно?


Едно от най-важните условия за правилната работа на радиатора е да се поддържа чист и да се предотврати прекомерно налягане в системата. Вторият фактор зависи от капачката на разширителния резервоар.
Първата процедура може да удължи живота на този компонент. Трябва обаче да се направи правилно.
- Производителят категорично забранява повторната употреба на използваната охлаждаща течност. Дори да го почистите, той вече е загубил свойствата си и следователно вече ще бъде безполезен.
- Ако антифризът е много замърсен, преди да налеете нов в системата, той трябва да се промие с дестилирана вода (в никакъв случай не използвайте обикновена вода). Той не съдържа соли и примеси, които могат да се натрупат вътре в намотката и да намалят ефективността на охлаждане.
- При почистване отвън е важно да се вземе предвид, че ребрата на топлообменника са много тънки и следователно дори малки сили могат да ги огънат. Впоследствие това ще попречи на естественото издухване на тръбите на радиатора. Ако процедурата се извършва с помощта на мини-шайба, трябва да настроите малка глава. Струята трябва да бъде насочена перпендикулярно на перките, за да се предотврати преминаването на натрупаната мръсотия в топлообменника. Тогава той не може да бъде пречистен по никакъв начин.
Кой радиатор е по-добър?


В повечето случаи отговорът на този въпрос зависи от материалните възможности на шофьора. Моделите от меден месинг се поддават на евтини ремонти. В сравнение с алуминиевите аналози, те имат по-добри топлопредаващи свойства (коефициентът на топлопреминаване на медта е 401 W / (m * K), а на алуминия - 202-236). Цената на нова част обаче е много висока поради цената на медта. И още един недостатък - голямо тегло (около 15 килограма).
Алуминиевите радиатори са по-евтини, те са по-леки в сравнение с медни версии (около 5 кг) и техният експлоатационен живот е по-дълъг. Но те не могат да бъдат поправени правилно.
Има и друг вариант - да си купите китайски модел. Те са много по-евтини от оригиналната част за конкретна кола. Единственият основен проблем на повечето от тях е краткият им експлоатационен живот. Ако алуминиевият радиатор се справя с функциите си в продължение на 10-12 години, китайският аналог е три пъти по-малко (4-5 години).
За подробности относно аварии и поддръжка на радиатори вижте следното видео:
Радиатор за охлаждане на двигателя. Неизправности. Почистване.
Оценете публикацията
Устройство от алуминиева батерия
Като се има предвид устройството на алуминиев радиатор за отопление, трябва да се отбележи, че дизайнът на батерията може да бъде плътен или секционен.
Секционният алуминиев нагревател се състои от 3-4 отделни секции. Като правило към алуминия се добавят титан, силиций, цинк. Тези метали правят продукта по-траен и устойчив на разкъсване и корозия. Всички секции са свързани помежду си с помощта на конектор с резба. За уплътняване на връзката се използват силиконови уплътнения. Вътрешността на радиаторите е с полимерно покритие, за да се предотврати възможността за разрушаване на батерията.
Твърдите алуминиеви радиатори се състоят от профили. Профилите се правят чрез екструзия.
Към алуминиевите радиатори не се добавят допълнителни метали.
Какво придава на материала пластичност. Профилите са свързани помежду си чрез заваряване. Тази връзка е изключително издръжлива и надеждна. Подобно на секционните, еднокомпонентните модели радиатори са покрити с полимерен слой вътре.
В зависимост от метода на производство има радиатори, направени чрез отливане, чрез екструзия и анодизирани продукти (изработени от алуминий с по-висока чистота).
Технически характеристики на алуминиевите радиатори
С оглед на високите технически характеристики, много хора решават да закупят алуминиев радиатор за отопление на апартамент. Основните технически параметри включват:
- работно налягане. Той е в диапазона от 10 до 15 атмосфери. В жилищните апартаменти работното налягане може да надвиши нормата 3-4 пъти. В тази връзка такива радиатори рядко се инсталират в градските къщи. Но за частни къщи - такъв нагревател би бил идеално решение;
- тест за налягане. Той е в диапазона от 20 до 50 атмосфери;
- коефициент на топлопреминаване. За стандартната секция тя е 82-212 W;
- максималната температура на охлаждащата течност може да достигне +120 градуса;
- една секция може да тежи от 1 до 1,5 кг;
- вместимостта на всяка секция е от 0,25 до 0,46 л;
- разстоянието между осите може да бъде 20, 35, 50 см. Има модели, за които този параметър може да достигне 80 см.
Производителят посочва параметрите за всеки модел радиатор в паспорта на устройството. Имайки предвид техническите характеристики на алуминиевите радиатори, цената за тях е съвсем разумна и зависи от вида на батерията, броя на секциите и производителя.
Предимства и недостатъци на алуминиевите радиатори
Преди да купите алуминиеви радиатори за отопление, трябва да помислите какви предимства и недостатъци има това устройство.
Основното предимство на алуминиевата батерия може да се нарече компактност и много по-малко тегло от чугунените системи. Повече за чугунени отоплителни радиатори можете да прочетете тук. Оборудването се затопля много бързо и перфектно пренася топлината в помещението. Срокът на експлоатация е доста дълъг. Друго предимство е разделянето на секции - възможно е да се избере необходимата дължина на батерията. Трябва да се отбележи, че цената за алуминиеви радиатори е посочена за секция. Това улеснява изчисляването на приблизителната цена на секционното устройство.
Тъй като оборудването е малко и леко, то е лесно за инсталиране. Монтажът може дори да се извърши върху стена от гипсокартон. Модерните модели изглеждат естетически приятни и стилни. Алуминият е лесен за работа. Това позволява на производителите да експериментират с дизайна на батерията. Можете да изберете опция за всеки интериор. Най-вече алуминиевите радиатори са подходящи за автономни отоплителни системи. Въпреки високите технически характеристики и много предимства, цената за алуминиеви отоплителни батерии е доста достъпна.
Недостатъците на алуминиевите радиатори включват ниска устойчивост на корозия. Това може значително да повлияе на цялостното здраве на батерията. По своята същност алуминият е доста активен метал. Ако оксидният филм, покриващ повърхността, е повреден, защитният слой ще бъде разрушен поради отделянето на водород. За подобряване на антикорозионните свойства се използва полимерно покритие. Ако батерията няма полимерно покритие, крановете на захранващите тръби не трябва да се отварят. В противен случай налягането може да скъса батерията.
Днес алуминиевите батерии заемат водеща позиция в продажбите на отоплително оборудване.
Много хора предпочитат да закупят този тип отоплителни уреди и поради относително ниската цена. За алуминиеви радиатори средната цена на секция е около 230-300 рубли.













