РЪКОВОДСТВО ЗА ЕКСПЛОАТАЦИЯ Въведение …………………… ..
Страница 3
- Картина
- Текст
3
РЪКОВОДСТВО ЗА ЕКСПЛОАТАЦИЯ Въведение ………………………………………………. 4 Контрол и сигнализация ……………………. 6 Избор на режим на четене ……………………. 7 Избор на режим на настройка ………………………. 8 Съобщения за неизправност на котела …… .. 10 Схема за контрол на работата на котела …………. 11 Характеристики на котела …………………………. 12 Пускане и изключване на котела …………………. 13 Регулиране на работата на котела ……………… .. 13 Функции за безопасност на котела …………………… .. 15 Поддръжка и грижи ………… 17 Транспорт и съхранение ……………… .. 18 Гаранция и гаранция условия …………… 18 Технически параметри ……………………… .. 19 Свързващи размери ………………. 20 Схематична диаграма ………………………… 21
CKAT 6, 9, 12, 14, 18, 21, 24, 28 K
Серийният номер, обозначението на типа, техническите данни на котела са посочени на табелката с данни
разположен на долния панел на барабана на котела. За да прочетете информация на
на табелката е необходимо да се отстрани предният панел на корпуса на котела.
Разделът "Инструкции за експлоатация" съдържа описание на основните функции на котела.
и препоръки за безопасното му използване. Раздел "Инструкции за инсталиране"
предназначен само за специалисти от сервизни и монтажни организации.
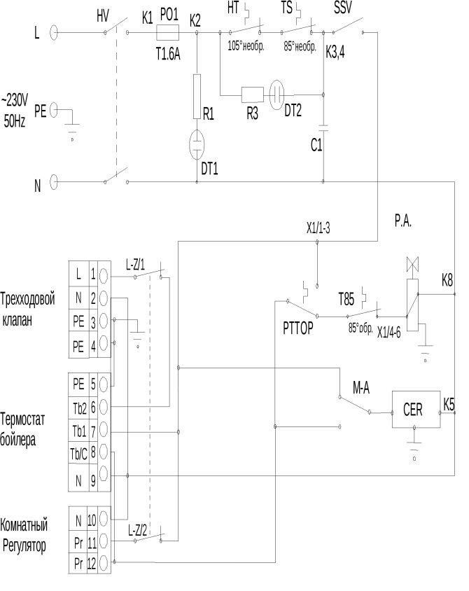
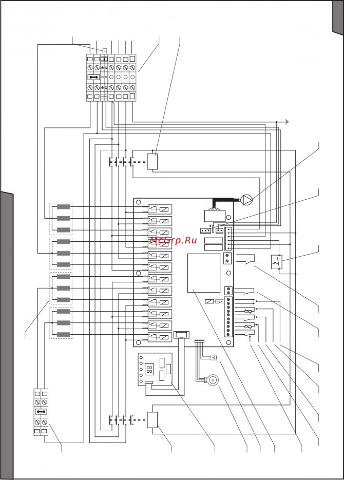
РЪКОВОДСТВО ЗА МОНТАЖ Въведение ……………………… .. ……………………………… .. 25 Свързване на котела към електрозахранващата мрежа ………. 26 Схема на свързване за свързване на котел за непряко отопление …………………. 28 Схема на свързване на котела …………………. 30 Неизправности на котела …………………………… 37
0020095669_04

Инсталиране и стартиране на котела


Котлите с мощност 6 и 9 kW могат да бъдат свързани към еднофазна мрежа
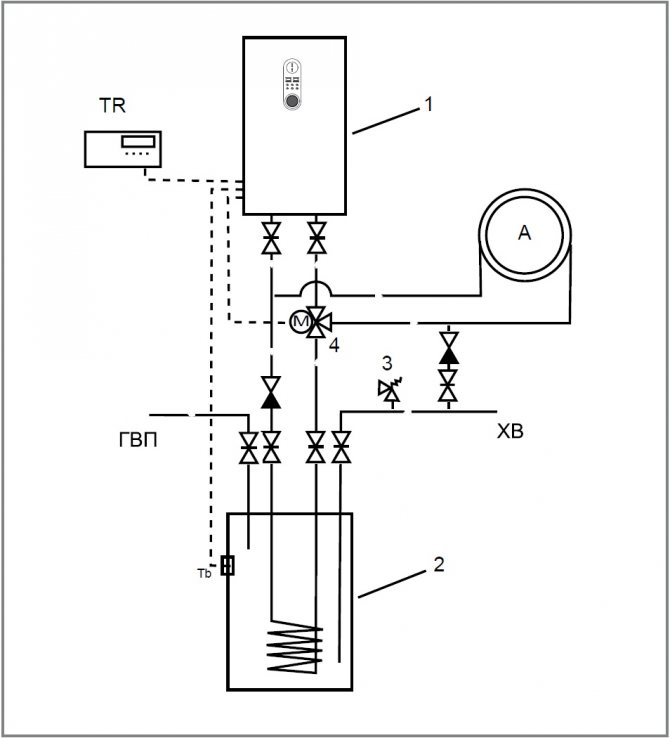
Оборудването е окачено на стената с винтове. Свържете тръбите към отоплителния тръбопровод. При допълнителна инсталация на котела се монтира трипътен клапан в точката на неговото свързване. Те са свързани към електрическа мрежа от 380 V. На входа е монтиран превключвател, който прекъсва подаването на ток. За захранването е положен отделен захранващ кабел. Всички точки на свързване са заземени.
Електрически котел Protherm Skat 9 kW и 6 kW може да бъде свързан към еднофазна мрежа с помощта на свързващ мост, включен в комплекта оборудване. Той свързва фазите на проводниците на клемния блок. За да стартирате устройството, отворете крана за подаване на вода, доведете налягането в системата до 2 атм, стойността на температурата ще се появи на дисплея и светлината ще се включи.
Повече подробности за работата на котела, за настройка на различни режими на работа можете да намерите в инструкциите за монтаж и експлоатация на котел Skat Protherm.
Въведение
Страница 4
- Картина
- Текст
4
Станали сте собственик на електрически котел с директен поток за централни отоплителни системи с възможност за регулиране на топлинния комфорт. Надяваме се, че електрическият котел Skat ще ви служи дълго и надеждно. Когато го инсталирате и поддържате, трябва да се спазват определени правила. Затова ви молим да прочетете внимателно съдържанието на това ръководство за поддръжка и, когато работите с котела, действайте в съответствие с препоръките и инструкциите, дадени в него. Вярваме, че електрическият котел SKAT ще ви помогне да създадете приятна атмосфера и оптимален топлинен комфорт у дома. Моля, обърнете внимание на следните основни моменти:
1.
Котелът, заедно със съответното оборудване, трябва да бъде инсталиран и използван в съответствие с проектната документация, съответните закони и технически разпоредби в сила и инструкциите на производителя.
2. Котелът трябва да се монтира само в
специално проектирани помещения.
3. Пускане на котела в експлоатация след
инсталации могат да се извършват само
специалист от специализирана организация, сертифицирана от Protherm.
4.
Котелът отговаря на изискванията на стандартите и нормативните документи, които са в сила на територията на Руската федерация, което се потвърждава от Сертификат за съответствие, издаден от упълномощен орган, Разрешение за използване от Федералната служба за екологичен, технологичен и ядрен надзор .
5.
В случай на неизправности се свържете само със специализирана сервизна организация - непрофесионална
Въведение
подправянето може да повлияе на гаранцията на оборудването.
6.
Служителят на сервизната организация, пускаща котела в експлоатация, е длъжен да запознае потребителя с мерките за безопасност при обслужване на оборудването и контрол на работата на котела; операции, които потребителят има право да извършва самостоятелно и операции, които само квалифициран специалист от сервизната организация има право да извършва. Ако посочената сервизна организация е и доставчик на котела, тя е длъжна да гарантира, че оригиналната опаковка на котела се съхранява в случай на възможно транспортиране.
7. Проверете целостта и пълнотата.
доставка.
8. Уверете се, че предоставеният ви тип е
котелът според неговите входни параметри (посочени на табелката) е подходящ за работа в този регион. Входните параметри означават: напрежение на електрическата мрежа.
9. В случая, когато нямате определена
за да сте сигурни в правилността на действията си по поддръжката на котела, намерете и внимателно проучете съответните инструкции и препоръки, съдържащи се в това ръководство за поддръжка, и действайте изключително в съответствие с тях.
10.
Не отстранявайте и не повреждайте маркировките или надписите върху котела.
Запазете оригиналната опаковка на котела в случай на възможно транспортиране непокътната, докато котелът бъде пуснат в експлоатация.
11.
Използвайте само оригинални резервни части за ремонт. Забранено е да се нарушава вътрешната структура на котела и да се правят промени в неговата структура.
12.
В случай на продължително изключване на котела се препоръчва да се изпразни и да се изключи от захранването. Тази препоръка е направена, като се вземе предвид общото


Устройството на електрически котли Protherm
Електрическите котли protherm са модерно висококачествено решение за отоплителната система.
Произвеждат се на територията на Словакия и имат доста високи експлоатационни характеристики.
Котелно устройство:
- цилиндричен топлообменник, изработен от стомана;
- отоплителни резистори от мед.
Иновативен елемент, който е инсталиран при проектирането на електрически котли protherm, е помпа с автоматичен клапан за изпускане на въздух. Устройството има още индикатор за налягане, предпазен клапан и 10-литров разширителен резервоар.
Котлите са оборудвани с електрически превключващ блок, който позволява лесно регулиране на мощността. Настройката се извършва с помощта на два превключвателя.
Освен това има и електронно регулиране, което осигурява функцията за регулиране на мощността и стъпково изключване. В същото време се осигурява закъснение при включване на етапите на отопление, равно на около 20 секунди.
Котлите за отпадъчна топла вода са предназначени за приготвяне на топла вода за промишлени и битови цели с максимална проектна температура до 115 ° C.
Прочетете за това какви електрически котли за топла вода са тук.
Това предотвратява появата на силни скокове на напрежение при включване и изключване на устройството, което може да доведе до повреда на оборудването.
Циркулационните помпи, които се инсталират в електрически отоплителни котли, се произвеждат от известни компании - Wilo или Grundfoss. Тяхната характеристика е работата в специален режим, който предотвратява износването на устройството.
След като отоплителното устройство на котела е изключено, помпата ще продължи да работи известно време (около две минути), като по този начин осигурява циркулация в системата за охлаждане.
Електрически котли Proterm Skat
___________________________________________________________________________________________
- Подови котли Bear KLOM, KLZ, TLO, PLO
- Стенни котли Panther, Cheetah, Jaguar, Leopard, Lynx
Той беше ангажиран с инсталирането на котел Proterm Skat 9 kW, котелно помещение и подово отопление. Вчера заредих системата, дадох налягане от 1,7 бара. Подготовка за захранване. Възникна въпросът: Измервам налягането с външен манометър - монтирах го на връщащата линия. Но кой е манометърът в котела? Явно трябва да е подготвен за работа по някакъв начин. Явно трябва да го огънете назад? В противен случай няма да го гледате отдолу. Моля, посочете как да го огънете, за да не счупите всичко или изобщо да не го докоснете? Не е нужно да огъвате нищо. Долен механичен манометър за визуално управление, когато устройството не е свързано към електрическата мрежа. За работа е достатъчно електронното меню на устройството. Как да превключите, прочетете инструкциите. Моля, кажете ми каква е причината за изискването на инструкциите за монтаж на електрическия котел Proterm Skat 12 kW, който казва, че разстоянието до тавана от горната част на котела е 700 мм? При подмяна нагревателните елементи се изтеглят нагоре. Разстоянията от 40-50 см трябва да са достатъчни. Помогнете ми да разбера такъв проблем. Инсталирах котел Protherm Scat 18 kW, през родния трипътен клапан Fugas и температурния сензор, към него свързах котела за индиректно отопление Hajdu STA 300 C. Мощност, след това към Налягане и по-нататък в кръг. Не мога да настроя съответно температурата на топлата вода. По каква причина уредът може да не вижда котела? Системата за отопление беше стартирана нормално, настроена и въздухът беше изхвърлен. Радиаторите се нагряват добре, няма проблем. Устройството все още работи при 6 kW, температурата на охлаждащата течност е 55 градуса. Трипътният клапан е включен в своето положение, сензорът е свързан, но проводникът му е удължен с 10 метра с проводник с напречно сечение 0,7 квадрата. Може би това е проблемът или нещо друго? Сензорът беше заседнал на грешното място. Провери отново. Инсталацията на отоплителната система е към своя край и ще е необходимо да стартира електрическият котел Proterm Skat 6 kW. Кажете ми какво да правя с вентилационни отвори и т.н., как и какво да развивам, къде да оставя какво да развивам? И все пак, черен пластмасов фитинг с резба, за който е написано, че трябва да се оттича на улицата или в канализацията - наистина ли е необходимо да се направи това? Включване - автоматично изключване? В процеса на изтичане на въздух вероятно ще е необходимо системата да се презареди до определен натиск? Както разбирам, вашата система също е пропилен, колко градуса максимум подавате в пропилен? Отворете за постоянно отдушника на помпата (няколко завъртания на капачката). Източете въздуха от топлообменника с кран през прозрачна тръба, изпусната от бутилката. Пуснете устройството за 10-20 секунди. Изключи. Отново издухвайте въздуха от крана. Бягайте за няколко минути. Спри се. Отново спуснете. Ако от тръбата излезе антифриз без мехурчета, можете да включите котела за постоянно и да отидете за изхвърляне на въздух от радиаторите през крана на Маевски. След един ден проверете дали в антифриза от тръбата все още няма мехурчета. След 3-4 дни преминете отново през радиаторите, пуснете въздуха. След седмица повторете отново. Никога не затваряйте отвора за въздух на помпата.При изпомпване може да избухне от фитинга. Поне докато системата достигне показатели за ефективност - заменете нещо. Тогава не е необходимо. Включено изключено. автоматично, да. Може и ще трябва да се храни. Зависи колко първоначално изпомпвате. Имам PP тръби, не препоръчвам повече от 75. Но настроих времето така, че да е 75 градуса, само като се започне от -5 навън, а при други температури - по-доброкачествени стойности. Електрически котел Proterm Skat 14 kW. Има схема за работа на този модел за подаване на топла вода чрез трипътен клапан и NTS сензор. Например имам електрически котел от 9-12 kW, за отопление ми трябват само 6 kW. Аз, разбира се, го спускам от панела за настройки до необходимия. Но при преминаване към отопление на БГВ, колко ще консумира? Запазени ли са настройките на мощността както за БГВ, така и за отопление? Възможно ли е да се доставят, например, също 6 kW за отопление на БГВ? Изходът на БГВ не е регулиран (винаги пълен изход). Вашето захранване с топла вода не винаги работи. А при по-голяма мощност устройството ще загрява водата по-бързо. Какво е по-икономично, за да се отоплявате по-дълго със слабо устройство или по-бързо с мощно, трябва да погледнете. Неизправност на електрическия котел Proterm Skat 28 kW. Грешка F20 се запали, изкачи се да търси червен бутон, капачката не се плъзна по него по никакъв начин, изкована с отвертка и късо съединение на терминала на сензора, който с бутона, към кутията на тенов, малка искра, устройството изгасна и не се включва. Какви са последствията? Вижте предпазители. Има 2,80 mA и 1,6 A. Къщата е 100 квадратни метра, планирам да инсталирам и инсталирам електрически котел Protherm Skat 9 kr-13, планирам да донеса 3 фази от 3x5 kW в къщата, ако една от фазите е намали (и това е, което имаме често), тогава устройството няма да работи на останалите две? Може би тогава да се свържете с такъв? Реле за управление на фаза? Може да работи на две. Но ако фазата, от която се захранва управлението, бъде прекъсната, устройството, разбира се, ще изгасне. Е, разбира се, при две фази максималната мощност ще спадне с една трета. За да не угасне устройството от прекъсване на захранването на контролната платка, по-добре е да го захранвате чрез реле за избор на фаза - един вид ATS. По-добре е да не записвате от една фаза. Кажете ми, съгласно инструкциите при инсталиране на котела Proterm Skat 12K, свободното разстояние отгоре трябва да бъде поне 800 мм. В моя случай се оказва 400. Ще бъде резервно, основният апарат е газ. Какъв е рискът от нарушаване на свободното разстояние? За да замените нагревателните елементи, котелът ще трябва да бъде демонтиран. Има ли смисъл да захранвате помпите на веригите от линията за активиране на помпата през силовите релета? За да изясня съмненията си: електрическият котел Protherm Skat 6 kW се управлява чрез Zont от температурата в котелното - първоначалната версия на домашна собственост. А помпите на веригите (топъл под, отоплителни радиатори) - работят непрекъснато. FUGAS вече е свързан към външните контакти за управление на помпата. Възможно ли е (с помощта на силови релета) да се преконфигурира работата на помпите върху гребена от алгоритъма на вградената помпа? Помпата е спряла - „контурните помпи са замръзнали“. И обратно. Доколкото разбирам проблема, мощността на контактите, които контролират работата на вградената помпа, не е достатъчна за управление на допълнителни помпи? Ако е така, свържете контактор (реле) вместо вградената помпа. И закачете на него всичко, което трябва да се включва / изключва едновременно. Помогнете да разберете проблема с електрическия котел Skat 14 kr-13. Дисплеят показва 4,5 бара, докато механичният манометър е 1,1 - 1,2. Няколко пъти това вече се случи, коригирах го, като рестартирах устройството. Този проблем не работи вчера. Устройството е 3-ия месец в експлоатация. Какво да правя и как да продължа? Каква е причината? Има два начина: ако инсталирането и стартирането са били извършени официално, тогава подайте иск при продавача или инсталатора. Ако всичко е било направено независимо, тогава полето на възможностите е много по-широко: не се притеснявайте. В края на краищата има механичен манометър и предпазен клапан. Проверете качеството на захранването. Може би някои смущения внасят грешки в измерванията. Сменете сензора, ако не помогне - платката (може периодично да се повреди, неправилно обработвайки данните, получени от сензора). Поканете ASC за диагностика.Независимото стартиране, дори при условията на гаранцията, все още не е окончателната присъда. Котелът Proterm Skat 18 kW работи. Работи по радиатори и подово отопление на 1-ви етаж. Имам два въпроса за специалисти. Към устройството са свързани външен температурен датчик и стаен, ние работим нормално вече втора година. За тази зима сглобих и свързах дистанционно управление, което при наше отсъствие поддържа около 10С и при необходимост предварително превключваме устройството в нормален режим. Освен това системата се опитва да вземе предвид нощната тарифа. Всичко би било добре, но искам още - обратна връзка. Тоест, наблюдение на мощността, температурата на водата, налягането и възможните съобщения за грешки при работа. Всъщност въпросът е - откъде мога да взема схематичните схеми на контролната платка и основната платка (не знам как се нарича правилно)? Много е необходимо. Съдейки по описанието, при свързване на топъл под е необходимо да се свърже авариен термостат към устройството. Всъщност виждам джъмпер на необходимите контакти на електрическия котел. Какво съветвате? Всичко, което ми идва на ум, е да огранича температурата на охлаждащата течност. Сега тя е ограничена до 60С, което естествено има отрицателен ефект върху скоростта на отопление на помещенията. И възможно ли е да инсталирате този термостат, без да разглобявате подовете? Къде обикновено е инсталиран и каква температура на охлаждащата течност за пода се счита за критична? Инсталирах електрически котел Protherm Skat 9 kW, в процеса на изучаване на Инструкциите за монтаж и експлоатация на котела намерих информация, че трябва да има минимално разстояние до тавана над котела - 800 мм. Каква е причината, защо такава празнина? Не намерих такова изискване в инструкциите за газовия агрегат. Това ли е спецификата на електрически котел? Всъщност получавам около 400 мм. Това голям проблем ли е? 800 mm са необходими за подмяна на нагревателния елемент, ако имате 400 mm, тогава за подмяна на нагревателния елемент ще трябва да извадите устройството, това няма да повлияе по никакъв начин на работата му. Електрически котел Protherm Skat 12 kr-13 работи. Термостат Evan ZONT H-2 като стаен термостат. Няколко сензора в различни зони на къщата. Термостатът също така поддържа възможността за свързване на външен сензор и работа в зависимост от времето (автоматизация, зависима от времето). В същото време самият уред също има изход за свързване на датчик за външна температура, например S010075. Логиката на котела, който има едновременно свързани стаен термостат и външен сензор, не ми е ясна. Опитвам се да намеря най-доброто решение. Алгоритмите PZA в чадъра все още са крайно непълни. В котела PZA работи перфектно и по малко по-различен начин. Чадърът дърпа захранването на апарата, за да симулира PZA, и апаратът модулира мощността си в съответствие със собствения си PZA. Тоест принципът на PZA е съвсем различен: чадърът е включен / изключен. с пълен капацитет за поддържане на температурата на охлаждащата течност, устройството просто променя текущата си температура на охлаждащата течност в менюто, като същевременно адаптира мощността. Използвам електрически котел Protherm Skat 6 kW за втори сезон в нощен режим и през последния месец получих малко по-висока сметка за електроенергия, отколкото за последните цикли от време. Като изключите всички имейли. потребителите, освен него, разбраха, че той консумира 6,5 киловата. Може би някой знае какъв е проблемът? Е, ако той консумира 6.5, тогава той дава 6.5. Всъщност най-вероятно следата е в повишеното напрежение във вашия контакт. Инсталиран в къща (150 кв. М.) И свързан към отоплителната система, електрически котел Proterm Skat 14K. След две седмици работа стойността 14 изчезна в менюто за избор на мощност (kW), тоест мога да избера 2,4,7,9. Разбира се, това не е критично, не използваме пълната мощност (тя е включена до максимум 9 kW), но бих искал да разбера с какво е свързано това. Визуално платката е цяла и контактите за окабеляване на нагревателните елементи също. Устройството работи от 2,5 месеца от момента на монтажа и случайно попаднах на него. По време на инсталацията съветникът показа как да използва менюто и зададе 9 kW и само след две седмици се опитах сам да включа захранването. След инсталацията не видях индикация 14.Обади се на майстора и каза, че не е поставил специално ограничение. Седя и мисля, или той случайно е поставил ограничение, защото след отговора ви разбрах, че това е реално и е възможно да се преконфигурира бойлера или нещо се е счупило. Изключих устройството от мрежата, това не помогна. Дано проблемът не е сериозен. Все още не съм инсталирал релето за разтоварване, но се замислям, тъй като в къщата идва 15 kW и когато се използват мощни консуматори като котел и котел, е необходимо. Просто в сервизното меню можете да зададете максималната мощност на котела, над която по-късно няма да е възможно да го настроите чрез обичайното меню. Сигурни ли сте, че след посещението на инсталатора устройството ви е дало 14 kW? Просто не си спомням, че електрическият котел изключи мощността на нагревателните елементи от менюто в случай на повреда. Опитайте да го изключите автоматично в таблото (когато няма да се нагрее) и го включете отново. Пуснах електрическия котел Proterm Skat 9 kW и забравих за маркуча за източване със сив грамофон върху контейнера с нагревателните елементи, той кипеше дълго време (около 20 минути), но той загряваше водата в BKN в нормалното режим, а след това също стартирах отоплителния кръг, като всичко също е нормален режим. Сега въпросът измъчва: запалих ли нагревателните елементи или всичко беше наред? Е, едно, две, три, всички нагревателни елементи или ще се затворят, или обратно ще бъдат в скала. Или част ще се затвори, част ще бъде в пролуката. Той ще се прояви или в късо съединение, или в намаляване на скоростта на нагряване. Или може би имате късмет, всичко ще се получи. Можете ли да ми кажете дали е възможно да се увеличи мощността на електрическия котел Skat от 12 kW на 18 kW чрез подмяна на нагревателните елементи или все пак трябва да промените нещо в управлението на блока? Контактът с външния стаен термостат спря да работи. Наскоро извадих проводника от термостата към устройството, за да свържа термостата към дизелов котел. Когато поставих проводника обратно, електрическият котел спря да реагира на него - той се включва във всеки случай, независимо дали веригата, преминаваща към термостата, е отворена или затворена. Освен това, ако извадите блока от платката, в който всъщност е залепен проводникът от термостата, той пак се включва, сякаш е поставен джъмпер. Въпреки че на теория в този случай всичко е отворено и не трябва да се включва. Електрически котел Proterm Skat 6K работи. Площта е около 50 кв. м. с коридор, баня и втори етаж. Биметални радиатори. Два отоплителни кръга се отделят от апарата отделно: първият етаж, кухнята, банята (4 радиатора) и вторият кръг към коридора, вторият етаж (4 радиатора). Всяка верига може да бъде изключена, всеки радиатор може да бъде изключен. Пропиленова тръба 32. Какво се тревожи: При нагряване на една верига, без значение какво - всичко работи добре. При свързване на втория кръг (втори етаж и коридор), температурата на водата не се затопля над 54 градуса, дори ако изключа всички радиатори на втория етаж. Какво не е наред? Помпата е гореща, нормално ли е това? Помпата работи ли постоянно с най-бързата си скорост, нормално ли е това? Има ли смисъл да регулирате скоростта на помпата? Стигнах до включването на настройките на помпата, тя показва 0, а след това какво да направя, за да достигна 16 и какво тогава? Така че някой не е имал инструкции до края. Помогнете да свържете стайния термостат, буквално, къде да залепите какво. Разбрах го на уреда, но дори електротехниците не могат да кажат с регулатора. Колко трябва да бъде? Отвеждането на топлината на радиаторите трябва да е с 10 процента повече от максималната мощност, не виждам проблеми, може би 2-рият етаж не е достатъчно изолиран. Вземете пирометър, измерете захранващите / връщащите разклонения, нещото е необходимо и не е толкова скъпо като термокамера. Може би си струва да помислите за инсталиране на хидравлична стрелка и свързване на вашата собствена помпа към всеки клон. Да, нормално е, има мокър ротор, трябва да има температура на връщане. Изкачете се на грешното място. Точка на скоростта на помпата 19. Изтеглете сервизното ръководство и го прочетете внимателно. Прилепете се към сухи контакти, това са терминали 1 и 0, мултицет, който да проверите, за да ви помогне. Не се свързвайте с 220 при никакви обстоятелства. Електрически котел Protherm Skat 12 kr-13 е в експлоатация (закупен и инсталиран преди месец и половина).Ограничението на мощността е 10 kW, температурата на охлаждащата течност е ограничена до 65 градуса. Работи само за отопление (отопляема площ 115 кв. М.). Охлаждащата течност може да се нагрее до максимум 48 градуса и това е всичко. Работейки при 10 kW (според дисплея), той всъщност консумира около 7 kW (според електромера). Уредът беше проверен, всичко е в ред с него. Съседите имат същия проблем, но друго устройство. Електротехниците казаха, че проблемът в електропреносната мрежа е ниско напрежение (174-200v и не е еднакво във фази). Препоръчано е да се инсталира мощен регулатор на напрежението. Въпросът е - ако сложа регулатор на напрежение, дали наистина ще позволи да се повиши температурата на отопление? И коя версия на стабилизатора е по-добра: една трифазна или три еднофазни? Всъщност електрическият котел няма да може да надвиши мощността, разпределена на къщата, тъй като при това напрежение и мощността е пропорционална на квадрата на напрежението, устройството произвежда половината от номиналната мощност и дори по-малко. Получихте правилния съвет, режимът 12 кВт ще ви позволи да премахнете малко повече топлина от него. Но инсталирането на стабилизатори няма да реши напълно проблема, тъй като при ниско напрежение действителната мощност, която можете да вземете от мрежата, е много по-малка от тази, ограничена от входния автомат. Ако отоплителната система не може да установи нормално напрежение в мрежата, оставете го да позволи увеличаване на мощността на машината. В този случай ще има смисъл да инсталирате стабилизатори (или да смените нагревателните елементи за по-мощни). Неизправност на котела Proterm Skat 6 kr-13. След включване се изключва след 5 секунди. Какъв е проблемът? В изгорял / изгорял елемент на нагревателния елемент. Други опции са малко вероятни, освен ако, разбира се, това се случва в режим на празен ход. Пуснах котела Proterm Skat 9 kr-13, тъкмо щях да купя Instat-2, но се оказа, че не е в производство. Какво препоръчвате в замяна? Погледнете по-отблизо Termolink S и SD 2000. Инсталирах и свързах електрически котел Protherm Skat 12 kW, стартирах го сам, всичко беше според инструкциите, въздухът беше обезвъздушен преди стартиране. Радиаторите се загряват, всичко е както се очаква, температурата се поддържа. Но след като го включите, той започва да жужи силно, можете да го чуете в къщата много добре. Проверих въздуха, пуснах отново кръв, не беше много. Въпрос към тези, които имат едно и също устройство, бръмченето нормално ли е? Как ви действа? Да, впечатлението е, че самата помпа си тананика. Най-вероятно помпата и ако скоростта й е настроена твърде висока за вашата система, тогава може да има смисъл да намалите скоростта. Когато системата е твърде затегната, охлаждащата течност може да премине звуковия праг и в тръбите започва характерен звук. Електрически котел Proterm skat 9K. Възможно ли е да се управлява безболезнено от генератор, използвайки схема на еднофазно превключване? Модели 6K и 9K могат да работят от мрежа с напрежение както 380V, така и 220V, други само от 380V. Ако това не затруднява, можете да очертаете нюансите на схемата на тръбите на вашия котел. В близко бъдеще ще инсталирам електрически котел Protherm skat 6K, сега събирам информация за тръбопроводи. По-добре е да поставите долния ръб на устройството на едно ниво с котела, така че дисплеят да е на нивото на очите. Използвах обикновена PPR тръба за захранване на VTP колекторите - пътят към устройството е отворен за кислород. Инсталиран и свързан електрически котел Protherm Skat 9k. Когато температурата на охлаждащата течност падне до 30-35 градуса, налягането пада под 0,6 и котелът съответно спира с грешка F22. Системата е затворена, един етаж, в системата няма циркулационна помпа (само в апарата). При изключен котел изпомпайте разширителния резервоар до 0,8, след това подайте системата до 1 бара през връщащата тръба, включете ли я? Не можете без циркулационна помпа? Изключваме устройството и източваме водата от него, едва след това го изпомпваме (дренажният клапан е отворен). И защо циркулационна помпа? Ако ги изпомпвате при липса на водоснабдителна система, тя няма да вдигне повече от 0,6. Нещо се случи с бойлера Skat 12K. Автоматът изби. Преди не показвах никакви грешки на дисплея, добре, поне те не ги виждаха. Опитахме се да го включим. Отначало той започна да се включва и веднага се изключи.И сега на сутринта щраква, червените лампички под капака мигат. Той не се включва, дисплеят не светва, индикаторите на дисплеите не светят. След това се оказа, че кабелът от дисплея е паднал. Поставиха го на място, дисплеят заработи. Включваме го, той започва да работи и след това намалява фаза 0. Свързан ли е чрез автоматична машина (може би трябва да използвате автобус)? В блока на нагревателните елементи има повреда на кутията или късо съединение, най-вероятно повреда и имате диференциал. машина. Използвайте индикаторна отвертка, за да проверите наличието на фаза на корпуса. Вземете мегаомметър (или много добър мултицет), изключете нагревателните елементи от дъската и пръстена. На късо съединение / повреда. Кажете ми, ако източите водата от тръбите, тогава няма да остане вода в електрическия котел Protherm Skat 14 kW? Планираме ли да изключим отоплението за една година, да съхраняваме устройството в топло помещение или може да се съхранява в неотопляемо? Най-вероятно водата ще остане в коляното, което води от резервоара на котела до помпата. Може да се изпразни, като се премахне. Трябва да се оттича от останалата част на мястото. Инсталиран електрически котел Proterm Skat 18 kW за радиатори и подово отопление. Бих искал да науча отдалеч за температурата на охлаждащата течност и дали възелът изобщо работи (има ли прекъсвания на тока). Какво съветвате? Поглеждам към Micro Line GSM-Climate ZONT H-1, но изведнъж има алтернативи? И заслужава ли си да инсталирате термолинк, наистина ли има полза от него по отношение на икономия на електроенергия? Следният проблем се формира с електрически котел Proterm Skat 24 kW. След 4 месеца нормална работа се появи следната неизправност. Включвам, провежда се диагностика, помпата се стартира, нагревателните елементи се включват постепенно до 24 kW, температурата започва да се повишава, след тридесет минути нагревателните елементи изведнъж се изключват 24-22-20 ... -0 , докато номерът на грешката не свети, след което уредът се опитва отново да включи нагревателните елементи, но незабавно ги изключва и така продължава да се опитва да стартира. Ако го изключите от електрическата мрежа и го оставите да престои и се охлади за около 30 минути, той може да работи известно време в нормален режим и след това да се изключи отново. Налягането в системата е 1,5, температурният датчик не е отхвърлил никакъв ефект от тръбата, аварийният термостат е нулиран, системата е чиста, вода се излива. Обърнах се към сервизния център - отказаха по гаранцията, тъй като нямаше пускови работи, дори не си направиха труда да погледнат котела за фабричен дефект, просто се отписаха и предложиха да направят ремонт с подмяна на платката с монтаж за половината от цената. Може би някой е срещнал подобен проблем или има предположения, които все още можете да видите. Неизправности и грешки на електрическия котел Proterm Skat Stuck relay - В такива случаи светодиодът HDO ще започне да мига на контролния панел. Устройството ще се опита да откачи релето самостоятелно и в случай на повреда на дисплея се появява съобщението за грешка F41. Уредът ще започне да работи с минимална мощност. Ако след изключване и включване отново започне да работи в нормален режим, но HDO LED продължава да мига на дисплея, трябва да се свържете със специализирана сервизна организация. Проверка: Когато командата за нагряване на отоплителната вода е отменена - в края на цикъла на отопление на отоплителната вода (отваряне на кръга RT) или подаване на топла вода (температурата на водата в резервоара за съхранение е достигнала зададената стойност). Когато се активира „програмируемият ограничител на температурата“, т.е. в случай на превишаване на зададената температура с 5 C. Тази функция се активира в случаите, когато устройството е в режим на готовност (т.е. няма команди). Функцията стартира, когато детекторът е активиран. Ако устройството работи с джъмпер и външен температурен датчик без нагряване на подаването на топла вода, тогава подобен проблем с релето може да бъде пренебрегнат, докато температурата на водата в системата, изчислена от еквитермалния блок за регулиране, надвиши 5 С. Проверка на залепването на релето не зависи от режима на работа. Той е свързан с текущото състояние на функцията за отопление. Докато последният е изключен и се проверява състоянието на релето. Устройството е в подобно състояние всеки път, когато нагревателните елементи спрат да работят, т.е.след отмяна на командите за нагряване на отоплителната вода и подготовка на подаването на топла вода, активиране на системата за защита от замръзване - отопление. Когато се активира програмируемият ограничител на температурата - зададена стойност + 5 C. В случай на задействане на детектора (например при случайно затваряне на релеен контакт), функцията се активира. Освен това функцията се активира в следните случаи: БГВ - случаи 1 и 2, ОВ - стаен термостат - 1 и 2, ОВ - джъмпер и външен температурен сензор. Намаляване на налягането на водата в отоплителната система - Когато налягането на отоплителната вода в системата падне под 0,8 бара, индикаторната лента ще мига. Електрическият котел ще продължи да работи, но в същото време е необходимо да се увеличи налягането на водата, циркулираща в отоплителната система, до 1-2 бара посредством нейното попълване. След достигане на необходимото ниво на водно налягане в отоплителната система, тя автоматично ще се върне към нормална работа. Ако неизправността не може да бъде отстранена, трябва да се свържете със специалист. Кодове на грешки за наклона на котли Protherm и тяхното значение Грешка F00 - Отваряне на веригата на NTC сензора на изхода на изходящия въздух. Неизправността се показва, когато се отвори веригата на сензора NTC, инсталирана на OB клемата. Съобщението ще бъде изчистено автоматично след повторно свързване на NTC сензора. Отварянето на веригата на NTC сензор се случва, когато напрежението се повиши над 4.75 V. Грешка F10 - Късо съединение на NTC сензора на OB клемата. Неизправността се показва в случай на късо съединение на NTC сензора, монтиран на OB клемата. Съобщението ще бъде изчистено автоматично след повторно свързване на NTC сензора. Открива се късо съединение на NTC сензора, ако напрежението в неговата верига е под 0,45 V. Грешка F13 - Късо съединение на NTC сензора на външния резервоар за БГВ. Неизправността се показва на дисплея в случай на късо съединение в NTC сензора на външния резервоар за БГВ. Съобщението ще бъде изчистено автоматично след повторно свързване на NTC сензора. Открива се късо съединение на NTC сензора, ако напрежението в неговата верига е под 0,45 V. Грешка F19 - Късо съединение на сензора за външна температура. Неизправността се показва, когато сензорът за външна температура е късо съединен. Съобщението ще се изчисти автоматично след повторно свързване на NTC сензора. Късо съединение на NTC сензора се открива, ако напрежението в неговата верига падне под 0,45 V. Грешката не се показва, ако функцията за еквитермално регулиране (E-) е неактивна. В този случай устройството продължава да работи в нормален режим на отопление (без равномерно регулиране). Грешка F20 - Прегряване на модула. Неизправността се показва в случай на активиране на аварийния термостат в резултат на прегряване на устройството. Съобщението ще се изчисти автоматично след ръчно нулиране на аварийния термостат. Грешка F22 - Загуба на вода - недостатъчно налягане на водата в отоплителната система. Показва се неизправност, когато налягането на водата в отоплителната система падне под 0,6 бара. Съобщението ще бъде автоматично изтрито, след като налягането на отоплителната вода в системата се повиши над 0,6 бара - в резултат на добавяне на вода към отоплителната система. Съобщение за грешка няма да се появи, ако сензорът за налягане е повреден. Грешка F41 - реле "лепкаво". Това съобщение ще се появи в случай на 5-кратен неуспешен опит на котела да "откачи" релето. Съобщението ще изчезне, когато го включите и изключите отново. Наличието на проблем с "лепкавото" реле след повторно включване на устройството продължава да се сигнализира от мигането на HDO LED. Съобщението ще изчезне след актуализиране на фабричните настройки на устройството, съхранени в EEPROM (код d96). Грешка F63 - Грешка в паметта на EEPROM. Това съобщение ще се появи в случай на проблем с данните, съхранявани в EEPROM паметта или грешка в EEPROM комуникацията. Съобщението ще изчезне след актуализиране на фабричните настройки на котела от EEPROM (код d96). Грешка F73 - Късо съединение (сигнал - GND) или прекъсване на датчика за налягане.Съобщението ще се появи в случай на късо съединение (сигнал - GND) или прекъсване на веригата на датчика за налягане. Съобщението ще се изчисти автоматично след повторно свързване на сензора за налягане на подходящото място. Идентифицира се късо съединение или прекъсване във веригата на сензора, ако напрежението падне под 1 V. Грешка F74 - Късо съединение (сигнал - +5 V) на сензора за налягане на изходящия въздух. Това съобщение ще се появи в случай на късо съединение (сигнал - +5 V) или прекъсване на веригата на сензора за налягане на изходящия въздух. Съобщението ще се изчисти автоматично след повторно свързване на сензора за налягане на подходящото място. Открива се късо съединение на сензора със сигнал +5 V, ако напрежението се повиши над 4 V. Грешка F85 - Замръзване на вода в устройството. Това съобщение ще се появи, ако температурата, показана от NTC сензора на изхода за отработен въздух, падне под 3 С. Съобщението ще се изтрие автоматично, когато температурата на водата, показана от NTC сензора на изхода за отработен въздух, се повиши над 4C. Съобщението няма да се появи, ако има повреда на NTC сензора на изхода. Грешка F86 - Замръзване на вода в резервоара за съхранение на БГВ. Това съобщение ще се появи, когато температурата на водата, посочена от NTC сензора в резервоара за съхранение, спадне под 3 С. Съобщението ще се изчисти автоматично, след като температурата на водата, посочена от NTC сензора в резервоара за съхранение, се повиши над 4C. Съобщението няма да се появи, ако NTC сензорът на резервоара е дефектен или функцията за нагряване на водата в резервоара е деактивирана - стойността на функцията е настроена на o.
___________________________________________________________________________________________
___________________________________________________________________________________________
Ремонт на газови котли AOGV Борино, ЖМЗ, Сибир, Алфа Калор, Термотехник. Настройка на газова автоматика Eurosit 630. Подмяна на термодвойката и поддръжка на запалителната горелка.
Неизправности и ремонти на котли Baxi Модели Luna, Luna 3 Comfort, Luna Duo Tec (F / Fi). Двуконтурен, турбокомпресор. Препоръки за отстраняване на грешки и неизправности. Настройки и настройка на режимите на работа.
Газови котли за отопление Bosch Модели ZWC, ZSA, ZSC, ZWR, Gaz 5000, Gaz 3000 W ZW, WBN 6000. Стенни, двуконтурни. Ремонти, настройки и неизправности. Опции за настройка на функции и режими.
Препоръки за ремонт Navien Deluxe Coaxial, Deluxe Plus, GA. Грешки и неизправности. Работа с дистанционно управление Ksital. Управление на системата. Работа по настройка на температурата и налягането.
Подови котли Buderus Ремонт на модели Logano G124, G125, G215, G234, G334. Повреди и неизправности. Работа със система за управление Logomatic и котел за индиректно отопление. Режими и функции.
Експлоатация на котли Vilant Turbotec Atmotec pro / plus VU / VUW INT модели. Компоненти и работни функции. Програми за настройка. Газова система. Монтаж и монтаж. Поддръжка и профилактика.
Подови котли Protherm Ремонт на моделите Bear, KLOM, KLZ, TLO, PLO с мощност от 20 до 50 kW. Повреди и неизправности. Експлоатация, поддръжка. Препоръки за задаване на работни параметри.
Lemax - ремонт и настройки Модели на газови подови котли Premium, Leader, Patriot. Експлоатационни характеристики. Първокласни, мъдри модели. Настройка на автоматична техника Eurosit, Minisit, Sit Nova. Котли на твърдо гориво Напред.
Стенни котли на моделите Protherm Repair of the Panther, Cheetah, Jaguar, Lynx, Leopard. Повреди и неизправности. Експлоатация и сервиз. Препоръки за регулиране на режимите на работа.
Beretta - ремонт и настройка Ремонт и експлоатация на котли Ciao, City, Novella, Exclusive. Стенни и подови модели. Неизправности и кодове за грешки. Работни функции и настройка на сервизни режими. Поддръжка.
Котли Teplodar Kupper PRO Работа и настройка на котли на твърдо гориво с мощност 22, 28, 36 kW. Монтаж на автоматична горелка за пелети APG-25, 36, 42. Настройки на режимите на работа.
Ремонт на газови котли Oasis Модели на стенни котли ZRT, ZRN, BM. Неизправности и кодове за грешки. Съвети за отстраняване на неизправности. Режими на работа и настройка на сервизни параметри. Поддръжка.
Отоплителни котли Alfatherm Описание на Beta подови котли и Sigma стенни газови котли. Неизправности и кодове за грешки. Въпроси за ремонт и отстраняване на неизправности. Основни работи по поддръжката.
Wolf - неизправности и ремонти Котелът Wolf е инсталиран. Забелязах, че с течение на времето налягането в него постепенно намалява (с около 1 на 2 дни). Проверих всички тръби за течове, но не открих нищо. Какво друго да проверите?
Газови котли Junkers След 7 години експлоатация газовият котел Junkers ZW-23-KE има следните проблеми. Когато БГВ започне да работи, тя или се изключва, или спира да работи ...
Ремонт на котли Neva Lux Neva Lux 8224 (Baltgaz), открива следния проблем: постоциркулационната помпа не се изключва, без значение каква е температурата. За да се увери, че това е така, той повиши температурата в ...
Цена ↑
Цената на електрическите котли зависи от нивото на тяхната мощност и варира в различните търговски обекти в следните граници:
- Скат 6 kW: 490-580 €.
- Скат 9 kW: 500-610 €.
- Скат 12 kW: 510-620 €.
- Скат 14 kW: 570-690 €.
- Скат 18 kW: 590-720 €.
- Скат 21 kW: 620-750 €.
- Скат 24 kW: 630-770 €.
- Скат 28 kW: 650-795 €.
Електрическите котли са значително по-евтини, започвайки от 350 €. За сравнение, котел Kospel с мощност 8 kW, подобен по параметри и качество, струва около 550 €. Но след като проучихте неговите характеристики, можете да обърнете внимание на факта, например, че той няма разширителен резервоар. Последните ще трябва да бъдат закупени отделно и инсталирани, което значително увеличава разходите.
Кратки инструкции за експлоатация
Компетентна настройка на газови котли Protherm осигурява оптимални температурни условия в помещения с различно предназначение и площ. Наред с други неща, регулирането на автоматизацията на такова оборудване допринася за увеличаване на ефективността на устройството и също така прави работата му надеждна и безопасна. Съвременната автоматизация решава проблеми:
- отваряне и затваряне на фитинги в газоснабдителната система;
- процесът на стартиране на устройството в автоматичен режим;
- инсталирано или аварийно изключване на котелно оборудване;
- регулиране нивото на пламъка в горелката с помощта на температурен сензор;
- показва индикатори за температура на въздуха, ниво на нагряване на отоплителния агент и други параметри на екрана.
Инструкции за настройка на газов котел:
- свързването на термостата към температурен датчик, фиксиран в стаята, и задаване на необходимите стойности ви позволяват да получите комфортен температурен режим за отопление;
- инсталирането на термостатичен вентил на захранващите тръби пред отоплителните радиатори спомага за промяна на площта на напречното сечение и лесно осъществяване на процеса на регулиране на температурата на топлоносителя;
- първото пускане на системата при пределна температура позволява на използваната охлаждаща течност свободно да влезе в резервоара, което допринася за нейното максимално пълнене;
- Подобряването на ефективността се улеснява от навременното отстраняване на котлен камък и сажди, както и контрол на липсата на въздух в системата и инсталиране на ограничител на течението;
- регулирането на индикаторите за налягане се извършва с помощта на специални регулатори на клапаните, а за увеличаване на налягането е инсталирана циркулационна помпа;
- намаляването на мощността на горелката на котела се извършва автоматично чрез сервизното меню, а управлението на мощността за увеличаване се извършва чрез инсталиране на допълнителни радиатори или подмяна на съществуващите с най-мощните модели;
- много агрегати се характеризират с пълна производителност при налягане от 1,5 атм. и обикновено тази стойност е 0,3 атм. по-ниски от показателите в отоплителната система;
- леко намаляване на нивото на налягане в уреда се възстановява по време на стандартно рестартиране;
- автоматичният избор на режим на работа на газовия котел помага да се поддържа желаното ниво на температурата дори при продължително отсъствие на потребители в помещението.
Процесът на първо включване на котела е придружен от неговата кратка и енергична работа, след като уредът е напълно свързан към отоплителната система, поради което е лесно да се провери правилността на монтажа на котелното оборудване и пълната функциониране на отоплението.










