Общи изисквания за монтаж на стенен газов котел
Устройства за генериране на топлина с мощност до 60 kW могат да бъдат инсталирани във всеки нежилищен район на къща или апартамент, с изключение на баня и тоалетна. За по-ефективна инсталация ще трябва да изградите специално помещение - котелно помещение.
Въпреки това, както локалната площ на котела, така и специално подготвената площадка (котелно помещение) трябва да отговарят на следните изисквания:
- В газово котелно помещение или помещение, отредено за поставяне на котел, трябва да има прозорец с площ от поне една четвърт от квадратен метър. Точните кадри от отвора на прозореца се изчисляват по формулата - ширина х дължина х височина на помещението х 0,03. Тоест, за всеки кубичен метър обем на котелното помещение има най-малко 0,03 м2 площ на прозореца.
- Височината на тавана в тази зона не може да бъде по-малка от 2,2-2,5 метра.
- Препоръчителната площ на котелното помещение или отделеното помещение се изчислява според съотношението 0,2 m2 = 1 kW мощност на котела.
- Огнеустойчивостта на стените на мястото на газовия котел е най-малко 75 минути. Огнеустойчивост на крилото на вратата - най-малко 30 минути. Ако естествената пожароустойчивост на строителните материали не е достатъчна, тогава тя трябва да бъде увеличена чрез завършване на стените с мазилка (дебелина на слоя най-малко 10 милиметра) или плочки.
- В допълнение към отварящия се прозорец на определена зона в помещението / котелното, трябва да има естествен отработен газ - проходен канал в стената с диаметър 150 милиметра, допълнен от фасаден въздуховод.
- Потокът на въздуха в помещението ще трябва да се осигури с помощта на клапан в стената или междина под крилото на вратата. Размерите на захранващия канал се изчисляват според пропорцията - 8 cm2 = 1 kW от топлинната мощност на котела.
- Височината на монтаж на стенния газов котел се избира произволно, но като се вземе предвид задължителното 100-сантиметрово разстояние на нагревателя от тавана.
- Разстоянието от инсталацията за генериране на топлина до стените, "прилежащи" към носещата повърхност, не трябва да бъде по-малко от 1 метър.
- Разстоянието от котела до газопроводния клапан не трябва да надвишава 2-2,5 метра.
Типична схема на свързване на газов котел
Опитайте се да следвате тези препоръки, когато избирате място за инсталиране на котела.
... Е, ако не намерите подходяща стая, тогава ще трябва да преоборудвате една от стаите във вашата къща, като "коригирате" параметрите на прозорците, захранващите и изпускателните канали, за да отговори на горните изисквания. И едва след това можете да започнете да инсталирате отоплителното устройство и да свързвате котела към комина, водоснабдяването и отоплителната система.
Как да инсталирате стенен газов котел - преглед на процеса
В самото начало ще трябва да се справите с подреждането на канала за отстраняване на продуктите от горенето.
Освен това повечето газови котли са оборудвани с коаксиален комин с турбокомпресор, който предполага следната процедура за монтаж:
- В носещата повърхност
(стена), на разстояние 100-120 сантиметра от тавана се прави проходен отвор. - От външната страна
на върха на отвора е монтиран външен фланец, в който се преминава тръбата на комина. - От външната страна
тръбата е фиксирана с топлоустойчив уплътнител и затворена с външен фланец.
За да направите това, ще трябва да направите следното:
- Котелът се "пробва" към комина, свързвайки изпускателната тръба с факела на коаксиалния отработен газ.
- В същото време позицията на левия или парен горен ъгъл на тялото на котела е маркирана на стената. И само един.
- Използвайки маркираната маркировка, скобата на нагревателя е прикрепена към стената, като се определя позицията на противоположната горна точка с помощта на ниво.
- След това можете да фиксирате долната част на закрепващата конструкция.
- След завършване на монтажа на скобата, котелът е „закачен“ върху крепежните елементи, като фиксира мястото му с винтове.
Монтаж от специалисти на отоплителния котел
Следващата стъпка е, като се приемат следните действия:
- Американските жени се завинтват върху фитингите на топлата вода и основната верига - специални адаптери, които улесняват монтажа на котела.
- Към американските жени се завинтват сферични кранове, които спират подаването на вода и охлаждаща течност, ако е необходимо, демонтират отоплителното устройство.
- Под клапана на входящата връзка на кръга за отопление на водата са поставени два филтъра - магнитен за фино почистване и обикновен за грубо почистване.
- Под клапана на входящата (връщащата) връзка на отоплителната система е монтиран груб филтър.
- Всички свободни краища на филтрите и клапаните са свързани към изходите на окабеляването на отоплителната система и тръбопроводите на системата за топла вода.
Връзката с газопровода, въпреки простотата на тази операция, няма да разглеждаме. В крайна сметка тази работа трябва да бъде възложена на специалистите на местната газова служба.
Защо не поемете връзката с газопровода?
Правилата за инсталиране на стенен котел са прости и ясни. Следователно на някакъв етап има изкушение да се игнорира необходимостта да се обадите на специалистите по газовата служба и да свържете котела към основната линия със собствените си ръце.
Не трябва обаче да правите това поради следните причини:
- Първо, някои производители на оборудване за генериране на топлинна енергия на газ няма да доставят вашето устройство за гаранционно обслужване без забележка от специалист по газови услуги за свързване на котела.
- На второ място, съответните служби могат да разглеждат независимата инсталация като нарушение на правилата за експлоатация на битов газопровод, като наказват администратора на нарушителя на договора за доставка на газ за дома.
- Трето, грешките при свързването към окабеляването на отоплителната система или водоснабдяването заплашват само с локално наводнение в котелното помещение. Докато неправилната връзка с битов газопровод в най-добрия случай ще ви остави без дом, а в най-лошия случай ще ви лиши от живота. И забравете за застраховката - ако сами сте свързали котела, тогава отговорността за инцидента е на вас.
Всеки знае принципа, че е по-добре всичко да се направи веднъж веднъж, да се спазят всички изисквания, отколкото да се повтори сто пъти по-късно. За съжаление не всички "кулибини" от нашата страна го използват. Често има ситуации, когато "опитен" собственик на жилище сам знае къде да инсталира газово оборудване и в същото време нарушава всички мислими и невъобразими норми. В същото време няма да има разрешение за свързване и изразходваните средства не могат да бъдат възстановени. Не забравяйте, че спазването на изискванията за безопасност при планирането на отопление с газ не е прищявка на работниците на газ, а основателна грижа за безопасността на човешкия живот. В тази връзка е наложително да се консултирате със специалист и да проучите подробно онези изисквания, които са поставени за стая с газов котел. Нека разгледаме на какви точки трябва да обърнем внимание при организиране на индивидуално отопление, за да избегнем проблеми и ненужна суета.
Котелно помещение в частна къща. Норми и изисквания за него
Най-добрият вариант е да се оборудва отделно помещение в къщата за котелното помещение. Характеристиките на такава стая трябва да съответстват на представените в SNiP 31-02-2001, DBN V.2.5-20-2001, SNiP 11-35-76, SNiP 42-01-2002, SP 41-104-2000. Тези документи са създадени точно, за да сведат до минимум възможността за възникване на извънредни ситуации.Стая с газов котел се счита за най-опасната от пожар и експлозия в къщата, поради което е необходимо да се вземе най-отговорното отношение към избора на стая, подходяща за котелното помещение и към правилното оформление. В зависимост от общата топлинна мощност на газовия котел се изчислява и необходимият обем на помещението. Ако капацитетът на газов котел е по-малък от 30 kW, тогава минималният обем на помещението е 7,5 m3, 30-60 kW - 13,5 m3, а за котел с капацитет над 60 kW, помещение от 15 m3 вече е необходимо.
Вторият важен показател при избора на котелно помещение е височината на тавана. Тя трябва да бъде най-малко 2,5 м. Струва си да се обърне внимание на местоположението на носещите стени в къщата. Желателно е основните стени да са разположени между котелното и другите помещения. Важно е да се обърне внимание на вътрешната украса на стените. Най-простият вариант е огнеупорната мазилка.
Ако белите стени не се вписват в цялостния интериор на дома ви, не забравяйте да имате предвид, че всички използвани материали трябва да са безопасни. Не използвайте запалими и запалими вещества. Тоест, никакъв паркет и ламиниран паркет, както и тапети и пластмасови панели, няма да украсят стените на котелното помещение.
Наложително е да имате определени параметри на вратата, прозореца и вентилацията. Вратата не трябва да е по-тясна от 0,8 м, а размерът на прозореца се изчислява въз основа на обема на помещението: 0,3 м2 на 10 м3 от котелното помещение. Не забравяйте да осигурите празнина от няколко сантиметра между вратата и прага. Това ще осигури обмен на въздух с други стаи. Не забравяйте за потока чист въздух от улицата.
Изисквания към вентилацията на комина и котелното помещение

Изисквания към вентилацията на комина и котелното помещение
Продуктите от горенето на котел с газ, течност и твърдо гориво трябва да се отстраняват извън котелното помещение с помощта на комин. Когато го проектирате и подреждате, вземете предвид следните нюанси:
- коминът трябва да е над нивото на покрива. Това е предпоставка за нормално сцепление;
- като материал за комина могат да се използват тухли, едностенни и двустенни стоманени тръби, керамични, азбесто-циментови и вермикулитови тръби. Най-популярният вариант е стомана, следвана от тухла. Понякога стоманени тръби с една стена се поставят в тухлен комин;
- какъвто и да е материалът, е необходимо да се осигури отвор за проверка и почистване;
- ако коминът минава по стената на къщата, тогава той трябва да бъде здраво фиксиран;
- препоръчително е диаметърът на изхода на димните газове на котела да е по-малък от диаметъра на димните газове.


Изисквания към вентилацията на комина и котелното помещение
За електрически котел вентилацията не е особено необходима; в други случаи ще трябва внимателно да проучите съществуващите изисквания:
- вентилацията на котелното помещение може да се комбинира с общата захранваща вентилация на къщата;
- необходимо е да се осигури 3 пъти обмен на въздух за 1 час, т.е. ако обемът на котелното е 15 м3, тогава в него трябва да се подава 45 м3 въздух на час. Необходимо е да се поддържа процесът на горене, част от него е необходима за аспиратора;
- за организиране на естествена тягова вентилация в стената, противоположна на котела, се прави отвор с диаметър 13-15 cm при мощност на котела до 40 kW и 17 cm при по-висока мощност. В отвора е поставена специална вентилационна тръба с амортисьор и мрежа;
- ако котелното е отделно помещение, тогава може да се организира вентилация благодарение на наличието на решетки с жалузи в долната част на входната врата. За 1 kW мощност на котела осигурявам 8 cm2 от площта на вентилационния отвор;
- при използване на обща вентилация за тяга на дома, размерът на отвора се изчислява въз основа на пропорцията: за 1 kW мощност на котела, 30 cm2 от отвора;
- принудителната вентилация трябва да работи по-ефективно, няма да зависи от различни метеорологични фактори, но ще консумира електричество. За да спестите малко, можете да синхронизирате работата на котела и вентилацията, така че вентилаторът да се включва само когато котелът работи. Когато се използват газови и дизелови котли, вентилаторът се поставя в корпуса, за да се предотврати запалването.
Изисквания за кухнята при инсталиране на газов стенен котел
Ако броят на жилищните квадратни метра е ограничен и не е възможно да се определи цяла стая за източник на топлина и топла вода, тогава изходът от ситуацията ще бъде поставянето на монтиран на стената газов котел в кухнята. Тази опция е разрешена от нормативни документи, но при спазване на определени изисквания. Можем да кажем, че това е опростена версия на котелното помещение, следователно изискванията за помещението ще бъдат подобни.
- Височина на тавана - 2,5 m или повече;
- Кухненска площ - 4 м2 или повече;
- Вентилационната площ се изчислява според мощността на котела - 8 cm² на 1 kW. Той ще бъде разположен в горната част на стаята;
- Необходим е прозорец с прозорец;
- В зависимост от мощността на котела се изчислява напречното сечение на комина: 30 kW - 130 mm, 40 kW - 170 mm;
- Коминната тръба трябва да надвишава билото на покрива с половин метър и да има защитен чадър.
Изборът на конкретно място за бойлер в кухнята трябва да се подхожда въз основа на следните критерии:
- разстоянието до други газови агрегати е най-малко 20 cm;
- разстояние до запалими повърхности - 20 см;
- разстояние от стената - 30-50 см;
- избягвайте места в ниши, пролуки между стените и в непосредствена близост до прозорец.
Предимството на инсталирането на газов котел в кухнята е и наличието на предварително инсталирани комуникации: вода, електричество, вентилация. И това е пряко спестяване на разходи.
Нюансите на инсталиране на котли на твърдо гориво
Инсталирането на котел на твърдо гориво може да се извърши на ръка, но в същото време трябва да се вземат предвид факторите, влияещи върху ефективността на топлинния генератор
:
- вид и качество на горивото, пълнота на изгарянето му;
- роза на вятъра и сила на вятъра;
- дизайнерски характеристики на комина;
- нивото на защита на сградата от топлинни загуби.


Защита на дома от загуба на топлина
Доброто сцепление е предпоставка за най-пълно изгаряне на твърдо гориво, при което се осигурява висок топлообмен. Изгарянето на дърва в условия на недостиг на кислород води до повишено образуване на въглероден окис и сажди, намаляване на топлинния пренос на горивото. За да се предотврати прегряването на охлаждащата течност до кипене по време на работа на котлите на твърдо гориво в оптимален режим, в такива отоплителни системи е инсталиран буферен резервоар, водата, в която абсорбира излишната топлина. Топлоакумулаторът отдава натрупаната топлинна енергия на водата, циркулираща в отоплителния кръг, в рамките на няколко часа след изгарянето на пълнителя. Това прави възможно намаляването на обема на вредните емисии и спестяването на дървесно гориво.
Когато организирате отоплителна система със собствените си ръце, трябва да обърнете специално внимание на комина
:
- осигурете топлоизолация на тръбата, преминаваща извън котелното;
- организира система за събиране на кондензат;
- осигурете инспекционни люкове за почистване на комина;
- осигуряват лесен достъп до тръбата на покрива за поддръжка.
По време на проектирането на отоплителна система е важно правилно да се изчисли диаметърът на тръбопровода - интензивността на циркулацията и обемът на охлаждащата течност зависят от този параметър, което е особено важно за гравитационните системи.
Подобни видеа:
Координация на котелната инсталация с газовата служба
Преди да пристъпите към директното инсталиране на оборудването, е необходимо да преминете през няколко бюрократични инстанции и да изпълните техните изисквания. Първата стъпка е да напишете заявление до местната газова служба и да получите техническите условия за инсталиране на котела. Заявлението посочва тези кандидати и кратко описание на къщата.
Не забравяйте да посочите кое оборудване за използване на газ планирате да инсталирате (марка, капацитет) и прикачете списък с документи:
- Копия от документи за собственост на поземления имот, върху който се намира обектът за капитално строителство, собственост на заявителя (ще бъде разположен).
- Ситуационен план за местоположението на поземления парцел по отношение на територията на населеното място.
- Изчисляване на планираната максимална почасова консумация на газ (не се изисква, ако планираната максимална почасова консумация на газ не е повече от 5 м3).
Вторият етап е създаването на проект за инсталиране на газово оборудване. За частна къща се разработва план или диаграма на проводника на тръбите по обекта, както и точките на тяхното влизане до мястото на инсталиране на оборудването. Проектът е потвърден от държавните органи на газовата служба, той е одобрен и можете да продължите към директната инсталация.
Всеки от тези етапи отнема средно 1,5 - 2 седмици. Така че, ако решите да промените радикално отоплителната система у дома, тогава се погрижете за този проблем поне месец преди настъпването на студеното време.
По този начин, спазвайки всички стандарти за стая с газово оборудване, ще осигурите безпроблемна работа на газовия котел. Изпълнявайки всички изисквания, защитете семейството си от всякакви извънредни ситуации, свързани с газово оборудване. Отървете се от административни наказания и порицания от газови услуги за нарушения на изискванията.
Вероятно никой няма да спори относно твърдението, че газовите системи са най-предпочитани за използване в частни къщи и вили. Газовите котли са доста надеждни и ефективни, имат относително нисък разход на гориво и правят възможно регулирането на температурата на въздуха в помещението, което пряко зависи от мощността на котела в затворени отоплителни системи. Какво трябва да знаете, преди да инсталирате това оборудване, ще бъде обсъдено в тази публикация.
Общи изисквания
Правилата за инсталиране на газов котел в частна къща са строго регламентирани. Ето защо, преди да създадете автономно отопление въз основа на газов котел, е необходимо да се запознаете с нормативните документи, които трябва да се спазват на всички етапи от работата. На първо място това са: SNiP 2.04.08-87; SNiP 2.04.01-85; SNiP 2.04.05-91; SNiP 41-01-2003; SNiP 21-01-97.
Газовите отоплителни системи се различават по много начини. По време на монтажа важен момент е броят на веригите, местоположението и методът на отвеждане на отработените газове. Едноконтурното котелно оборудване се използва за отопление на помещенията на частна къща. Много модели могат да работят с котли за непряко отопление за създаване на топла вода. Двуконтурните котли са предназначени да създават едновременно отопление и водоснабдяване.
Отоплителното оборудване за частна къща може да бъде монтирано на стена или на пода. Подовите котли, като правило, имат голям капацитет и размери, благодарение на котела, поставен в тях. Такива инсталации са взискателни към вентилационната система на помещението, в което са монтирани, наличието на комин с естествена тяга, пожарната безопасност на заграждащите конструкции и качеството на основата, върху която ще бъде монтирано оборудването. Панните котли са по-малко взискателни и следователно по-търсени сред нашите сънародници.
Преди да инсталирате газов котел в частна къща, трябва да подготвите мястото за бъдещото му местоположение. Законодателството забранява поставянето на газови миникатори в дневни. Отделно помещение с подходящи размери, подходяща вентилация, осветление и системи за пожарна безопасност е идеално за тези цели.
Има пряка връзка между мощността на котелния блок и обема на горивното помещение.
- Мощност ≤ 30 kW изисква обем на помещението ≥ 7,5 m 3.
- Мощност от 30 - 59 kW изисква обем на помещението ≥ 13,5 m 3.
- Мощност ≥ 60 kW изисква обем на помещението ≥ 15 m 3.
Ако се използва каскадна връзка на газови котли в затворена отоплителна система, тогава необходимата площ на котелното се изчислява въз основа на изискванията: за една инсталация 4 m 2 етаж, с височина на тавана най-малко 2 m.
По отношение на стените и тавана на пещта: те трябва да бъдат изработени от материал с огнеустойчивост от 45 минути.
Що се отнася до вентилацията: помещението, предназначено за инсталиране на оборудване за газов котел, трябва да бъде оборудвано със система за захранваща и изпускателна вентилация с коефициент най-малко 3. Изчислява се размерът на канала за подаване на въздух (когато въздухът се подава от улицата) в размер на 8 cm 2 на 1 kW мощност на котела. Ако притокът се извършва от коридори и нежилищни помещения на къщата, тогава диаметърът на канала трябва да се изчисли в съотношение 30 cm 2 на 1 kW мощност на оборудването.
Освен това в тази стая трябва да има прозорец с площ за остъкляване най-малко 0,3 m 2 на всеки 1 m 2 от пода.
Вратите на котелното също трябва да отговарят на строго определени изисквания: ширината на отвора е най-малко 0,8 м. За да се компенсира отрицателното налягане, в случай на проблеми с въздушния поток се изисква празнина от най-малко 2,5 cm между прага и вратата.
Основни правила за инсталиране
Можете да намерите информация за това какъв вид вентилация за обмен на въздух за котелни помещения трябва да бъде осигурена в правилата на SNiP. Те излагат всички правила, които трябва да се спазват при работа с газови котли. Специално внимание към следното:
- Необходима е вентилация в котелно помещение с газов котел, а коминът е монтиран под тавана.
- Можете да направите вентилация в котелното на частна къща, захранвана от естествена тяга или механично.
- Минималният размер на въздуховода за всмукване на въздух е 15 cm.
- За правилното използване на вентилационната система е монтиран възвратен клапан от вътрешната страна на захранващия и изпускателния канал, който трябва да осигури движението на въздушния поток само в една посока.
Ако решите да инсталирате вентилационна система от естествен тип със собствените си ръце, тогава трябва да се погрижите за най-качествените предварителни изчисления.
Обикновената вентилация понякога се проваля. За един час от работата си той осигурява пълна смяна на въздуха в помещението поне 3 пъти. Ако създаването на обичайната естествена схема е трудно по някаква причина, тогава се използват вентилатори. Тези устройства създават изкуствено необходимата тяга.
Друга важна част от отоплителната и вентилационната система е коминът. Дизайнът и качеството му влияят на ефективността на вентилацията с повече от 70%. Дори за домашни котли, които са инсталирани в кухнята, трябва да знаете как правилно да го изградите.


Коминът е важна част от работата на отоплителните и вентилационните системи
Комуникации
Преди да свържете газовия котел към отоплителната система и да започнете да се наслаждавате на всички предимства на цивилизацията, трябва да се погрижите за наличието на инженерни комуникации в горивната стая. В допълнение към тръбите на отоплителната и газоснабдителната система трябва да се погрижите за следните комуникации.
- Електричеството е необходимо за работата на помпеното оборудване, запалителя и автоматиката. Освен това котелното се нуждае от светлина и допълнителен контакт за евентуално свързване на стабилизатор или непрекъсваемо захранване. Експертите препоръчват организирането на захранването в котелното да се извършва с трижилен кабел, с напречно сечение на проводник 2 mm 2. На линията трябва да има прекъсвач. Светлината се прави с помощта на необходимия брой лампи със затворени сенници. Спомнете си, че цялото електрическо оборудване трябва да е заземено.
- Водопроводни тръби.Тук всичко е просто: въпреки факта, че отоплителната система е затворена, с течение на времето количеството охлаждаща течност в нея намалява. За попълване се нуждаете от водоснабдяване. Ако трябва да се свърже двуконтурен газов котел, тогава е необходимо водоснабдяване, за да се създаде водоснабдяване с топла вода в къщата.
- Канализация. За необходимостта от канализационна система обикновено се мисли едва след задействане на взривния клапан, в резултат на което масите на охлаждащата течност се озовават на пода. Най-добрият вариант е да имате подова канализация.
Система за изпускане на дим
Коминът е неразделна част от всяко газово (и не само) отоплително оборудване. За котли с турбокомпресор се използват малки по размер и се извеждат на улицата през отвор в носещата стена. Инсталирането с атмосферни горелки е друг въпрос: температурата на отработените газове на изхода от тях достига 800 ° C. Именно тези устройства изискват основен комин, направен в съответствие с всички правила за пожарна безопасност.
Комините трябва да имат друго най-важно качество - да създават естествена тяга. За целта те трябва да се движат строго вертикално, да имат диаметър, съответстващ на капацитета на котелното тяло и да бъдат правилно изхвърляни през покрива. Фигурата показва височината на главата на комина, в зависимост от местоположението на покрива.
Що се отнася до зависимостта на диаметъра на комина от мощността на котелния блок: тук трябва да се ръководите от данните, посочени в паспорта за инсталацията.
Принудително циркулационно отопление
Схемата за монтаж на котел на твърдо гориво за отоплителна система с принудително подаване предвижда инсталирането на байпас и трипътен клапан за създаване на първична циркулационна верига.


Монтаж на котел на твърдо гориво в отоплителна система с принудителна циркулация
Този принцип на свързване на котли на твърдо гориво изключва образуването на кондензат в пещта на стоманен котел или разрушаването на чугунен агрегат, когато охладена охлаждаща течност попадне във водната риза на горещ топлинен генератор. Трипътен клапан, настроен на предварително определена температура, и байпас позволяват на нагрятата охлаждаща течност да се смеси с обратния поток, докато отоплителната система достигне оптималния режим на работа.
Свързана статия: Котли от Ferroli
Схемата за монтаж на котел на твърдо гориво може да включва резервоар за подготовка на вода за подаване на топла вода - котел за непряко отопление. Неговият нагревателен елемент е намотка, през която преминава охлаждащата течност, загрята от котела.


Схематично представяне на инсталацията на котел на твърдо гориво с котел за непряко отопление
В горната диаграма котлите и отоплителните клонове са монтирани паралелно, непосредствено след първичната циркулационна верига. Такава връзка ви позволява да подготвите вода за захранване с топла вода, като използвате най-нагрятата охлаждаща течност. Термостатичният вентил с права линия, който е монтиран на изхода на котела, не позволява на охлаждащата течност да преминава свободно през намотката. Той преминава вода, която е охладена до зададената температура, която е отделила топлина за подаване на топла вода.
Сложността на тръбопроводите на котелното тяло също се влияе от наличието на втори топлинен генератор (газов или електрически котел), броя и видовете отоплителни кръгове (радиаторно отопление, подово отопление).
Съществуват различни схеми за свързване на два котла с много горива за обслужване на една отоплителна система. Най-добрият вариант е да се използва топлинен акумулатор (буферен резервоар), към който са свързани агрегат за твърдо гориво и електрически котел, всеки със собствена помпа за циркулация.Електрическият топлинен генератор се включва по сигнал от контролера със сензор за температура на въздуха, когато стайната температура започне да спада след изгаряне на горивото в основното устройство и охлаждане на охлаждащата течност в системата.
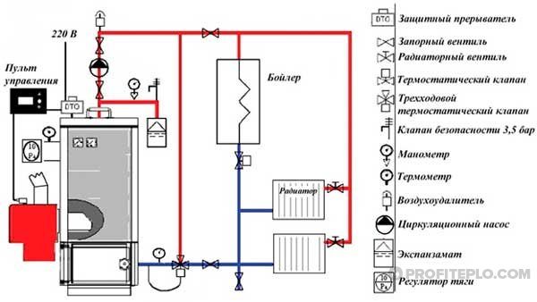
Схема и етапи на свързване на газови котли
Най-добре е връзката да се извършва от специализирани специалисти или служби, които ще участват в обслужването на вашата отоплителна система. Ако вашата инициатива за самостоятелно инсталиране на котелно оборудване намери подкрепа в съответните органи (което е много съмнително), след изготвянето на проекта и необходимите разрешителни и закупуването на оборудване, можете да пристъпите към инсталирането на котелното устройство .
- Инсталация. Стенният котел се монтира на стената с помощта на специални крепежни елементи или ленти, които обикновено се доставят в комплекта. Подът е монтиран на равна, огнеупорна повърхност. За разлика от стенното оборудване, подовите котли се монтират на разстояние 25 - 30 см от стената. Важно е да знаете, че инсталациите трябва да бъдат достъпни от всички страни.
- Връзка към системата за димни газове. Важно! След свързването трябва да се уверите, че в комина има течение. Не забравяйте да проверите херметичността на връзката на разклонителната тръба към димохода.
- Връзка с комуникационни системи. Типична схема за свързване на газов котел към отоплителна система с двутръбен тръбопровод изглежда както е показано на фигурата.
По-долу е класическа електрическа схема за монтиран на стена двуконтурен газов котел.
Отляво надясно: изход на охлаждащата течност в отоплителната система; вход за чешмяна вода; свързване на газопровода; топла вода към системата за БГВ; охлаждане на входа на топлоносителя от отоплителната система.
На първо място, трябва да се погрижите за инсталиране на кранове на водоснабдителните, отоплителните и газовите системи, които ще отговарят за изключването на тези системи от котела, по време на неговата поддръжка и ремонт, както и ако е необходимо аварийно изключване. Освен това трябва да се монтира груб филтър на входа на водоснабдителната система и „връщането“ на отоплителната система, като се използват спирателни елементи преди и след нея. Последният етап ще бъде свързването на котелното тяло към отоплителната система и пробен пуск на инсталацията. Тя трябва да се извършва в присъствието на експерти по газ.
Това не е лесна задача. Котелът не може да бъде окачен по някакъв начин, тъй като безопасността на хората, живеещи в къщата, често зависи от това колко правилно е монтиран стенният котел. Това се дължи на факта, че инсталирането на това устройство се извършва в строго съответствие с техническите изисквания и стандарти, приети в Русия на законодателно ниво.
Ето защо инсталирането на стенен котел със собствените си ръце е изключително трудоемък и труден процес за начинаещи.
Устройството и видовете модели на твърдо гориво
Преди да инсталирате котел на твърдо гориво в къщата, трябва да го изберете. В допълнение към трупите, котлите могат да бъдат проектирани за изгаряне на пелети (компресирани дървени стърготини), торф и въглища. На първо място, човек трябва да се съсредоточи върху наличността на гориво.
Можете да инсталирате в частна къща:
- пиролиза - с две горивни камери (в първата горивото, изгаряйки с малко количество кислород, отделя горим газ за втората основна пещ);
- дълго изгаряне - дърва за огрев в голяма камина не изгарят, а постепенно тлеят;
- комбиниран - за няколко вида гориво.
Поне вътре ще има топлообменник с една верига за отоплителната система. И може да бъде закупен с две или три вериги, които ще осигурят дом с топла вода и ще свържат "топъл под". Изборът е доста богат и винаги има оптимално решение за конкретна частна вила.
Дизайнът на всеки котел на твърдо гориво практически не се различава от конвенционалната печка и включва:
- камина (едно или двукамерна);
- прозорец за зареждане с гориво;
- тиган за пепел;
- комин.
Като цяло, независимо от характеристиките на устройството, инсталирането на котел на твърдо гориво със собствените си ръце е почти същото. Под него е необходимо да се оборудва пиедестал, да се оборудва комин с вентилация и да се свържат отоплителни тръбопроводи.










