Къде и къде да свържете проводниците на газовия котел?
За да свържете термостата от клемния блок на котела към контактите за сух контакт, трябва да свържете два проводника.

Съгласно инструкциите, препоръчителното напречно сечение на медни проводници е най-малко 0,75 mm2.


Дължината на кабела до мястото, където е монтиран термостатът, не трябва да надвишава 50 метра.
Потърсете необходимите клеми на самия котел в инструкциите на производителя или се ръководете от надписите на блоковете.
Тези терминали най-често се намират на гърба на контролната платка.


Понякога обаче производителите ги вадят от дъската.


Някои инсталатори, по време на инсталацията, свързват кабел тук и го извеждат, така че потребителят да не се изкачи на дъската в бъдеще и да не обърка нещо там. Тъй като термостатът все още не е инсталиран, краищата на кабелите са късо съединени.
Между другото, бъдете внимателни с този отдалечен блок. Някои потребители се сблъскаха с проблема с фабричното заплитане на проводници, като например за Protherm (Proterm).


В резултат всичко започна да работи както трябва, само с обратната връзка.


Първоначално между клемите има джъмпер. Ако счупите джъмпера, газовият котел просто ще спре да работи.


Когато термостатът е свързан, фабричният джъмпер се демонтира и на негово място се поставя кабел, положен до мястото, където е монтиран термостатът. Най-важното е, че не е необходимо да променяте каквито и да било вътрешни настройки на котела.
Чрез тези контакти се подава контролен импулс с ниско напрежение (обикновено 24V).
Разполагаме с контролно устройство (термостат) и подчинен (бойлер). Между тях непрекъснато се предава набор от заявки-отговори по линия с нисък ток.


Принципът на работа тук е прост - чрез затваряне на сухия контакт ние по този начин даваме възможност за работа на котела, като го отваряме, прекъсваме предаването на данни и го забраняваме. Затварянето и отварянето става чрез релето на термостата, в зависимост от зададената температура на устройството и сравняване на текущите индикатори в стаята.
При задействане горелката първо се изключва, след това след определен интервал (време на работа на помпата) и циркулационната помпа. Въпреки че при различните модели алгоритъмът на работа на помпата може да се различава.
Един от вариантите на алгоритъма


Не е препоръчително помпата да се изключва веднага след изключване на термостата. В този случай задайте в менюто превишението от 5 до 10 минути. Тогава цялата отоплителна система ще се охлади равномерно и интервалите от време за автоматичната работа ще се увеличат.
При скъпи модели, които поддържат протокола OpenTherm, дистанционен програмист може да се използва за управление на много от вградените параметри на котела, а не само за включване и изключване.
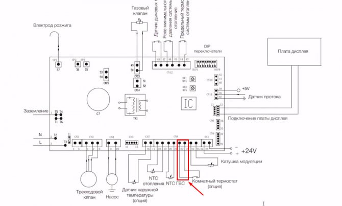
Ето илюстративни примери за това къде да свържете термостата за различни модели котли:
BaxiBoschElectroluxVaillantJunkersBuderusViessmanFerroliAtronAlpha CalorImmergas
Какво се случва, ако термостатът откаже? Как ще се държи котелът в този случай?
Всичко зависи от позицията, в която остава сухият контакт. Ако се затвори, няма да се случи нищо лошо. Котелът просто ще започне да работи според последната си предварително зададена програма.
Ако е отворено, отоплението няма да стартира и няма да работи.
Моля, обърнете внимание, че термостатът не влияе на работата на горелката в режим на гореща вода.
Напрежението от 220V се прилага към силовите контакти на термостата - фаза и нула (L и N). Това може да се направи или от отделен изход или разпределителна кутия, или да се вземе директно от самия котел.


При регулатор със сухи контакти няма значение къде да започне фазата или нулата, но при модели за електрическо подово отопление това играе съществена роля по въпроса за експлоатационната безопасност.
Тъй като ако връзката е неправилна, само неутралният проводник ще се счупи и фазата постоянно ще бъде дежурна на нагревателния кабел.
Механичен или електронен термостат
Между другото, за газов котел можете да използвате друг по-прост тип регулатор, който дори не трябва да се захранва с напрежение 220V. Например механичен термостат Termec Emmeti или други подобни модели.


Ето "обичайната" схема на свързване на Termec.


Трябва да използвате само нормално затворени контакти 1 и 3, като напълно елиминирате смяната на 220V (L и N).


Вграденият сензор ще затвори и отвори вътрешния контакт, когато температурата в стаята се промени. Той не се нуждае от никаква храна. В този случай цялата логика на отоплителната операция е подобна на тази, обсъдена по-рано.
Само не забравяйте, че почти всички механични модели имат много голяма хистерезис. Не можете да създадете комфортна стайна температура с тяхна помощ.


Затова, когато е възможно, избирайте електронни устройства с WiFi връзка. За щастие, в наше време китайците могат да намерят много прилични и евтини опции.
Например като този (хиляди доволни клиенти и положителни отзиви).


Повече информация
Някои модели имат контакти с етикет NO (нормално отворен), NC (нормално затворен) и COM (често срещан). Някой съветва да се свържете чрез тях, а именно чрез NC и COM.
Внимавайте обаче, термостатът е термостатът и винаги прочетете инструкциите. Чрез тях може да се подава и променливо напрежение от 220V и по този начин стартирате фаза на контролната платка, където нямате нужда от нея.
Ето отличен пример за тези многофункционални контроли на Fluoreon и Beok.


При многофункционалните устройства стайната температура също се определя с помощта на вградения температурен сензор.
Те обаче имат клеми на корпуса за свързване и външни (Сензор). Най-често се използва за подово отопление.
Място на монтаж
Както знаете, температурата на въздуха в стая с традиционни отоплителни системи на радиатори се затопля неравномерно. Тя е по-ниска близо до пода, по-висока под тавана.
Въз основа на наличието на вграден температурен сензор в термостатите, тяхната височина на монтаж се регулира.


Такива термостати трябва да се поставят на височина 1,2-1,5 м от нивото на пода и доколкото е възможно от източници на отопление, включително защитени от пряка слънчева светлина.
Също така не се препоръчва да поставяте термостати в коридора или в кухнята.
Свързване на термостат за подово отопление към газов котел
Често потребителите си задават въпроса, възможно ли е да се използва стандартен термостат от топъл под за 220V за работа с газов котел?


Изведнъж не намерихте специален термостат със сухи контакти и вече имате на склад модел за топли подове. Такава връзка е възможна.
За това обаче трябва да „отделите“ напрежението 220V. В повечето термостати за подово отопление той идва към клемите за захранване и след това се отстранява от клемите, които отиват към отоплителния кабел. И както бе споменато по-горе, при работа с газов котел се използват „сухи контакти“, през които се предават импулси с ниско напрежение.
Ако тук свържете директно кабела от таблото за управление на котела, ще предизвикате късо съединение и ще повредите котела си.


За безопасно свързване към веригата ще трябва да се добави междинно реле или допълнителен контактор с нормално отворени контакти.
От клемите на термостата, вместо кабела за подово отопление, приложете напрежение 220V към бобината на релето (контактора) и чрез нейните нормално отворени контакти (1-2 или 3-4) свържете проводниците към газовия котел.


Принципът на действие е същият, както беше обсъден по-рано. Имайте предвид обаче следната функция.
Тъй като това е термостат за топли подове, той най-вероятно ще работи съгласно следната схема: въздушен сензор + подов сензор. Това означава, че ще е необходимо да инсталирате и зададете ограничение на температурата за подов сензор, което няма да имате.


Следователно в настройките ще трябва да развържете датчика на пода и да оставите в действие само въздушния сензор. Как да направите това, прочетете подробно инструкциите за вашия модел. Различните устройства могат да се различават.
Например в Devi Touch за това трябва да счупите специален джъмпер от задната страна.


За да нямате всички тези трудности и проблеми, по-добре е да изберете правилния модел на термостата от самото начало.
Термостат за воден подов колектор
Ако в някои помещения има под с водно отопление, който може да се захранва от същия газов котел, е необходим малко по-различен тип термостат. Той трябва да бъде свързан към сервосистемите на колектора.
Обратната страна на такова устройство изглежда така.


Ако вашият серво е нормално затворен, тогава кабелните проводници са свързани към клеми 1 (Close или NC) и 3 (N-zero или COM). Ако е нормално отворен - 2 (отворен или НЕ) и 3 (N-нула или COM).
Принципът на действие е както следва. Когато в системата е инсталиран нормално отворен сервомеханизъм и има прекъсване на захранващото напрежение на захранващия кабел, сервосистемата отваря канала. В нормално затворено положението е обратното.
В същото време не се бъркайте, това не е някакво реле или електрическо магнитно задвижване, което при подаване на напрежение 220V се преобръща и моментално превключва в друго състояние. Това е термоелектрически задвижващ механизъм, който постепенно отваря и затваря клапана.
Ето защо, ако искате да тествате ефективността на такова устройство, не се изненадвайте, че то няма да реагира веднага на сигнал и незабавно да прекъсне потока.
Свързването на захранването на термостата се осъществява върху лентите L и N. Кабелът за дистанционния температурен сензор в пода е свързан към страничните клеми.
Източник
Споделете новините в социалните мрежи
- Подобни публикации
- Отвертка с въртящ момент - общ преглед wera, wiha, weidmuller. Въртящ момент.
- Как да изберем RCD за 5 минути
- Аналози на самоносеща изолирана армировка на тел - таблици за сравнение Ensto, Niled, Sicame, VK, IEK, MTZA.
«Предишна публикация
Настройка


Трябва да проверите как се държи термостатът. За да направите това, на него са зададени определени параметри и вижте как котелът реагира на командите, изпратени от термостата. Ако всичко е наред, можете да направите окончателни корекции. Как да направите това е описано в паспорта на продукта.
Vilant group Slovakia, spol. s.r.o. Pplk. Плюштя, ...
Страница 40
- Картина
- Текст
Vilant group Slovakia, spol. s.r.o. Pplk. Плюща, 45 909 01 Скалица Словашка република
www.protherm-ru.ru
Вашата услуга:
Запазваме си правото да правим промени


Коментари (1)
Акцент → Тук намерих инструкции за моя бойлер! #manualza
- Щракнете върху →
Мозъкът на всеки от нас е като чудодеен механизъм. Само мнозинството има инструкции за това на китайски.
Manualza! Manualza.ru
Все още не сте с нас?
Компоненти за котли Proterm Skat
При закупуване на котел, освен него, производителят предлага и различни аксесоари за разширяване на функционалността.
Термостати
За котлите Skat Proterm предлага да се използват три вида стайни регулатори: Exabasic (член 6195), Exacontrol (член 0020159367) и Exacontrol 7 (член 0020170571).


Стайни термостати за котли Protherm Skat
Най-простият модел Exabasic има само въртящ се превключвател за настройка на температурата, Exacontrol вече е оборудван с дисплей и има механично управление. Модификация номер 7 - има функцията на седмично програмиране.


Схема на свързване на термостата към котела Protherm Skat
Температурни сензори
За да регулирате работата на котела спрямо температурата извън прозореца, трябва да закупите сензор за външна температура (артикул 0020040797).


Датчик за външна температура за котли Protherm SKAT
В търговската мрежа цената му варира около 2000 рубли (38 евро).
Котелна инсталация Proterm Skat с бойлер
Ако искате да осигурите на дома си и топла вода, тогава трябва да закупите котел за непряко отопление. За да може котелът да започне да работи заедно с котела, трябва да закупите комплект трипътен вентил Fugas (артикул 0020015570) за едноконтурни котли. Готов комплект ще струва 116 евро.


Свързващ комплект за трипътен клапан за фуги към котела Proterm Skat


Схема на свързване на електрически котел Proterm Skat към котел за непряко отопление
Стаен термостат: какви ползи имаме от използването му?
Както беше обещано в последната статия, тук ще говоря за устройство, което също се нарича термостат, но според мен е по-правилно да го наричаме стаен термостат... Защото, за разлика от тези, разгледани в предишната статия, той самият не смесва охлаждащата течност с горещата, а контролира други устройства, включително термостатични клапани.
За какво служи стайният термостат?
Термостатът ви позволява да направите режима на работа на отоплителната система най-оптимален, като по този начин значително спестявате гориво и електроенергия, както и ресурса на котела: котелът няма да стартира, когато стаите вече са с комфортна температура.
Също така: ако не сте у дома през целия ден, тогава можете да програмирате например от 8.00 сутринта до 17.00 вечерта, за да поддържате температурата в къщата по-ниска, например 15 градуса. През останалото време, когато сте у дома, от 17.00 до 8.00, програмирайте температурата по-висока.
С термостата можете да правите седмично програмиране. Това е удобно, ако отоплението е някъде в селската къща, където са само през почивните дни. След това програмирате на регулатора времето за затопляне на системата до комфортна температура, да речем, от петък вечерта до понеделник сутринта и до пристигането ви в петък вечерта къщата ще стане топла и уютна (е, това устройство не работи до магазина, това е неговият минус ... :))
Принципът на действие на стайните термостати
Принципът на работа на термостатите е съвсем прост: контактът се затваря / отваря - това е всичко. И всичко останало е външна среда, която може да бъде различна, добавяйки някои възможности за програмиране, и, разбира се, разходи.
Видове термостати
Произвеждат се много стайни термостати, няма да е лесно да се изброят всички, аз вярвам, че производителите не са мързеливи и от време на време пускат нови модели на пазара. Ще дам само няколко примера - за да дам представа как изглежда това устройство.
На снимката механичен стаен термостат :


Термостат (термостат) стаен механичен
Това е може би най-простият модел. Тук необходимата температура за определена стая се задава чрез завъртане на колелото. Когато тази температура бъде достигната, контактът се затваря вътре в термостата и сигналът отива към задвижващия механизъм, т.е. серво, който отваря / затваря един или друг клапан.
Снимката по-долу показва друг модел на електронен термостат:


Електронен термостат с дисплей
Принципът му на действие е точно същият като този на механичния. Единствената разлика е, че зададените параметри се показват на дисплея.
Електронните термостати са по-точни, грешката им е много по-малка от тази на механичните.
Електронните термостати също са различни. Има по-сложни, програмируеми, на които можете да задавате ежедневни или седмични корекции.


Програмируем електронен термостат
Друг електронен стаен термостат - AURATON 2005 / AURATON 2005 TX RXPLUS:


Това е доста перфектно нещо, което ви позволява да зададете различни режими за работа на отоплителната система. Моделът, показан на снимката по-горе, е свързан към котела с проводник, но има същия производител, но безжичен:


- състоящ се от изпълнителна част, която се намира до котела, и сензор, разположен в помещението, където е необходимо да се поддържа определена температура.
Как да инсталирам стаен термостат?
Начинът на свързване на термостата зависи от това дали е жичен или безжичен.
Сензор жичен термостат инсталиран в помещение, където трябва да се поддържа температурата, от онази част на стената, където слънчевите лъчи не падат, на височина 1,5 м от пода. Към сензора е свързан тънък двужилен проводник (все още има NC терминал към клемите NO и COM, оставяме го празен), който изтегляме в котелното помещение и свързваме към котела, който също има същата маркировка терминали. Самият сензор се захранва от 2 пръстови батерии, които издържат дълго време.
Безжичен сензорът е добър с това, че не е нужно да дърпате жици от него.
Такъв термостат се състои от изпълнителна част, свързана с котела и сензор, който може да се движи около къщата, като сигналът от него преминава през всякакви тавани и стени. Безжичният термостат работи и от две AA батерии.
Инсталацията се състои в свързване на изпълнителната част на регулатора (с помощта на относително къс двужилен проводник) към котела в котелното помещение и включването му в контакт. Инсталирането на такъв термостат е много по-бързо от кабелен, тъй като няма нужда да дърпате жицата около къщата.
Няколко безжични термостати могат да се използват в една къща - на отделни помпи. Трябва само да конфигурирате номерата на сигналите за устройствата, така че сигналите да не се объркат.
Как да свържа стаен термостат с газов котел (горелка)?
Почти всеки автоматичен котел има контакти за свързване на стаен термостат. В завода там е монтиран джъмпер.
Четем в документацията, където има място за връзка, нещо като на диаграмата:
Намираме това място в котела и отстраняваме фабричния джъмпер, след което свързваме проводниците на термостата - в това няма нищо сложно.
Как да регулирам температурата със стаен термостат? - Има много модели термостати, не се говори за всички или за някакво значение чрез закупуване на устройство, ние четем инструкциите, които се доставят с този модел, и го настройваме.
Какви са предимствата на използването на термостат?
Предимствата на използването на термостат - повишаване на комфорта на живот:
- след като просто зададете комфортна температура и тя се поддържа стабилно
- няма нужда да се уверите, че температурата на котела се регулира постоянно с променящите се климатични условия
- няма нужда да завъртате клапаните на радиаторите
- няма нужда специално да включвате / изключвате котела
- всичко работи само по себе си - в зависимост от температурата: студено - включва котела, по-топло - изключва
- показва времето (не знам какво не показва времето сега), температурата, дали котелът е включен
- лесна промяна на зададената температура, удобство и лекота на управление
- възможността за задаване на дневна и нощна температура, което прави отоплението по-икономично.
В заключение ще добавя: ако правите отоплителна система за себе си, тогава сложете стаен термостат и не се колебайте. Тъй като използването му значително подобрява качеството на отоплителната система. Термостатите са подходящи за всякакви котли: както монтирани на стена, така и на пода, газови или електрически или дизелови.
стаен термостат
Общи принципи на свързване
Схемата на свързване на термостата директно към отоплителното оборудване винаги е посочена в техническата документация, приложена към газовия котел. Съвременното оборудване от всеки производител е оборудвано с точки за свързване на устройство за контрол на температурата.


Когато се използва безжичен термостат, измервателният блок се поставя в хола. Препоръчително е да го инсталирате в най-студената стая или там, където хората са най-често.
Не е необходимо да се монтира термостатен блок в кухня или котелно помещение, където режимът на плаваща температура е нестабилен.
Основните правила за инсталиране включват:
- височината на местоположението не трябва да надвишава 1,5 метра от нивото на пода;
- не фиксирайте върху студена или външна стена
- предотвратяват възможността за излагане на пряка слънчева светлина;
- изключете монтажа в непосредствена близост до газови печки, климатици и често отваряни прозорци.


Термостатът трябва да бъде разположен на лесно достъпно място за най-удобна работа и последваща поддръжка.



















