Помислете за свързване на трифазен нагревателен елемент чрез магнитен стартер и термично реле.

Фиг. 1 нагревателен елемент е свързан чрез една трифазна контактор с нормално затворени контакти MP (фиг. 1). Той управлява стартера на термостата TP, чиито контролни контакти са отворени, когато температурата на сензора е по-ниска от зададената. Когато се приложи трифазно напрежение, контактите на стартерите се затварят и нагревателният елемент се нагрява, чиито нагреватели се включват съгласно схемата "звезда".
Фиг. 2 Когато достигне зададената температура, термичното реле прекъсва захранването на нагревателите. По този начин се реализира най-простият температурен контролер. За такъв регулатор можете да използвате термичното реле RT2K (фиг. 2), а за стартера - контактор от трета величина с три групи за отваряне.
RT2K е двупозиционно (работещо включване / изключване) термично реле със сензор от медна тел с диапазон на настройка на температурата от -40 до + 50 ° С. Разбира се, използването на единично термично реле не позволява да се поддържа достатъчно точно необходимата температура. Включването на трите секции на нагревателния елемент всеки път води до ненужни загуби на енергия.
Фиг. 3 Ако реализираме управлението на всяка секция на нагревателя чрез отделен стартер, свързан към собствено термично реле (фиг. 3), тогава е възможно да се извърши по-точно поддържане на температурата. И така, имаме три стартера, които се управляват от три термични релета TP1, TP2, TP3. Избрани са температури на реакция, да речем като t1 elektronchic.ru
Предназначение на нагревателните елементи
За какво са нагревателните елементи с термостати? На тяхна основа се проектират автономни отоплителни системи, създават се котли и проточни бойлери. Например нагревателните елементи са монтирани директно в батериите, в резултат на което се раждат секции, които могат да работят самостоятелно, без отоплителен котел. Някои модели са фокусирани върху създаването на системи против замръзване - те поддържат ниска положителна температура, предотвратявайки замръзване и последващо скъсване на тръби и батерии.
На базата на нагревателни елементи се създават бойлери и проточни бойлери. Покупката на котел не е достъпна за всеки човек, затова много хора ги сглобяват сами, като използват отделни компоненти. Чрез нарязване на нагревателен елемент с термостат в подходящ контейнер, ние получаваме отличен бойлер за съхранение - потребителят ще трябва да го оборудва с добра топлоизолация и да го свърже към водопровода.
Нагревателните елементи за нагряване на вода с термостат са необходими не само за създаване на водонагревателно оборудване, но и за поправката му - ако нагревателят не работи, ние купуваме нов и го подменяме. Но преди това трябва да разберете въпросите на избора.
Избор на нагревателен елемент
Когато избирате нагревателен елемент, трябва да обърнете внимание на някои детайли. Само в този случай можете да разчитате на добра покупка, висококачествено отопление, издръжливост и съвместимост на избрания модел с воден бойлер, бойлер или отоплителна батерия.
Форма и размер
Представени са десетки модели нагревателни елементи за избор на купувачи. Те имат различни форми - прави, кръгли, във формата на „осем“ или „уши“, двойни, тройни и много други. Когато купувате, трябва да се съсредоточите върху използването на нагревателя. Тесни и прави модели се използват за вграждане в секции на радиатори, тъй като вътре няма достатъчно място.Когато сглобявате бойлер за съхранение, трябва да обърнете внимание на обема и формата на резервоара и въз основа на това да изберете подходящ нагревателен елемент. По принцип тук ще работи почти всеки модел.
Ако трябва да замените нагревателния елемент във вече работещ бойлер, трябва да закупите идентичен модел - само в този случай можете да разчитате на факта, че той ще се побере в самия резервоар.
Мощност
Ако не всичко, то много зависи от мощността. Например това може да е скоростта на отопление. Ако сглобявате бойлер с малък обем, препоръчителната мощност е 1,5 kW. Същият нагревателен елемент ще може да загрява несъразмерно големи обеми, само че ще го прави за много дълго време - с мощност от 2 kW, може да отнеме 3,5 - 4 часа, за да загрее 100-150 литра вода (не за кипене, но средно с 40 градуса).
Ако оборудвате бойлер или резервоар за вода с мощен нагревателен елемент от 5-7 kW, тогава водата ще се загрее много бързо. Но ще възникне друг проблем - домашната електрическа мрежа няма да се изправи. Ако мощността на свързаното оборудване е по-висока от 2 kW, е необходимо да се постави отделна линия от електрическото табло.
Защита от корозия и котлен камък
Когато избирате нагревателни елементи за нагряване на вода с термостат, препоръчваме да обърнете внимание на съвременни модели, оборудвани със защита от котлен камък. Наскоро на пазара започнаха да се появяват модели с емайлирано покритие. Именно тя предпазва нагревателите от натрупване на сол. Гаранцията за такива нагревателни елементи е 15 години. Ако в магазина няма подобни модели, тогава препоръчваме да закупите електрически нагреватели от неръждаема стомана - те са по-трайни и надеждни.
Наличието на термостат
Ако сглобявате или ремонтирате котел или искате да оборудвате нагревателен елемент с нагревателен елемент, изберете модел с вграден термостат. Това ще спести от електроенергия, като се включи само когато температурата на водата падне под предварително определен знак. Ако няма регулатор, ще трябва сами да наблюдавате температурата, като включвате или изключвате отоплението - това е неудобно, неикономично и опасно.
Как да свържете нагревателен елемент с термостат
Сега знаете как и по какви параметри са избрани нагревателите. Но как се осъществява връзката? За да свържете нагревателен елемент с термостат, трябва да изберете проводник с надеждна изолация. Обръщаме внимание и на напречното сечение - то трябва да е такова, че проводникът да може да осигури пълна мощност на нагревателя и да не се стопи. Например за нагревател с мощност 3 kW напречното сечение на проводника трябва да бъде най-малко 2,5 mm. Препоръчваме да изберете кабели с медни проводници за свързване.
Два начина за свързване на нагревателния елемент към три фази.
"Трифазен" навремето беше нещо не особено необходимо и разбираемо за обикновен човек на улицата, но в днешно време се превърна в необходимост за частна къща. Необходим е предимно за отопление с електричество. Тъй като електрическият котел има голяма мощност (в повечето случаи над 6 kW), когато използвате една фаза, ще трябва да прокарате окабеляването с кабел с голямо напречно сечение на проводника. И това ще бъде скъпо, особено ако кабелните проводници са изработени от мед. В трифазна мрежа напречните сечения на проводниците ще бъдат значително по-малки, поради което повечето съвременни електрически котли са свързани към "трифазния". Сега нека поговорим за основните схеми за свързване на нагревателни елементи към такава мрежа.
Звезда.
Този метод се използва, ако нагревателният елемент е проектиран за 220 V. Освен това "звездата" изисква от щита да бъде докаран неутрален проводник. За разяснение разгледайте следната фигура:
В този случай вместо два джъмпера ще има един. И той ще бъде свързан към нула, а трите останали свободни края ще бъдат свързани към съответните фази. Ако погледнете блоковата гайка отгоре, тя ще изглежда така:
Триъгълник.
Този метод се използва за свързване на нагревателни елементи, проектирани за 380 V. Ако изведнъж решите да поставите нагревателни елементи, проектирани за 220 V с "триъгълник", те просто ще изгорят. Не пропускайте този важен момент. Основната разлика между "триъгълник" и "звезда" е липсата на неутрален проводник. Има само 3 фази и нищо друго. За да разберете по-добре какво е заложено, погледнете по-долу:
На снимката всичко изглежда просто и ясно, но ако започнете да свързвате контактите на гайката на блока, ще получите следното:
Изглежда сложно, но всъщност по нищо не се различава от горната снимка. Цветните линии и цифри тук показват фазите, а буквите обозначават нагревателните елементи на блока.
Как работи и как да изберем
Нагревателният елемент с вграден термостат има проста структура, състояща се от две части, нагревателен елемент и температурен сензор, свързани към температурен контролер. Но дори и тук има няколко функции, които значително влияят върху изправността и експлоатационния живот на устройството.
- Първото нещо, което трябва да се обърне внимание при покупката, е неговият калъф. По-трайният нагревателен елемент ще бъде направен от мед и ще има съответстващ благороден цвят, като по-евтиният вариант обикновено е направен от "устойчива на киселини неръждаема стомана". Няма начин да сте сигурни колко устойчива е наистина тази неръждаема стомана в магазина, така че отдайте предпочитание на месинговата версия на калъфа. Външният диаметър на тръбата обикновено е 13 мм, но има и тънки опции с ниска мощност - по 10 и дори 8 мм;
- Маркиране. Тъй като обмисляме нагревателен елемент за бойлер, трябва да се уверите, че в маркировката, преди обозначаването на работното напрежение 220V, има буква "P", обозначаваща работа във вода и слаби алкални разтвори;
- Мощност. Трябва да се има предвид, че когато се свързвате към обикновена домашна мрежа, не трябва да използвате нагревателен елемент, по-мощен от 2,5 kW - това дава твърде голямо натоварване на обикновеното окабеляване. Ако планирате да свържете по-мощен нагревателен елемент с термостат, поставете отделен кабел от екрана със съответната секция до мястото на монтажа му.
- Температурният датчик е разположен в отделна тръба и при необходимост се отстранява от него заедно с термостата. Evidu е опора. Вътре съдържа термодвойка, която при нагряване активира механизма на термостата. Често отказът на термодатчика принуждава нагревателния елемент да се изключи при ниски температури.
Обхват на приложение, обхват на прилагане.
Нагревателният елемент с термостат е универсално устройство и се използва като нагревателен елемент за:
- Временни организации за електрическо отопление. За това чрез специален фитинг той се вкарва в регистър или в чугунена батерия;
- Затоплена вода за душ. За да направите това, достатъчно е да имате контейнер, в тялото на който е направен отвор до дъното, в който се вкарва нагревателният елемент;
По принцип нагревателният елемент с термостат е най-евтиният източник на топлина и топла вода на етапа на инсталиране. Цената на устройството започва от $ 5 (2 киловата модел Ariston), а комплект от подходящи фитинги (уплътнение и гайка) няма да струва повече от $ 1.
Устройство за бойлер
Дизайнът на електрически нагревателен елемент за отопление или отопление на водата е съвсем прост:
- тяло от стомана или пластмаса;
- в него се намира резервоар за вода от неръждаема стомана;
- в резервоара е монтиран нагревателен елемент.
Според дизайна на Аристон водният десет е спирала с черупка. Тази намотка се взема и запечатва с диелектричен прах с определена опаковка, най-често магнезиев оксид. Следователно периодът на работа зависи от стабилността на филма и от максимално зададената температура. В настоящите отоплителни тела със сигурност са инсталирани термостати - устройства, които регулират температурата, изключват отоплението или включват нагревателните елементи, в зависимост от желаната температура.
Също термостатите могат да ви помогнат да спестите много, тъй като те не позволяват на устройството да работи напразно, ако се достигне необходимата температура, следователно, загрявайки водата до зададената стойност, тя се изключва.Ако се извършва съвместна работа на вода с електричество, в този случай е необходимо да се притеснявате за надеждна система за сигурност, която е гарантирана от регулатора. В случай на проблеми или повреди, той изключва отоплителната система. При такива водни нагревателни елементи има следната оперативна процедура:
- потокът от студена вода протича през тръбата към нагревателната намотка или през няколко такива намотки;
- след това термостатът регулира температурата на водата;
- изходът ще има топла вода с необходимата температура.
недостатъци
По принцип цената на устройството завършва с всички негови предимства и недостатъците започват:
- Неикономически. По принцип това не е "болест" на самия нагревателен елемент, а по-скоро на устройствата, които се сглобяват с негова помощ. Най-често това са занаятчийски отоплителни регистри и самоделни бойлери. И първото, и второто не осигуряват поне някакъв вид енергоспестяване, следователно сметките за електричество ще бъдат неприлично огромни;
- Крехкост. Поради близостта на термодвойката до нагревателните елементи, нагревателният елемент с вграден термостат много често изпълнява цикъл на включване / изключване, което се отразява негативно на цялата автоматизация и я деактивира след максимум 2 години употреба. Вярно, положителната страна е, че автоматизацията се променя без проблеми и необходимостта от премахване на термичния елемент;
- Невъзможност за точно регулиране на температурата. Копчето на термостата дава много груба представа каква ще бъде изходната температура. Отново, непосредствената близост на топлинния сензор и нагревателната намотка прави точната настройка почти невъзможна;
- Без защита от влага. Като се има предвид, че такъв нагревателен елемент често се инсталира в баня за осигуряване на топла вода, ще трябва сами да се погрижите за защита от пръски и да го поставите на такова място, така че водата да не попадне върху тялото му.
По принцип нагревателният елемент с термостат решава два поставени му въпроса:
- Сигурност временно отопление
- Сигурност времеви водоснабдяване с топла вода
Не препоръчваме да използвате това устройство като постоянен източник на топлина и да предпочитате по-качествени и по-икономични продукти.
Видео.
Пример за това как нагревателните елементи могат да се използват за организиране на много евтино отопление.
Коментари:
Стас
Устройството е най-важното, ако трябва бързо да направите електрически радиатор от конвенционален радиатор. Този дизайн помогна много пъти. Вместо един долен щепсел, такова устройство се завинтва и батерията се пълни с вода. Всичко. готова електрическа батерия
Денис
Стас, така че се оказва не електрически радиатор, а енергояд. Ефективността клони към нула и няма пренос на топлина.
Стас
Денис, не споря. Написах го бързо. Тези. когато става въпрос не за постоянна връзка, а за временна хижа. Например за строители в дневна през извън сезона. Искате ли да закупите електрически конвектор за месец, ако централното отопление е включено след месец? И седенето на студено също не е опция.
Денис
Не знам защо авторът не хареса нагревателния елемент от неръждаема стомана - според моя опит и опциите от месинг и неръждаема стомана служат еднакво
Оставете коментар отмяна отговор
Подобни публикации


Плосък хоризонтален бойлер плюсове и минуси на дизайна.


Защо да изберете сух нагревател


Сменяме нагревателните елементи на бойлера Termeks. Инструкция стъпка по стъпка


Как да инсталирате електрически бойлер за съхранение.
Устройство на нагревателен елемент.
Нагревателният елемент е електрически нагревателен елемент, изработен от тънкостенна метална тръба (обвивка), материалът за която е мед, месинг, неръждаема и въглеродна стомана.Вътре в тръбата има спирала от нихромен проводник, която има високо специфично електрическо съпротивление. Краищата на спиралата са свързани с метални проводници, които свързват нагревателя към захранващото напрежение.


Спиралата е изолирана от стените на тръбата чрез компресиран електрически изолационен пълнител, който служи за отстраняване на топлинната енергия от спиралата и здраво я фиксира в центъра на тръбата по цялата дължина. Като пълнител се използва разтопен магнезиев оксид, корунд или кварцов пясък. За да се предпази пълнителят от проникване на влага от околната среда, краищата на нагревателния елемент са запечатани с топло и влагоустойчив лак.
Водопроводите на нагревателя са изолирани от стените на тръбите и здраво фиксирани с керамични изолатори. Захранващите проводници са свързани с резбовани краища на клемите с гайки и шайби.


Нагревателният елемент работи по следния начин: когато електрически ток преминава по спирала, той, загрявайки, загрява пълнителя и стените на тръбата, през които топлината се излъчва в околната среда.
При нагряване на газообразни среди за увеличаване на топлопредаването от нагревателни елементи, те се използват оребряване
изработени от материал с добра топлопроводимост. Като правило, гофрирана стоманена лента се използва за оребряване, навита спирално върху външната обвивка на нагревателния елемент.


Използването на такова конструктивно решение спомага за намаляване на общите размери и текущото натоварване на нагревателя.
Схеми за включване на нагревателни елементи в еднофазна мрежа.
Тръбните електрически нагреватели са проектирани за определена стойност мощност
и
стрес
следователно, за да се осигури номиналният режим на работа, те са свързани към захранващата мрежа със съответното напрежение. Съгласно GOST 13268-88 нагревателите се произвеждат за номинални напрежения:
12
,
24
,
36
,
42
,
48
,
60
,
127
,
220
,
380 V
обаче най-широко използваните нагревателни елементи са проектирани за напрежения 127, 220 и 380 V.
Помислете за възможните варианти за свързване на нагревателния елемент към еднофазна мрежа.
2.1. Включване в контакт.
Нагревателните елементи с капацитет не повече от 1 kW (1000 W) могат безопасно да бъдат свързани към изхода чрез конвенционален щепсел, тъй като по-голямата част от електрическите кана и котли, с които отопляваме водата, имат такава мощност.
Чрез обикновен щепсел можете да включите паралелно
два нагревателни елемента, но и двата нагревателя трябва да имат мощност не повече от 1 kW (1000 W), тъй като при паралелно свързване общата им мощност се увеличава до 2 kW (2000 W). По този начин можете да включите няколко нагревателя, но тяхната обща мощност не трябва да бъде повече от 2 kW, а за да се свържете към контакта, трябва да използвате по-мощен щепсел.


Има ситуация, когато няколко нагреватели, проектирани за работно напрежение от 127 V, лежат вкъщи, не можете да ги изхвърлите и не можете да ги включите в домашната си мрежа. В този случай нагревателите се включват последователно
, което прави възможно прилагането на повишено напрежение към тях. Когато два нагревателя с напрежение 127 V са свързани последователно, мощността им остава същата и общото съпротивление се удвоява. Например, когато са включени два нагревателя от 500 W, общата им мощност ще бъде 1000 W.
Значителни характеристики на десет
Teng за отопление или отопление на вода важно е да се използва в случаите, когато е необходимо бързо отопление на помещението, необходима е допълнителна отоплителна система или искате да намалите разходите си. Разрешено е включването на нагревателен или воден нагревателен елемент в мрежата само когато е във водата. Възможно е да възникне експлозия, когато нагрятата намотка се спусне във водата.
Основната опасност за нагревателния елемент и термостата е соли, разтворени във вода... Това се случва по време на нагряването на водата и хидролизата на солите, което води до образуването на отлагания на повърхността на тръбите и често солите взаимодействат и с материалите на устройството.Следователно устройството съдържа магнезиев анод, който се разтваря с течение на времето и предпазва устройството.
На пазара можете да закупите сухи нагревателни елементи Ariston с регулиране. Те се поставят в защитна колба и след това не взаимодействат с вода, поради което работят много по-дълго от обикновените отоплителни устройства. Ако има затруднения с качеството на захранването или с доставката на енергия, в този случай е по-правилно да свържете регулатор или непрекъсваемо захранване. Инсталирането на отоплител или бойлер изисква изучаване на окабеляването в къщата и дизайна на нейната граница на якост.
Независимо от типа електрически бойлер, техните най-високата производителност достига 3 kW, но електрическият проводник трябва да е проектиран за значително натоварване. Поради това се препоръчва да се монтира един електропровод. При свързване заземете отоплителния бойлер или бойлер Ariston с един проводник.
Безупречна опция за включване на нагревателен елемент с термостат за отопление или нагряване на вода е захранването му чрез защитен прекъсвач RCD. Ако нагревателният елемент откаже, той ще изключи устройството от мрежата. Следвайки инструкциите за употреба и техническа безопасност, разбира се, можете да продължите периода на експлоатация, но все още има условия, които нарушават работата на устройството:
- корозионни процеси на покритията;
- разкъсването му в резултат на мощно прегряване;
- чести спада на електрическото напрежение;
- общо разхерметизиране на тръбата.
Схема на свързване
Тъй като устройството има пряк контакт с вода, трябва да има защита срещу електрически повреди. ток - RCD (или diffavtomat) и късо съединение с помощта на прекъсвач (AB). Поради липсата на вградена защита на RCD срещу свръхток и естествена инерция AB, той трябва да има ток номинал поне една стъпка по-висок (25 A във връзка с прекъсвач 16 ампера).
Термостатът (TP) или термостатът играе важна роля в отоплителното оборудване. Това е универсално устройство, което контролира отоплителните системи. Дизайнът му може да бъде различен, функцията е една и съща: TP стабилизира температурата на дадена среда за определен период от време. Трябва да знаете как да свържете термостат, така че той да изпълнява правилно предназначението си.
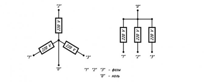
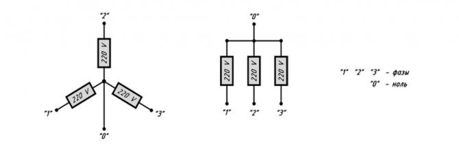
Звездни връзки.


Като пример ще представим верига „звезда“, която е съставена от три електрически нагревателя.
Съответната фаза се подава към втория терминал (2) на всеки от нагревателите. Първите изводи (1) на нагревателните елементи са свързани заедно с едновременното образуване на обща точка, която се нарича нула или неутрална. Този тип товарна връзка е трипроводна.


Трижилна връзка препоръчително е да се използва при работно напрежение от 380 волта. По-долу предлагаме да разгледаме електрическата схема на трижилната връзка на нагревателните елементи към трифазна електрическа мрежа. В този случай захранването и изключването на напрежението става благодарение на триполюсните прекъсвачи.


В представената диаграма може да се види, че проводниците, разположени от дясната страна на електрическите нагреватели, са свързани към фази A, B и C, а проводниците, разположени вляво, са свързани в нулевата точка. Между клемите, които са вдясно и нулевата точка, работното напрежение е 220 волта.
Видове термостати
По принцип има 3 вида термостати:
- Биметална плоча;
- Термодвойка;
- Инфрачервен сензор.
Биметална плоча
Под въздействието на нагряване или охлаждане плочата се огъва в една или друга посока. По този начин, затваряне или отваряне на контактите, подаващи електричество към нагревателните елементи. Плочата е двуслойна лента, заварена от два метала с различни коефициенти на топлинно разширение. Поради това, когато се нагрява, разширяващите сили "принуждават" плочата да се огъне.
Термодвойка
Елементът е V-образна скоба, изработена от чувствителна на топлина метална сплав.През проводника протича слаб ток. Когато температурата се промени, съпротивлението на проводника се променя, което влияе върху характеристиката на тока. Този фактор действа чрез управляващата верига на захранващото реле на нагревателя.
Области на приложение на термостати
В ежедневието пример за използване на термостат може да бъде пералня. Термичен сензор, свързан към нагревателен елемент в резервоара, "следи" нивото на нагряване на водата. В автомобила термодвойката на охладителната система "контролира" режима на включване на вентилатора на радиатора.
Температурен регулатор е задължително вграден в различни нагреватели на помещения с достатъчно ниво на сложност. Нито една система за подово отопление не е пълна без твърдо състояние TR. В хладилника термостатът е неразделна част. Във всички компютри и лаптопи сензорите за температура включват вентилаторите, предпазвайки хардуера от прегряване. Климатици, микровълнови печки, електрически фурни - всички те имат термостати. Различни бойлери, електрически котли, газови котли, включени в отоплителната система на сгради и конструкции, работят само заедно с термостатични контролни блокове.
Свързване и инсталиране на термостата
Има две известни опции за свързване на термостата. Това са начини за свързване на двужилни и плътни проводници.
Свързване на двужилния кабел към термостата
Двужилен проводник се използва, когато TR изисква пълно захранване от мрежата за функциониране на система за управление със затворен цикъл за режим на отопление с определен обем. Това са интегрални схеми, базирани на микропроцесори.
Получените данни от сензора под формата на промяна в силата на тока, стойностите на съпротивлението се анализират от устройството. В резултат на това се дават команди на стартера на нагревателния елемент с предварително определен интервал от време и граничен праг за загряване на определено пространство.
Забележка! Пример за свързване на двужилен проводник е диаграма за свързване на термостата към циркулационната помпа на водогреен котел.
Свързване на едножилен кабел към термостат
Кабел от една сърцевина се използва в схемата за свързване на термостати в случай, когато самото устройство е инсталирано в прекъсване на фазовия проводник, водещ до положителния извод на нагревателния елемент. Тоест, кабелът служи като фазов прекъсване на мрежовия ток, захранващ нагревателните елементи.
Нагревателен елемент и еднофазна мрежа. Какво да завиете към какво?
Този случай е типичен за дачи и стари селски къщи. Първо трябва най-общо да разберете какво е заложено и най-лесният начин да направите това е като разгледате следната фигура:
И така, еднофазната електрическа мрежа има два проводника - нула и фаза. Самата картина показва два начина за включване на товара - паралелен и последователен. Тези методи се различават по начина на разделяне на първоначалното напрежение между елементите. В повечето случаи нагревателните елементи са свързани паралелно, за да не загубят полезна мощност, последователната верига е подходяща само за различни специфични случаи. Блок, подготвен за свързване към една фаза, ще изглежда така:


Също така си струва да се обърне внимание на избора на кабел, но ще засегнем тази точка малко по-късно и сега нека преминем към три фази.
Опции за връзка
- Към системата за подово отопление;
- Към нагревателния елемент;
- Към нагревателя.
Свързване на термостата към системата за подово отопление
В комплекта за доставка е включен стандартен термостат за подово отопление с подробни инструкции за свързване на устройството към системата за подово отопление. Можете сами да свържете TR, като използвате обозначенията под клемните блокове.
На гърба на регулатора има три двойки терминални гнезда за проводници. Първата двойка е за свързване на двужилен мрежов кабел. Гнездо "L" - фаза, "N" - нула.
Втората двойка контакти е предназначена за свързване към изходите за подово отопление - L1 и N1. Петият и шестият извод се използват за свързване към температурния сензор.
Регулаторите на температурата на пода могат да бъдат включени в контакта или монтирани на стената. Температурният сензор може да бъде вграден в корпуса на устройството или инсталиран в края на дистанционния кабел.
В първия случай се измерва температурата на въздуха в помещението. Във втората версия сензорът измерва степента на нагряване на готовото подово покритие.
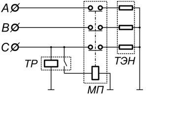
Свързване на термостата към нагревателния елемент
Термостатът е свързан към електрически нагревател чрез магнитен стартер. Това се дължи на факта, че мощността на регулатора далеч не е сравнима с мощността на нагревателните елементи.
Магнитен стартер (MP) е необходим при управление на термостат с няколко нагревателни устройства едновременно. MP се врязва във фазовия проводник успоредно с термостата. Режимите на работа на tenov се регулират от термостат, захранващият ток преминава през MP. Това прави възможно използването на трифазна електропреносна мрежа, която позволява работата на нагревателни елементи с висока мощност.
Много TR са оборудвани с електронни микропроцесори, които допълнително предоставят индикатори за нивото на влажност, налягане и време, необходимо за постигане на стойностите на зададените параметри.
Свързване на термостата към нагревателя
Има механични и електронни термостати. Напоследък вторите модели активно заменят механичните си колеги. Използването на съвременна електроника дава възможност за по-ефективно управление на температурния режим в дадена среда.
TR за отоплителни уреди е вграден в корпуса на въздушните нагреватели или изнесен на разстояние от отоплителните устройства. Регулаторът, на първо място, е свързан към електрическата мрежа, след това чрез управляващата верига е свързан директно към температурния сензор.
Допълнителна информация. Инфрачервените нагреватели са свързани към термостат в повечето версии чрез магнитен стартер. За да направите правилното свързване на устройството, трябва стриктно да следвате точките от приложените инструкции.
Характеристиките на начина на свързване на устройствата за контрол на температурата зависят от вида на отоплителните устройства. Това може да бъде едножилна или двужилна връзка на ТП подово отопление. Свързването на двуфазен термостат към нагревателни елементи с трифазен ток се извършва само чрез магнитен стартер. За отопление на водата термостатът се врязва директно в радиатора. Във всеки случай има отделна схема за свързване на термостата.
СВЪРЗВАНЕ НА ЕЛЕКТРИЧЕСКИЯ ОТОВАТЕЛ НА КОТЛА
За електрически котел можете да изберете няколко опции за свързване, но в този случай ще помислим за свързване на сухи нагревателни елементи към трифазна мрежа с напрежение 220 волта от типа "звезда". Поради голямата мощност на сухите тръбни нагреватели е важно захранващите проводници да са свързани здраво към тях. Поради това се препоръчва стриктно да се придържате към електрическата схема за клемите на нагревателния елемент съгласно инструкциите.


При свързване на фазовите проводници към клемите на електрическите нагреватели, на първо място, завийте гайката m4. След това трябва да приложите шайба и да поставите пръстеновидния връх на захранващото окабеляване. След това отново се наслагва шайба, а върху нея лежи пружинна шайба. Всичко това е затегнато с гайка m4.
Проводникът, който ще бъде свързан към неутралната фаза, е затегнат с болт m8. Той ще бъде разположен в джъмпера между щифтовете на отворите на нагревателя.
След свързване на проводниците, тялото на нагревателя и проводниците на нагревателния елемент трябва да бъдат заземени. Обикновено за котлите има болт за заземяване от лявата страна на блока на електрическия нагревател, към който трябва да бъде свързан заземителният проводник.
Като защитен превключвател за заземяване можете да използвате отделен проводник на допълнителната система за изравняване на потенциали или да го вземете от заземяващия терминал на контролния блок.


След горните работи можем да приемем, че свързването на нагревателния елемент на електрическия котел е завършено. Сега остава само да се монтира защитната обвивка на блока на топлообменника.
За контрол на температурите на водата и въздуха, специални термични сензори
... На основния панел на блока за управление на електрическия котел има два маркирани регулатора - "въздух" и "вода". Всеки от регулаторите има собствено градуиране с цифров код, който показва температурата, измерена в Целзий. Благодарение на такива регулатори можете лесно да зададете необходимите топлинни стойности на охлаждащата течност. Регулаторът работи на принципа на регулиране, когато температурата на електрическия котел достигне стойностите, зададени в опциите, нагревателният елемент ще спре нагряването и тъй като стойностите падат под необходимото ниво, отоплителните устройства ще започнат работата си отново.
По този начин е възможно да се автоматизира работата на електрическия котел. Операторът просто трябва да зададе стойностите на необходимите индикатори и по-нататъшната работа ще се извърши автоматично. Топлината в стаята ще се поддържа на необходимото ниво без човешка намеса.
Температурните сензори значително улесняват работата на електрическия котел. Сензорът за контрол на температурата на водата се намира директно в топлообменника на специална седалка. Като алтернатива можете да го инсталирате сами, като го прикрепите към отоплителната тръба.
Сензорът, който определя температурата на въздуха, работи по същия начин. Той се инсталира в стая за измерване на общата температура. Електрически котел ще загрява охлаждащата течност, докато въздухът в стаята достигне желаните температурни стойности.
Различните видове и модели електрически котли могат да се различават по вътрешното си оформление, наличието на допълнителни функции, автоматизация и много други. и т.н. Но, въпреки разликата във всички възможни модификации, полагането на електрически кабели, изборът на типа и напречното сечение на кабела, автоматичната защита, както и връзките към мрежата не се променят.
Съвети за инсталиране
Няколко съвета:
- Преди да купите TR, трябва да се уверите, че характеристиките на регулатора и нагревателните елементи са съвместими.
- Трябва да изберете инсталацията на устройството на най-достъпното място.
- Когато се взема решение за закупуване на устройство, трябва да се оцени икономическата целесъобразност от използването на определен модел термостат.
- Ако нямате достатъчно опит в инсталирането на такива устройства, по-добре е да потърсите помощ от специалисти.
Човек понякога не знае за броя на устройствата за термичен контрол, които го заобикалят. Те са станали част от ежедневието. Тяхната работа носи значителни икономии на енергийни разходи.
Делта връзка


С делта връзка, проводниците на електрическите нагреватели са свързани помежду си в последователен ред. Съгласно схемата на свързване на три тръбни електрически нагревателя, свързването се извършва в следния ред: първият изход на нагревателя # 1 е свързан с първия изход на нагревателния елемент # 2; вторият терминал на устройство №2 е свързан с втория терминал на устройство №3; вторият терминал на нагревателя №1 е свързан с първия терминал на устройство №3. В резултат на тази връзка трябва да има три рамена - "a", "b", "c".


След това към всяко рамо се подава съответната фаза: фаза А на рамо "а", фаза В на рамо "в" и фаза С на рамо "в".
Закони в сила при свързване на нагреватели според типа "триъгълник":
Elemag има богат опит в производството на отоплителни системи. За всички въпроси относно покупката или свързването на електрически нагреватели, моля свържете се с нас по телефона или по имейл. Нашите експерти могат да ви посъветват при избора на подходяща връзка на нагревателния елемент. Връзките STAR и TRIANGLE се използват при нашето производство на сухи нагревателни елементи и традиционни електрически метални блокове на нагревателни елементи.


