От статията ще научите какво представлява нагревателен елемент, за какви цели се използва, как е свързан. Ще научите и за това какъв дизайн има. Накратко, това е електрическо отоплително устройство и самото съкращение означава съвсем просто. Това е тръбен електрически нагревател. Носи това име поради причината, че често тези елементи са направени под формата на керамични, стъклени или метални тръби. Сега нека разгледаме по-отблизо всички компоненти на това електрическо устройство.
Дизайн на елемента
Статията показва схема на нагревателен елемент. Най-важният компонент на всеки нагревателен елемент е самият нагревател, изработен от нихромова нишка, която е разположена вътре в тръбата по цялата дължина. Краищата на конеца са прикрепени към изходните щифтове. Нихромовата нишка има определено съпротивление, когато през нея започне да протича ток, тя се загрява и отделя топлина към метален или керамичен държач.

Трябва да се отбележи, че материалът, от който е направена тръбата, трябва да има висока устойчивост на ток. Следователно той е направен от сплави, които включват константан или нихром. Съпротивлението на нагревателния елемент зависи от това колко енергия трябва да развие устройството.
Какви нагреватели са инсталирани в котлите Termex


Компанията използва нагревателни елементи за бойлер Termeks от различни производители. В допълнение към италианския сайт, производството на електроди стартира и в Китай. На изхода има контролна лаборатория. Елементите с ниско съпротивление се отхвърлят.
За по-голяма гаранция у дома, преди да инсталирате нагревателите, те трябва да се държат във вода няколко часа и да се провери дали съпротивлението съответства на посоченото в паспорта.
За бойлери Termeks се произвеждат следните видове нагревателни елементи:
- за проточни кранове, нагреватели с мощност 3,3, 2,5, 5,5 kW;
- на щампован фланец D 64 mm - 2,0 1,5 kW, D 82 mm - 1,5 kW, D 92 mm - 1,5, 2,0 kW;
- без фланци, със закрепване върху гайки - 0.7, 1.3, 2.0 kW;
- магнезиеви аноди със специален състав, само в Италия.
Компанията е разработила специален състав за производството на AZ63 плюс сплавни аноди, които са 2 пъти по-ефективни от конвенционалните аноди.
Изчисляване на параметрите на нагревателя
Според закона на Ом се изчислява мощността, която е равна на произведението на силата на тока и напрежението на електрическата мрежа. С други думи, за да може нагревателният елемент да има мощност 1000 W, първо трябва да изчислите силата на тока. Известни са два параметъра - мощност и напрежение (в битовата мрежа - 220 волта). Токът ще бъде равен на мощността, разделена на напрежението. Ако 1000/220, получаваме сила на тока, равна на 4,55 А.
За да се определи съпротивлението на резбата, е необходимо напрежението да се раздели на силата на тока. В резултат на това получаваме съпротивлението на намотката на нагревателния елемент, изразено в ома. По-точно, разделяме 220 на 4,55 и получаваме, че съпротивлението на нихромовата нишка трябва да бъде равно на 48,4 ома.


Трябва да се отбележи, че съпротивлението пряко влияе върху мощността на нагревателния елемент. Колкото по-ниска е стойността на съпротивлението, толкова по-голяма е мощността на нагревателния елемент. Необходимо е да се обърне внимание на факта, че почти цялата мощност ще бъде изразходвана за нагряване на конеца. Следователно ефективността на повечето нагревателни елементи е почти 100%. С други думи, колкото по-мощно е отоплителното устройство, толкова по-бързо и повече се загрява.
Тенг
Аз
(Тейн)
Иполит Адолф (21.4.1828, Вузие, Ардени, - 5.3.1893, Париж), френски философ, естетик, писател, историк. През 1848-51 г. учи във Висшето нормално училище (Париж). Член на Френската академия (1878). Основателят на естетическата теория на натурализма, основателят на културно-историческата школа (вж. Културно-историческата школа).Основни трудове - "Критични експерименти" (1858, руски превод 1869), скици за О. Балзак (1858) и Стендал (1864), "История на английската литература" (1863-1864, руски превод 1876), "Философия изкуство" ( 1865-69, руски превод 1866, 1899). Въз основа на позитивисткия еволюционизъм на О. Конт, Т. смята задачата на критиката за „неутрален“ анализ, избягвайки морални и идеологически оценки.
Основата на неговата методология е триадата: "раса" (т.е. вродени, "природни" качества), "околна среда" (географски и климатични условия), "момент" (съществуването на "раса" и "околна среда" в определена историческа епоха). Взаимодействието на членовете на триадата определя появата на стилове, жанрове, школи. Художественото творчество на Т. носи печат на елитно безразличие към живота на хората. Автор на книгите с есета „Пътуването на Пиренеите“ (1855), „Пътуване в Италия“ (1866, руски превод 1913-16), сатиричната история „Парижки нрави. Животът и размишленията на Фредерик Томас Грандорж (1867, руски превод, 1880), Скици на съвременна Англия (1871, руски превод, 1872), Дневник за пътуване (1897). Говорейки до 70-те. от умерено либерални позиции, Т. след Парижката комуна от 1871 г., която среща с враждебност, еволюира към реакция. Тази повратна точка е отразена в основната историческа работа на Т. „Произходът на съвременна Франция“ (т. 1-3, 1876-93; руски превод, т. 1-5, 1907). Въз основа на тенденциозен подбор на източници, работата на Т. е по същество брошура срещу Великата френска революция, срещу якобинците и якобинската диктатура.
Цит.: La Fontaine et ses fables, P., 1861; Sa vie et sa кореспонденция, ст. 1-2, 4 е́д..П., 1908-14; на руски на. - Балзак, Санкт Петербург. 1894; История на естетиката. Паметници на световната естетическа мисъл, т. 3, М., 1967.
Лит.: Плеханов Г. В., Литература и естетика, т. 1-2, М., 1958; Луначарски А.В., Собр. цит., т. 8, М., 1967; Анисимов И. И., Живот на класиците, М., 1974, с. 101-03; Aulard A., Taine, historien de la revolution française. П., 1907; Lacombe P., Taine, historien et sociologue. P., 1909.
В.П.Балашов.
I. Тенг.
II
(химически)
същото като тетранитропентаеритритол.
Източник: Велика съветска енциклопедия на Gufo.me
Стойности в други речници
- Тейн - Иполит-Адолф (Тейн, 1828-1893) - най-забележителният и оригинален от мислителите на Франция през втората половина на 19 век. Бащата на Тен е адвокат, дядо му е подпрефект: предците на Т. се споменават през 17 век, един от тях получава псевдонима на философ. Енциклопедичен речник на Брокхаус и Ефрон
- десет - TEN, -a (или -a), m., TENKA, -i, f., TEN, -a, (или -a), m., TENKA, -i, f. Десет хиляди рубли (или десет долара, десет хиляди долара). Английски десет - десет. Обяснителен речник на руския арго
- TEN - (Taine), Hippolyte (21.IV.1828 - 5.III.1893) - френски. литературен критик, философ и историк. Проф. история на изкуството в École des Beaux-Arts в Париж (1864-84). Член Франц. академия (от 1878 г.). Работи Т. 50-60-те години. Съветска историческа енциклопедия
- Teng - Tetranitropentaerythritol (a.pentaerythrittetranitrate, nitropenta; n.Pentaerythrittetranitrat, Nitropenta; f. Tetrtanitropentaerythrol; и. Tetranitrato de pentaeritrita), - мощно взривяване BB. Той е бял кристален. Минна енциклопедия
- десет - десет, -а и тен, -а Правописен речник. Един N или два?
- TEN - вижте Енциклопедия по химия на тетранитропентаеритритол
- Тейн - Тейн Иполит (21.02.1828, Вузие, Ардени, -05.03.1893, Париж) - френски философ, естетик, историк, литературен критик, социален мислител. Във философските си възгледи позитивистът Тенг е силно повлиян от Хегел. Социологически речник
- ДЕСЕТ - Тейн Иполит (1828-93) - френски философ, социолог на изкуството, историк. Основателят на културно-историческата школа. Книги: "Критични експерименти" (1858) - "Философия на изкуството" (1865-69) - "История на английската литература" (ст. 1-4, 1863-64). Голям енциклопедичен речник
- ten - I. ten, сянка teint m. остарял. Боядисване, оцветяване; Цвят. Protchie < desains> просто знаят как да копират или променят сенки, lizurs < lizere> и подобни изображения на измислени desseins ... Речник на галицизмите на руския език
- десет - съществително, брой синоними: 7 експлозив 232 бдителност 12 нитроетер 1 пентаеритритол тетранитрат 5 пентрит 4 тен 2 тетранитропентаеритритол 4 Речник на руските синоними
- десет - орф.десет, -а Правописен речник на Лопатин
- Тейн - Тейн (Тейн) Иполит-Адолф (21 април 1828 г., Вузие, Ардени - 5 март 1893 г., Париж) - френски философ, историк, теоретик на изкуството и литературата. Привърженик на позитивизма, е повлиян от Хегел. Нова философска енциклопедия
- Тейн - Тейн Иполит (Hyppolyte-Adolphe Taine, 1828-1893) - френски литературен историк, историк, най-големият представител на буржоазната изкуствоведска критика от XIX век, създателят на т.нар. културно-исторически метод за изучаване на литература и изкуство. Литературна енциклопедия
- Блог
- Йежи Лец
- Контакти
- Условия за ползване
© 2005—2020 Gufo.me
Материал на изолатора и тръбата
Между тръбата и нихромовата нишка има изолатор, който може да издържи на много високи температури. За да се направи тръба за нагревателни елементи, е необходимо да се изберат материали, които не корозират. Именно тези тръбни електрически нагреватели са най-често използвани в индустрията и ежедневието.


Затворени в стъклена тръба се използват по правило в много агресивна среда, например в химически лаборатории, в които е необходимо да се нагряват различни смеси. Но можете да ги намерите и в битови нагреватели. Като правило те се използват в устройства, използващи инфрачервено излъчване. Керамичните тръби в нагревателите днес се използват много рядко.
Характеристики на
Електрическите бойлери са много търсени, поради което такива продукти се представят в голямо разнообразие на пазара. Търсенето на такива устройства се дължи на високите разходи за водоснабдяване, както и на периодичното спиране на топлата вода в някои райони.
Най-новите модели котли имат специален елемент, поради който водата се нагрява в затворен съд. Това е вътрешна батерия. Такова устройство обикновено се нарича нагревателен елемент. Въз основа на приетата абревиатура нагревателният елемент означава „тръбен електрически нагревател“.
Устройство се сглобява от телена спирала, която се поставя в метална обвивка, поради което проводниците не влизат в контакт с вода, а загряват тръбата. В нагревателя такава част е вътре, в контакт с вода по време на работа. В резултат на преминаването на ток през нагревателния елемент, наличната в котела течност се нагрява. Металната тръба обикновено е направена от „неръждаема стомана“ или медна сплав. Електрическите нагреватели са основните елементи на всеки тип бойлер за отопление на вода. Електрическата мрежа действа като източник на енергия за устройството.
Всички знаят, че водата и електричеството заедно представляват опасност за хората, поради което производителите се опитват да произвеждат устройства с високо ниво на безопасност.
Нагревателните елементи, монтирани във бойлери, могат да бъдат два вида. Всеки тип елемент има свои специфични характеристики.
Диаметър на тръбата
Тръбите могат да имат всякакъв диаметър, но широко се използват елементи с диаметър в диапазона 6-24 mm. В допълнение към факта, че изолаторът трябва да има високи изолационни свойства, е необходимо той ефективно да предава топлина от нагревателната намотка към тръбата. Сега нека поговорим за това какво е нагревателен елемент и как работи.


Захранването на нагревателния елемент се подава чрез клемите, които са разположени върху вложките с изолатори. Терминалите могат да бъдат разположени в единия или в двата края. Има разновидности на тръбни електрически нагреватели, които са оборудвани с вградена предпазител. По правило такива елементи се инсталират в съдомиялни или перални машини.
Устройството и приложението на термоелементи


Получената нагревателна тръба може да се огъне и частта да се направи така, че да може да се монтира в съда.В този случай горната метална обвивка е направена от проводник с добър топлопренос - стомана, мед, сплави. Нагревателният елемент за бойлера може да бъде фиксиран в съда с фланец или двата края на елемента с отделни гайки. Всяка вода, с изключение на дестилирана вода, съдържа соли. Някои от тях при нагряване стават неразтворими и се утаяват върху метални тръби. Процесът се случва и защото медни тръби са катализатор за отлагане.
Ако поставите пръчка от по-активен метал до него, тогава агресивните йони ще влязат в контакт с него. Тогава магнезиевият аноден електрод се разрушава, покрит с хлабава кора, няма достатъчно йони за образуване на отлагане върху нагревателния елемент. По този начин експлоатационният живот на основните елементи се удължава, а магнезиевите електроди се заместват с нови при износване. Следователно всички нагревателни елементи за бойлер са оборудвани с магнезиев анод.


Сухите нагревателни елементи имат различна структура. Те са имунизирани срещу утайки, не влизат в електрохимично взаимодействие с вода и не прерастват дори в сурова среда. Съответно не е необходимо да се инсталира анодният елемент с тях. Това не са нагревателни елементи, тъй като устройството не може да се нарече тръбен електрически нагревател. Такива елементи са подготвени за специфичен модел бойлер.
За въздушно отопление
За такива нагревателни елементи температурата може да достигне 450 градуса. Тези тръбни устройства се използват за отопление на въздуха в битови и промишлени помещения. Такива нагревателни елементи са основата за производството на конвектори, различни дизайни на сушилни камери, въздушни завеси. Тези нагреватели имат гладки или оребрени тръби. Какво е нагревателен елемент за отопление на въздуха, ще разгледаме по-нататък.
Перките на тези нагреватели са направени от стоманени ленти, които са прикрепени към тръбата. Поради използването на ребра е възможно да се увеличи повърхността на елемента, следователно, натоварването върху нихромовата резба е значително намалено и ресурсът на елемента също се увеличава. В същото време топлообменът се увеличава значително.
Какво е нагревателен елемент нагревателен елемент. Предимства на нагревателните елементи
В сравнение с други видове нагреватели, нагревателните елементи имат много предимства. Например, те могат да работят дори когато има директен контакт между нагревателя и нагрятата среда. И както знаете, това могат да бъдат най-различни варианти, не само течни и газообразни. Средата дори може да бъде твърда и налягането в нея може да достигне 4,5 атм. И това няма да се превърне в пречка за нагревателния елемент.
Предимството на тръбните електрически нагреватели е и в надеждната работа по време на вибрации, както и когато има значителни ударни натоварвания. Освен това те имат различни конфигурации. И няма напрежение върху обвивката на нагревателните елементи.
Има такъв важен показател като средното време до отказ. Когато се използват нагревателни елементи за отопление на въздушни среди, това е най-малко 10 хиляди часа. Когато се използва за нагряване на течни среди - най-малко 5 хиляди часа.
Двукрайният тръбен нагревателен елемент има такава конструкция, когато нагревателният елемент е вътре в металната обвивка. Това е например намотка или няколко намотки, изработени от високоустойчива сплав. Има и контактни пръти.
Компресираният електроизолационен пълнител действа като изолатор между обвивката и нагревателния елемент. За да се предотврати проникването на влага от околната среда, краищата на нагревателните елементи са запечатани. Между контактните пръти и обвивката има и диелектрични изолатори.
Бойлери
Когато подменяте нагревателния елемент на пералната машина, можете да видите, че неговият дизайн е напълно запечатан. Много често такива нагревателни елементи могат да бъдат намерени както в перални машини, така и в котли, отоплителни уреди. Водата може да се нагрее в тях до точката на кипене, която е 100 градуса по Целзий. Ако обемът на водата е много голям, се използват блокови устройства.Доста често, заедно с нагревателния елемент, за котела е инсталиран терморегулатор.


С помощта на термостат се оказва, че разединява нагревателния елемент от захранването, когато течността достигне необходимата температура. Веднага след като водата се охлади, термостатът отново включва захранването и намотката започва да се затопля. Такива нагревателни елементи се използват за отоплителни котли, котли, в перални машини.
Устройство и видове
За да направите правилния избор при закупуване на електрическо оборудване, е необходимо да проучите характеристиките на всички налични сортове. Нагревателните елементи са или затворени, или отворени.
Мокри или отворени елементи работят при директен контакт с течността в резервоара. Конфигурацията на елемента има класически вид, подобен детайл присъства във всяка електрическа кана. Ако част от тази група се провали, нейната подмяна не изисква сложна работа. Отворен нагревателен елемент съдържа магнезиев оксид и силициев пясък в тръбата си. Тези компоненти принадлежат към вида топлопроводими вещества. Нихромовата тел действа като основа за нагревателни елементи.


Производителите произвеждат различни бойлери от отворен тип с нагревателни елементи. Въз основа на отличителните характеристики на продуктите, продуктите могат да бъдат класифицирани.
- Според метода на закрепване елементите могат да бъдат гайка или фланци. Последният тип е подразделен на отливки и щамповани продукти.
- Важен момент е наличието на аноден гнездо. Устройствата с гайка може да нямат анодно закрепване или да се произвеждат с допълнителни крепежни елементи на фланеца.
- Формата на нагревателните елементи може да бъде стандартна права или извита в различни посоки.
- Според вида на суровината за тръбата елементите могат да бъдат изработени от мед или стомана.


Елементите от отворен тип имат следните положителни характеристики:
- основното предимство на мокрите нагревателни елементи е високата скорост на нагряване на водата;
- продуктите с този тип нагревателен елемент имат ниска цена;
- качествените продукти са допълнително покрити със стъклен емайл, което намалява риска от корозия и образуване на котлен камък в основата на детайла.
Недостатъците на мокрите нагревателни елементи включват ниско ниво на безопасност на продукта, както и значително намаляване на топлопредаването в резултат на образуването на котлен камък на повърхността на тръбата. В резултат на това ще се изразходва повече електричество за нагряване на течността в котела. Освен това лошото качество на градската вода влияе неблагоприятно на срока на експлоатация на такива продукти.
Елементите от затворен тип изискват поставяне в специална керамична колба, която осигурява нагряване на водата. Самата част не влиза в контакт с течността, поради което е получила името "сух" нагревателен елемент. Колбата има високи изисквания за безопасност, така че продуктът е направен от стеатит или магнезиев силикат. Суровината, използвана за производството на нагревателния елемент, е неръждаема стомана.
Тази конфигурация включва нагряване на течността чрез предаване на топлина от корпуса.


Нагревателните елементи от затворен тип имат следните предимства:
- устройствата се отличават с високо ниво на безопасност по време на работа, поради което възникването на късо съединение не е възможно;
- устройствата са удобни и лесни за използване;
- подобни видове продукти за отопление с вода имат дълъг експлоатационен живот;
- устройствата са икономични;
- в случай на неизправности продуктите могат да бъдат ремонтирани.


Недостатъците на такива нагреватели включват факта, че частите от затворен тип са направени специално за всеки модел бойлер. Поради тази причина в случай на повреда нагревателният елемент може да бъде заменен само с подобна част, което понякога причинява известни затруднения.


Устройства от гъвкав тип
Такива конструкции са намерили приложение в системи с горещи канали, в матрици.Те са удобни, когато трябва да оформите контура в система с горещи канали. Размерите на електрическите нагревателни елементи могат да бъдат всякакви. Един вид гъвкав електрически нагревателен елемент, който е познат на почти всеки собственик на жилище, е саморегулиращ се кабел за топъл под. Такъв нагревателен нагревателен елемент много често се използва при производството на система за отопление на помещенията.
Отделен тип устройство е касетъчното устройство, в което клемите за свързване към източника на захранване са от едната страна. Дължината на нагревателния елемент може да бъде максимум 3,5 м. Основната разлика от всички останали видове устройства е, че той има компактно тяло, най-често изработено от неръждаема стомана с проводници.


Патронните нагревателни елементи имат много висока плътност на мощността, топлината от нагревателния елемент се предава както чрез конвекция, така и чрез контакт. Обикновено такива нагреватели често се използват в индустрията за нагряване на масла с различни форми, изработени от метал. Доста често устройства могат да бъдат намерени в автомобилната индустрия, обувки, храни и леярни.
Разновидности на водни електрически нагревателни елементи


Нека си припомним старите електрически готварски печки с отворена спирала, използвани в средата на миналия век. Ако покриете такава спирала със слой чист фин пясък и я поставите в метална тръба, затворете краищата с изолационен щепсел, получавате нагревателен елемент за бойлер. Навитият проводник не влиза в контакт с вода и метал, но загрява медната или стоманената тръба. В резултат на това няма опасност от токов удар и водата се загрява от спуснат, мокър или отворен електрод.
За да почистите нагревателния елемент от котлен камък, той трябва да бъде потопен в гореща вода с анти-котлен камък или държан в разтвор на лимонена киселина. След това се уверете в целостта на случая.
Друг вид нагревателен елемент е конструкцията, при която проводникът е поставен в колба без контакт с вода. И такова устройство се счита за "сух" нагревателен елемент или затворено. Всеки от елементите има свои предимства и недостатъци.
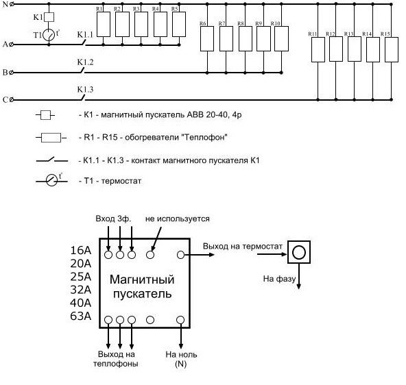
Свързващи устройства
За да свържете устройството към мрежа с променливо напрежение, трябва да използвате схемите, дадени в статията. Не забравяйте да инсталирате защита - прекъсвач. Освен това можете да инсталирате магнитен стартер за превключване на веригата или електромагнитно реле. Ако трябва да регулирате температурата, инсталирайте специален регулатор - разрешено е да се използват както електронни, така и механични, работещи на принципа на термостат. Сега знаете какво е нагревателен елемент и какви са неговите видове и най-важното е, че сте се запознали със схемите за свързване.
Общи характеристики и принцип на действие
Радиаторният нагревателен елемент е устройство, което може да се използва като допълнително или основно отоплително устройство. Устройството се състои от цилиндрично метално тяло. В средата му е монтирана медна спирала или стоманена тел. Вътрешните части са изолирани.
Нагревателният елемент, предназначен за радиатори, е оборудван с термостат. Поради това устройството може да се използва както за отопление, така и за регулиране на температурния режим.
Принципът на работа на такива електрически уреди е съвсем прост:
- в батерията е монтиран тръбен електрически нагревател;
- нагревателният елемент е свързан към електрическата мрежа;
- спиралите се нагряват, поради което топлината се подава към охлаждащата течност.


Как изглежда нагревателен елемент за радиатор
Задаването на необходимата температура е разрешено, ако в устройството има регулатор. Когато се достигне нивото на посочения режим, електрическата верига се отваря и нагревателният елемент се изключва. Когато температурата падне под зададената горна граница, се извършва автоматично загряване. Можете да свържете нагревателния елемент към почти всяка батерия.
Къде е монтиран нагревателният елемент на пералнята?
В битовите перални се използват така наречените мокри нагревателни елементи, чийто работен елемент е разположен в резервоара за миене и е в пряк контакт с вода. Локално, в перални единици, произведени от различни компании, нагревателните елементи могат да бъдат поставени както от двете страни, така и отпред и зад пералната машина.


В машините с предно зареждане нагревателните елементи имат странично разположение. Единственото правило е да го поставите на дъното на ваната за миене, за да загрява водата по-ефективно. От училищния курс по физика е известно също, че най-студените слоеве вода са на дъното и при нагряване те се издигат нагоре. Настъпва естествена конвекция на течността и нейното по-ефективно нагряване.

