Плюсове на системата Valtec

Спецификация на смесителния блок Valtec за подово отопление
Преди да започнете инсталацията и да изберете смесител за подово отопление на Valtec, е необходимо да анализирате предимствата на този тип водна верига.
- Благодарение на висококачествените материали, трайните крепежни елементи е осигурена надеждна работа.
- Модулно проектираните компоненти се вписват точно заедно, елиминирайки риска от течове.
- Производителят е осигурил производството на свързани материали, необходими за топло и хидроизолационно оборудване.
Инсталационни системи
Има различни начини за монтиране на топъл под с вода. Често топлоизолационен материал се монтира върху бетонна основа, върху която се монтират нагревателни елементи. Валцуваният субстрат VT.HS.FP е направен от 2 материала - разпенен полиетилен и метализиран слой, разположен в предната част на продукта.


Отражателната способност на горното покритие увеличава ефективността на водния нагреваем под. За да се улесни монтажа, върху повърхността на материала се нанасят маркировки, по които лесно могат да се монтират тръби. Тънката подложка няма да увеличи общата височина на пода. Но неговите характеристики допринасят за по-голям топлообмен на отоплението.
Инструкции за изчисление
За да се разработи правилно проект за полагане на топъл под, ще е необходимо предварително изчисляване на основните показатели, като се фокусира върху средните им стойности.
Направи си сам монтаж на топъл под с вода
Трябва да се вземат предвид различни фактори, включително ролята на водния под като основен тип отопление или използването му като допълнителен източник на топлина. Тъй като подробното изчисление за самоизпълнение е сложен процес, на практика се използват усреднени параметри.


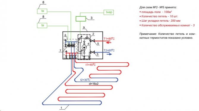
Схема на свързване на смесителен комплект Valtec
- Номиналната мощност е в диапазона от 90 - 150 W / m2. По-високи стойности са избрани за помещения с високи нива на влажност.
- При изчисляване на стъпката на полагане е необходимо да се съсредоточите върху обхвата от 15–30 см. С този показател специфичната мощност на отопление е в обратно пропорционална зависимост. Тоест, колкото по-голяма е стъпката, толкова по-малко мощност.


Термомеханична схема на помпено-смесителния блок - Въпреки факта, че при голям диаметър на тръбите през тях преминава по-голямо количество охлаждаща течност, дебелината на замазката служи като ограничител за този показател, който не се препоръчва твърде голям, за да не се създаде прекомерно натоварване на пода. Следователно се вземат предвид тръбите на Valtec, изработени от съвременен омрежен полиетилен с антидифузионно покритие, с диаметър от 16 до 20 mm, а като свързващи части се използват пресовите фитинги на Valtec.
След определяне на ключовите параметри може да се разработи схема, на която се определя най-рационалното полагане на тръби в точен мащаб. След това се изчислява общата им дължина. В същото време се обмисля къде ще бъдат разположени помпено-смесителният блок и контролните елементи.
Две помпени и смесителни устройства за подово отопление в една отоплителна система.
Взех два смесителя за подово отопление в една отоплителна система.


Направих такъв веднага на първия етап от ремонта и го инсталирах временно.
Докато този миксер работеше с един клон на топъл под. Тогава той възнамеряваше да го премести в края на ремонта в други стаи. Положих тръбите в пода, за да свържа този клон към смесителя на ново място.
Но нищо не е по-постоянно от временното.
И на ново място инсталирах още един от същия миксер.
Някой ден ще премахна първия смесител - колекторът на втория смесител има фитинги за свързване на този клон и тръби вече са положени.
Моля, обърнете внимание, че смесителят на първата снимка не е в състояние да осигури температура на подаване на охлаждащата течност повече от 25 градуса при температурата, зададена на котела, 50 градуса. Снимката показва температура на охлаждащата течност от 30 градуса, която се достига при температура на котела от 60 градуса, а термостатичната глава на смесителя е настроена на 40 градуса.
Снимката показва температура на охлаждащата течност от 30 градуса, която се достига при температура на котела от 60 градуса, а термостатичната глава на смесителя е настроена на 40 градуса.
Това е просто разбираемо при такава връзка.
Парадоксът е, че това (25 градуса) е достатъчно, за да затопли помещението относително бързо с няколко градуса, поддържайки зададената температура.
Основни характеристики на смесителния блок
За да функционира ефективно монтираната водна верига, е необходимо правилно да се изчисли цялата система и правилно да се монтира смесителният блок за подово отопление Valtec в съответствие с разпоредбите, отразени в инструкциите, приложени към комплекта.


Схема на свързване на смесителния блок към различни видове отопление
Параметри на смесителната помпа:
- напречното сечение на тръбите е ¾ ", колектори - 1";
- в дизайна има 12 разклонителни тръби;
- помпената система е с дължина 18 см;
- температурният режим на нагрятата вода в системата се поддържа до 90 ° С;
- максимална стойност на налягането - 10 бара;
- производителност - 2,75 м3 / ч.


Спецификация на помпата и смесителния блок на Valtec
Тръбите имат външна резба с връзка Eurocone.
Помпа и смесител за подово отопление
Инсталация
Подовото отопление на Valtec, както вече знаем, използва топла вода като източник на топлина. Работата на тази система се извършва по следния начин: по периметъра на подовата повърхност е монтирана тръба, през която ще циркулира топла вода. Водата може да се отоплява с централно отопление или с газов котел (но последното е за предпочитане, тъй като работата на системата за подово отопление няма да зависи от температурата на водата, от налягането в мрежата или от сезонните прекъсвания на водата в централното отопление мрежа).


За да може топъл под да се справи напълно с работата си, е необходимо да запомните няколко точки: първо, топлоизолацията е наложителна; второ, трябва да изберете най-топлопроводимите материали; трето, необходимо е тръбата да се постави в циментова замазка, за да не се повреди тръбата и да се увеличи повърхността, която ще отопляваме.
Функционалност
Основната цел на помпено-смесителния блок е да стабилизира температурата на охлаждащата течност, когато попадне във водния кръг, като я използва за смесване на вода от връщащата линия. По този начин подовото отопление работи оптимално, без прегряване.
Следните сервизни елементи са включени в комплекта Combi:
- дренажни клапани;
- вентилационни отвори;
- термометри.


Как работи Combi модулът
Следните органи се използват за регулиране на възела:


Допустимо е да се свързват неограничен брой клонове за подово отопление към възела VALTEC COMBIMIX с обща мощност не повече от 20 kW
- балансиращ клапан на вторичния кръг, който осигурява смесване в необходимото съотношение на топлоносители от захранващите и връщащите тръбопроводи за осигуряване на определената температура;
- балансиращ и спирателен вентил на първи контур, отговорен за подаването на необходимото количество топла вода към блока. Позволява ви да изключите напълно потока, ако е необходимо;
- байпасен клапан, който позволява да се отвори допълнителен байпас, за да може помпата да работи в ситуация, при която всички контролни клапани са затворени.
Схемата на свързване е проектирана, като се вземе предвид възможността за свързване на необходимия брой клонове за подово отопление към помпено-смесителния блок с общ разход на вода не по-голям от 1,7 м3 / ч. Изчислението показва, че подобна стойност на дебита на охлаждащата течност при температурна разлика от 5 ° C съответства на мощност от 10 kW.
Ако няколко разклонения са свързани към смесителния блок, препоръчително е да изберете колекторни блокове от линията Valtec с обозначение VTc.594, както и VTc.596.
Воден топлоизолиран под Valtec
Известната поговорка „Поддържайте краката си топли, а главата студена“ е най-доброто описание на отоплителната система „топъл под“, която е толкова популярна днес. Всъщност, в сравнение с отоплението с радиатори, подовото отопление създава най-удобните условия за човек. Топлината се разпределя равномерно, което спомага за поддържането на оптимален вътрешен климат. В допълнение, използването на подово отопление ви позволява да спестите енергия и да освободите жилищна площ от обемисти отоплителни устройства, което ще позволи най-ефективното използване на площта и няма да усложни задачата при избора на дизайн на помещението.
За да можете да внедрите системата за подово отопление, е необходимо стаята да има резерв за височина, за да побере „прага“ на топъл под. Минималната необходима височина на конструкцията за подово отопление е 85 mm (без подово покритие).


Аксесоари за монтаж на подово отопление
1. Тръба
В повечето случаи се използва XLPE тръба.
XLPE тръбите се използват активно в различни области. Техните предимства са:
-устойчивост на високи температури, позволяваща използването на тръби за топло водоснабдяване и отопление; - еластичност, еластичност, така наречената молекулярна памет (способността да възстановява формата си след механично напрежение) на материала. В допълнение към факта, че тръбите от омрежен полиетилен могат да се огъват без нагряване (до определени радиуси) и специален инструмент, те могат да издържат на няколко цикъла на замръзване на транспортираната течност, не се разпространяват (напротив, абсорбират) шум и вибрации и поглъщат хидравлични удари; - химическа и електрическа инертност, устойчивост на агресивни среди (и следователно, неподатливост на корозия); -ниска грапавост на вътрешната повърхност (това намалява хидравличното съпротивление, изключва обрастването на канали); -по-висока от обикновения полиетилен, устойчивост на ултравиолетови лъчи; -хигиеничен (материалът на тръбите не отделя вредни вещества в потока в диапазона на работната температура); -устойчивост на абразивно износване и стареене; - лекотата на тръбите, възможността за закупуването им в бобини с голяма дължина; - простота и технологичност на инсталацията.
Недостатъците на тръбите, изработени от PE-X, включват висок коефициент на топлинно линейно разширение (0,15-0,20 mm / m x ° C); чувствителност към продължително излагане на слънчева светлина (няма противоречие с казаното за това по-горе); невъзможност за поддържане на формата на огъване, дадена по време на монтажа (тръбата трябва да бъде закрепена с помощта на скоби или скоби).


В момента се използват 3 метода за омрежване на полиетилен:
-PE-Xa (отопление с високо налягане в присъствието на пероксиди). Пероксидният метод (PEX-a) е химичен метод за омрежване на полиетилен и се състои в омрежване с органични пероксиди и хидропероксиди. Полученият с този метод тръбопровод има степен на омрежване от около 75%.
-PE-Xb (излагане на химикали, един от които е силан). Силановият метод (PEX-b) също е химичен. При омрежване по този начин се използват органосиланиди. Минималното съотношение на шевовете по този метод е ограничено до 65%;
-PE-Xc (електронно облъчване на крайния продукт) - Радиационното омрежване (PEX-c) се извършва с помощта на поток от заредени частици. Съотношението на шевовете е около 60%.
Ефект на паметта
Паметната форма е много полезна за редактиране.Ако по време на монтажа на тръбопровода се образува прекъсване, изстискване или друга деформация, тогава това може лесно да бъде елиминирано чрез нагряване на тръбопровода до температура 100-120 ° C. Освен това, когато свързвате PEX тръбопровод към фитинг, се появяват деформации и в жлебовете на фитинга (фиг. 2). Когато охлаждащата течност е подадена и тръбопроводът се затопли, на тези места възникват възстановяващи сили. Благодарение на тези усилия тръбопроводът приляга по-плътно на фитинга, което увеличава надеждността на връзката.
За съвременните отоплителни системи е важно кислородът да не влиза в охлаждащата течност. Един от начините за неговото проникване е дифузия през стените на пластмасови тръби. Следователно, PEX тръбите за отопление са допълнително оборудвани с полимерен газонепропусклив слой на основата на етилен винил алкохол (EVOH).
VALTEC предлага полиетиленови тръби PEX-EVOH, изработени от омрежен полиетилен PE-Xb. Външната страна на тръбата е покрита с антидифузионен слой EVOH с дебелина 50 микрона. Външният и вътрешният слой на тръбата са свързани помежду си с помощта на еластично лепило Plexar PX 3216.
В тръбата VALTEC PEX-EVOH антидифузионният слой е направен отвън, т.е. тръбата има трислойна структура: PEX-лепило-EVOH. На пазара има и петслойни (PEX-лепило- EVOH-лепило-PEX)
Погрешно е схващането, че външният слой на EVOH в трислойна конструкция е склонен към абразия. Твърдостта на слоя EVOH е значително по-висока от тази на слоя PEX, така че ако се обработва правилно, повреждането на външния слой е малко вероятно.
При налягане от 6 бара работната температура за тях е ограничена до 80 ° C (ненадвишаването на тези параметри е условие за 50 години експлоатация на тръбите). За кратко време позволяваме нагряване на топлоносителя до 95 ° C.
Изборът на диапазон на степента на омрежване на полиетилен от 68-70% за тръбопроводи VALTEC PEX-EVOH се дължи на оптималното съотношение на якостните характеристики на тръбопровода и неговата гъвкавост. Например, тръбата VALTEC PEX може да бъде ръчно огъната при стайна температура с радиус, равен на пет диаметра на тръбата, а когато се използва огъващ тръбопровод или проводник - с радиус, равен на три диаметъра. Тръбопроводите с над 70% омрежване ще имат радиус на ръчно огъване най-малко седем диаметъра. По-голям завой на тръбопровода с тази степен на омрежване може да се постигне само с помощта на сграден сешоар.
2. Колекторска група
Функциите на колектора за подово отопление са разпределението на охлаждащата течност във веригите на системата и ако е налице подходящо оборудване, хидравлично балансиране на контурите, спиране на потоците, отстраняване на въздуха от работната течност, източване на охлаждащата течност. Колекторите VALTEC са изработени от висококачествен санитарен месинг CW617N с никелиране или неръждаема стомана. Сглобените на тяхната основа колекторни блокове са оборудвани с необходимите тръбни елементи - спирателна система, регулиращи клапани, автоматични вентилационни отвори, дренажни клапани. Блоковите връзки са запечатани с EPDM пръстени, не са необходими други уплътнители. Стандартът за свързване на тръбни контури е Eurocone. Комплектът включва скоби за монтаж на колектор на стена (или в контролен шкаф). Използването на готови модули VALTEC - колекторни блокове, помпени и смесителни агрегати - е най-простото решение на проблемите за създаване на водно подово отопление, спестяване на време, пари, пространство, минимизиране на рисковете от грешки при проектирането и монтажа.


3. Помпа и смесител
Помпата-смесител VALTEC COMBIMIX (VT.COMBI) е проектирана да поддържа зададената температура на охлаждащата течност във вторичния кръг (поради смесване от връщащата линия). С този уред е възможно също така хидравлично да се свърже съществуващата високотемпературна отоплителна система и нискотемпературния кръг на подово отопление. В допълнение към основните контроли, уредът включва и целия необходим набор от сервизни елементи: въздухоотвод и дренажен клапан, които опростяват поддръжката на системата като цяло.Термометрите ви позволяват лесно да наблюдавате работата на уреда, без да използвате допълнителни устройства и инструменти. Допустимо е да се свързват неограничен брой клонове за подово отопление към възела VALTEC COMBIMIX с обща мощност не повече от 20 kW
Настройката на системата е описана от производителя. За да се запознаете, следвайте връзката https://valtec.ru/document/article/combinix-balancing.html
ИНСТАЛАЦИЯ
Методи за полагане на контури за подово отопление из стаята


Змия в стаи с неправилна форма или със специално предназначение. При тази конфигурация е необходимо да се постави захранващата тръба срещу външните стени, за да не се увеличи значително температурната разлика между повърхността на пода и околната среда, което е характерно за този тип инсталация.
Охлюв, използван в повечето случаи, тъй като постига по-равномерно разпределение на температурите (захранващата тръба е поставена до връщащата тръба), което опростява работата по полагане, тъй като изисква само два завъртания на 180 °: благодарение на паралелното полагане на тръбите.
В сравнение с "змийското" оформление, втората опция дава 10 = 15% спестявания в броя на тръбите и значително печели по отношение на хидравличните характеристики поради малкия брой завои с 180 градуса
1-Монтаж на шкафа на колектора, колектора и помпено-смесителния блок
2- Подготовка на пода
Повърхността трябва да е без неравности
По периметъра на стените се полага амортизационна лента, за да се намалят топлинните загуби през стените и да се компенсират деформациите
Полистиролова пяна се полага за топлоизолация (екструдиране PPP се полага в случай, когато замазката е елемент от фундаментната конструкция
Благодарение на "шефовете" тръбата се полага с надеждна фиксация, което прави възможно да не се закрепва допълнително.
С помощта на съединители Eurocone тръбите са свързани към колектора, а изолацията избягва образуването на конденз и предпазва тръбата от въздействието на бетона. За да се провери надеждността на направените връзки, се провежда тест за налягане (ВАЖНО! Ако системата не стартира през зимата, е необходимо да се източи водата или да се излее течност против замръзване по време на изпитването под налягане).
След тези стъпки замазката се излива, но е важно тръбите да останат под налягане, така че бетонът да не ги изцеди. Бетонът получава своята якост за 28 дни, докато за 5 дни ще придобие 75% якост.


Valtec предлага оборудване, с което можете да създадете комфортни условия, като същевременно не трябва да се страхувате от трудности при инсталирането и конфигурирането на оборудването, тъй като всички материали са на разположение за преглед. Вие или човекът, който ще се занимава с инсталацията, ще можете да изчислите, инсталирате и въведете в експлоатация всичко без никакви проблеми, а по-късно ще се насладите на комфорта в дома си.


Инсталационен алгоритъм
След приключване на предварителното изчисление на всички компоненти, монтажът на топъл под започва директно, включващ преминаването на няколко етапа.


Схема за подово отопление
- Монтаж на предварително избрано място на шкафа на колектора. В него се помещава модул, състоящ се от колекторен блок и помпено-смесителен блок със сферични кранове, чрез които ще се осъществи връзката към високотемпературната верига.
- Подготовка на подовата равнина. Ако има значителни нередности, се вземат мерки за тяхното отстраняване. Най-ефективният вариант е грубата замазка.


Схема на свързване на помпено-смесителния блок към топъл под - Фиксиране по периметъра на амортисьорната лента, която служи като елемент, който компенсира евентуалното разширяване на замазката, което се получава при нагряването. Той е прикрепен към стените, така че след завършване да остане излишъкът, който се отрязва преди инсталирането на цокъла.
- Оборудване за топлоизолация чрез полагане на изравнен под от експандирани полистиролни плочи с монтажни гнезда, под които се полага хидроизолация, ако е необходимо.
- По-рано разработена схема служи като ориентир за последващото разположение на тръбите.
Как да сглобя колектор?
Разпределителният блок на Valtec е сглобен.Горещата тръба вече има инсталирани разходомери. На студената линия има термични глави, но продуктът може да има само изходи за закрепване на устройства за контрол на температурата. Те са защитени с пластмасови капачки. Производителят дава възможност да се избере коя автоматизация да се инсталира: термична глава, серво задвижване.
Необходимо е да свържете някои малки елементи към колекторната група:
- Вдясно спирателните клапани са свързани към тръбите. Комплектът включва 2 бр.
- Към клапаните за изпускане на въздух е свързано поплавъчно устройство.
- Дренажните клапани са свързани срещу отворите за въздух от долната страна на тръбите.
- Краищата на гребена са затворени с тапи.
Препоръчваме: Какво е включено в комплекта за подово отопление на Valtek?
Към колектора са отделно свързани циркулационна помпа и трипътен или двупосочен клапан. Тези устройства се продават отделно. Те са свързани вляво от тръбата, в която влиза студената охлаждаща течност. Използвайте месингови фитинги с резба.
Студените и горещи вериги се отстраняват от металните тръби, които са свързани към котел или печка. Те са свързани посредством байпас на изхода на колекторната група. Между веригите е монтирана циркулационна помпа с температурен сензор.
Регулирането на ротаметъра се извършва при тестване на отоплителната система. Гилзата трябва да бъде отстранена от устройството. Използвайки червения пръстен, горната втулка, настройте ротаметъра на нула.
След това, като се използва същата втулка, клапанът се монтира на o за големи помещения, o за малки стаи. За да фиксирате параметрите на ротаметъра, долният пръстен се завърта надясно, докато спре.
Върнете защитната капачка на първоначалното й място. Разходомерът с променлива площ може да няма задържащ пръстен. В този случай скоростта на пълнене на тръбопровода се настройва без фиксиране. Функцията на клапана трябва да се проверява редовно.
Колекторите "Valtek" за подово отопление са монтирани с течна отоплителна система. Охлаждащата течност може да бъде вода, антифриз, гликолови пълнители, които не замръзват при ниски температури. Ако отоплителната система не се използва, тогава охлаждащата течност не трябва да се източва.
Броят на веригите на разпределителния блок е 3-12 бр. Ако е необходимо, към тях може да се свърже допълнително оборудване, за да се увеличи капацитетът на потока на охлаждащата течност към всички помещения в къщата.


Гребенът е фиксиран на стената или поставен в шкаф за колектори. Производителят дава 10-годишна гаранция за оборудването. Сервизните центрове се намират в Санкт Петербург, Москва. Уредът ще служи над 50 години.
Ако е необходимо, ротаметърът или термичната глава могат да бъдат заменени, без да се изключва отоплителната система. Когато се използва програмируем термостат, работата на блока за управление на подовото отопление може да се извърши чрез електронни джаджи.
Препоръчваме: Характеристики на системата "комбинирано отопление: топъл под и радиатори"
YouTube отговори с грешка: Достъпът не е конфигуриран. API за данни на YouTube не е бил използван в проект 268921522881 преди или е деактивиран. Активирайте го, като посетите https://console.developers.google.com/apis/api/youtube.googleapis.com/overview?project=268921522881, след което опитайте отново. Ако сте активирали този API наскоро, изчакайте няколко минути, за да се разпространи действието в нашите системи и опитайте отново.
- Подобни публикации
- Как да инсталирам електрическо подово отопление?
- Как е свързано подовото отопление?
- Плюсове и минуси на подово отопление
- Как да свържете топъл под?
- Принцип на подово отопление
- Може ли ламиниран паркет да се полага на топъл под?
Персонализиране
За да свържете тръбите към колекторите, използвайте фреза за тръби, за да отрежете до желаната дължина, калибратор за скосяване и компресионен фитинг. Трудно е да се извърши подробно изчисление у дома, следователно трябва да се изучат инструкциите, които подробно описват настройката на помпения и смесителния блок в определена последователност.
- Термичната глава се отстранява.
- За балансиращия клапан от вторичната страна капацитетът се изчислява по формулата.


Два варианта на смесителния блок
kνb = kνt {[(t1 - t12) / (t11 - t12)] - 1},
където kνt - коефициент = 0,9 производителност на клапана;
t1 - температура на водата на първи контур на захранването, ° С;
t11 - температура на вторичния кръг при подаване на охлаждаща течност, ° С;
t12 - температура на водата на връщащия тръбопровод, ° С.
Изчислената стойност на kνb трябва да бъде настроена на клапана.
- Задаване на желания режим на работа на байпасния клапан при задаване на максималната стойност на диференциалното налягане от 0,6 бара.
- За да функционира ефективно подовото отопление, се регулира необходимата скорост на помпата. За да направите това, е необходимо да се определи стойността на дебита на охлаждащата течност в системата на вторичния кръг, както и загубите на налягане, които се появяват във веригите, разположени след блока.


Оборудване на смесител Valtec
Консумацията G2 (kg / s) се определя по формулата:
G2 = Q / [4187 • (t11 - t12)],
където Q е общата топлинна мощност на водния кръг, свързан към смесителния блок, J / s;
4187 [J / (kg • ° С)] - топлинен капацитет на водата.
За изчисляване на загубата на налягане се използва специална хидравлична програма за изчисление. За да се определи скоростта на помпата, която се задава с помощта на превключвателя, според изчислените показатели се използва номограма, която е в инструкциите, приложени към конструкцията на подово отопление.


Схема на свързване на контури за подово отопление
- Извършват се операции за регулиране на балансиращия клапан на първи контур.
- Регулаторът на температурата е настроен на температурата, необходима за комфортно отопление.
- В ход е пробен пуск на системата.
При липса на течове остава да се извърши бетонна замазка и след като се втвърди напълно, поставете подовата настилка.
Тунинг колектори с тунинг метри
Предварителната настройка на колекторите за подово отопление е необходима и важна. Дори системата да има термостати, контролери и друга автоматизация. Ако поверите настройката на автоматизацията, след известно време всички потоци ще бъдат възможно най-отворени. Така че, преди да стартираме системата, ние настройваме колектора. Регулирайте дебита на студена система, без да включвате котела. Отоплението започва след задаване на разходите за контурите - за проверка на температурата.


Колекторът Valtec с разходомери е по-лесен за настройка
Какво е разходомер и неговото устройство
Разходомерите се използват за първоначално регулиране на потоците, което е по-лесно, по-точно и по-бързо с тях. Освен това, по време на работа, те ви позволяват да изчислите текущия дебит по отношение на зададения по време на настройката. За да разберете механиката на настройката, трябва да знаете как работи и как работи измервателният уред. Това е кухо тяло с изпъкнал клапан, поддържан от пружина. Пружината е калибрирана. Върхът му е изведен в прозрачен конус със скала.


Как работи разходомерът Valtek
За да може да се ориентирате по стойностите на потока и всъщност да го регулирате, към пружината е прикрепен индикатор за дебит. За разходомери, които са инсталирани на доставката, индикаторът за разход е инсталиран в горната част на корпуса по подразбиране. В това положение той сочи към "0" и потокът е блокиран (както е на снимката по-горе). Ако измервателните уреди са предназначени за монтиране на връщащ колектор, индикаторът за дебита е отдолу.
Има два вида разходомери - със и без фиксиране на позицията на регулиращата втулка. Първите са по-надеждни, тъй като настройките не се губят, което може да се случи с обичайните. Но те са по-скъпи. И тъй като самият модул на колектора не е евтин, разходомерите често се инсталират без фиксиране.
Как да настроите дебита на разходомера
Скалата съдържа маркировки и цифри от 0 до 5. Числото обозначава силата на потока - това е скоростта на движение на охлаждащата течност в метри в секунда (m / s). Процедурата за регулиране на дебита е както следва:
- Отстранете (развийте) защитната капачка. Те са червени на колектори Valtec.
- Разхлабете фиксиращата втулка. Ако го няма, пропускаме тази стъпка.


Подравняване на измервателния уред със задържащ пръстен - Превъртете през регулиращата втулка, докато индикаторът за потока спре на нула.
- Усукваме в обратна посока, задавайки необходимата стойност.


Подравняване на разходомера без фиксатор - Ако има задържаща втулка, завийте я, докато спре.
- Слагаме защитно покритие.
И така, един по един излагаме разходомерите на всеки контур за подово отопление. Както разбирате, има малко по-малко стъпки без фиксиращата втулка.Моля, обърнете внимание: по-добре е да не пропускате стъпката с настройка нула. Не отнема много време, но ви позволява да проверите калибрирането.
Техника за регулиране на разходомери за подово отопление
Ако всичко е направено според правилата, трябва да имате изчисление на топлотехника, което показва потоците във всеки контур. Имате ли план? След това, според плана, задайте стойностите. Ако не, ще продължим въз основа на размера на контурите. При условие, че е положена тръба със същото напречно сечение, ще е необходимо да се промени дебитът въз основа на необходимия топлообмен. Но в този случай е необходимо да се знае дължината на тръбата във всеки контур.
Нека разгледаме един пример. Нека имаме четири вериги: 90 m, две от 75 m и 50 m. Процедурата за регулиране на разходомерите на колектора Valtek е както следва:
- На най-дългия контур, дълъг 90 m, отворете изцяло разходомера (ако се изисква максимален поток) или задайте необходимата стойност. Нека приемем, че за този случай е необходим максимален дебит - 5 m / s. За да направите това, спуснете показалеца за потока до самото дъно. Има знак 5 m / s.


За една и съща дължина потоците могат да бъдат различни. Зависи от изискванията (основно отопление или допълнително отопление) или подови настилки - Нека изчислим необходимия дебит за 75 метра. Определя се от съотношението на дължините: 75/90 = 0,83. Дебитът на първия контур (5 m / s) се умножава по получената цифра. Оказва се 5 m / s * 0,83 = 4,17 m / s. Поставяме индикатора за дебита на два контура от 75 m точно под отметката 4 m / s.
- Използвайки същата схема, ние изчисляваме дебита за 50-метрова верига: 50/90 = 0,55. Изчисляваме необходимата скорост на движение на охлаждащата течност: 5 m / s * 0,55 = 3,7 m / s. Задаваме индикатора за дебита малко преди да достигнем марка 4.
Ако в най-дългата верига потокът трябва да бъде по-нисък от максимално възможния, задайте необходимата стойност върху него (най-малко 3 m / s, най-малко 2 m / s). Останалите се преизчисляват, като се използва този дебит.
След това включваме котела и проверяваме колко правилно е конфигуриран колекторът. При една и съща дължина и еднакъв дебит може да се окаже, че една верига се загрява много по-добре. Това се дължи на различен модел на подреждане. Във верига, която се нагрява по-лошо, най-вероятно има повече завои или те са по-стръмни. Това увеличава хидравличното съпротивление, което намалява скоростта на движение на охлаждащата течност. Това означава, че се предава по-малко топлина. Решението е леко да увеличите консумацията и да видите резултата.
Как работи системата за смесване на вода?


Смесителна система за няколко стаи
Относително казано, смесителният уред за подово отопление работи по този начин:
Горещата течност достига до колектора за подово отопление и се спира от предпазен клапан, ако температурата му е твърде висока. От налягането амортисьорът се задейства и започва да подава охладената течност от връщащата линия (която вече е преминала през веригата и е охладена). Веднага след като температурата стане оптимална, клапанът се затваря обратно. Има няколко начина за организиране на смесването на водата, които ще обсъдим по-долу.
Също така, често колекторът не само поддържа оптималното ниво на температурата, но също така увеличава налягането във веригата, за да подобри циркулацията.
Обикновено се състои от следните елементи:
- Предпазният клапан, за който говорихме по-горе. Включва смесването, ако температурата стане твърде гореща.
- Циркулационна помпа, която повишава налягането на водата и прави отоплението равномерно.
Освен това уредът може да включва и байпас за защита от претоварване, клапани за източване на вода и отвори за въздух. В зависимост от вашите изисквания, той може да бъде сглобен по няколко начина.
Блокът за смесване винаги е монтиран до контура на подово отопление, но мястото на закрепването му може да бъде различно: директно в помещението, в котелното помещение или в друго помещение в шкафа на колектора.


























