Замислена пещ от 19 век
Отоплителна печка, диаграмата на която е показана на фигурата
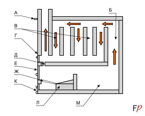
| Фиг. 17. Схема на една от най-обмислените в техническо отношение пещи на 19 век | |
| A. Порта за обща тяга B. Първи кладенец C. Паралелни кладенци D. Врата за почистване E. Всмукване с директно течение E. Врата на пещта G. Гризли плочи K. Духаща врата L. Под пещта M. Допълнителна камера |
> Тази печка може лесно да се превърне в печка за готвене и отопление, ако камината е изнесена отстрани на печката, съответно оборудвана с печка, а дъното на димоотводите е спуснато до нивото на пода.
Характеристика на тази пещ, която очевидно е разработена от В. А. Строганов, е наличието на: а) камера за догаряне; б) технически компетентно разпределение на посоката и разположението на каналите, позволяващо постигане на равномерно нагряване на цялата площ на димните кладенци на пещта; в) калибриран всмукателен отвор за директно теглене; г) само една врата за почистване, което улеснява и улеснява почистването на всички кладенци; ако е необходимо, чрез него можете да се отървете от преобръщане на тягата в пещта; д) решетка и огнище на пещта, които са разположени под добре обмислени склонове, допринасящи за по-ефективно изгаряне на остатъците от гориво, отколкото в пещите със строго хоризонтално разположение на решетката и огнището на пещта. Печката с тази подредба на комини ще се затопли равномерно по цялата си площ на топлопреминаване. Тягата в такива фурни винаги е добра.
4. Отоплителна печка с хоризонтални димни кладенци (фиг. 18) е добра с това, че не изисква строги и точни фиксирани маркировки на изхода на комина. В дореволюционно време такива маркировки може да се правят само от старши майстор в пещта. Маркирането на основата и полагането на първия ред никога не е било поверено на чираци. И изобщо не, защото това беше „въпрос на чест“. Причината за това най-строго подчинение в никакъв случай не беше формалност, а именно възможността за извършване на фатална грешка.
Печки с огнище: предназначение и характеристики
Пещите с огнище по право заемат специално място в гамата от оборудване за производство на хлебни и сладкарски изделия. Този тип печка с право може да бъде отнесен към най-стария тип. Пещите с огнище се основават на принципа на нагряване на огнището, което след това равномерно пренася топлината в работната камера. Благодарение на това продуктите във фурната се нагряват равномерно и не изгарят.
Традиционното огнище е направено от огнеупорни материали. Това може да бъде естествен камък, керамика, шамотна глина.
Колкото и да е трудно да се отгатне, традиционните фурни за печене на хлебни изделия в много народи по света са огнище - това е руска фурна за пайове и питки и италианска фурна за пица на дърва.
Понастоящем освен камък, керамика и огнеупорна шамотна глина като огнище се използват и метални огнища. Най-предпочитани са обаче каменните огнища. Ето защо, преди да закупите пещ с огнище, на първо място, трябва да обърнете внимание на качеството на огнището. Трябва да знаете, че всяка шушулка има ограничен експлоатационен живот и е проектирана за определен брой цикли на отопление и охлаждане. И колкото по-добре отдолу, толкова по-дълго ще продължи. Висококачествената шушулка служи в продължение на години и дори десетилетия. Въпреки това, когато купувате фурни, трябва да обърнете внимание на възможността за комплектоване с резервни огнища, за да можете да замените този, който не работи.
Печки с огнище:
Основната цел на пещите с огнище е да се пекат хляб, хлебни изделия, пици и пайове. При серийното производство се използват многопалубни огнищни пещи. Ето защо друго име за този тип фурни са палубните фурни.
Печките с огнище се различават помежду си не само по материала на огнището, но и по вида на източника на топлина. Най-популярни са печките с газово огнище и електрическите.
Електрическите пещи с огнище са по-целесъобразно да се използват при печене на сладкарски изделия и хлебни изделия директно в заведения за обществено хранене, в магазини, продаващи пресни хлебни изделия, тъй като са компактни и ефективни.
Модерните палубни пещи имат няколко камери, за всяка от които можете да зададете автономен режим на печене. Поради това е препоръчително да закупите палубни фурни, оборудвани с програмируеми контролни панели. На такива фурни ще бъде възможно да се пекат удобно няколко вида хлебни или сладкарски изделия едновременно.
Палубните фурни, в допълнение към програмируем контролен панел, често са оборудвани с други допълнителни устройства. Един от най-популярните варианти е парогенераторът, който е от съществено значение при печенето на продукти от тесто с мая. Парата в работната камера не само създава специален режим на печене, но и допринася за блясъка на крайния продукт.
Също така се препоръчва закупуване на фурни с осветление в работните камери и прозорци от топлоустойчиво стъкло, което осигурява визуален контрол върху процеса на печене.
предлага повече от две дузини различни модели палубни пещи, доказали се сред пекарите и сладкарите в Русия и страните от ОНД. Нашите експерти ще ви помогнат да изберете надежден модел палубна пещ, който е оптимален по отношение на производителността и цената.
Отоплителна печка от тухли от Сергей Михайлов (чертежи)
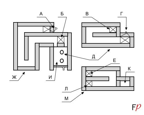
| Фиг. 18. Фурна от Сергей Михайлов. Разположението на всички технологични възли на пещта е дадено, като се вземат предвид препоръките, дадени в тази глава. | |
| A. Общ вентил за задвижване B. Печка C. Секция на комина (изглед отпред) D. Врата на пещта E. Изход от пещта към първия кладенец (hailo) E. Секция на комина (страничен изглед) J. Пещ I. Печка K. Haylo L. Секция на пещта (страничен изглед) |
Факт е, че старшият майстор на пещ трябваше да „има предвид“ цялата фурна. Той „видя“ всички по-високи тавани, посоки, броя на бъдещите комини и др. Всичко това е вярно сега, но не и по отношение на печки с хоризонтално разположение на димни канали. Такава печка (фиг. 18) не изисква никакви специални дизайнерски умения, тъй като всички технологични трудности в комина, "свързващи" размерите на печката, се преместват от хоризонталната равнина към вертикалната.
Пещите с хоризонтални кладенци бяха незаслужено забравени. Причината за забравянето е или незнанието, или незнанието на законите, които описах в глави 28 и 29 на тази книга. Има мнение, че печките с хоризонтални кладенци уж бързо се запушват с пепел, по-трудно е да се почистят и т.н. Това е абсолютно погрешно. Можете да се отървете от тези напълно необосновани предразсъдъци, като прочетете по-подробно главите по-горе.
Сега ще се огранича само с кратък списък на основните предимства на пещ с хоризонтални кладенци: а) не изисква точно изчисление при маркиране на първия ред; б) затопля се равномерно (най-горещите части на пещта, които позволяват интензивно отвеждане на топлината, са отдолу, а по-малко горещите постепенно се преместват в горната зона на отопляваното помещение); в) охлажда равномерно (топлината от долните редове на пещта постепенно се прехвърля към горните редове. И тъй като периодът на интензивен топлообмен и охлаждане на пещта е същия период, измерен за няколко часа, това е още един плюс на пещта с хоризонтално разположени димни канали); г) ви позволява напълно да интегрирате сводести сушилни в зидарията на фурната (фиг. 19).
Препоръчва се фурната да се постави върху огнище на изкоп (виж фиг. 1 и т. 11 от глава 15).
| Фиг. 19. Печката на Сергей Михайлов с вградена сушилня за ниша, страничен участък (пропорциите на горивната камера са показани на фиг. 18) | |
| А. Болт Б.Почистваща врата B. Сушилня D. Почистваща врата D. Haylo E. Изглед в разреза на димни кладенци, страничен изглед | |
| Фиг. 20. Схема на кладенци: летни и зимни опции, страничен раздел | |
| A. Зимен клапан B. Летен клапан V. Haylo | |
Ако клиентът разчиташе изцяло на моя избор, винаги съм предпочитал печка с хоризонтален кладенец. "Оплакванията" за този тип печки бяха изненадващо монотонни: за всеки допълнителен труп, хвърлен в горяща пещ, трябваше да се плати с непоносимата топлина в къщата.
5. Димни кладенци, диаграмата на които е показана на фиг. 20, може да бъде полезна при полагане на печка за отопление и готвене, като се вземе предвид „лятната версия“.
6. Пещта, хоризонталните сечения на която са показани на фиг. 21, позволи на автора на тази книга да я затопля веднъж на ден, дори с настъпването на продължителни 35-градусови студове. В същото време температурата на въздуха в помещението никога не е падала под + 19 °.
Характеристиките на тази схема на пещта са както следва: а) осем къси хоризонтални кладенци; б) максималната площ на топлопредаване в долната част на пещта (препоръчително е пещта да се постави върху огнище на изкопа, виж фиг. 11, както и параграф 11 от глава 15); в) значителен топлинен капацитет; г) допълнителен затворен вентил с „лятна опция“; д) хоризонтален преносим „шезлонг“, на който е удобно да се сушат мокри обувки, дрехи и др.
Авторска тухлена фурна от Сергей Михайлов
| Фиг. 21. Авторска печка от Сергей Михайлов. | |
| A. Зимен клапан B. Лятно сено C. Вход към петия кладенец D. Лятен клапан D. Разрез на втория ред E. Вход към седмия кладенец G. Разрез на долния ред на кладенци I. Камина K. Тръба L Излезте от осмия кладенец в шестия М. Секция от третия ред |
7. Отоплителната печка на изкопа (фиг. 22) има един (по мое мнение, незначителен) недостатък: тя няма решетки. Глухи под (без решетка) в готварски-отоплителни и отоплителни печки по съветско време дори е било забранено със специална директива! Причината за забраната е „незадоволително изгаряне на гориво в такава камина, дърва за огрев и още повече въглища, торф и брикети“. „Всесъюзният генералисимус за строителство на печки“, меко казано, е прекалил по този въпрос. Но когато се използват въглища, торф и брикети като гориво, наистина е невъзможно да се направи без решетка в пещта.
| Фиг. 22. Авторска печка-камина от Сергей Михайлов. | |
| A. Празен кладенец B. Вход към първия кладенец C. Lezhak D. Вход към втория кладенец D. Пожарна камера J. Секция от първия ред I. Вход към третия кладенец K. Khailo L. Секция от третия ред M Вход към третия кладенец N. Улов O. Резе P. P. Lezhak R. Камина C. Секция от четвърти ред T. Shantsy U. Номериране на секции F. Вертикален разрез, страничен изглед |
Характеристика на този тип фурна е: а) наличието на отдалечен (висок) „шезлонг“; б) отсъствието на врата на печката, което разказва на печката много от предимствата на камината с нейната висока ефективност; в) много добро нагряване на най-ниските слоеве въздух в хола. Но това е много важно, когато в къщата има малки деца - както знаете, те прекарват по-голямата част от времето си на пода. Имайте предвид, че в тази фурна хлябът се пече добре и равномерно. Също така трябваше да загрявам тази печка само веднъж на ден, дори по време на най-тежките и продължителни студове. Много автори на книги за печка, които уважавам, изразяват сериозни съмнения, че печка с отворена пожарна врата ще поддържа къщата топла. Всъщност в този случай вътрешните стени на димните кладенци се охлаждат с въздух, който не участва в химичните процеси на пълно изгаряне на горивото. Всичко това е вярно. Но не и за типа фурна, показан на фиг. 22. В края на краищата, както беше споменато по-горе, тя изобщо няма врата на печката.
Защо така? Ще обясня накратко: а) площта на входа, разбира се, не е била камина, имала е височина 25 см и ширина 30 см. Дори най-малкото увеличение на тези размери непременно би довело до отслабване на цялостната тяга на печката и дори до факта, че тя ще започне да пуши; б) във фурната няма решетки; в) висока пещ, очевидно, значително забави скоростта на движение на въздушните маси и въздухът, бавно преминаващ през пещта, имаше време да се загрее старателно.Характерна особеност на тази пещ беше, че след три години от нейната интензивна експлоатация не можах да изстъргам дори 500 грама остатъци от пепел на входа на първото хоризонтално издигане (където обикновено се натрупва най-много пепел).
8. На фиг. 23 показва диаграма на холандска жена за готвене и отопление на окопите. Всъщност няма холандски жени за готвене и отопление. Холандка Е отоплителна печка без печка, кладенците на която са разположени над камината.
Холандка, изработена от тухли от Сергей Михайлов
| Фиг. 23. Дизайнерска холандска фурна от Сергей Михайлов. | |
| A. Резе B. Блокираща врата C. Преход към четвъртия кладенец D. Двойни кладенци D. Проход към третия хоризонтален кладенец E. Ниша J. Печка I. Врата на пещ K. Shantsy L. Огнеупорна зидария M. Разрез отпред Разрез отстрани |
Но сред хората има утвърдено мнение, че печката, чиито кладенци са разположени над пещта, е холандка. И в глубината всяка печка, поне малко по-различна от класическата руска, се приема за холандка.
Тази фурна е удобна в стаи с ограничено пространство. Характерните му характеристики са: а) вертикален стълб в задната част на пещта, предназначен да поддържа кухненската печка; б) траншеи, което значително увеличава площта на интензивно отвеждане на топлината; в) хоризонтални кладенци, чиито предимства са посочени в параграф 4 от тази глава; г) значителна (почти максимална) топлинна мощност, предназначена за пещи със средна мощност, периодична пещ. Безспорно е, че печките, проектирани за постоянен огън, могат да имат висока топлинна мощност. Но трябва да се има предвид, че процесите на горене в непрекъснати пещи и още повече в пещи, предназначени за твърдо и течно гориво, както и принципите на изграждане на пещ и кладенци на пещи (непрекъсната работа) ще се различават значително от принципите препоръчва се за периодични пещи (1, 5-2 часа отопление сутрин и вечер всеки ден).
Накратко за разликите между периодичните и непрекъснатите фурни може да се каже следното. С периодично нагряване, за 0,5-1 час вътрешната повърхност на стените може да се нагрее до 800-900 ° C. Следователно, неизбежната поява на пукнатини и разкъсвания в шевовете на пещта още през първата година от експлоатацията на периодичните пещи. При непрекъснато изгаряне разходът на гориво рязко намалява (както се прилага за въглища, газ и течно гориво) и температурата на нагряване на стените намалява до 450-500 С. Следователно камините на прекъсващите пещи обикновено са облицовани с огнеупорни тухли граница на висококачествени червени тухли обикновено достига само 700-750 C), а камините от непрекъснати печки не се нуждаят от това (с изключение на използването на антрацит).
9. На фиг. 24 показва диаграма на кухненска лятна печка.
Дизайнерски характеристики
В повечето случаи преносимата пещ е основният конкурент сред съществуващите топлинни източници и конструкции за изпичане и котел. Трудно е да се сравни това функционално устройство с печка на дърва или друго твърдо и течно гориво.
Простотата е основната разлика на този уред по време на работа. При топло време ще отнеме не повече от 2 часа, за да се затопли, а през зимата ще отнеме максимум 4-5 часа, за да се получи желаната температура.
За газова фурна с кухненско огнище с фурна трябва да се спазват определени правила относно монтажа на котела. Приблизителният експлоатационен живот не е много, не малко - около 25 години и ако превантивните и ремонтни работи се извършват своевременно, тогава пещта ще продължи поне два пъти по-дълго.
Ако можете да визуализирате елементите, които съставляват основата на преносима кухненска фурна с огнище с фурна, работеща на дърво или друго течно и твърдо гориво, тогава не всеки може да разбере дизайна на газова фурна. Това изисква определени умения и опит. Но това не е проблем - трябва да разберете характеристиките. Газова преносима фурна за отопление на дома, кухня или печене на хляб, включва следните елементи:
- Защитен калъф, който елиминира смущения във вътрешното съдържание.
- Предпазител, който осигурява прекратяване на подаването на газ в случай на затихване.Трябва да се отбележи, че системата, използваща дърва за огрев, няма такава възможност.
- За термичните свойства отговаря термостатът.
- Запечатана камера на пещта, от чиято цялост зависи вашата собствена безопасност. В процеса на подбор и придобиване трябва ясно да следвате това.
- Коминът е част от конструкцията, която осигурява отстраняването на продуктите от горенето. Освен това той е и източник на топлина.
Въпреки доста суровите условия, свързани с използването на газ в ежедневието, керамичните пещи, работещи на това гориво, са широко разпространени и безопасни. Основната характеристика е функционалност и ниска цена в процеса на използване. Освен това такива устройства са по-екологични от аналозите за изгаряне на дърва.
Благодарение на това оборудване стаята се загрява възможно най-бързо, а степента на задържане на топлина зависи от сезона и температурата „зад борда”. Благодарение на висококачественото и равномерно отопление, във всяка стая се постигат комфортни условия.
Преносима газова печка за баня на практика не се различава по дизайн от подобни устройства, но все пак има редица функции. Това се отнася преди всичко за вида на използваното гориво. В такива устройства освен термостата е необходим и предпазител, който се задейства в момента, в който горелката изгасне - подаването на газ спира. Горивната камера е разположена директно под печката, което позволява на камъните да се затоплят бързо.
За устройствата за изгаряне на газ, както и за устройствата за изгаряне на дърва, е необходим комин за отстраняване на продуктите от горенето. Такива печки осигуряват най-добрата пара във ваната, бързо загряване на нагревателя и самата парна баня. Равномерното разпределение на топлината осигурява стабилна температура.
Най-простата тухлена фурна
| Фиг. 24. Най-простата кухненска фурна. | |
| A. Ключалка B. Искрогасящ зъб C. Плоча D. Камина D. Плоча E. Страничен разрез G. Преден разрез | |
Характеристики:
а) много ниска височина на горивната камера - само 21 см (ако някой не харесва този размер, височината на горивната камера може да се повиши, но в този случай ще са необходими два до три пъти повече дърва за готвене). Най-добре е да използвате стара ограда за пикети и ненужни остатъци от дървен материал като дърва за огрев в печка с подобна височина на пещта. Два или три стари пикета ще бъдат достатъчни, за да се приготви пълноценно хранене през лятото за шестчленно семейство. В наше време обаче, когато по-голямата част от жителите на селските райони използват газ или електричество за готвене, фурна с такава височина е малко вероятно да намери своя масов потребител;
б) наличието на искрогасящ зъб и отсъствието на всичко излишно.
ОП 3
Отоплителна печка с печка




- Размери: 2930мм * 770мм
- Отопляема стая: до 40 кв.м.
- Брой тухли: 1020бр
- Диаграма на газовия поток: канал







