Предимства и недостатъци
Достойнство
Нека разгледаме по-отблизо втория вариант и да определим неговите положителни и отрицателни аспекти. Като начало нека да разберем какво представлява автономната отоплителна станция. Това е отделно помещение, където се намира котелно оборудване, чиято мощност е достатъчна, за да осигури топлина и топла вода за цялата жилищна сграда. Това е един вид мини-котелно помещение с пълна гама от необходими устройства, приспособления и системи. Съвременните технологии за осигуряване на топлина на жилищни сгради започнаха да се използват именно в автономни системи. Последните работеха за една или повече къщи, което беше двойно рентабилно. Защо?
- Първо, разстоянието от топлинния генератор до отоплителните устройства във всеки апартамент е значително намалено. Това означава, че загубата на топлина е намаляла поради транспортирането на охлаждащата течност.
- На второ място, времето за подаване на топлина на потребителя е намаляло, което отново е свързано с намаляване на разстоянието.
- На трето място, разходите за поддръжка на отоплителни мрежи, техния ремонт и монтаж са се променили в по-малка степен.
- Четвърто, икономическите резултати в резултат на предишните ползи са намалели. Това означава, че цената на доставената охлаждаща течност се е променила до минимум.
Диаграма на автономната система
Има още едно предимство на системата. Когато се строи къща, предприемачът трябва да получи голям брой разрешителни, които ще му позволят да се блъсне в централната магистрала. Бюрократичните забавяния понякога отнемат месеци. А инсталирането на измервателно устройство ще доведе до много спорове между разработчиците и хоста, т.е. операторската компания. Така че за строителите вариант c, дори за най-голямата къща, е идеален.
И последното предимство - котелното за микрорайона заема място, където ще бъдат издигнати не само сгради и резервоари за вода, но и електрическа подстанция, пътища за достъп, складове, офис помещения, административни сгради и т.н. Тоест за него ще трябва да бъде определен доста впечатляващ сайт. И ако няма нужда от котелно помещение, областната администрация може да използва тази зона за свои нужди. Например да се построи друга жилищна сграда, училище, клиника и т.н.
недостатъци

Газови котли
Минуси съществуват във всяка система, но обикновено има по-малко от тях:
- Автономното котелно помещение трябва да бъде разположено в отделна сграда, поради което е необходимо да се определи място за него в близост до къщата. Понякога такава сграда изглежда като разширение.
- Мини-котлите замърсяват до известна степен околната среда. Ето защо съвременните почистващи устройства са незаменими тук. А пребиваването в микрорайоните задължава да се създадат условия за екологични показатели за изпълнение. Те съществуват и са уредени от нормите и правилата на SNiP. Оттук и поскъпването на самото оборудване.
- Автономната отоплителна система все още не е толкова популярна като централизираната, поради което производството на оборудване и свързаните с него компоненти все още не е пуснато в движение. Оттук и високата цена на такива системи. Това означава, че не всички разработчици могат да си ги позволят.


Регулатор на отопление
Експертите обаче казват, че инженерните разработки днес позволяват да се отстранят някои недостатъци. Например, ако автономно котелно помещение се използва за отопление само на една жилищна сграда, нейното оборудване може да бъде поставено на тавана - размерите на устройствата позволяват това.Освен това таванското помещение веднага се отоплява, което несъмнено е плюс. Освен това пространството между къщите е освободено. Единственото изискване за такива опции е плосък покрив, което не е проблем. Ако планирате да инсталирате точно такава отоплителна система, тогава можете да добавите плосък покрив към проекта. Експертите вече са извършили предварителни изчисления, които са показали, че дори разходите за оборудване и инсталационни разходи да са високи, всичко това ще се изплати след няколко сезона.
Документирането и неговите трудности
Ако обикновено паричната сума за услугата действа като катализатор за всички проблеми, тогава в случай на автономно отопление това е събирането на всички необходими потвърждения и разрешения за инсталиране.
Освен това разрешителни може изобщо да не бъдат получени, тъй като служителите не са склонни да се срещнат наполовина и може просто да спрат проблема, особено ако апартаментът в сградата е единственият, който претендира за независимост на отоплението. Ако възникне отказ, е наложително да се свика комисия, която с подкрепата на независими експерти ще трябва да обоснове решението на комуналните услуги и да постанови окончателна присъда.
От друга страна, ако къщата не е къща с много апартаменти, а е собствена, тогава проблемите стават много по-малко. Това се дължи на факта, че можете просто да се свържете с инсталационната компания, която ще се справи с всички проблеми: от получаването на необходимите документи до инсталирането на котела.
Котелно помещение на газов покрив
Устройството има следните положителни аспекти:
- Висока ефективност. Разходът на гориво се намалява чрез използване на пропан-бутан, който отделя енергия при нагряване.
- Почти няма външни комуникации. Това намалява цената на средствата. Загубата на топлина също е намалена.
- В нискоетажни сгради (до 26 м) няма допълнителни изисквания за монтаж, което намалява цената на проекта.
- Автоматизация, която намалява разходите за експлоатация.
- Уредът не се изключва за годишна проверка, което позволява ежедневна употреба на топла вода.
Устройството има няколко ограничения. За да се побере котелното, покривът се укрепва чрез инсталиране на бетонна възглавница. Натоварването, което сградата може да издържи, се изчислява предварително.
За монтаж те носят специално оборудване, чиято работа създава неудобства за жителите. Цената също е неприятна: разходите отиват за създаването на проекта, полагането на газоносача, автоматизацията, отговорна за контрола. Освен това са инсталирани защитни мерки и система за пожарогасене.
Предимства на автономните системи
Автономното топлоснабдяване на жилищна сграда има много предимства за своите собственици:
- Топлоснабдяването на жилищна сграда е почти напълно автоматизирано, поради което можете да зададете определен температурен режим и той ще се наблюдава от устройството. Освен това ще бъде възможно да се зададат минималните температурни параметри в случай на заминаване, така че излишната топлина да не навлиза в кухината.
- Автономността ви позволява да разчитате само на себе си, тъй като постоянните прекъсвания на тръбите от комуналните компании вече няма да изключат отоплението. Докато мнозина ще чакат връщането на отоплението, собственикът на автономното отопление в апартамента може спокойно да се погрее в апартамента си.
- Устройствата се подлагат на техническа проверка, поради което повреди са изключително редки и можете напълно да разчитате на отоплителната система и да не се страхувате да изключите подаването на топлина в най-неподходящия момент.


Предимства на газовите котли
Газови котли широко разпространен, тъй като те са практични и лесни за използване, те се отличават с умерени цени за оборудване и за процеса на по-нататъшна експлоатация.
Автономност


Устройствата се наричат автономни или независими, не изискваща постоянна връзка с общи комуникации.
Ако пробиете кладенец и направите обемен резервоар, тогава в план водоснабдяване къщата ще се счита за автономна, тъй като не зависи от централизирано водоснабдяване. Подобна система работи за газов котел.
Ако газопроводът не минава наблизо, и за отопление с дърва и въглища няма желание, тогава инсталирането на котел работи на природен или втечнен газ, значително ще опрости и намали разходите за отопление на къщата.
Справка. Автономността се постига поради факта, че газът е в цилиндри... Следователно, неговото може да се транспортира навсякъде. Достатъчно е да отделите малко пространство за цилиндрите, да ги свържете към системата.
Минус цилиндри - техните бързо опустошение... В този случай или мобилен резервоар за газ или стационарен, който задържа много по-голямо количество газ и е в състояние да отоплява къщата по-дълго.
Висока ефективност
Средната ефективност на правилно работещия газов котел е повече от 90%... Всичко зависи от вида на горивото, вида на устройството, околната температура и други фактори.


Някои агрегати имат значително по-висока ефективност - около 95%, други - малко по-ниски... Следователно фигурата в 90%.
Тази стойност така или иначе по-високотколкото котли твърдо гориво... Листата за изгаряне на газ минимално количество "отпадъци"но те се пренасят в атмосферата като въглерод.
И ако добавим към този фактор ниска цена на горивототогава газовият котел се превръща в икономически изгодно отоплително устройство.
Дълъг срок на работа
Живот на котела зависи от няколко фактора:
- От цени.
Логично е да се приеме, че евтини единицата е малко вероятно да служи достатъчно дълго, тъй като по време на нейното производство се спестяват пари за оборудване, за системи за сигурност, за качество на материала. Средният експлоатационен живот на евтин котел е около 10-15 години, докато качествена устройството е в състояние да работи 20-25 години.
- От правилна работа.


Ако има прекъсвания на тока в апартамента или къщата, тогава е по-добре да закупите система за непрекъсваемо захранване on-line.
Той коригира входящия ток и не позволява скокове на напрежениенезабавно преминаване към собствените си ресурси. Тази предпазна мярка ще спаси най-скъпата част на котела е неговата електроника, чиято цена може би от една трета до половината от разходите самият котел.
- От качество на горивото.
На пръв поглед може да изглежда, че газът не е разреден. Всъщност, подобно на дизела и бензина, бензина също може да е далеч от високо качество. Следователно си струва купувайте го само от доверени доставчици.
Всички тези мерки ще увеличат максимално живота на котела.
Компактност
Газов котел не изисква големи стаи за местоположението му. Размерът на устройството може да бъде малко по-голям от пералня... Това прави възможно закрепването на уреда на почти всяко място: в банята, тоалетната, коридора, килера, котелното помещение (ако е налично). Дори малък апартамент може да побере газов котел, който ще бъде допълнителен източник на отопление.
Липсата на място за съхранение може да се нарече положителна точка само ако жилищното пространство свързан към главната газопроводна система.


За пълна работа такъв котел изисква само връзка към газопровода.
От друга страна, автономните газови устройства предполагат необходимостта от организиране място за бутилки или държач за газ.
Ако това създава неудобства на собствениците на апартаменти, тогава в частна къща можете да намерите място за устройството или да го създадете. В тази връзка е много по-удобно да има стационарен държач за газ.
Той заровен в земята и официално не изисква никакво място в къщата или на улицата, но поради големия обем запълва се веднъж годишно... При умерен разход на газ и изолирана къща, резервоарът за газ ще продължи дълго време.
Лесна работа
За възрастен няма да е трудно да разбере основните функции на котела, да го намери бутони за включване и изключване, и клапан за доставка на газ. Системата е сглобена по такъв начин, че за нейните собственици е било лесно да извършват необходимите манипулации.
Електрически отоплителни системи
Днес електрическото оборудване за децентрализирано отопление се счита за най-икономично. При работата на такива устройства обикновено се използва принципът на поляризация на водата под въздействието на променлив ток.
Свързването на един апартамент предполага проста автономна система с инсталирането на електрически котел с аноден принцип на работа. Използването на двуконтурни системи предполага възможността за организиране на подово отопление чрез отделна верига. За малките помещения най-добрият вариант ще бъдат специални батерии с индивидуално отопление, които ви позволяват независимо да регулирате индикаторите за топлина.


По-сложен процес е прехвърлянето на цяла жилищна сграда към автономна електрическа система. За да направите това, първоначално е необходимо да се разрешат проблеми с подстанцията, да се изчисли очакваното натоварване на електрическата мрежа в съответствие с мощността на трансформатора. Разпределителните уреди трябва да бъдат заменени, ако е необходимо. Това събитие трябва да бъде съгласувано с енергийната компания.
Важно! Повечето по-стари системи и окабеляване няма да могат да се справят с големи натоварвания. Ето защо в къща, превърната в автономно отопление, се препоръчва да се заменят лампите с нажежаема жичка с LED източници, както и да се намалят другите разходи за електричество.
Как успяхте да минимизирате толкова много последиците от вътрешния експлозия на газ? Изхождайки от факта, че наличието на газова тръба в къщата е потенциален източник на опасност, Stroykorporatsia, когато проектира своите обекти на недвижими имоти, направи всичко възможно, за да сведе до минимум подобни рискове. Например газовите котли, инсталирани във всеки апартамент и осигуряващи на жителите топлина и топла вода, не се избират въз основа на намаляване на разходите, а въз основа на здравия разум и желанието да се осигури максимална безопасност и енергийна ефективност.
Италианските газови котли BAXI са икономични и функционални, те използват газ много икономично и работят дори при налягане от 5 бара.
Всички модели имат цифров контролен панел, на който можете да зададете режима на работа на котела, температурата на водата в отоплителната система и подаването на топла вода и да регулирате режима на подово отопление. В зависимост от модела е възможно да се регулира работата на котела в съответствие с времето извън прозореца чрез свързване на специален сензор за външна температура. Също така котлите BAXI са оборудвани със защита срещу блокиране на помпата и прегряване на термостата, са в състояние да поддържат постоянна температура в отоплителната система без пренапрежения и прекъсвания, а ефективността им е повече от 92%.
Всички газови котли BAXI са оборудвани със система за самодиагностика: в случай на неизправност на дисплея на котела се показва код за грешка, който сигнализира за неизправност и ви позволява да диагностицирате и отстраните проблема възможно най-скоро.
Добре развитата мрежа от официални представители на компанията и много сертифицирани технически сервизни центрове, ако е необходимо, ще улеснят и в най-кратки срокове да получат съвет за експлоатация или закупуване на резервни части.
Не трябва да забравяме и за пасивната безопасност, осигурена от технологиите за жилищно строителство на Stroykorporatsia. Термолитният бетон, използван от компанията както в конструкцията на рамката, така и в подреждането на ограждащите конструкции, има фантастични характеристики на якост.Благодарение на добре пресметнатия проект и използването на иновативни материали, можете да бъдете сигурни, че ако в дома ви в някой от апартаментите възникне експлозия на битов газ, тогава апартаментът ви определено няма да пострада. Ужасна картина, когато поради неизправност на единичен газов клапан цялото стълбище се руши - по принцип е невъзможно. Освен това, най-вероятно, при избухване на битов газ, самият виновник ще страда незначително - ще излети максимум прозорец с двоен стъклопакет.
Собствениците на апартаменти с индивидуално отопление трябва да помнят за основните мерки за безопасност: да спазват установения експлоатационен живот на газовото оборудване, да следят състоянието му и да го ремонтират или да го сменят своевременно, никога да не пестят от качество и да не избягват необходимите проверки. Ако следвате тези прости правила, домашният газов котел няма да се превърне в рисков елемент за вас, а в символ на комфорт и разумни спестявания.
Отопление на газ
По правило собствениците на апартаменти имат избор между два вида алтернативни източници на топлина:
- Конструкции на базата на газов котел.
- Електрически отоплителни системи.
Газовото отопление има няколко предимства:
- Модерните котли са оборудвани с подобрена система за сигурност и работят автономно. поддържане на нивото на топлина, от което се нуждаят жителите.
- Такива котли са с малки размери. следователно те могат да бъдат инсталирани дори в малки помещения.
- Той е лесен за инсталиране, така че дори начинаещ може да го направи с подходящи грижи и някои инструменти и умения.
- Автономното отопление на газ в апартамента е оборудвано с коминна система и не е необходимо да се извършва отделно.
- Газовите котли работят абсолютно безшумно. така че не предизвиквайте оплаквания от съседи.
- Достъпната цена и пълната завършеност на всички възли и части правят отоплението с газ най-честият избор сред потребителите.
Когато инсталирате нова отоплителна система, старата система трябва да бъде демонтирана. По-лесно и по-евтино е да инсталирате нови радиатори, отколкото да се опитвате да поставите стари. Въпреки че съвременните газови котли имат най-висока степен на защита, течовете на газ все още са възможни.
Газовите бутилки са евтино решение
Червен цилиндър с надпис "ПРОПАН" е работен кон за газова печка в страната. Собственици на жилища до 100 кв. m понякога дори се отопляват с газови бутилки. Те създават инсталации от 2-6-10 съда, които изпаряват газа в отоплителен котел.
Цилиндрите "играят" в различен клас и имат много условно отношение към газодържателите. Затова накратко ще говорим за предимствата и недостатъците на този метод за отопление с газ.
Как да организираме отоплението на бутилки
- Купете газов котел и дюзи за пропан-бутан.
- Преконфигурирайте котела за пропан-бутан.
- Купете и свържете редуктор, газово оборудване и клапани.
- Вградете батерия от напълнени бутилки в газовия шкаф.
Когато икономическата опция идва на помощ
Нуждаете се от лесен процес на зареждане с гориво. Налични са 2 лесни начина: напълнете бутилките на гарата или се обадете на зареждащо гориво до мястото. Свързваме съдовете и използваме сапунен разтвор за проверка на течове на газ. Всъщност това е всичко. Цилиндрите са в газовия шкаф и работят правилно.
Изисква се евтина инсталация. Без изкоп или монтаж. Няма одобрения и технически условия. Всичко, от което се нуждаете, е газов шкаф и газопровод до къщата. Напълвате бутилките в бензиностанцията на пазарната цена на пропан-бутан и се свързвате към системата сами.
Няма средства за изпълнители. Няма повече независима газификация. Можете да си купите цилиндър навсякъде и да го свържете сами. ☺
Имате къща до 100 кв. m и няма желание да се свързвате с монтажниците. Тогава този метод за доставка на газ е 100% подходящ. Цилиндрите са евтин вариант благодарение на самонастройващото се отопление.
Недостатъци на решението: ще принуди собственика да бъде "непретенциозен"
Изисква много цилиндри. Най-малката газова инсталация се състои от 2 свързани съда. Един цилиндър ще подава само газ към печката. И максимум три горелки.
За отопление са ви необходими до 10 цилиндъра. Ще отнеме много място и време за зареждане с гориво. Цилиндрите трябва да имат минимален обем от 50 литра.
Необходимо е специално съхранение. Нежелателно е да поставяте бутилки в къщата, особено до печката. На улицата плавателните съдове ще замръзват през зимата, особено когато в тях остане 20-50% от газа. В дъното на цилиндъра остава течен бутан, който спира да се изпарява.
Понякога се опитват да загреят съдовете - това е пряко нарушение на правилата за безопасност. Също така, газовият шкаф не трябва да се намира от слънчевата страна на къщата, така че LPG да не прегрее и да не скъса контейнера.
Няма да осигури мощен котел през зимата. През лятото 50-литров цилиндър „издава“ газ с 6-7 kW на час. През зимата същият съд от уличен газов шкаф може да генерира само 3-4 kW на час. Котел от 30 kW не дърпа цилиндрите като клас.
Изчислете себе си
За къща с площ от 100 кв. m имате нужда от 10 kW на час. За отоплителен котел с капацитет най-малко 25 kW е необходима батерия от 10 цилиндъра по 50 литра - 5 работещи и 5 резервни. Цилиндрите работят по „двойки“: когато човек свърши с газ, веднага се свързва резервният му съсед.
Полезни функции на автоматизирана автономна система
Почти всяка автономна отоплителна система е оборудвана с редица функции, които значително опростяват живота на нейните собственици:
- Автоматизираните системи могат да различават внезапните промени в температурните условия навън, като коригират вътрешния климат на помещението според нуждите. Благодарение на това, дори при отсъствие на собствениците на жилището, температурата няма да падне и котелът ще започне да загрява водата навреме.
- Ако външната температура се повиши, системата ще намали консумацията на енергия, като същевременно поддържа същата вътрешна температура.
- Автоматичните системи могат да намалят производителността през деня и нощта, но в същото време да изпомпват топлина вечер и сутрин, когато това е особено необходимо. Благодарение на това се създава приятен температурен режим в помещението и горивото не се изразходва ненужно.
- Системата може да бъде оборудвана със сензор за стайна температура. За това се инсталира в помещения, които не са комбинирани с котелното помещение. Ако има промяна в температурата, отоплителната система се стартира и регулира температурата в желаната посока.
Избор на гориво и котел
За автоматична отоплителна система най-често се използва газ, тъй като е един от най-евтините природни ресурси. Освен това много котли са проектирани специално за него и могат да бъдат поставени както на пода, така и на стената.
Що се отнася до самия котел, ключовият избор тук е между чугунено или стоманено оборудване.
Стоманените котли са податливи на корозия и следователно не са толкова издръжливи, колкото моделите от чугун. От друга страна, много по-лесно е да се монтира стоманен възел, отколкото чугунен, поради теглото му. Освен това е много по-лесно да закачите стоманен котел на стената, поради което повечето от тези модели са направени от този материал.
Как да изчислим цената на автономното отопление, вижте примера във видеото:
Процедура за изключване от централизираната отоплителна система
Подготвяйки всички необходими документи за преминаване към индивидуално отопление на жилища, е необходимо да се проучи съответното законодателство:
- Федерален закон № 190 от 27 юли 2010 г .;
- Постановление на правителството на РФ No 307 от 16 април 2012 г .;
- Изкуство. 25, 26 от Жилищния кодекс на Руската федерация.
Най-лесното решение е да инсталирате електрически котел. Трябва само да съставите декларация и да я прехвърлите в областната електрическа мрежа. При подходящи технически условия разрешителното ще бъде издадено бързо. Но топлината, генерирана в този случай, може да надвиши цената на топлинната енергия от централизирано отопление.
Следователно инсталирането на газов котел е по-изгодно от гледна точка на икономии на разходи, тъй като цената на природния газ е относително ниска. Но когато извършвате индивидуално отопление с газ, ще трябва да спазвате много формалности:
В градската газова служба е необходимо да се получат съответните технически спецификации. Проверете комина за изправност и вземете мнение за това от Всеруското доброволно пожарно общество (VDPO). Получете съгласието на останалите жители на къщата (този параграф е описан в част 3 на член 36 от Жилищния кодекс на Руската федерация)
Това е много важно, тъй като в случай на отказ на един апартамент от централизирано отопление могат да се появят неизправности на цялата система. Освен това е необходимо да се съберат съответните документи и да се разбере кой притежава такива елементи на системата като батерии и тръбопроводи.
Ако те са в обща собственост на къщата, трябва да издадете и специално разрешение от съседите. Ако отоплителните компоненти не са общо свойство, трябва да се получи разрешение за изключване от управляващото дружество. В градските отоплителни мрежи вземете правото да демонтирате отоплителната система във вашия апартамент.
За жителите, които разполагат с газови бойлери, инсталирани в апартаментите си, ще бъде по-лесно да получат разрешение за индивидуално отопление, тъй като такива сгради имат комин, а налягането в газопровода е подходящо за функционирането на газов котел.
След получаване на предварително разрешение за проект за отопление с газ, трябва да се изготвят следните документи:
- Изявление, в което трябва да посочите, че собственикът на апартамента планира да направи индивидуално отопление и изключване от централизираната система.
- Оригиналният технически паспорт на апартамента, който трябва да посочва местоположението на батериите и тръбите.
- Разрешение от жителите на сградата (ако компонентите на системата са обща собственост) или от управляващото дружество.
- Решение за евентуално преустройство на апартамента. Издава се от ZhEK или управляващото дружество.
Срокът за получаване на разрешение за демонтиране на централизирана система и оборудване на индивидуална такава може да продължи от 3 месеца до шест месеца. След получаване на разрешение от представителите на комуналните услуги, можете да продължите да демонтирате отоплителните елементи в апартамента.
Централно отопление: защо отоплението с газ излиза по-евтино
На някои може да изглежда, че ползите от такова преструктуриране ще бъдат съмнителни, защото трябва да платите и за синьо гориво. Въпреки това, тези, които вече са преминали към индивидуално отопление с помощта на газови котли, могат лесно да спорят с тях. В действителност, в допълнение към забележимите икономии на централно отопление, това дава възможност на собствениците на апартаменти да:
- включвайте и изключвайте отоплението независимо и по всяко време;
- използвайте екологичен вид гориво за отопление;
- регулират консумацията и като цяло за продължителността на дълго отсъствие го правят минимални.
Има обаче един съществен недостатък на всички подобни проекти - те не могат да бъдат изпълнени в жилищни сгради с височина над десет етажа.


Избор на тръби, бойлер и радиатори
Работата на цялата система зависи от правилния избор на котела.
Например, ако за отопление на водата е необходима инсталация на котел, тогава можете да се справите с опцията за едноконтурен газов котел.
Когато правите избор в полза на отоплението с газ, по-добре е да закупите котел от чугун или специален траен метал. Въпреки че са тежки, те ще продължат много по-дълго.
Но тръбите за такава отоплителна система са подходящи за полипропилен или металопластика. като бюджетен вариант и мед, ако портфейлът го позволява.
С радиаторите също ще трябва да решите предварително. Днес биметалните отоплителни радиатори са много популярни сред потребителите.
Кои от тях всъщност са по-добри за апартамент, може да се определи от размера на техния топлопренос, например:
Преди да купите радиатори, трябва предварително да изчислите колко секции са необходими за всяка стая. За да направите това, топлопредаването на материала трябва да бъде разделено на 100. Например, за биметален радиатор, той е 199 W / 100, което се равнява на 1,99 W на 1m2.
Има няколко нюанса, които трябва да се имат предвид при избора на радиатори и изчисляването на техния брой:
- Ако инсталацията на батериите трябва да бъде в ъглова стая, тогава към резултатите, получени по време на изчисленията, трябва да се добавят 2-3 секции.
- Когато са инсталирани декоративни панели, които скриват батериите зад тях, топлопредаването се намалява с 15%, което трябва да се вземе предвид преди изчисленията.
- Изолираните стени или пластмасовите прозорци могат да намалят топлинните загуби.
- Инсталирането на брояч ще ви позволи самостоятелно да регулирате разхода на газ.
След като направите всички изчисления и добавите към тях цената на най-автономната газова отоплителна система, можете да вземете решение за нейната покупка или да сравните тези цифри с електрически видове отопление.
Предимства и недостатъци на газовите отоплителни котли
При отказ от централизиран източник на отопление за повечето от жителите на нашата страна, именно газовите котли стават оптималното решение. В сравнение с електрическите агрегати с твърдо гориво, оборудването, работещо с газ, представлява около 50% от всички продажби. Причините за тази популярност са доста сериозни.
Основните предимства на газовите котли са тяхната висока ефективност, удобство и гъвкавост при използване. Те могат успешно да се използват както за отопление на частни къщи, така и за комунални услуги. Освен това си струва да се отбележи, че разходите за закупуване и инсталиране на оборудване се изплащат достатъчно бързо. В същото време има доста големи възможности за избор.
Инсталация
За да създадете отоплителна система на покрива, трябва да изградите отделна стая. Котелната къща на покрива е автономна: след като я стартирате, е достатъчно да се извършват редки планови проверки.
Процесът зависи от варианта на устройството. Има 2 вида - вградени и блоково-модулни.
Вграден
В новите сгради се използват котелни помещения, вградени в покрива. Такова устройство се инсталира само в сграда в строеж или сграда, която има място за топлоцентрала. За вградените котелни помещения те трябва да изчислят допълнителното натоварване на стените на многоетажна сграда, да създадат модул за пожарогасене.


Основното предимство на устройството е лекотата на създаване и изпълнение на проект. Заедно с монтажа се извършват и работи по монтиране на звукопоглъщащи покрития и защита от вибрации. Извършени на етапа на довършване, те са по-ефективни в експлоатация.
Блок-модулен
Блок-модулен тип се използва за настаняване на котелно помещение на покрива в построената сграда. Най-честата опция за инсталиране е по време на основен ремонт. Покривното котелно помещение се инсталира в случай на възстановяване на отоплителната система. Проектът е създаден въз основа на характеристиките на сградата. След това устройството се създава и доставя до необходимата структура.
Преди монтажа се извършва одит на покрива:
- Проверете състоянието на опорите на лагерите.
- Нанесете защитно покритие върху точката на монтаж. Бетонна възглавница действа като тях.
- Извършва се монтаж на звукопоглъщащ материал.
След завършване на подготовката котелното се свързва към отоплителната мрежа. Той се регулира, охлаждащата течност се разпределя. След като са свързани към отоплението, те започват да работят.
Какво да търсите
Преди да инсталирате устройството, трябва да се вземе предвид, че то създава натоварване върху конструкцията. Поради това се изискват следните правила:
- Забранено е да се поставя котелното помещение на тавана над жилищните помещения.
- Забранено е поставянето на оборудването в стая, съседна на жилищна.
- При проектирането се спазва размерът на къщата, в която се планира поставянето.
- При проектирането се създава система за аварийно изключване.


Алтернативни методи за отопление
Тъй като отоплението с вода е скъпо и сложно, можете да изберете един от наличните видове газови уреди. За да направите правилния избор, първо трябва да проучите техническото им описание.
За да отоплявате частна къща, можете да използвате:
- Конвектори. Към тях се доставя само газ и е разрешено да се свързват битови бутилки.
- Инфрачервени излъчватели. Продуктите са окачени на тавана и работят на принципа на слънчевата радиация. С ограничена мощност те могат бързо да затоплят голяма стая.
Когато проектирате отопление с газ, трябва да се има предвид, че този енергиен източник е много по-евтин от електричеството, твърдите и течните горива.
Ползи
За да може покривното котелно помещение на жилищна сграда да работи стабилно, е необходимо да се извършват внимателни изчисления и да не се пести от инсталация. Оборудван на покрива на къщата, той има предимства пред други системи:
- Инсталирана на покрива на къщата, котелното намалява загубите на енергия по време на прехвърлянето на охлаждащата течност от оборудването на покрива към радиаторите. Това намалява разходите за отоплителни услуги с до 30%.
- Автоматизацията обслужва използването на топла вода по време на отсъствие, когато захранването е изключено за проверка на носителя.
- Поддръжката на устройството е намалена поради автономността. Функционалната проверка се извършва рядко, по споразумение със сервизната компания.
- Преди работа се извършват много проверки за откриване на неизправности и грешки в безопасността.
Избор и видове газови котли


Модификации по метод на инсталиране
Технологиите не стоят на едно място, благодарение на което в продажба се появиха много газови котли с набор от функции, които ще отговарят на всеки купувач. Продуктите се различават по критериите, които се вземат предвид при подреждането на къщи от всякакъв вид, в зависимост от тяхната конфигурация и методите за подаване на гориво.
Според степента на функционалност котлите са разделени на следните видове:
- Едно верига. Топлоносителят се използва изключително за отопление на помещенията. Той циркулира в затворена верига, състояща се от тръбопроводи и радиатори.
- Двойна верига. В устройства от този тип са инсталирани два изолирани топлообменника. Единият е предназначен за отопление на къщата, а вторият е за създаване на подаване на топла вода в котела, който има окабеляване към банята, външния душ и кухнята.
На мястото на закрепване:
- Монтиран на стена. Те принадлежат към компактната категория, те се избират, когато стаята е тясна или вътрешните условия го изискват. В повечето случаи такива устройства са едноконтурни, така че са скрити в ниши или комбинирани с шкафове със същия размер. По този начин се постига органична среда, без да се губи функционалност.
- На открито. Продуктите са по-мощни, следователно тежат повече. Те се нуждаят от повече пространство, а понякога и от отделна стая. Като правило подовите модели са двуконтурни, поради консумацията на голям обем гориво, те изискват директен вертикален комин. Конструкциите са оборудвани с чугунени топлообменници, което дава възможност при липса на газ да се премине към твърди и течни горива.


Инсталиран е турбокомпресор, където няма комин и свързването с него е невъзможно
По опции за всмукване на въздух:
- Атмосферна. Процесът на горене се извършва в отворена камера, въздухът влиза в него директно от стаята. Развитият газ се изхвърля през пластмасов комин на улицата поради разликата в температурата и налягането. Поради оптималния състав на сместа, консумацията на газ е ниска, но нивото на кислород спада, което се отразява негативно на благосъстоянието. Освен това, при липса на чист въздух, пламъкът може да изгасне. Помещението трябва да бъде оборудвано с приточна и изпускателна вентилация.
- Турбокомпресор. Този дизайн със затворена горивна камера, където въздухът се изпомпва от турбина от улицата.Котлите с турбини са напълно безопасни, те могат да бъдат инсталирани не само в сутерена, но и на жилищни етажи. При монтираните на стена устройства горивните камери са изработени от мед, а при монтираните на пода устройства те са от чугун. Тези материали са по-устойчиви на огън от стоманата и позволяват развитие на висока мощност. Двуконтурните конструкции имат летен режим на работа, когато се загрява само вода за битови цели.
Когато избирате инсталация за отопление на сграда, трябва да обърнете внимание на възможността за нейното разглобяване и поддръжка със собствените си ръце. Изводът е, че топлообменниците се нуждаят от редовно почистване и промиване. Услугите на специалисти са скъпи, има смисъл да се спести от тях.
Разновидности на децентрализирано топлоснабдяване
Разбира се, изграждането на самостоятелно котелно помещение, дори и малко, е доста скъпо. А таванският вариант също не е евтин. Има обаче алтернатива.
Модулни котелни помещения


Блок-модулно котелно помещение
Един от много интересните проекти са модулни или блокови котелни помещения. Не е необходимо да се изгражда каквото и да е, а за котелното е отделено само малко място. Тук се донасят блокове, които лесно и бързо се комбинират в завършена конструкция.
Всички те са завършени в завода, оборудването вътре в тях е точно съобразено с техническите показатели, те са изолирани и имат представителен външен вид. Най-важното е правилно да подредите и свържете оборудването. Няколко дни и котелното е готово
Но за сглобяването му трябва да бъдат ангажирани само специалисти. Ако някой си спомня, такива модулни котелни помещения са били използвани за отопление на съблекалните и казармите, тоест временни конструкции. След като инженери и дизайнери са работили върху тях, такива автономни инсталации започват да се използват за организиране на отопление в жилищни сгради. Тази опция обаче не е единствената.
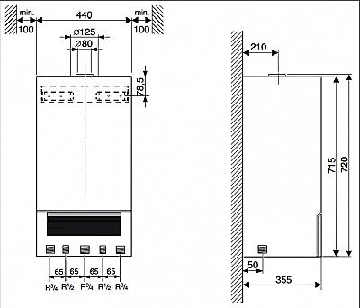
Стенни котли
Най-ефективното и икономично днес е отоплението на апартаменти, където като отоплително устройство се използват стенни котли. Те работят или с газ, или с електричество. Защо монтирани на стена?


Котел за стена
- Първо, те са с малки размери, така че да могат да бъдат инсталирани дори в кухни. Освен това външният им вид изобщо не разваля интериорния дизайн.
- На второ място, стенните отоплителни котли са истински мини-котелни помещения. Техният дизайн включва циркулационна помпа, разширителен резервоар, както и устройства за контрол и безопасност.
- На трето място, такива отоплителни инсталации могат да имат капацитет до 35 киловата, което им позволява да отопляват помещения до 100 квадратни метра.
- На четвърто място, съвременните производители предлагат едноконтурни и двуконтурни котли за автономно отопление. Така ще бъдете снабдени и с топла вода.
И сега важен въпрос - как да изберем правилния котел? Основното нещо е да изберете правилно устройството според неговите дизайнерски характеристики. Той трябва да съдържа всички без изключение устройства, които споменахме - помпа, резервоар и така нататък. Освен това присъствието на комин е задължително, което ще гарантира не само отстраняването на продуктите от изгарянето на гориво в случай на газови котли, но и притока на чист въздух отвън. Това означава, че монтираният на стена газов котел трябва да бъде със затворена горивна камера. И последното - пълна автоматизация, която не само ще опрости работата на котела, но и ще спести гориво.
Разбира се, има повече проблеми с връзката с газовите котли. Но електрическите колеги в това отношение са по-прости. Тук е необходимо само да се отведе клон от разпределителното табло с монтажа на машината и да се свърже към водоснабдителната система.
Какво може да бъде трудно?


Модерна кухня
Може да изглежда, че всичко е много просто и полезно. Тогава защо наемателите не преминават към тази отоплителна система? И никой не им дава разрешение.Представете си, че наемателите на една къща незабавно ще кандидатстват за преоборудване на отоплителни мрежи, или по-скоро за отказ от услуги на организации, които доставят топлина на къщи. Първо, това е катастрофа за такава организация и лишаването от нейните печалби. И, второ, съкращаване на работни места, въпреки че този въпрос е спорен. Някой също трябва да поддържа автономни мини-котелни помещения. Така че, в много отношения, която и да е от тези опции не е от полза за управляващите компании. Макар и в национален мащаб, е точно обратното. Но този въпрос не е за нас да решим.
Какво получава потребителят?
Общи положителни резултати:
- Потребителят сам води записи и контролира нивото на отопление на водата и помещенията. Няма прекъсвания, топла вода през цялата година, отоплението може да се включи по всяко време.
- Системата за отопление на апартамента ви позволява да пестите газ, но в същото време да поддържате желания индикатор за топлина. Освен това става възможно да се намалят номерата на разписките за плащане. И днес именно тези показатели за всеки човек са от голямо значение.
- По-лесно е да се построи жилищна сграда с индивидуално отопление на апартамента, защото не е необходимо да се блъснете в централната тръба, да получите разрешение и да изтеглите нова магистрала. Ако има стабилно снабдяване с газ, строителството се извършва във всяка, дори най-отдалечената територия. Възвръщаемостта на такава структура е бърза. Всички разработчици се ръководят от това, тъй като те също успяват да спестят прилична сума.
- Отоплението на апартамент с газ е екологично решение, което много хора избират. Котлите със затворена горивна камера се инсталират в апартаменти, така че няма нужда да се инсталира допълнителна вентилация. Работата на такава инсталация се извършва независимо, тъй като всичко, от което се нуждаете, е вътре. Продуктите от горенето незабавно се пускат навън и се разпръскват, докато съвременните инсталации са проектирани според всички приемливи критерии и безопасност за околната среда.


Автономно отопление в жилищна сграда
Възможно ли е да инсталирате автономно отопление в апартамент със собствените си ръце? Въпреки че няма законова забрана за автономно отопление, все пак е препоръчително да се консултирате с адвокат, тъй като някои отоплителни системи са забранени. Например, подовете с водно отопление в апартаментите не могат да бъдат инсталирани, тъй като те могат да претоварят системата, като по този начин лишат останалите жители на къщата от топлина.
В други случаи се изисква да се съберат необходимите документи и да се представят на местните власти:
- удостоверение за регистрация за жилище;
- декларация за отказ от централно отопление;
- документ за собственост;
- схема на нова отоплителна система;
- съгласието на всички наематели на апартамента.
Като правило такава привидно проста молба, като отказ от централно отопление и преминаване към самото отопление, се оказва дългосрочен бюрократичен проблем.
Инсталирането на автономно отопление в апартамент без съответното разрешение ще стане още по-обезпокоително. Това може да завърши не само с голяма глоба, но и със съдебни производства, така че преди да вземете решение да оборудвате апартамент с всякакви отоплителни системи, трябва да получите съвет от съответните органи и разрешение за автономно отопление в апартамента.
Схеми за автономно отопление на апартамент:
Предимства и недостатъци
Ако вече е получено разрешение за автономно отопление в жилищна сграда, тогава можете да започнете да избирате алтернативен тип отопление. По-лесно е да направите това, като знаете плюсовете и минусите на автономното отопление в апартамента.
За първи път в Европа се появи автономна отоплителна система за апартамент. Поради явните си предимства пред централизираните методи за отопление на помещенията, той бързо се разпространява по целия свят.
- Основното предимство на системата е значителната икономия на разходи.Собственикът на апартамента самостоятелно решава кога да включи и кога да изключи отоплението. Например, днес има термостати, в които можете да зададете таймер за определено време, което ви позволява да изключите напълно или частично системата, когато няма никой у дома, и да я включите половин час преди пристигането на наемателите.
- Собственикът на апартамента може да създаде желания микроклимат във всяка стая.
- Плащайте изключително за отоплителния уред и не зависи от комунални услуги и държавни тарифи.
Когато правите избор в полза на алтернативната топлина, трябва предварително да знаете колко автономно отопление струва в апартамент и какъв вид отопление ще бъде не само икономично, но и ефективно.
Сред недостатъците на такава система могат да се отбележат следните нюанси:
- Редовната му профилактична проверка веднъж годишно, за което трябва да се обадите на специалист. Не е чак толкова скъпо, но все пак много потребители или игнорират тази нужда, или просто забравят за нея.
- Инсталиране дори на най-добрите отоплителни радиатори за апартамент. трябва да сте наясно с възможни топлинни загуби. които често са причинени от външни стени, неотопляеми от дъното на помещението или некачествено остъкляване.
Днес много строителни организации строят жилищни жилищни сгради с готови автономни отоплителни системи. Такива жилища са в голямо търсене, тъй като струват малко по-малко и позволяват на собствениците самостоятелно да решат кой тип отопление да изберат.
Определяне на оборудването вкъщи
Централно отопление в частна къща
|
| Централно отопление в частна къща |
Когато свързвате къща към централна система, ще трябва да избирате от три възможни схеми: независима, асансьор, зависим директен поток. Те се различават по използваното оборудване.
- Независима схема се избира, когато е необходимо да се избегнат скокове на налягането в системата поради конструктивните характеристики на къщата. Ако системата е направена от пластмасови тръби, това трябва да бъде показано. Ще ви е необходима циркулационна помпа - тя помага за намаляване на ресурсните разходи и облекчава натоварването на оборудването. И имате нужда от разширителен резервоар. Той компенсира свръхналягането, когато отоплителната среда (вода) се разширява по време на нагряване.
- Втората схема: асансьорният блок помага да се адаптира топлата вода на централната мрежа, където стандартът е до 150 градуса, към стандарта на къщата - около 90 градуса. Водата в отделението за съхранение на къщата се смесва с прегрятата вода на централната система. Асансьорът има 3 функции: помпа, поток на гореща вода и регулатор на температурата, смесител. Този начин на организиране на отоплението е популярен.
- Системата с директен поток е проста при проектиране, експлоатация и поддръжка. Има само централно котелно помещение, тръбопроводи и радиатори. Няма повече хардуер. Пластмасовите тръби и алуминиевите радиатори са забранени поради високо налягане и спадане на налягането.
Централно отопление в жилищна сграда
|
| Централно отопление в жилищна сграда |
В жилищните сгради централното отопление не изисква специално оборудване. Но все пак има правила. Отоплението се извършва по четири схеми:
- Еднотръбни работи в къщите на Сталин и Хрушчов. Има една магистрала, и подаването и връщането минава през нея. Минус при големи топлинни загуби с разстояние от източника на топлина. Това може да бъде предотвратено чрез увеличаване на броя на секциите по протежение на движението на водата в тръбите. В тази схема няма да е възможно да се регулира температурата. Ако има желание да смените радиатори, тогава не можете да промените радиатори с различен дизайн. Това води до смущения в работата на отоплението.
- "Ленинградка" е усъвършенстван аналог на еднотръбната схема. Байпасът регулира подаването на топлоносител (вода или пара) в системата. Байпас - джъмпер на тръбата, който свързва директната връзка на радиатора с връщащия. Когато се гледа на радиатора, това е тънка тръба, свързваща горното и долното ниво на тръбите пред радиатора.
- Двутръбната система работи на принципа на разделяне на захранващата и връщащата тръби. С тази схема е възможно да се сменят радиаторите в рамките на препоръчаните модели и да се поставят регулатори за управление на параметри, дори автоматични.
- Схемата на лъча е инсталирана в нови сгради от специален тип. Устройствата са свързани паралелно и не си влияят взаимно. Възможно е да се контролира нивото на топлоснабдяване. В апартамента може да се проектира конфигурация.
Работното налягане в централната система е от 8 до 10 атмосфери. И по време на изпитването под налягане - от 12 до 14. Следователно PVC тръбите не са подходящи. Алуминиевите радиатори също няма да издържат на такива натоварвания. По-добре да вземете стомана, биметал или чугун. Твърде леките радиатори са признак за лошо качество. По-добре е да не пестите пари тук.
Автономно отопление в частна къща
Предлагаме ви да се запознаете с: Как да направите баня на колела със собствените си ръце
Ако няма алтернатива на централното отопление, а инженерните комуникации не се планират наблизо, тогава автономията е неизбежна. От какво се състои автономната домашна система? Това е устройство за отопление, тръбопроводи и спирателни кранове.
Изборът на оборудване за частна къща започва с дефиницията на котела. Какви са котлите:
- Твърдо гориво - горивото е дърва, въглища, пелети. Те заемат второто място по ефективност след газ. Но процесът на експлоатация отнема много време. Плюсове: лесен за достигане, бърз за запалване. Минуси: ниска ефективност - 70%, често почистване от продуктите от горенето, сажди в котелното помещение. Ще ви трябва склад за гориво, трябва да се зарежда често. Също така е важно да се разгледа проектът на регулатор. За да не прегреят частите при липса на електричество, те проектират комин. Подходящ като резервен или спомагателен източник на топлина: затоплете къщата до необходимата температура и след това включете електрическия котел, за да я поддържате.
|
| Котел на твърдо гориво |
- Дизеловите котли обикновено са на пода и имат устройство за изхвърляне на отработено гориво. Когато е свързан, осигурете контейнер за съхранение на течно гориво. Резервоарът е инсталиран на закрито или заровен в земята. Минималният обем е 750 литра. Има зимно и лятно дизелово гориво. Обслужва се веднъж на 12 месеца: филтрите се сменят, дюзите се почистват. Плюсове: достъпна цена, настройвате температурата по желание, системата е автоматична. Минуси: шумно по време на работа, скъпо дизелово гориво, опасност от пожар, съхранението на гориво е проблематично, поддръжката на котела е трудоемка.


Дизелов котел - Газовите котли са най-популярни. 5 пъти по-евтино от течното гориво и 3 пъти по-икономично от електрическото. Има стенни и подови. Подовият траен. Те отопляват всяка област и често не зависят от електричеството. При инсталиране на стенен котел допълнителното оборудване е минимално. Те не заемат място, те са лесни за управление. Има едноконтурни - те само загряват. Има двуконтурни - както за топлоснабдяване, така и за топло водоснабдяване. Но ако къщата има повече от две точки за приемане на вода и повече от 2 членове на семейството, тогава е необходим отоплителен котел от 75 до 600 литра. Има модели с вграден котел. По-добре е да закупите котел с 1 кръг за летен дом. За зимата в него се излива течност против замръзване. При двуконтурните модели е неудобно да се източва течността преди зимата, остатъците могат да замръзнат и да повредят устройствата. Газовите котли работят на мрежи и втечнен газ. През зимата LPG цилиндърът трябва да се сменя често. Ако има основен газ, тогава няма недостатъци. Можете да изберете мощността по формулата: 1 киловат (kW) на 10 m2.
|
| Газов котел |
- Електрическите котли са най-евтината инсталация и оборудване, но най-скъпото гориво. Ако няма газ, тогава най-добрата форма на отопление. Екологичен, без вредни емисии, висока ефективност, няма нужда от изграждане на отделно котелно помещение и комин. Преди да закупите оборудване, по-добре е да изясните каква мощност може да се използва за определяне на товара.Електрическите котли са безшумни, няма поддръжка, температурата може да се контролира автоматично. Минуси: скъп ресурс, електрическа зависимост, не работят добре, когато мощността падне.
|
| Електрически котел с разширителен резервоар и циркулационна помпа |
По-добре е да подготвите отделно място или стая за котела. Ако има достатъчно място, изберете подов котел. Ако няма допълнително пространство, тогава ще свърши монтиран котел.
По-добре е да проектирате схема за отопление на частна къща още на етапа на строителството. Имайки схема за поставяне на тръби около къщата, ще бъде възможно да оставите дупки за тях предварително. С площ на къщата от 200 m и повече, по-добре е да изберете котел с две системни вериги. Ще ви трябват и разширителен резервоар и отоплителна циркулационна помпа.
Автономно отопление в жилищна сграда
|
| Автономно отопление в апартамента |
Трудно е, но е възможно да се изостави централното отопление и да се премине към автономно отопление. Незаконно е да се променя отоплителната комуникация без разрешение. Комуналните услуги не са склонни да се разделят с платци. За да направите това, е необходимо да получите решение за изключване от централната система чрез съда. Първо, трябва да изясните в жилищните и комуналните услуги дали е възможно да се приложи това.
За да преминете към автономно отопление на апартамент, трябва:
- Купете циркулационна помпа и инсталирайте топлообменник. Той е окачен на стената над линията на радиатора;
- Изберете и инсталирайте котела. Важно е да не пестите от оборудване, да давате предпочитание на модели със система за безопасност и със затворена горивна камера. Вземете под внимание налягането и температурата на водата в системата;
- Схемата се определя въз основа на оформлението. Често се предпочита Ленинград: еднотръбна схема с паралелно разположение на радиаторите.
При преминаване към автономна отоплителна система, всяка несъгласувана процедура може да доведе до загуба на топлина от съседите.








