Вкъщи по дефиниция трябва да е топло. Може да се предостави по най-различни начини. Ревностният собственик обаче се стреми да направи това възможно най-ефективно и икономично. Тези опции включват инсталиране на стенен газов котел. И това е напълно оправдано, тъй като отоплението с газ е много изгодно, а оборудването е доста лесно за експлоатация и инсталиране.
Ако и вие сте започнали да мислите за закупуване на стенен отоплителен котел, не забравяйте да прочетете нашия материал. В него ще се опитаме да разкажем възможно най-много за принципите на действие на такова оборудване и видовете стенни устройства. И също така ще разгледаме всички нюанси на свързването на такава система.
Принципът на работа на стенен газов котел
Инсталирането и свързването на нагревателя зависи от неговия тип. Следователно трябва да разберете как точно работи устройството и с кои негови разновидности трябва да се справите.
Всеки стенен газов котел е компактно устройство, чиято максимална мощност е ограничена до 42 kW.
Основните елементи на системата включват:
- Газов котлон... Той доставя газ в камерата, където протича процесът на горене. Инжекторите разпределят горивото възможно най-равномерно. Съвременните модулиращи горелки могат да поддържат зададена температура и да регулират силата на пламъка.
- Топлообменник, по които се движи охлаждащата течност. Най-добрата ефективност за медно устройство. Такива елементи в кондензационните котли могат да бъдат два.
- Разширителен резервоар... Проектиран да компенсира излишната вода в резултат на нагряване.
- Циркулационна помпа... Мощните модели могат да имат два от тези елементи.
- Автоматизация на котела или система от устройства, чиято задача е да поддържа дадена температура в отопляемо помещение. Може да включва електрически или нелетливи уреди.
- Устройства за управление и регулиране работа на котела.
- Вентилатор... Използва се само при модели с турбокомпресор.
- Система за сигурност... Спира котела в случай на опасни ситуации.
Съвременните модели са допълнително оборудвани със системи за самодиагностика, които са в състояние да определят около 90% от неизправностите на котела. На дисплея се показва номерът на диагностицираната повреда, който незабавно се коригира от капитана от услугата.
Разновидности на стенни устройства
Според функционалното си предназначение газовите отоплителни тела се разделят на две групи:
- Едно верига. Предназначен само за отопление. Те са свързани към отоплителния кръг и загряват охлаждащата течност. В този случай организацията на подаването на топла вода се извършва чрез инсталиране на електрически или газов бойлер от всякакъв тип.
- Двойна верига. Те отопляват стаята и осигуряват топла вода. В котела е вграден допълнителен кръг за отопление на водата. Технологичната характеристика на устройството е невъзможността за едновременно нагряване на вода и отопление на помещението.
Приоритетното действие на двуконтурните агрегати е нагряването на водата, като отоплителната операция по това време спира. Като се има предвид, че водата може да се нагрява бързо, котелът е доста ефективен за отопление на сградата.
Според метода на изгаряне на горивото всички устройства са разделени на следните две групи.
Група # 1 - устройства с отворена горивна камера
Такива устройства се наричат още нагреватели с естествена тяга. Те поемат кислорода, необходим за горенето, от помещението, в което се намира устройството.
За да премахнат продуктите от горенето, те се нуждаят от традиционен комин. По този начин, предпоставка за инсталирането на такъв котел е подреждането на добра вентилация.
Ако нагревателят е монтиран в жилище, тук трябва да се инсталира високопроизводителна вентилация за чист въздух.
Най-добрият вариант за инсталиране на нагревател с отворена камина е наличието на отделно помещение, така наречената пещ, където е поставено.
Системите с естествена вентилация са доста популярни поради ниската си цена и енергийна независимост.
Група # 2 - устройства със затворена горивна камера
Устройствата с турбокомпресор са оборудвани със затворена горивна камера. Те поемат въздуха, без който процесът на горене е невъзможен, от улицата. За това устройствата са оборудвани с комини от коаксиален тип.
Такъв комин е направен под формата на конструкция от две тръби, едната от които е вградена в другата. Продуктите от горенето се изхвърлят навън през вътрешната тръба.
В същото време уличният въздух тече в обратна посока през процепа между двете тръби. Ясно е, че котлите с камина от затворен тип по никакъв начин не влияят върху състава на въздуха вътре в помещението, което прави възможно оборудването им дори в дневни.
Отопление на печки
Модерното отопление с печки е подходящо за рамкови къщи със сезонна и целогодишна употреба. Идеален за какрасник компактни стоманени пещикоито не се нуждаят от здрава основа.
Котел на твърдо гориво за отопление на рамкова къща
Има няколко вида котли на твърдо гориво, които могат да се използват за отопление на пещ на рамкова къща:
- котли с естествено горене;
- автоматични котли на твърдо гориво;
- котли за пиролиза, чийто принцип се основава на продължително изгаряне на гориво;
- котли на твърдо гориво, които по време на работа подават вторичен въздух в пещта;
- дълго изгарящи пещи в горния слой.
Ако по-рано котлите на твърдо гориво са били примитивни, сега те са по-сложни от газовите и електрическите. Съвременните инсталации извличат максимална ефективност от дърва за огрев, като в резултат остават малко пепел. Има котли, за които имате нужда принудително подаване на въздух... След това те трябва допълнително да инсталират димоотвод и различни устройства за управление на устройството и наблюдение.

Когато избирате котел на твърдо гориво, трябва да обърнете специално внимание на това какъв тип дърва за огрев трябва да бъде за неговата работа. Например, пиролизните котли използват дърва за огрев с дебелина над 10 см и със съдържание на влага по-малко от 20 процента. За да се постигне такава влажност, е необходимо да съхранявате дърва за огрев за две години в специално оборудвано сухо помещение, където има интензивна циркулация на въздуха, или да закупите вече подготвени дърва за огрев.
Котелът трябва да бъде напълно натоварен - ако пещта е частично напълнена, всички системи няма да работят правилно. Можете да поставите комбиниран котел на твърдо гориво, в който освен отопление на дърва може да се използва и газ - това е много удобно и практично.
Полезно: Отворено окабеляване в рамкова къща


Котлите на твърдо гориво имат следните предимства:
- малки разходи за експлоатацията на системата;
- екологичност, минимална вреда за околната среда;
- възможността да се използва навсякъде по света, където няма комуникации.
Практично за малки къщи фурни за отопление и готвенекомбиниране на бойлер и готварска печка със или без фурна.
Отоплителна камина
Обикновено е инсталирана камина, за да се създаде определена уютна атмосфера, но може да бъде и пълноправен източник на топлина и енергия в къщата. Няма да е достатъчно за отопление на голяма сграда. Ако говорим за малка дача, която се посещава от време на време, можете да се справите с една камина.Също така, камината може да служи като източник на допълнителна топлинна енергия в присъствието на пълноценна отоплителна система.
Според вида на камината съвременните камини могат да бъдат разделени на две групи:
- кратко изгаряне;
- продължително изгаряне.


Така че в краткосрочните пещи топлинната енергия се освобождава много бързо, но дърва за огрев изгарят за 5-8 часа. И в дълги пещи дърва за огрев изгарят повече от 8 часа, но в същото време стаята се нагрява бавно. Можете да промените интензивността на духащия въздух, мощността на камината и други характеристики. Можете да изчислите необходимата мощност на камината за отопление на помещението, както следва: за всеки 10 кв. m изисква 1 kW отоплителна мощност.
Възможна ли е самоинсталация?
Със собствените си ръце можете да инсталирате стенен газов котел с най-простите модификации. Като например едноконтурни устройства с отворена горивна камера.
За да ги инсталирате, ще трябва да свържете отоплителната система, да доставите газ и да организирате комин. Някои производители на котли обаче в техническата документация за своите продукти посочват, че инсталацията трябва да се извършва само от специалисти.
В този случай е забранено самостоятелното сглобяване дори на най-простите модели. По този начин, ако планирате сами да инсталирате оборудването, трябва да се уверите, че производителят го позволява, преди да го закупите.
Проверката на правилната инсталация и свързването на устройството към газопровода трябва да се извършва само от специалист със специално разрешение.
Освен това представителят на газовата служба също трябва да издаде разрешение за експлоатация на инсталираното оборудване. Без това собственикът на самоинсталирано и работещо устройство ще бъде изправен пред сериозни глоби.
По този начин, без покана на специалисти, можете да свържете устройството само към отоплителната система и към водопровода. Освен това е препоръчително да правите това само ако имате определен опит.
Спешни водопроводни услуги
Специализацията на нашата компания е предоставянето на висококачествени ВиК услуги с отлично обслужване и задължителна гаранция за извършената работа. В продължение на много години извършваме ВиК работи с всякакво ниво на сложност както в апартаменти, така и в частния сектор. Разполагаме с екип от висококвалифицирани водопроводчици с богат опит в бранша. Работейки в продължение на десет години, ние се научихме да намираме правилното решение дори в най-трудните ситуации.
Ние предлагаме следните водопроводни услуги за нашите клиенти:
- Монтаж и демонтаж на ВиК системи
- Монтаж на всяко ВиК оборудване (монтаж на мивка, монтаж на смесител в банята, монтаж на смесител в кухнята, монтаж на тоалетна чиния, монтаж на бани, монтаж на душ кабина и др.)
- Монтаж и свързване на домакински уреди (пералня, съдомиялна машина, бойлер и др.).
- Ремонт на ВиК оборудване.
- Подмяна на водопроводни тръби в апартамента.
- Обаждане на водопроводчик денонощно Москва и региона.
Основните принципи на работа на водопроводчик от нашата организация
Основният принцип на нашата работа Е индивидуален подход към всеки, защото ние ценим нашите клиенти. Специалистите на нашата компания работят само с най-новото оборудване и използват висококачествени материали. Уверени сме, че само опитен, непрекъснато усъвършенстващ се майстор е в състояние да поеме изцяло отговорността за извършената работа и да гарантира високо качество.
Работим директно с клиенти и затова имаме най-благоприятните условия и за двете страни. За санитарните работи се прилага гъвкава система от отстъпки. За всеки потенциален клиент ние предоставяме безплатна консултация относно избора на материали и информираме по други въпроси от интерес.
Даваме гаранция на всеки клиент ... Благодарение на това можете да сте сигурни, че нашият екип от специалисти извършва водопроводни работи на високо ниво и за кратък период от време.
Изчисляване на разходите за отопление
Разходи за ремонт на отоплителна система
Разходи за инсталация на водоснабдяване
Инженерни системи: водоснабдяване за отопление:
- Отопление в дървена къща Приоритет за селска къща е дървен материал, дървен материал или рамка. По принцип дървена къща също иска да се отоплява. За отопление на дървена къща има много възможности. В този раздел ще дадем пример за отопление на дървена къща с инсталиране на газов котел за отопление, медни тръби, конвекторни радиатори ...
- Отопление на ВиК канализация в дървена къща Тенденцията на дървеното крайградско строителство у нас набира скорост. В същото време недостатъчно комфортните условия на живот са неприемливи за нашите съвременници. И ако по-старото поколение се примири със сезонни затруднения и инсталирането на отопление беше ограничението за подреждането на селска дървена къща, тогава ...
- Отопление и котелно помещение Отоплението на къщата трябва да бъде обмислено преди започване на строителството на самата къща. Особено, ако тази къща не е просто леко жилище за летен жител, което той използва само през топлия сезон, а пълноценна жилищна сграда, където хората трябва да живеят удобно в най-много ...
- Водно отопление у дома - Котелно помещение Водно отопление у дома Повечето от нас са свикнали с комфорта и едно от условията за неговото осигуряване - ......
- Отопление на частна къща - котелно помещение Отоплението на частна къща за Русия е една от най-важните теми при започване на строителството. Но въпреки цялата му важност, мнозина смятат, че е твърде лесна задача да се мисли за нейния дизайн. Всъщност дори система, сглобена без проект и изчисления ...
- Ремонт на отопление в частна къща Оптималното решение в тази ситуация е да се свържете със специалисти, които ще извършат необходимите ремонти на отоплителната система, нейната диагностика и въвеждане в експлоатация, но някои проблеми могат да бъдат решени сами. Какво може да се направи: дайте време на системата да се изравни, отнема няколко ...
- Подмяна на отоплителната система в частна къща Подмяната на отоплителната система в частна къща, като правило, започва с избора и изчисляването на капацитета на отоплителното оборудване, включително изчисляването на необходимия брой отоплителни радиатори. В същото време вземаме предвид както приоритетните видове горива за определен регион, така и отопляемата площ. Това е от изпълнението ...
- Автономно котелно помещение ...
- Котелно помещение за отопление на дома Искате ли да придобиете частна къща? Подгответе се за редица плашещи предизвикателства при избора на решение за различни системи и дизайни. Един от въпросите на етапа на строителството ще бъде изборът на отоплителна система ...
- Котелно помещение за къща с подов котел ► Котелно помещение за къща с подов котел ◄ Услуги за разработване на проекти, ......
- Ремонт на котелно помещение в частна къща Под думата "котелно помещение" се разбира съвкупност от оборудване и цялото техническо оборудване, което осигурява жилищно пространство с отопление и водоснабдяване; и отделна стая в къщата, или сграда, където се намира цялото това отоплително оборудване. Обикновено се инсталира отделно котелно помещение, ако няма възможност за свързване ...
- Монтаж на радиатори в частна къща Монтаж на радиатори в частна къща Монтаж на отопление у дома, както показва нашият практически опит, е сложен процес, в който няма дреболии. Не е достатъчно просто да инсталирате модерна котелна централа и да се надявате на значителни подобрения. Важен етап от подобряването на отоплителната система е инсталирането на ...
- Как да извършим отопление в къща Основната функция на всяка отоплителна система, независимо от нейното местоположение, е да отоплява стаята. Тази жизненоважна функция осигурява основата за точен дизайн на системата и придобиване на най-висококачествени компоненти.Отоплителната система на частна къща включва следните елементи: - отоплителен котел; ...
- Разпределение на отоплението в частна къща При решаването на проблема с отоплението на жилищата има много комбинации от изграждане на система за подаване и отвеждане на отоплителния агент. Всяко разпределение на отопление в частна къща може да бъде класифицирано според няколко критерия. Предлагаме да разберем нюансите на подреждането и функционирането на възможните опции. Разбиране на принципите на дизайна, плюсове ...
- Инсталирайте висококачествено автономно отопление в къщата За да инсталирате висококачествено автономно отопление в къщата и да не задълбавате във всички сложности на този труден бизнес, опитни собственици на недвижими имоти, ......
- Отопление в частна къща с газ Отоплението на газ за частна къща е много изгодна опция по отношение на възвръщаемостта на инвестицията на отоплителната система. Природният газ, ако е свързан с къщата, ще струва малко по-малко от електричеството, което спестява гориво. В допълнение, коминът за отопление на газ е много по-прост, ...
- Разходите за монтажни работи ОТОПЛИТЕЛНА ДОСТАВКА ЗА ВОДА Ремонт на отопление ► калкулатор за изчисление ◄ Монтаж на отопление в страната. Монтаж на зимно водоснабдяване за частна къща. Монтаж на зимна водоснабдителна система в страната, монтаж на отопление в частна къща. Ремонт на водопроводни тръби в частна къща, подмяна на водопроводни тръби на отоплителната система в страната, монтаж на тръби ...
- Поръчайте отоплителна инсталация за частна къща Монтаж на отоплителна система за частни къщи С настъпването на студеното време много неща в живота ни се променят. Едва ли съвременен човек би могъл да оцелее при условия, напълно неприемливи за живеене, и колкото и луксозна да е къщата - ако е студена, малко хора
- Видове отопление на селска къща Видове отопление на къщи. Отопление на газ. Отопление на къщата. Днес най-популярната опция за отопление на частна къща е отоплението с газ. Стенният газов котел има малки габаритни размери, за разлика от дървения котел на твърдо гориво, той е инсталиран на всяко място и отоплява цялата къща ....
- Професионален монтаж на отопление в къщата Отоплителната система на всяка къща е сложен индивидуален дизайн, чието инсталиране изисква подготвителен проект, който напълно отразява техническите характеристики на системата, най-ефективните методи за нейното инсталиране, консумацията на енергия, лекотата на използване и много повече. Монтаж на тръби за отоплителната система, котли, радиатори и други мрежови елементи, ...
Предишна публикация Водни услуги за дома
Следващ пост Монтаж и продажба на котел
Откъде да започнем инсталацията?
На първо място, трябва да подготвите документацията, която трябва да инсталирате... Трябва да започнете с инициализиране на газификацията на стаята. Може да се стартира само ако към него е свързан газопровод.
След това собственикът подава заявление до съответните служби, в което посочва обема на потреблението на газ, от който се нуждае за месец или година. В случай на задоволителен отговор на заявлението, газопроводът, подходящ за помещението, трябва да бъде оборудван с брояч.
Собственикът получава в ръцете си разрешителни и технически условия, въз основа на които трябва да бъде разработен проект за свързване на оборудването.
Последният включва схема за полагане на газови тръби от нагревателя до точката на вмъкване в основната линия и всички условия за инсталиране на оборудване. Разработеният проект трябва да бъде одобрен от газовата служба.
Заедно с проекта собственикът на помещението, където ще бъде монтиран котелът, предоставя сертификат за съответствие и технически паспорт на закупеното оборудване, заключение на експертна служба за неговото съответствие с всички безопасни изисквания и инструкции за употреба.
Едва след като проектът бъде одобрен, можете да започнете да инсталирате нагревателя. В този случай трябва ясно да се спазват всички точки от проектната документация.
Отоплението с газ остава най-добрият вариант за организиране на топлоснабдяване за апартаменти и къщи.За да инсталирате оборудването, трябва да знаете настоящите стандарти, да получите разрешение в съответната служба. От особена трудност е инсталирането на стенен газов котел в дървена къща със собствените си ръце. Изискванията за такива сгради са много по-строги, отколкото за стоманобетонни или тухлени сгради.
Проекти на къщи с котелно помещение
Брой проекти 1286
- 6 стаи
- 1 баня
Проект на къща VH "84-15" Villosi
- На любими
- 286² Обща площ
от 3 861 000 рубли
Време за строителство индивидуално
- 2 стаи
- 1 баня
Проектът на вила "Мюнхен"
- На любими
- 81² Обща площ
от 1 093 500 рубли
Време за строителство индивидуално
- 3 стаи
- 2 бани
Проект Avanche House
- На любими
- 144² Обща площ
- 9 x 8m Площ на сградата
от 1 100 000 руб.
Време за изработка 25 дни
- 4 стаи
- 1 баня
Проект на къща "Дворцова мозайка"
- На любими
- 133² Обща площ
- 11 x 12m Площ на сградата
от 2 946 700 рубли
Време за строителство 60 дни
- 3 стаи
- 1 баня
Проект на къща № 59
- На любими
- 110.11² Обща площ
от 1 486 485 руб.
Време за строителство индивидуално
- 7 стаи
- 3 бани
Проект на къща # 13050-KB
- На любими
- 216² Обща площ
- 16 x 11m Площ на сградата
от 7 550 107 п.
Време за строителство индивидуално
- 3 стаи
- 2 бани
Проект на къща "BK 13"
- На любими
- 11 x 9m Площ на сградата
индивидуално изчисление
Време за строителство индивидуално
- 1 стая
- 2 бани
Проект Bani Cherry
- На любими
- 90.3² Обща площ
от 1 482 000 руб.
Време за строителство индивидуално
- 4 стаи
- 2 бани
Проект на къща KD-16
- На любими
- 112² Обща площ
от 884 000 рубли
Време за строителство индивидуално
- 5 стаи
- 2 бани
Проект на къща "Паолина"
- На любими
- 235.2² Обща площ
- 11 x 18m Площ на сградата
от 5 875 000 рубли
Време за строителство индивидуално
- 4 стаи
- 1 баня
Проект „Мирна къща“
- На любими
- 116.2² Обща площ
- 8 x 8m Площ на сградата
индивидуално изчисление
Време за строителство индивидуално
- 3 стаи
- 1 баня
Проект на къща VH "02-13" Велан
- На любими
- 108² Обща площ
от 1 458 000 руб.
Време за строителство индивидуално
- 5 стаи
- 2 бани
Проект на паунова къща
- На любими
- 388² Обща площ
от 5 238 000 рубли
Време за строителство 185 дни
- 2 стаи
- 1 баня
Проект „Бани Ламбада“
- На любими
- 62,67² Обща площ
от 846 045 рубли
Време за изработка 35 дни
- 3 стаи
- 1 баня
Проект на къща X-86 hi-tech
- На любими
- 86² Обща площ
от 1 161 000 руб.
Време за строителство индивидуално
- 8 стаи
- 4 бани
Проект на къща MS-346 (къща за 4 апартамента)
- На любими
- 342,14² Обща площ
- 16 x 15m Площ на сградата
от 10 452 290 рубли
Време за строителство индивидуално
- 3 стаи
- 1 баня
Проектът на къща Алла
- На любими
- 111² Обща площ
- 8 x 10m Площ на сградата
индивидуално изчисление
Време за строителство индивидуално
- 6 стаи
- 3 бани
Проект на къща Дон 157
- На любими
- 150² Обща площ
от 2 062 500 рубли
Време за строителство индивидуално
- 5 стаи
- 3 бани
Проект на къща DOK-224 / Berville
- На любими
- 224.09² Обща площ
- 15 x 11m Площ на сградата
от 4 033 620 рубли
Време за строителство индивидуално
- 4 стаи
- 3 бани
Проект на къща "Земфира"
- На любими
- 240,7² Обща площ
- 11 x 20m Площ на сградата
от 3 120 000 рубли
Време за строителство индивидуално
Вижте всички проекти
Днес котелното помещение в частна къща става ежедневие. Но подреждането му трябва да се извършва само в съответствие с регулаторните изисквания. Подготвя се подходящ проект на помещенията съгласно установените стандарти, така че котелното да отговаря на съществуващите стандарти. Обмислете въпросите относно подреждането на котелното помещение. Ще научите какви документи са необходими и как правилно да проектирате помещенията.


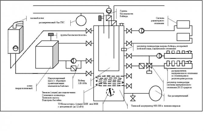
Пример за котелно помещение за голяма къща с допълнително оборудване Източник remont-kotlov77.ru
Изисквания към помещенията
Първата задача е да изберете мястото на инсталация. Основните норми са изложени в SNiP на 31 февруари 2001 г. Инсталирането в жилищни помещения, баня или тоалетна е забранено. Възможна е инсталация в мазе, но не и в мазе. Също така не може да се монтира на тавана За мощно оборудване над 36 kW трябва да оборудвате отделно котелно помещение.
Необходимо е да се вземат предвид основните изисквания - газов котел в дървена къща с мощност до 60 kW може да се инсталира в стая със следните параметри:
- Минималният обем е 15 м3. За всеки киловат енергия над нормата трябва да добавите 1 m ?.
- Височина на тавана - от 2,5 м и повече.
- Наличието на принудителна и естествена вентилация.
- Изкуственото осветление трябва да бъде допълнено от естествено осветление.
Мястото на монтажа е изолирано от жилищните помещения с врата, ако инсталацията се извършва в самостоятелна котелно помещение, трябва да има изход директно към улицата.
Монтажът на монтиран на стена газов котел в дървена къща в отделно котелно помещение се извършва съгласно следните правила:
- стандартни изисквания за обема и височината на таваните - 15 м? и 2,5 m;
- вътрешна декорация на стени с огнеупорен материал с граница на огнеустойчивост 0,75 часа;
- нормално осветление в стаята - изкуствено и естествено;
- наличието на вентилационни системи.
В допълнение към вратата към улицата, може да има и допълнителна врата към къщата. Важно е да се осигури херметичност - продуктите от горенето не трябва да влизат в сградата. Параметрите на вентилация зависят от вида на горивната камера - затворена или атмосферна. За второто стойността на въздушния обмен не трябва да бъде по-малка от 3 обема на котелното на час. Консумацията на въздух за горене се взема предвид допълнително. Този параметър е посочен в паспорта на котела. Разстоянието от отоплителното оборудване до вентилационния отвор е най-малко 2 метра. Площта на остъкляването зависи от обема на котелното помещение. На 1 м? изисква 0,03 m? леко отваряне. Важно е - това е показател за нетния приток на светлина, с изключение на ширината на рамките и импостите.
Опции за организиране на котелно помещение за дървени жилища
Не забравяйте, че котелното помещение, което ще отоплява дървена къща, може да бъде оборудвано по няколко начина. Ако ги разгледаме по-подробно, то за всеки по един или друг начин има няколко безспорно важни предимства, които ще повлияят на избора на проекта.
Като цяло котелно помещение за дървена къща може да бъде организирано по един от трите основни начина:
- Директно в къщата.
- В пристройка към дървена къща.
- В отделна сграда.
Котелно помещение в къщата. На пръв поглед това е най-лесният и удобен вариант. Това обаче важи само за онези случаи, когато котелното помещение е замислено и изчислено на етапа на проектиране. Тоест, за подреждането му в проекта беше положена стая, съответстваща поне на онези стандарти, които бяха обсъдени по-горе. Ако няма такава стая, тогава собствениците на дървени къщи често нарушават изискванията за безопасност, като инсталират котела или в кухнята, и в банята, или на друго забранено място.
Ако е предвидено помещение за котелно помещение и то отговаря на минималния набор от правила и разпоредби, тази опция дава няколко предимства:
- удобно;
- минимални загуби на енергия;
- няма нужда да изграждате нищо допълнително;
- разходите за подреждане на електрическа и отоплителна мрежа са минимални.
Има и недостатъци, например шумът от автоматизацията на котела или циркулационната помпа. Има обаче повече предимства и те са по-значими.
Котелно помещение в пристройката към къщата. Частично премахва посочените недостатъци на предишната версия и почти без да губи своите предимства. Единственият съществен недостатък е, че разширението трябва да бъде прикрепено, а това са допълнителни разходи, изчисления и т.н.
Котелно помещение в отделна сграда. Въпреки привидната сложност и висока цена, много собственици на дървени къщи прибягват до тази опция. Освен това отделна сграда може да бъде не просто котелно, но например гараж, складово помещение, работилница и т.н. И всичко това също ще се нагрява, което е много важно и полезно за мнозина.
Документация за разрешения
За разлика от инсталирането на котел на твърдо гориво в дървена къща, газовото оборудване изисква разрешение. За да направите това, трябва да се свържете с местната организация, отговорна за доставките на газ - Oblgaz или Gorgaz. Свързването към газопровода трябва да се извършва само от сертифицирани специалисти, но инсталирането на котелно оборудване може да се извърши независимо.


Етапи на получаване на разрешително:
- Получаване на техническа спецификация. Той посочва изискванията за свързване към газопровода. Необходимо е да се предостави план на къщата с нейните характеристики.
- Изготвяне на проект за газификация. Тази работа се извършва от лицензирани специализирани организации.
- Въз основа на проекта се издава разрешение за инсталиране на парапетен котел в дървена къща. Същото се отнася и за стенни или подови модели.
- След монтажа представителите на газовата служба трябва да проверят сградата и тръбопровода за съответствие с техническите условия и договорения проект. Те също така свързват оборудването към тръбопровода.
За оптимизиране на времевите и финансовите разходи се препоръчва да се използват услугите на дъщерни дружества на Gorgaz. Техните представители знаят нюансите на дизайна и последните промени в изискванията за помещения и оборудване.
Схеми за инсталиране
След подготовка на помещенията и издаване на разрешителни, можете да продължите с инсталирането на котела. Мястото за инсталиране на оборудването е завършено с огнеупорни материали. За стенни модели е наложително да се използват надеждни крепежни елементи.


Как да окачим газов котел на дървена стена и какви стандарти трябва да се спазват? За да направите това, трябва да се запознаете с общите правила:
- Съставяне на диаграма. Взема се предвид разположението на дюзите за свързване към тръбопровода, местоположението на газопровода. Преди да инсталирате газов котел в дървена къща, диаграмата показва местоположението на спомагателното оборудване - резервоари за непряко отопление за подаване на топла вода, циркулационна помпа, разширителен резервоар и защитна група.
- Минималното допустимо разстояние до повърхността на стената, върху която е монтирано оборудването, е 4,5 см. За страничните плочи тази стойност е най-малко 20 см. Разстоянието до пода е от 30 см, до тавана е 45 см.
- Отворът в пода или стената за комина е защитен със специална огнеупорна втулка. Неговата функция е да предотврати директен контакт на дървото с нагрятата повърхност на комина.
- Използването на пластмасови тръби за отопление. За да се предпази повърхността на линията от прегряване, препоръчително е да се монтира стоманена тръба с дължина до 0,5 m на изхода за топла вода от котела.
На практика същата инсталация на котел на дърва в дървена къща ще бъде по-лесна. Но в бъдеще разходите за отопление и поддръжка ще бъдат по-високи от тези за отопление с газ.
Стенна подложка
Основното изискване при декорацията на стени, подове и тавани е противопожарната защита. За това се използва специален субстрат за газов котел в дървена къща. Той не трябва да поддържа процеса на горене, да предпазва стените от температурни ефекти.


Препоръчителен подложен материал:
- Базалтова вълна. На твърда основа (метален лист) е монтиран слой с дебелина 50 mm или повече. Плътността на памучната вата е максимална.
- Базалтови огнеупорни листове. В случай на открит пламък, те ще предпазят дървената повърхност на стените от топлинни ефекти.
Забранено е използването на полимерни материали - полипропилен, пяна. При подовите модели се обръща специално внимание на подготовката на подовата повърхност. Той е изравнен, монтиран е огнеупорен материал. В този случай не се препоръчва базалтова вълна, тъй като тя ще бъде компресирана от масата на котела. Изходът е да инсталирате базалтови листове.


Накратко за основното
Изискванията за котелно помещение в частна къща за газ или друг вид гориво са много високи.Това се дължи на задължителното съответствие на помещенията с всички стандарти за безопасност и защита от пожар.
Най-лесният начин е с електрически котли, но те не се използват широко поради високите разходи за поддръжка, въпреки че иначе имат много от своите предимства.
Газовите котли и котлите на твърдо гориво остават популярни модели.
В зависимост от мощността на оборудването се определят много нюанси, норми и изисквания за котелното помещение.
При разработването на стая е необходимо да се изготви проект, който само специалист може да направи.
За всяка друга работа е по-добре да се свържете с майсторите.
Оценки 0
Възможно ли е да поставите газов котел в дървена къща
Изискванията за стаята за инсталиране на газов котел в дървена къща включват следното:
- Котелното се намира на сутерена или в една от стаите. В дървена къща е забранено инсталирането на газов котел в мазето, с изключение на специално оборудвана, свободно стояща стая.
- Помещението трябва да отговаря на изискванията, описани в PPB и санитарните стандарти.
- Забранено е поставянето на отоплителни съоръжения в дневните. Монтажът в кухнята-хола не е разрешен, инсталирането в банята и тоалетната е условно забранено.
- Необходими са лични предпазни средства и пожарогасителни съоръжения, както и пожароизвестители за дим и пожар.
Преди въвеждане в експлоатация отоплителната система се проверява за работоспособност, както и наличието на всички необходими възли за безопасност. Инспекторът на Газнадзор ще се увери, че са изпълнени изискванията за инсталиране на котелно оборудване.
Отделно се извършва одит за наличието на всички документи, необходими за въвеждане в експлоатация на котела. Минималният пакет документи включва:
- Резултатите от изследванията на електрическата лаборатория, която проверява параметрите на инсталираното заземяване.
- Разрешение от Ростехнадзор.
- Проект за газоснабдяване на къща.
Разновидности на котелни помещения по местоположение
Естествено, има изисквания за безопасност и те ще трябва да се спазват при подреждането на помещение като котелно помещение, но въпреки това ще ни представят правилата за избор по отношение на вида гориво, размера и местоположението на пещта.
По типа настаняване в частна къща котелните помещения могат да бъдат:


Вградена в къщата. В този случай цялото оборудване ще бъде разположено в една от стаите на къщата (като правило това е коридор или кухня). По отношение на евтиността и лекотата на подреждане, това е идеален вариант, но подходящ само ако планирате да използвате котелни централи с ниска мощност (компактни). В този случай е по-добре да не използвате газов котел с надуваема горелка поради високото ниво на шум, а оборудването, работещо на дизелово гориво, може да причини много неудобства поради остри неприятни миризми.- В пристройка или отделна стая у дома. Цялото котелно оборудване се намира в отделно помещение, което ще бъде свързано с къщата само с една или дори двойка стени. Вратата на такава стая трябва да бъде покрита с негорими материали. Той е идеален по отношение на безопасността и удобството. Ако котелното е близо до жилищни помещения, тогава най-добрият вариант би бил да се направи допълнителна шумоизолация - SNiP не казва нищо за това, но ще бъде много по-удобно.
- Самостоятелна сграда. Цялото оборудване може да бъде изнесено в отделна независима сграда, която ще бъде оборудвана в съответствие с всички правила и разпоредби. Той ще бъде свързан с къщата с помощта на топлинни тръби. В този случай ръцете ви ще бъдат развързани, защото ще бъде възможно да се използва оборудване от различен тип и в същото време да не се притеснявате от шума, наличието на неприятни миризми. Често такива котелни помещения са оборудвани, когато се използва газов котел с високо ниво на мощност. Недостатъкът ще бъде разходите за изграждане на сградата, както и полагането на комуникации.
Блок-модулно котелно помещение.В този случай оборудването ще бъде разположено в контейнер, който лесно може да се премести от едно място на друго. Използва се като временен или резервен тип отопление в предприятия и индустриални съоръжения, но дори може да се използва в частна къща.
В идеалния случай трябва да помислите за поставянето на котелното дори при проектиране на къща. Ако къщата вече е построена и броят на възможните опции за местоположение ще бъде намален, което може да доведе до факта, че изборът на оборудване за отопление ще бъде значително стеснен. Във всеки случай, ако започнете договореността, трябва да се свържете с професионални майстори.
Как да окачим газов котел за отопление в дървена къща
Техническите условия за инсталиране на газов котел в рамка или дървена къща са значително различни.
В първия случай говорим за кух материал, следователно за фиксиране се използват специални закрепващи релси. При голямо тегло на котелното оборудване се препоръчва да се монтира газов котел в рамкова къща върху шипове, закрепени извън сградата.
Пантата на котела в рамкова къща значително увеличава натоварването на стената. Има ограничения за теглото на оборудването. Ако планирате да инсталирате модел с вграден буферен резервоар, предпочитание трябва да се даде на подовите котли.
Методите за фиксиране на котела към дървената стена на дървена къща или дървена къща се отличават с лекотата на фиксиране. За монтаж се използват специални винтове за дърво, които осигуряват надеждно закрепване.
Когато инсталирате приставки, ще трябва да спазвате стандартите PPB и да поддържате минимални разстояния до отворите на вратите и прозорците.


Какъв субстрат да се използва върху дървена стена
Ако котелното е облицовано с дърво, се осигурява противопожарна защита. Субстратът върху дървена стена за газов котел се извършва по няколко начина:
- На стената е окачен слой базалтова изолация, след което е обвит със стоманен лист.
- Използват се специални базалтови огнезащитни листове. Предимството на това решение е минималната дебелина на защитния слой, като същевременно осигурява максимална пожарозащита.
Монтирането на стенен котел в дървена къща без предварително производство на защитен слой е забранено!
- Автор: Мария Сухоруких
- Печат
Оценете статията:
- 5
- 4
- 3
- 2
- 1
(0 гласа, средно: 0 от 5)
Споделете с приятелите си!
Интериор на котелно помещение
Интериорът на котелното трябва преди всичко да бъде функционален. Когато го разработвате, е важно да помислите върху всяко малко нещо. Помислете за местоположението на отворите за прозорци и врати, контакти и ключове. Изберете светла цветова схема, за да изглежда стаята уютна. Важно е да помислите за осветлението - то трябва да бъде интензивно и равномерно.
В зависимост от площта на стаята можете да осигурите място за съхранение под формата на стелажи. Мебелите трябва да са от метал. Препоръчително е да се определи място за пожарогасител в случай на непредвидена опасност от пожар.
Канадската технология за изграждане на къщи се използва в много страни по света, сред които има региони с доста суров климат. Каркасна къща с котелно помещение той е проектиран, ако се предполага, че ще бъде жилищен целогодишно. Вили от къщи в селска къща, като правило, нямат такава стая.
ХАРАКТЕРИСТИКИ НА КОТЕЛНА СТАЯ В РАМКА КЪЩА
Когато оборудвате котелно помещение в рамкови къщи, което ще служи като основа за отопление на всички помещения, първо трябва да помислите върху някои важни нюанси:
- в котелното трябва да се поддържа оптималният температурен режим, за да се осигури правилното функциониране на отоплителното оборудване и неговата трайност;
- по-добре е да закупите котела и необходимите съпътстващи части, преди да започнете проектирането на котелното помещение - това ще вземе предвид всички изисквания на производителя на оборудването за неговото поставяне;
- помещението трябва да бъде снабдено с вентилационни и технологични отвори за устройството на комина и полагането на отоплителни тръби;
- по-добре е котелното да е разположено от скучната страна на рамковата къща. Ако това не е възможно, първо трябва да се поправят стените;
- площта и височината на таваните на котелното се регулират от специални изисквания в зависимост от вида на котела и неговия производител.







