Домашно приготвените инсталации за твърдо гориво придобиват изключителна популярност. Това се дължи на покачването на цените на енергията. За разлика от електричеството и газа, въглищата и дървата за огрев все още са достъпни. Търсенето на такова оборудване нараства и цената се увеличава съответно. Поскъпването води до факта, че не всеки може да го купи. Алтернатива на скъпите модели могат да бъдат самоделните котли за отопление на частна къща, направени според чертежи, схеми и изчисления на устройства, вече тествани на практика. Те са по-евтини, но по работа не отстъпват на фабричните.
Видове воден газов котел за отопление на частна къща
Принципът на работа на газовите отоплителни котли е както следва: Топлината, генерирана от изгарянето на газ, се прехвърля към течността, която след това се движи през отоплителната система, отоплявайки помещението. Има разлики в дизайна на различните видове газови котли.
Стена

Основните части са:
- Горелка - правоъгълна конструкция с отвори, подредени в определен ред, през които се подава газ от дюзите отдолу.
- Горивната камера.
- Топлообменник - един или два. Схемата с два блока включва инсталирането на основно устройство под формата на медни тръби с ламеларни перки над горелката. Това позволява топлината на газовия пламък да се предава директно към топлоносителя с максимална ефективност.
- Вторичен топлообменник обикновено се изпълнява под формата на набор от тънки метални плочи, преминаващи през които течаща вода се нагрява от гореща охлаждаща течност.
- Газов клапан, контролиран от системата за автоматизация, регулира степента на подаване на гориво.
- Тръбопроводи за подаване и връщане на отопление.
- Мембранен резервоар.
- Електрически блок.
- Вентилатор помага да се остави въглероден диоксид от устройството през комина.
- Циркулационна помпа.
- Система за автоматизация - набор от сензори, които анализират състоянието на възлите и точките на свързване към входните и изходните маршрути, и изпълнителен механизъм, който генерира необходимите управляващи сигнали.
Етаж


Различава се от метода за монтиране на стена, а също така, тъй като теглото му е ограничено, производителите го оборудват с чугунен топлообменник, който е с по-високо качество и по-надежден.
Подовите модели са едноконтурни агрегати с отворена горивна камера, в които минимум от различни устройства за автоматизация и управление.
- Горелка.
- Горивната камера.
- Топлообменник.
- Разширителен резервоар - излишната течност се оттича в него.
- Газов клапан.
- Електрически блок.
- Вентилатор.
- Ламеларен топлообменник.
- Помпа.
- Система за автоматизация.
От балон
- Дизайнът се основава на газова бутилка за 50 л (отоплява стаята до 70 кв. м). В цилиндъра е потопено бутало с долна дюза.
- Дюзата е куха тръбапрез който влиза въздух за горене.
- В долната част на буталото е заварена "палачинка" с малко по-малък диаметъротколкото балон. Заварените към него дъговидни остриета създават вихров поток над светещото гориво.
- Комин.
- Горната част на цилиндъра след инсталиране на дръжките върху него използва се като капак.
- Помпата осигурява принудителна циркулация.


Снимка 1. Газов котел, направен от цилиндър. Устройството е свързано към кръга на отоплителната вода.
Как да направите газов котел със собствените си ръце
Производството на газов котел се състои от няколко етапа.
Избор на проекти, чертежи
След като взе решение за самостоятелно производство на газов котел, намерете подходящ проект с чертежи... Те трябва да бъдат подробно описани за отоплителни котли, свързване, охлаждане, комин, дефлектор и други нюанси.
Внимание! Преди да започнете производството, разберете добре чертежите и намерете снимки на готови схеми. Всяка неточност или промяна влияят неблагоприятно на бъдещата експлоатация.
Когато правите вземете предвид топлинните загуби във всяка стаякъдето се предвижда отопление. Дори в помещения с равни площи топлопредаването ще бъде различно.


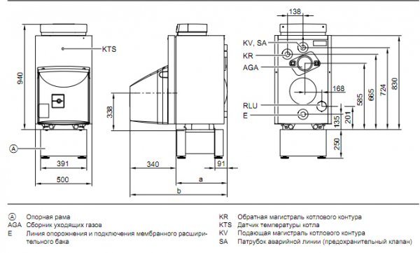
Снимка 2. Чертеж на стенен газов котел. Стрелките показват компонентите на нагревателя.
Изчисленията се извършват с марж от 10%, фокусирайки се върху реалните размери на обектите.
Справка. Най-лесният начин за изчисляване: за всеки 10 кв. необходими метри площ 1 kW енергия. Калорична стойност на газа - 6,55 kW.
Количеството енергия, консумирано от котела на ден, се разделя на неговата калоричност и така се получава необходимия обем на котела.
По този начин е необходимо:
- изчислете цялата хидравлична система;
- вземете предвид разходите за комина, включително дефлектора;
- предварително определете диаметъра на тръбите;
- задайте необходимата мощност на помпата;
- изчислете съпротивлението на системата.


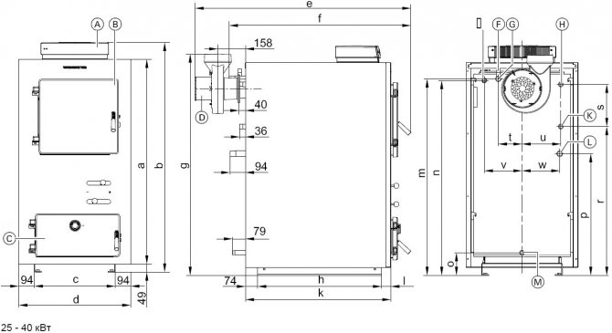
Снимка 3. Чертеж на газов отоплителен котел. Посочени са размерите на устройството и неговите компоненти.
Материали (редактиране)
След избора на проект капитанът изчислява количеството материали към отоплителния котел. Не можете да замените споменатия метал с друг, за да намалите разходите за инсталацията: той може да се окаже по-мек и това ще направи конструкцията неизползваема.
Материали за работа:
- метални и газови тръби;
- стоманен лист;
- врати за създаване на камина;
- тухла;
- фитинги;
- глина;
- влагоизолационен материал (катран);
- цимент;
- поцинкована ламарина.
Важно! Някои компоненти като термостат или дефлектор, по-лесно е да закупите в специализиран магазин, вместо да го създадете сами.
На какво да се съсредоточите при избора на закупени части за газови котли:
- По-добре е да изберете термостати, програмируемиза контрол и регулиране на температурата на котела с тяхна помощ. Вътрешните аналози не отстъпват по качество на чуждестранните модели.


Снимка 4. Програмируем термостат за газов котел. С него можете да зададете подходяща температура.
- Дефлекторът е монтиран в горната част на комина и осигурява изпускане... Побира се под формата на конусен чадър от неръждаема стомана.
- Автоматизацията включва: модул за контрол на пламъка, защита от прегряване, контролер за сцепление, взривен клапан. За стабилна работа на устройството са необходими всички изброени устройства.
Инструменти:
- заваръчна машина;
- поялник;
- комплект отвертки и ключове;
- чукове;
- клещи;
- ниво;
- ъгъл;
- рулетка;
- инструмент за заваряване;
- термостат;
- автоматизация;
- дефлектор.
Изработване на устройство, самоделен топлообменник
Етапи на строителство:
- Най-лесният начин да го направите сами е да направите под газов котел, който е инсталиран на основата. Така че те изтръгват първи яма с дълбочина около 80 сантиметра. На дъното му се изсипва пясък, залива се с вода и се оставя да кисне. След това камъни, счупени тухли и развалини се полагат малко под нивото на земята.


- Съберете кофража с рамката и го запълнете с бетон., ден по-късно се премахва. Мястото под кофража е покрито с чакъл и пясък и покрито с влагоизолационен материал.
- Поставете стена от тухлен и циментов съставзащита на основната стена от отопляемия газов котел. Височина и ширина на тухлената стена 10 см повечеотколкото размерите на котела.
- Листовете се изрязват според чертежите, подгответе ъгли, тръби, вътрешни части.
- Частите са сглобени в една система. Преди тази стъпка гледайте видеоклип, показващ процеса. Неправилното разположение на компонентите води до неработоспособност на конструкцията. При извършване на заваръчни работи не трябва да се забравя за безопасността: бригадирът носи защитни ръкавици, специална маска и работно облекло.
- Топлообменникът е направен от стоманен резервоар и медна тръба., благодарение на което водата се загрява в котела. В горната и долната част на резервоара са направени два отвора, съответстващи на диаметъра на тръбата. Тръбата се огъва в спирала и се вкарва в резервоара. В краищата на тръбата, напускаща резервоара, са монтирани фитинги.
- След сглобяването краищата се почистват и уредът се боядисва. Последното се прави, за да не се появи конденз в студения сезон и металът да не започне да ръждясва.
- След инсталирането на котела отстрани към него се заварява комин - метална тръба не по-малко от 20 cm, през който въглеродният диоксид ще напусне уреда. В покрива се изрязва дупка и тръбата се повдига 30-40 см над покрива. Пропуските между него и покрива са запълнени с полиуретанова пяна и минерална вата.
- Към котела е свързано непрекъсваемо захранване... Стабилизаторът е монтиран наблизо на сухо място, където водата няма да попадне. Не трябва да се прегрява или замразява.
Връзка за отопление


Законодателството установява, че преди да инсталирате газов котел собственикът трябва да получи разрешение за инсталиране в Gorgaz.
- На директните и обратните отоплителни тръбопроводи те придобиват спирателни клапани - "Американски" кранове, позволяващи демонтиране на котела в случай на авария.
- Към връщащата тръба на охлаждащата течност инсталирайте филтър за механично пречистване на водата.
- Монтирайте спирателни кранове на газопровода, към който ще бъде свързан котелът, под формата на газов кран и газов филтър.
- Свържете газовата тръба, доставяща гориво... Всички фуги и връзки са запечатани.
- Свържете котела към водопроводната мрежа и линия за подаване на топла вода.
Чертежи и изчисления
За да заварявате котела, използвайте готовите чертежи. В този случай не е нужно да преоткривате велосипеда. Използвайте вече доказани методи и методи. Няма толкова много от тях, колкото изглежда.


За строителство използвайте чертеж на газов котел с размери и конструктивни характеристики
За да може котелът да създаде топлина и комфорт в къщата, е необходимо да се направи точно изчисление на неговия обем. Най-простият начин за изчисляване се основава на предположението, че на всеки 10 квадратни метра площ се изисква 1 kW енергия. Още 10% се добавят към получения резултат, за да се създаде малък марж, за да се осигури по-удобна работа на котела. Например: къща с площ от 80 квадратни метра изисква 8 kW енергия на час. Още 800 W в резерв, общо - 8,8 kW за 60 минути. На ден ще се консумират малко повече от 211 kW.
Но киловатите все още не са обем.
За да го изчислите, трябва да вземете предвид, че калоричността на газа е 6,55 kW - това число е постоянно, изчислява се научно и експериментално, следователно се взема за основа.
За да изчислите колко обем на котела е необходим за отопление на дадена къща, трябва да разделите количеството енергия, консумирана от котела на ден, на неговата калоричност. Връщайки се към нашия пример, получаваме: 211 / 6.55 = 32.2. Това означава, че в къща с площ от 80 м2 е необходим 33-литров котел (закръгляване).
Трудности при производството, как да направим котел по-икономичен
Следователно правилата забраняват подаването на газ в мазетата и мазетата на сградата собственикът трябва да отдели отделна стая в къщата, отговарящи на стандартите, в противен случай инсталирането на уреда няма да бъде одобрено от службите.


Опитва се да спести относно автоматизацията на отоплителното оборудване води до прегряване на отоплителната система и дори до разрушаване на тръбопроводите.
Прегряване възниква и поради липса на циркулация. В такъв случай, проверете помпата, филтъра и термостата за прегряване.
Неправилни изчисления необходимата мощност ще доведе до факта, че топлината, получена от котела, няма да бъде достатъчна за отопление на помещенията.
Ако налягането не се повиши, когато котелът се загрява, тогава плътността на системата може да бъде нарушена и трябва да затегнете връзките, след това добавете малко натиск.
Проблеми могат да възникнат при изготвяне на проект характеристиките на определен обект не са взети предвид: пренапрежения на тока, лошо качество на горивото, недостатъчно налягане на газа, правилна вентилация не е организирана или не се спазват препоръки за допустими разстояния от котела до друго оборудване и стени. По време на ремонта ще трябва да модернизирате инженерните работи.
Нюансите на поставяне на завършената конструкция
Има три основни начина за поставяне на конструкция: вътре, отвън или в гараж. Всяка от опциите има свои характерни черти.
Настаняване в къщата
Ако домашен газов котел за отопление и отопление трябва да бъде разположен вътре в къщата, ще трябва да отделите отделна стая за него. Помещението трябва да е сухо, със стабилна температура и ниска влажност. Котелът трябва да бъде свободно достъпен. Инсталирана е естествена или принудителна система за циркулация на въздуха. За работата на автоматиката се подава електрически ток. Повечето съвременни търговски обекти имат вградено заземяване, така че няма нужда да създавате отделен такъв.
Поставяне на котела извън къщата
Ако вътре в къщата няма достатъчно място за местоположението на котела, той се поставя в удължение. Основни изисквания към помещенията:
- Площта на помещението е най-малко 5 кв. м.
- Стабилната температура е над +7 ᵒС. За да направите това, ще трябва да изолирате удължението.
- Сградата изисква електричество и електрически контакт.
Всички тръби, водещи и излизащи от охлаждащата течност, трябва да бъдат изолирани. В противен случай значително количество енергия ще бъде загубено през зимата по време на транспортиране от разширението до къщата.
Поставяне на котела в гаража
Ако не е възможно да се постави стая за котел вътре в гаража, препоръчително е да се изгради разширение. Гаражът съдържа голямо количество въглероден диоксид, отделен при работа на автомобила, котелът увеличава концентрацията си, което представлява опасност за здравето.
При изтичане на газ в гаража може да възникне пожар поради изпарения на бензин, контейнери с масло и други горива и смазки. Ето защо поставянето на домашно оборудване в тази стая е нежелателно.





