Какво е схематична диаграма
Можете да прочетете академичната дефиниция на схематична диаграма в Уикипедия, тук ще ви напомня:
Схематична диаграма е чертеж, направен с помощта на конвенционални символи и показващ взаимодействието на елементи на устройство или сглобяем блок, без тяхното физическо местоположение.
Основната цел на схематичната диаграма е да покаже как са свързани инсталационните елементи и в каква последователност.
Обозначенията на нормативни схематични диаграми се извършват по конвенции, съгласно документите на GOST. За отопление това са ГОСТ 21.609-83, ГОСТ 21-606-95: Стандарти за изпълнение на чертежи на топлинно оборудване в сграда.
Струва си да се отбележи, че за отоплителни системи в мрежата можете да намерите много визуални схематични диаграми, където вместо нормативни символи се използват снимки, показващи елементите на отоплителната система.
Какво е пещ
В тази статия ще ви покажа основна схема на пещ, така че не боли да си спомните каква е тя.
Пещта на частна къща е стая, разположена вътре в къща или пристройка, в която е планирано и ще бъде поставено оборудването на отоплителната система на къщата, а именно един или два отоплителни котла с капацитет не повече от 100 kW, всеки.
Помещенията за пещта изискват специална подготовка. За тях се нормализират размерът, местоположението, вентилацията и други параметри, които трябва да се спазват. Прочетете повече тук.
Чертеж на отоплителната система на частно домакинство
В процеса на изпълнение на чертежа на отоплителната система трябва да бъдат изтеглени всички монтажни единици и отделни елементи. Предпоставка трябва да бъде задаването на точни размери с приемлива степен на грешка.
На чертежа трябва да бъдат посочени диаметрите на всички тръбопроводи, които ще участват в отоплителната система. В идеалния случай чертежът на отоплителната система на частна къща се извършва от един дизайнер, а след това работата му се проверява от друг специалист и се одобрява от главния инженер или ръководителя на компанията.
Ако инспекторът обърне внимание на дефектите на чертежа, последният се изпраща за преразглеждане, тъй като не трябва да има грешки в отоплителните системи. Внимателно изпълнените схематични схеми на отоплителни системи с топла вода съдържат секции и планове, които са ясно изпълнени с всички размери и обозначения, така че работниците да могат да контролират процеса на сглобяване съгласно приложения чертеж.
Всички символи на отоплителната система са прикрепени директно към чертежа и са дешифрирани в спецификацията или в техническото приложение. Всички разстояния са маркирани в зоните, където са положени тръбопроводи и са монтирани отоплителни радиатори, напречни сечения на фугите и клоните.

Схематична диаграма като част от проект на къща
Изграждането на частна къща, която ние наричаме правилна, трябва да се извършва съгласно проекта. Няма значение какъв проект ще бъде, готов с модификации или индивидуален, основното, което трябва да бъде.
Неразделна част от проекта на къщата е инженерната част. Той включва чертежи за цялото инженерно оборудване и инженерни мрежи в и извън къщата. Отоплителната част на проекта се нарича Чертежи на цеха за отопление и вентилация. Набор от чертежи на OV се състои от следните листове (например):
- Схема на отоплителната система;
- Схеми за отопление с радиатори и / или топли подове;
- Свързващи колекторни шкафове;
- Схематична диаграма на пещта.
Както можете да видите, схематичната диаграма на пещта е включена в комплекта от работни чертежи на OV.
Технологична карта на отоплителната система
Професионално изготвената схема на отоплителната система ще бъде отлична помощ за занаятчиите, които ще се занимават с тръбни връзки и монтаж на отоплително оборудване.
За да е безопасна отоплителната система, е необходимо да се предвиди създаването на ефективна вентилационна система, способна да отстранява продуктите от горенето и да поддържа оптимален въздухообмен. Ако системата се принуждава, тогава обозначенията ще бъдат както следва:
- Компенсаторът е обозначен с буквата К,
- Основни щрангове на отоплителната система GST,
- GW хоризонтален клон,
- Всички останали щрангове на отоплителната система Чл.
Когато чертежите на отоплителната система се извършват професионално в специални програми, тогава рязането в най-важните области трябва да бъде предпоставка. В допълнение, схемата на потока за отоплителната система задължително трябва да се извърши в мащаб и в най-четливата версия.
Ако някои от фугите са твърде малки, се прави допълнително описание в по-голям мащаб, за да могат работниците по инсталацията да обърнат внимание на всички характеристики на монтажа.


Символи на схемите за отопление
За разлика от схемите за визуално отопление, при които обозначенията са повече или по-малко ясни, в правилната схематична схема обозначенията изискват обяснение. Можете да ги намерите в GOST 21.205-93 SPDS: Символи на елементи на санитарни системи. По-долу има 9 карти със символи на чертежите на отоплителни системи.
Символи на резервоари и помпи


Символи на клапаните


Символи на крана


Символи за шофиране


Символи на тръбите


Легенда за указания за шофиране


Символи на тръбопроводи


Обозначения на електрически схеми. Главна информация.
Здравейте скъпи приятели. В тази статия ще анализираме обозначенията на електрическите схеми. Четенето на електрически вериги е изключително важно умение на специалисти по измервателна техника и автоматизация, електротехници, електротехници, дизайнери на електрически устройства, схеми и мрежи. Независимо от това, за човек без специално обучение често дори най-простата електрическа верига (особено нейните елементи) е напълно неразбираем продукт от нечия професионална дейност.
Обозначенията на електрическите схеми имат дълга история - още през съветската епоха развитието на приборостроенето и електротехниката е едно от военно-стратегическите направления и на него се отдава голямо значение. В тази връзка се изискваше единно разбиране на значението на елементите на веригата. Поради това беше необходимо да се създаде единно графично обозначение на електрическите елементи, правила за съставяне на електрически вериги. Тази работа беше извършена от Държавния комитет по стандартизация на СССР в рамките на Единната система за проектна документация (ESKD) и GOST.
В рамките на тази статия е невъзможно да се разгледат всички тънкости на обозначенията, правилата, принципите за изграждане на електрически вериги, тъй като GOST е доста обемен документ с изобилие от графични обозначения и бележки.
Електрическо окабеляване в чертежи
Електрическото окабеляване е общ термин, който се отнася до проводници с ниско съпротивление, които прехвърлят електрически ток от един елемент на веригата към друг, например от източник към потребител или от трансформатор към превключвател с по-нататъшно разпределение. Това е най-примитивното обяснение, тъй като има голям брой видове електрически кабели. В главата на неспециалиста веднага се ражда изображение на проводници с полимерна изолация, които отиват към превключвателя от някъде от стената.
Колкото и странно да изглежда, но медните релси на плочата от текстолит също са опция за електрическо окабеляване. Както и електропроводи с високо напрежение. В диаграмите обозначаването на електрически проводници най-често се извършва под формата на линия, водеща от един елемент на веригата към друг.
Строго погледнато, GOST предлага обозначенията на проводниците да бъдат разделени на групи:
- електрически връзки
- жици
- кабели
Терминът "план за окабеляване" не е напълно правилна терминологична единица, тъй като "окабеляване" в този случай трябва да се разбира не само самите проводници, но и кабелите. Ако приемем този термин като обозначение на електрическите схеми на елементи, тогава списъкът ще се разшири до изолатори, трансформатори, защитни и заземяващи устройства и т.н.
Относно контактите
На всички е добре известно, че гнездото е щепселно устройство, предназначено за не-твърдо (с възможност за ръчно изключване) свързване на електрическа мрежа (верига) с приемник или управляващо устройство. Графичното представяне на изхода на диаграмата се управлява от GOST, който установява правилата за изобразяване на устройства и устройства за вътрешно осветление и консумация на енергия.
Гнездата са разделени на групи:
- за отворен монтаж
- за скрит монтаж
- блокове с ключ и контакт
Във всяка група има подвидове в зависимост от полярността и наличието на защитен контакт:
- еднополюсен
- биполярен
- биполярен със защитен контакт
- триполюсен
- триполюсен със защитен контакт
Относно превключвателите
Превключвателите са устройства за прекъсване на участък от електрическа верига в ръчен или автоматичен режим. Подобно на контактите на електрическата верига, ключовете (заедно с ключове) се обозначават в зависимост от техните работни параметри и дизайн, както и степента на защита.
Дизайн на превключватели:
- еднополюсен
- еднополюсен двоен
- еднополюсна тройна
- биполярен
- триполюсен
Обозначението на превключвателя на електрическата схема също се регулира от GOST, който определя правилата за изобразяване на устройства и устройства за вътрешно осветление и консумация на енергия.
Защитни устройства
Защитните устройства включват редица устройства за многократна употреба и за еднократна употреба, които са напълно различни по дизайн, области на приложение, скорост на реакция, надеждност, условия на работа, както и отчитане на много други параметри.
Например, всеки добре знае предпазители в електронните домакински уреди, стопяеми еднократни щепсели в старите разпределителни табла на апартаменти. Прекъсвачите от различен тип и дизайн също са добре известни. Автоматичните прекъсвачи, отводители и други защитни устройства са по-малко известни на широк кръг хора.
Основната функция на всички защитни устройства е принудително прекъсване на участък от електрическата верига с внезапно увеличаване на текущото натоварване или с внезапно положително напрежение Обозначенията на други видове устройства за защита от претоварване на веригата се регулират от други нормативни и технически документи.
Относно заземяването
Заземяването е такова свързване на проводящите части на електрическо устройство или електрическа машина (от друга конструкция) със земята, което има отрицателен потенциал, при което евентуално повреда на корпуса няма да причини разрушаване или риск от токов удар чрез отклоняване на това заредете на земята.
GOST разграничава следните видове графично представяне на този вид защита:
- заземяване (общо обозначение)
- безшумно заземяване (чисто)
- защитна земя
- електрическа връзка към корпуса (маса)
В резултат на това, освен че обозначението на заземяването на електрически вериги съответства на основния начин за изчертаване на този елемент, чертежът на заземяването е от голямо значение, в зависимост от устройството или участъка на веригата, където заземяването се използва. Важен момент при обозначаването на елементи на електрическите вериги е размерът на тези елементи, както и правилата и последователността за изчертаване на различни секции на електрическата верига.
Например техните собствени характеристики са посочени върху електрическите вериги на елементите на електронните устройства, устройствата, работещи с логически сигнали и т.н.
Нека продължим темата за условните графични изображения на електрически елементи върху диаграми, чертежи и планове. По-горе обсъдихме общите моменти. Сега ще дадем визуални изображения на такива елементи като контакти, ключове, електрически табла и много други.
Обозначения на електрическите кабели и връзки


Обозначения за контакти и връзки за контакти


Забележка:
- Обозначението за самовъзвръщане (или неговото отсъствие) се използва само когато е необходимо специално да се подчертае наличието на такава функция в контактния възел.
- Забавянето настъпва при движение в посока от ръба на дъгата към центъра му. Обозначението на забавителя може да бъде изобразено от противоположната страна на обозначението на движещия се контакт.
- Това обозначение на контакта се използва, когато релето е показано в разреден режим.
- Връзката е пин разглобяема, коаксиална (високочестотна).
Обозначение на различни ключове


Забележка:
- Превключвателите с бутони се самовъзстановяват, с изключение на тези, обозначени като несамовъзстановяващи се.
Обозначения на ключове, ключове и отводи


Обозначение на източници на светлина и осветителни устройства


Забележка:
За обозначаване на типа лампи се използват буквени обозначения:
- EL - електролуминесцентен
- FL - флуоресцентен.
Буквено-цифрови обозначения на клеми и проводници
Щипки.
Терминал за свързване на променливотоково устройство:
- U - 1-ва фаза
- V - 2-ра фаза
- W - 3-та фаза
- N - неутрален проводник
- PE - защитен проводник
- E - проводник за заземяване
- TE - безшумен заземителен проводник
- MM - заземяващ проводник (тяло)
- CC - еквипотенциален проводник.
Кабели.
Променлив ток - обозначение на проводника:
- L - общо обозначение на фазовия проводник
- L1 - 1-ва фаза
- L2 - 2-ра фаза
- L3 - 3-та фаза
- N - неутрален проводник (работна нула).
Постоянен ток - обозначение на проводника:
- L + - положителен полюс
- L- - отрицателен полюс
- M - среден проводник.
Други:
- PE - защитен проводник със заземяване
- PU - незаземен защитен проводник
- PEN - комбиниран защитен и неутрален проводник
- E - проводник за заземяване
- TE - безшумен заземителен проводник
- MM - заземяващ проводник (тяло)
- CC - еквипотенциален проводник.
Цветово кодиране на електрическите кабели
Обозначение на фазовия проводник (L) - цвят на изолацията:
Бяло, червено, кафяво, черно, оранжево, сиво, лилаво, тюркоазено, розово.
Обозначение на неутрални и защитни проводници:
- Син цвят - неутрален проводник (N), среден проводник (постоянен ток)
- Жълто-зелен цвят - заземителни, защитни и неутрални защитни проводници (PE)
- Жълто-зелен цвят със сини марки в краищата - комбинирани нулев и защитен проводник (PEN).
По време на инсталацията в краищата на линията се поставят сини знаци.
Функционално разпределение на проводници според цветното кодиране.
- Черен цвят - проводници на силови вериги
- Червен цвят - проводници на управляващи, сигнални и измервателни вериги
- Синьо - проводници на управляващи, сигнални и измервателни вериги за постоянен ток
- Син цвят - нулеви работещи проводници
- Комбинацията от жълт и зелен цвят - защитни и заземяващи проводници.
Ще се радваме, ако се абонирате за нашия блог!
[wysija_form id = "1"]
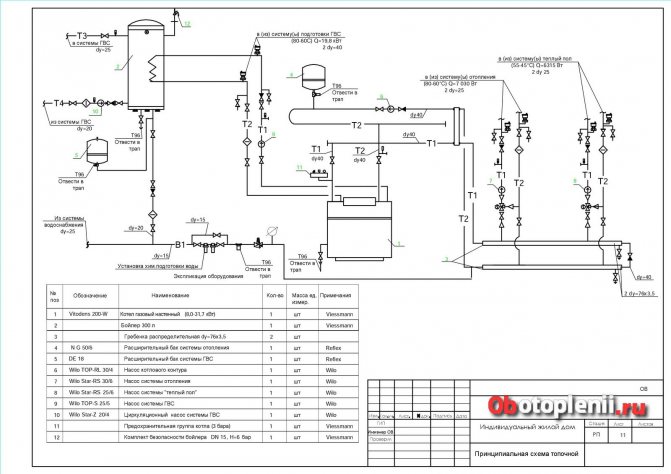
Схематична диаграма на пещта - пример
Предлагам да видя пример, диаграма на пещта от завършен проект на частна къща, с площ около 350 метра.


В този пример на основна схема на пещ се използва монтиран на стена газов котел, като най-популярният тип отоплителен котел. Подобни стенни газови котли се използват в къщи до 300 кв. метра, мощността на котлите е малка, от 30-50 kW. Конструкцията на монтирания на стена газов котел е много компактна и включва всички необходими елементи. Поради това монтираните на стена газови котли често се наричат мини котелни помещения.
Описание на веригата
Тази схема използва двуконтурен стенен газов котел на Viesmann (1), с мощност 8,0-31,7 kW. В допълнение към отоплителната система схемата предвижда система за БГВ (2) (котел на същата фирма за 300 литра) и отоплителна система с топъл под.
В системи за отопление и топла вода се използват разширителни резервоари (4), (5) от Reflex. За подобряване на циркулацията в системите се предлагат помпи Wilo:
- Котелна верига помпа (6);
- Помпа на отоплителната система (7);
- Помпа на системата за подово отопление (8);
- Помпа за БГВ (9) и циркулационна помпа (10).
Особено внимание трябва да се обърне на два разпределителни колектора dу = 76 × 3,5 (съгласно схема 3).
За безопасност има две групи на Vissmann:
Група за безопасност на котела 3 бара (11);
Комплект за безопасност на котела (12) DN15, H = 6 бара.
Всички елементи на схемата са подробно описани в спецификацията за веригата.

