Движението на въздушните потоци в димоотводните канали е подчинено на законите на физиката, но с помощта на някои устройства можете да регулирате силата на тягата. Едно от тези устройства е амортисьор на врата - задължителен атрибут на печка за дома или сауната.
Нека да разберем какви видове клапани има и дали е възможно да се изгради порта за комина със собствените си ръце, ако няма фабричен аналог под ръка.
Функции, предназначение и характеристики
Порта е преграда, която се намира вътре в комина. Той повтаря формата и площта на своето напречно сечение и, когато е затворен, почти напълно го припокрива. Промяната на позицията на портата ви позволява да увеличите или намалите отвора на тръбата на комина, увеличавайки или отслабвайки въздушния поток. С помощта на амортисьора можете да спрете движението на въздуха след запалване на печката.
Плъзгащата врата е тънка метална плоча, която се регулира ръчно с помощта на специален копче. Последният е разположен извън тръбата на комина, така че потребителят може ръчно да регулира позицията на плочата.
В зависимост от конструкцията и вида на амортисьора, той се монтира с помощта на специална метална рамка или се вкарва в тръбата и се фиксира с аксиален прът.
Амортисьорът на комина изпълнява следните функции:
- увеличава сцеплението при трудни метеорологични условия;
- увеличава интензивността на горенето в пещта чрез увеличаване на потока на кислород;
- намалява сцеплението, когато има силен бръмч в комина по време на силен вятър;
- спестява гориво чрез намаляване на интензивността на горенето;
- предотвратява изтичането на топлина, след като нагревателят се загрее.
Шибер: какво е това?
Портата е проста по отношение на дизайнерските характеристики, но много важно устройство, което е амортисьор за комин. Такъв амортисьор затваря определен участък от комина, за да осигури пожарна безопасност.
Клапата контролира въздушния поток и силата на пламъка по време на изгарянето на горивото. Когато горивото е изгоряло и печката или друго отоплително устройство е горещо, клапанът е затворен, така че топлината да остане в помещението и да не излиза през комина.
Съвет! Когато нагревателят се нагрее, клапата трябва да е отворена. Веднага след като процесът на изгаряне в отделението за гориво приключи, той трябва да се натисне, така че топлината да остане в помещението и да не излиза през комина навън.
Устройството, което е станало обект на нашия разговор, трябва задължително да бъде инсталирано на всички нагревателни устройства, без да се броят тези, при които тяговата сила се регулира чрез специална автоматизация (което означава използването на дефлектор и стабилизатор на теглото).
Характеристики на монтаж на затварящи клапани
Структурно портата е заключващо устройство с регулируем вентил. Благодарение на изместването на клапана се регулира движението на газовете в комина. Може да се монтира в кръгли, квадратни и правоъгълни комини. Това е метална плоча, която се движи вътре в димния канал по определен начин.

Клапаните на вратите могат да бъдат два вида:
- Прибиращ се. Движи се напред и назад в една и съща равнина.
- Въртене. Регулира достъпа на въздух чрез завъртане около оста си.
Освен това задвижващите клапани могат да бъдат ръчни и оборудвани с електрически задвижващ механизъм. Цената на последните е с порядък по-висока и те не се използват в комини.
За да инсталирате дроселната клапа, е необходимо да направите маркировки върху тръбата, за да пробиете отвори според заварената структура на клапана.
За да направите това, трябва да измерите тръбата с измервателна лента и да направите маркировки за бъдещи дупки. След като се уверите, че маркировките са симетрични, пробийте дупки за бъдещата въртяща се дръжка.
Монтажът на затвора на дросела е както следва:
- В тръбата на комина се вкарва стоманен демпферен кръг със заварена тръба.
- През пробитите отвори в тръбата се прокарва метален прът през малка тръба, чийто край е фиксиран с болт и гайка.
- Краят на пръта се сгъва с помощта на въртящи се клещи.
След това можете да инсталирате получената конструкция в тръбата на комина. За да направите това, първото парче тръба се поставя върху тръбата на пещта за отопление на пещта, върху която отгоре е монтирана конструкция с плъзгащ амортисьор. Следващото парче метална тръба се поставя на портата. Всички фуги са запечатани с течен силиконов уплътнител.
Инсталирането на прибираща се порта в тухлен комин се случва по време на процеса на зидария. За да направите това, след 6-8 реда тухли се полага слой циментова зидария, върху който се монтира телената рамка с отворената страна към изпълнителя. Резето трябва да се вкара в рамката и да се приведе в затворено състояние.
Отгоре рамката е покрита с хоросан и тухлата продължава да се полага по стандартната схема.
- Хоризонтална прибираща се порта. Плочата вътре в портата се простира, поради което се регулира площта на напречното сечение на комина. Обикновено този тип клапан се използва за монтаж в тухлени комини. Често на повърхността на плочата се правят малки отвори, така че дори в затворено положение на портата, тя да не блокира на 100% димния канал. Това е в съответствие с разпоредбите за пожарна безопасност. Предимството на този тип устройства е лекотата на инсталиране.
- Въртяща се порта. Нарича се още „дроселен клапан”, който представлява метална плоча, прикрепена към въртящ се вал. Оста от своя страна е монтирана вътре в тръбата на комина. Това устройство има сменяем въртящ се диск, но при продължителна употреба може да стане неизползваем. Схемата на въртящия механизъм обаче ви позволява да го поправите и замените сами. Предимството на този тип устройства е неговата лекота на използване. Този тип порта не изисква постоянно наблюдение от собственика на къщата.
Поради сложността на дизайна със собствените си ръце, въртящият се механизъм се използва по-рядко при полагане на камина или печка.
Дизайнът на портата е необходим за печки на дърва и отоплителни устройства, работещи на твърдо гориво.
Следователно за газов котел най-практичното решение би било инсталирането на въртящ се механизъм. Температурата на изходящите газове е по-ниска, отколкото при работа с твърдо гориво, поради което работата на такъв механизъм ще бъде най-удобна.
Клапан на изолирания комин
Но е по-добре да откажете да инсталирате въртящия се механизъм във ваната. Факт е, че той частично ще пропуска пара в затворена форма. И когато е отворен, такъв механизъм е труден за почистване.
Изработен от неръждаема стомана, плъзгащият механизъм няма да покрие напълно комина, но в същото време ще изключи възможността за изваждане на езици от пламък през пепелния съд в стаята.
Има три опции за инсталиране на портата.
- Инсталиране на амортисьор в камина. За това портата е монтирана на разстояние 1 метър от отоплителното устройство, което осигурява лесна работа.
- Опцията "тръба към тръба" включва комбиниране на портата с други елементи от отоплителната конструкция без допълнително използване на крепежни елементи.
- Монтаж на затворен вентил във вентилационна тръба. Но тази опция обикновено се използва за защита на двигателя на вентилатора от прегряване по време на работа.
Предлагаме ви да се запознаете с кадастралната регистрация на баня
Но дори и готовият комплект да е без този елемент, портата може лесно да бъде направена със собствените си ръце, като изберете най-оптималната версия на механизма за себе си.
Както всяко инженерно решение, портата има редица предимства и недостатъци.
Професионалисти:
- Възможност за контрол на сцеплението;
- Икономия на гориво;
- Клапите помагат за задържане на топлина.
Минуси:
- Устройствата затрудняват почистването на комини;
- Ако е монтиран неправилно, портата може да се вклини и да повлияе неблагоприятно на движението на газове;
- За правилна настройка е необходимо да имате определени познания в областта на димоотводните системи.
Прибиращият се амортисьор ви позволява да регулирате работната секция на комина, ротационният амортисьор само отваря или затваря тръбата. Разбира се, възможни са някои трикове - например фиксиране на прасето в междинно положение по различни начини, но фабричното оборудване не предвижда това. В допълнение, въртящият се затвор усложнява механичното почистване на тръбата.
Как да направите коминната порта със собствените си ръце
По-добре е да направите и инсталирате портата сами в процеса на полагане на камина или инсталиране на метален комин.


Можете също да го направите и инсталирате, ако стоманеният комин вече е инсталиран, но амортисьорът не е предвиден в него. В зависимост от диаметъра и формата на напречното сечение на комина, материала на изпълнение, е възможно да се направи прибиращ се и дроселен клапан.
Забележка! За тухлен комин е по-подходящ прибиращ се правоъгълен амортисьор на специален канал. За метална тръба можете да изберете всяка опция.
Инструкция за производство на прибираща се порта
За производството на обикновен плъзгащ амортисьор са необходими листове от поцинкована или неръждаема стомана с дебелина 2-2,5 мм. За направата на водачи по периметъра на комина ще е необходима жица с дебелина 6 мм.
Препоръчваме ви да се запознаете с: Сферичен кран от неръждаема стомана - критерии за избор и методи за монтаж


За да завършите работата, имате нужда от оборудване и инструменти:
- мелница или ножица за метал;
- шлифовъчен диск за ъглошлайфи;
- свредла и пили за метал;
- маркер за маркиране.
Препоръчително е цялата работа да се извършва на специален струг или настолна машина. Ако формата на комина е правоъгълна, можете да направите най-простия плъзгащ амортисьор, като просто отрежете парче стоманена ламарина с необходимия размер. Препоръчително е да заварявате дръжката или да пробивате малък отвор за по-лесно регулиране на портата.
Преди да започнем работа, измерваме площта и формата на участъка на комина, с маркер правим марки на лист картон в съответствие с тях. За да направим рамката, огъваме жицата под формата на буквата P, която съвпада по ширина и дължина с напречното сечение на комина. Изрязваме клапата според картонената шарка с мелница, обработваме ръбовете с шлифовъчен диск.
Важно! Ширината на телената рамка трябва да бъде с 2-3 мм по-голяма от плочата на затвора, така че амортисьорът да се движи свободно и да не се забива по време на термичното разширение на метала.
Инструкции за производство на дроселовата врата
Ще са необходими повече инструменти и време, за да се направи ротационен вентил. Най-често този тип порта се използва за метален комин за модерни камини и метални самостоятелни печки.
Набор от инструменти за работа:
- Български;
- пробивна машина;
- клещи;
- заваръчна машина;
- компас;
- рулетка;
- маркер за маркиране.
За да направите порта, ви е необходима стоманена ламарина с дебелина до 3 мм, неръждаема тръба с вътрешен диаметър 6 мм, крепежни елементи (болтове, гайки) 8 мм, метална пръчка.
- Първо измервайте вътрешния диаметър на димоотвода с компас.
- Според него нарисувайте кръг върху ламарина.
- Изрежете кръг с мелница.
- Поставете отрязания фрагмент в тръбата и проверете плътността. Ако е необходимо, преработете затвора с шлифовъчен диск.
- Поставете метална тръба с диаметър 6 см върху кръга в центъра и направете маркировки върху него, отстъпвайки по 3 мм от всяка страна на кръга.
- Отрежете тръбата с мелница.
- В получената тръбна секция пробийте резбите до 6,8 мм от двете страни.
- Пробийте отвори за заваряване в стоманения кръг (един - в центъра, два - 1 см от ръба от противоположните страни).
- Заварете тръбата с резба към стоманения кръг.
Препоръчваме ви да се запознаете с: Какво трябва да знаете, за да изградите навес от професионална тръба със собствените си ръце
Задвижващият вентил е готов, остава да го инсталирате в тръбата на комина.
Основните видове задвижки
Като основен регулатор на тягата вътре в комина, амортисьорът регулира изгарянето на горивото. За да се намали тягата и да се намали интензивността на пламъка в пещта, е достатъчно да се покрие задвижващият вентил. За да увеличите тягата, напротив, е необходимо да я отворите.
Всъщност портата е обикновена метална плоча, която ви позволява да регулирате тягата.
Може да се монтира както в едностенни котелни системи, така и в двустенни котелни системи.


Ако камината с печката не се използва, тогава през този период задвижващият вентил трябва да е в затворено положение.
По правило клапанът е монтиран в началния участък на комина (на първия метър), тъй като именно този участък остава неизолиран.
Но на участъка на добре изолиран комин, напротив, не се препоръчва да се монтира клапан. Особено когато става въпрос за двуконтурни тръби. Когато металът на вътрешната и външната тръба се разшири, задвижващият вентил може да се задръсти.
И така, основните задачи на затварящия клапан са:
- Функция на регулатора на тягата на комина.
- Частично припокриване на коминната секция.
- Регулатор на интензивността на горенето на пламъка в пещта.
Днес има два основни начина за инсталиране на порта на комина:
- Монтаж в камина. Тази опция за инсталиране предполага разположението на продукта на вратата в непосредствена близост до отоплителното оборудване. Като правило в този случай разстоянието от портата до нагревателя е 1 метър. Тази подредба е много удобна за регулиране на клапана.
- Връзка с други елементи на отоплителната система. В този случай няма нужда да се използват допълнителни фиксиращи елементи, така че тази опция е доста често срещана. Такава инсталация може да се нарече „тръба към тръба“.
Горните опции за използване на клапани за комини и вентилационни системи се използват навсякъде. Струва си да се отбележи, че днес можете да намерите огромно разнообразие от печки и камини, които се различават една от друга от конструктивна гледна точка. Подобно разнообразие от отоплителни устройства също повлиява на обхвата на амортисьорите.
- Монтаж на клапан в изолирана зона. Термичното разширение може да доведе до задръстване на амортисьора;
- Монтиране на чугунена част в метален комин (чугунът тежи много);
- Използване на твърде тънка стомана или неръждаема стомана с ниско съдържание на никел за производството на клапана. Такъв продукт бързо се деформира под въздействието на горещи газове и може да изгори;
- Монтаж на порта с неравна повърхност;
- Монтаж на клапан без отвор за отделяне на въглероден окис;
- Монтаж на дръжки, които не позволяват проследяване на положението на клапана (важи за въртящи се елементи).
Какво е?
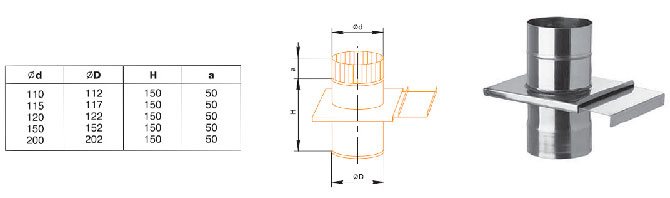
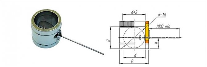
Портата е обикновен стоманен клапан, който се монтира в тръба вътре в помещението и се намира от камината (камина, печка) на разстояние до 1 метър. Портата е хоризонтална прибираща се система, която променя напречното сечение на комина. В допълнение към конвенционалните порти за печки, такъв затворен вентил е инсталиран в коминните системи на отоплителни котли с една стена.


Амортисьор с кръгла порта отляво и въртяща се врата отдясно
Клапан с инспекционен прозорец
Правилно изчисленият и инсталиран амортисьор ви позволява да използвате отоплителната система в помещението ефективно и с пълен капацитет. Експертите не препоръчват допълнително изолиране на тръбата, където се намира клапанът, тъй като това място е подложено на силно нагряване и поради което портата често се задръства. Такова устройство не е инсталирано на места, където се впръсква захранващият въздух. Дизайнът е идеален за печка или камина.
Има и друг тип амортисьор - по оста (въртящ се механизъм), разположен вътре в тръбата. Но едва ли може да се нарече пълноценна порта, тъй като напълно затваря тръбата, освен това има лоша репутация поради лошото си качество. Този тип клапан често изгаря заварените шевове. Зависи от производителя, най-добрата покупка е ротационен амортисьор от неръждаема стомана.


Портал за комин „направи си сам“
Има майстори, които са в състояние да направят фиксатор на дросела със собствените си ръце, като по този начин променят и фиксират позицията с помощта на верига. Такова устройство може да се използва за отопление с газ, което ще предпази от случайно изтичане на пламъка от фурната.
Съвети за избор на затворен вентил
Трябва да се помни, че правилният избор на такъв елемент като амортисьор на вратата ще повлияе в бъдеще не само на индикатора за тяга, но и на безопасността на отоплителната система, част от която е коминът. Монтажът на портата се извършва на всеки модел камини и печки, с изключение на най-модерните, в които има дефлектор.
Основните препоръки за избора на плъзгащи се врати за комуникация на димни газове са както следва:
- ако нагревателното устройство работи поради обработка на газ, по-добре е да закупите модел на ротационен клапан. Това се дължи на факта, че такива модели изключват възможността за пълно блокиране на коминния канал. По този начин отоплителната система ще бъде по-безопасна. Коминът, който отстранява продуктите от горенето от газовата печка, трябва да бъде затворен с поне 40 процента по време на работа;
- има отоплителни системи, които не функционират постоянно (периодично). Затвореният амортисьор, монтиран в такава отоплителна конструкция, като правило позволява преминаването на пара по време на доставката, а отвореният амортисьор допринася за образуването на голямо количество сажди върху тръбата, която се намира под плочата;
- Силно не се препоръчва използването на ротационни елементи за монтаж в комини на сауна.
Ротационното устройство е най-подходящият вариант за система, която консумира газ
Експертите препоръчват внимателно да измерите напречното сечение на коминния канал, преди да закупите продукт за порта. Може би това е основното нещо, което трябва да се направи преди закупуването на порта.
Предлагаме ви да се запознаете със зоната за барбекю със сауна и беседка
Има 3 опции за местоположението на амортисьора по отношение на комина:
- Поставяне в камината на камина или печка;
- Закрепване тръба към тръба;
- Монтаж във вентилационна тръба.
Помислете за първите 2 опции:
- Поставяне на клапана в пещта на пещта или в изхода
В този случай амортисьорът е разположен на височина не повече от 1 м от камината, върху неизолиран участък от тръбата. Това място е удобно за регулиране на клапата.
Приложим за метални комини. Тази опция за инсталиране не изисква допълнителни крепежни елементи. При закупуване на готова система клапанът трябва да се монтира стриктно в съответствие с инструкциите на производителя.
Регулирането на тягата с порта е доста просто. Чрез промяна на позицията в посока на увеличаване на пролуката, ние увеличаваме притока на въздух към огъня и пламъкът пламва по-силно. Намаляваме хлабината - тягата е намалена. Затворът се затваря, след като пламъкът напълно е угаснал - по този начин пещта се охлажда много по-бързо.
Какво представлява и за какво служи?
Има няколко стандартни опции за поставяне на порта. Вентилът е монтиран в камината на печка или камина. Тази подредба често се използва, тъй като.е удобен за регулиране на положението на плочата в тръбата. Устройството се вкарва в тръбата на височина не повече от 1 м от горната част на отоплителното отделение в зона, която не е изолирана.
Клапата е монтирана според принципа на една тръба в друга. Това се прави в случай на метален комин. Стандартно във фабричните системи, задвижващият вентил се доставя в комплект с тръби, инсталирането му не изисква допълнителни крепежни елементи. Продуктът е монтиран в съответствие с инструкциите на производителя.
За да се опрости работата на отоплението, са инсталирани препятствия пред топлия поток, за които е необходима порта в комина. Той изпълнява функциите:
- Частично или напълно пречи на прохода в тръбата, което прави възможно отварянето на изхода на дим от пещта или спирането на движението му навън. Когато фурната е изключена, стъргалото е в затворено положение.
- Клапанът регулира тягата в тръбата. Отворената плоча увеличава сцеплението, а затвореното положение позволява по-малко изтичане на въздух, което спестява дърва за огрев и въглища. Въздействието върху въздушния поток възниква в резултат на намаляване или увеличаване на напречното сечение на комина.
- С помощта на частта се променя интензивността на горенето в пещта - регулира се степента на отопление на помещението.
Възможно е да се отговори на въпроса какво представлява порта, като се разгледат положителните й аспекти. Клапата задържа топлината в камината или печката, когато е избрана правилната позиция, енергията на горивото се използва за отопление на вътрешността на помещението и не излиза навън. Икономията на гориво е важен фактор за собствениците на жилища. Резето регулира тягата, не гаси огъня в огнището.
Използването на порта при изграждането на димен канал има няколко недостатъка:
- След инсталирането на устройството е трудно да се почисти вътрешното пространство на тръбата от въглеродни отлагания и сажди, тъй като амортисьорът предотвратява преминаването на руфа.
- Портата се замърсява бързо и изисква периодична поддръжка. Горната му повърхност се охлажда от подавания външен въздух, а долната равнина се нагрява от горещи потоци от устието на пещта. Контактът на 2 различни температури води до появата на кондензационни капки, което допринася за бързото разрушаване на амортисьора.
- Неправилно монтираната порта създава много проблеми по време на употреба: тя се задръства, неотчетени топлинни потоци минават през левите прорези.
- За да инсталирате сами амортисьора, е необходимо минимално разбиране за това как работи портата.
Клапанът служи за различни периоди от време при променящи се работни условия. Срокът на употреба без повреда се влияе от вида на материала, използван за корпуса и плочата. Неръждаемата стомана с дебелина до 3 мм ще издържи 7-9 години без подмяна, чугунът ще издържи 12-14 години.
Гладък вентил от неръждаема стомана, полиран по време на производството, събира малко сажди, но се натрупва с течение на времето. Необходимо е периодично почистване на приспособлението, така че движещата се част да не се задръства. Антикорозионните смазки се използват за обработка на триещите се части на портата.


Порта от неръждаема стомана (Снимка: Instagram / ventilyciy.dumoxod.kondicioner)
Сортове Shiber
Прибиращ се
Плъзгаща се порта
Плъзгащата се порта се счита за най-удобната и надеждна за използване. Представлява гладка плоча с малък надлъжен отвор, движещ се по жлебовете в комина. Той е монтиран в хоризонтално положение, тяговата сила се регулира от движението на плочата, което намалява или увеличава напречното сечение на тръбата. Този тип клапан е предназначен за тухлени фурни, въпреки че може да се използва и в комини, изработени от стоманени тръби.
Порта с плоча
Въртяща се порта. Видима е плочата, която регулира сцеплението
Въртящата се порта е метална плоча с водач, заварен в центъра. Той се монтира вътре в комина, докато краят на водача трябва да се изведе навън. Тягата се регулира чрез завъртане на плочата около оста си.Този дизайн е по-малко надежден, тъй като с течение на времето заваръчното приспособление се разхлабва и капакът се отделя. Въртящата се порта се използва в стоманени комини.
Не по-малко важен е материалът, от който са направени клапаните.


Порти от чугун
Чугунът е много здрав и издръжлив материал, традиционно използван за производството на клапани за печки. Чугунената порта има само един недостатък - голямо тегло.
Чугунена порта за печки за сауна, камини
Чугунена порта
Неръждаема стомана
Висококачествен монтаж на стоманена порта
Неръждаемата стомана не се страхува от корозия, трае дълго време, тежи малко и не намалява ефективността на пещта. Гладката, полирана повърхност на пързалката от неръждаема стомана предотвратява натрупването на сажди за лесно почистване. Такива порти могат да бъдат от всякакъв дизайн и могат да бъдат инсталирани както в тухлени, така и в стоманени комини.
Стоманена порта в тухлена фурна
Как се прави домашна порта
Портата може не само да бъде инсталирана, но и проектирана от вас сами. Най-често такава необходимост възниква, когато се преоборудва старо отопление с печка. В къщата вече има комин, но дизайнът му не позволява избора на стандартен клапан.


Чертеж на порта
Тъй като по време на работа вентилът е изложен на агресивни ефекти от високи температури, кондензат и други отрицателни емисии от димни газове, неръждаемата стомана остава оптималният материал за неговото производство. Първо, трябва да заварявате рамка, в която ще бъде монтиран затворът. Ъгловите рамки с ширина на рафтовете 35–45 mm са подходящи за рамки.
По-нататък в рамката се пробива отвор за оста. За прави шарнирни конструкции пробиването се извършва в центъра на успоредни части; за ъглово завъртане дупките се пробиват диагонално. Втулките от малки тръбни секции са заварени. Те трябва да бъдат разположени така, че оста да може да се върти свободно.
Самата амортисьорка се изрязва до необходимите размери от стоманена ламарина с дебелина 2-3 мм. Празната плоча се вкарва в рамката и се заварява към оста. Разстоянието между рамката и клапата трябва да бъде не повече от 1 mm. За да се задържи амортисьорът в напълно затворено положение, се заварява ограничител и към оста е прикрепен копчето за управление на портата.
Препоръчително е да се монтира дървен декоративен елемент върху дръжката. Той ще осигури не само визуална привлекателност, но и ще осигури безопасност, тъй като портата се нагрява много по време на нагряването на пещта.
Инсталационни характеристики
- Когато се монтира портата на етапа на зидария, рамката се поставя на височина 6-8 реда от основата на тръбата;
- Рамката трябва да е нивелирана, без да припокрива контура на комина;
- В комини от неръждаема стомана клапанът е монтиран по технология тръба към тръба. Необходимо е да се съобразят размерите му с диаметъра на канала;
- Важен нюанс - амортисьорът е монтиран на неизолирана секция на комина;
- Височината от камината до портата не трябва да надвишава 1м (за метални канали);
- Височината на тръбата от пода до клапана е -1,8-максимум 2м (за тухли);
- Клапата в каналите трябва да се движи свободно;
Инсталиране на порта в тухлен комин


Монтиран амортисьор на портата Клапанът на портата е оразмерен според диаметъра на комина, върху който ще бъде монтиран. Клапата се монтира в началния етап на комина.
- Положен е първият ред тухли за комина.
- В страничните тухли на втория ред се изрязват канали по дебелината на затварящия вентил.
- В предната тухла се изрязва проходен отвор, за да се побере дръжката на амортисьора.
- Не са необходими скоби за закрепване на портата, тя остава на място благодарение на плътно прилепване.


Тухлен комин с плъзгащ амортисьор
За монтаж се взема готова част от чугун или неръждаема стомана. Жлебовете в тухлите са направени с мелница с каменен кръг.След като инсталирате амортисьора, трябва да проверите комина, за да изключите появата на пукнатини. Ако се открият пропуски, те трябва да бъдат покрити с разтвор на шамотна глина.
Друг метод за монтаж е подходящ за дроселова клапа, нарича се тръба в тръба. Структура, представляваща фрагмент от тръба, се вкарва в комин със съответния диаметър.
Забележка! Инсталацията няма средства за закрепване, а самата част се задържа поради плътно прилепване към повърхността на канала.
Характеристики на порталната услуга
Портата, изработена от неръждаема стомана, обикновено е полирана до идеална гладкост. Сажди се утаяват лошо върху него, но все пак се утаяват. Следователно трябва периодично да се почиства.
Хоризонталният клапан може да се почисти просто като се издърпа максимално и се приложи специално решение. Въртящ се - почиства се през комина със специална пластмасова четка. Трябва също така да наблюдавате свободното движение на амортисьора по водачите. Разрешено е периодично да ги смазва с антикорозионно съединение.
Видове и дизайн
Плъзгащото устройство се влияе от различни фактори: температура, размери на тръбите, условия на потока. Конструкцията се основава на лист метал с различна дебелина, движещ се по шлицовия джоб, водещ ъгли.
В зависимост от основата, портите са затворени, прехвърлящи. Те служат за ограничаване на движението на въздушните потоци.
Съществува класификация на устройствата според принципа на действие, в зависимост от вида на задвижването: ръчно, пневматично, хидравлично, електрическо. Портите се предлагат с прав и наклонен дизайн. Първият вариант е класически амортисьор. Предназначен за системи за принудително подаване и изпускане на въздух.
Амортисьорът на комина се предлага в няколко версии.
Прибиращ се


Представлява кръгла или правоъгълна рамка с плоча. Плочата се разширява и прибира, като по този начин регулира напречното сечение на комина.
Тази опция се използва най-често с тухлени и керамични канали. За непълно запечатване и за да се избегне отравяне с въглероден окис, в плочата се прави малка дупка. Основното предимство на тази опция е лесна инсталация.
Ротационен или дроселен амортисьор (известен още като свиня) е плоча от стомана или чугун, въртяща се около оста. Оста - метален прът, заварен вътре в комина. Използва се в стоманени комини.
Предлагаме ви да се запознаете с Как да направите таван в парна баня със собствените си ръце, каква е допустимата височина на тавана в сауна, характеристики на изолацията на конструкцията, подробна снимка и видео
Различава се с по-малка надеждност - с времето закрепващото закрепване на плочата и оста отслабва. Трябва да откажете да инсталирате ротационен амортисьор във ваната - дори в затворена форма, този тип амортисьор частично пропуска пара.
Освен това портите се различават по материал (най-често срещаните са неръждаеми и чугунени) и по начина, по който се регулират.
Как работи портата
Структурно портата е заключващо устройство с регулируем вентил. Благодарение на изместването на клапана се регулира движението на газовете в комина. Може да се монтира в кръгли, квадратни и правоъгълни комини. Това е метална плоча, която се движи вътре в димния канал по определен начин.
Амортисьорите на вратите могат да бъдат два вида:
- Прибиращ се. Движи се напред и назад в една и съща равнина.
- Въртене. Регулира достъпа на въздух чрез завъртане около оста си.
В допълнение, задвижващите клапани могат да бъдат ръчни и оборудвани с електрически задвижващ механизъм. Цената на последните е с порядък по-висока и те не се използват в комини.



















