В отоплителните системи, където нагревателите и охладителите се използват в тръбните възли, има характерен тип фитинги - двупосочен клапан. Устройството бързо и точно регулира обемите на подаване и изтегляне на вода. Търси се в отоплителни, вентилационни и климатични системи. В днешно време двупосочните клапани, оборудвани с електрически задвижващ механизъм, които се управляват от специални сензори, са в голямо търсене. Това са надеждни и лесни за инсталиране устройства, конструктивните характеристики и разлики на които ще научим по-долу.

Двупосочен клапан
Предназначение и дизайн
Класическото оборудване на устройството е както следва:
- термостатичен клапан;
- термична глава с дистанционен сензор;
- клапан с термична глава;
- ограничаващ сензор, отчитащ температурата;
- метър;
- циркулационна помпа;
- воден филтър;
- възвратен клапан.
Устройствата за двупосочно регулиране се използват навсякъде, но много зависи от какъв материал са направени. Имайки предвид конструктивните характеристики, веднага ще направим резервация, че клапаните се предлагат с едно или две седалки. Използвайки втория тип, потоците на работната среда се регулират и затварят и се допускат значителни спадания на налягането, с които едноместният клапан не може да се справи. Самият клапан изглежда като отделна част с механично или електронно задвижване. Случва се, че не е осигурен допълнителен източник на енергия, поради което той се инсталира след инсталирането на устройството.
Предимства на двупосочен клапан:
- проста конструкция;
- лесен за инсталиране;
- не изисква човешко участие за ефективна работа;
- поддържаема;
- надежден;
- служи дълго време;
- запечатан;
- характеризира се с ниско хидравлично съпротивление;
- на разположение.
Обръщайки внимание на дизайна на елемента, ще изглежда, че той е подобен на стандартен клапан, но механизмите са значително различни. Например основният щепсел на клапан е стебло или топка. Тоест стъблото, което е в хоризонтално или вертикално положение, или топка, завъртяна около оста си на 90 градуса, е отговорно за ограничаване на потока вода. Устройството работи по проста схема - отваря се специален отвор и през него се транспортира течност. За да функционират тези структурни елементи, към клапана е свързан изпълнителен механизъм, който изисква електричество или сгъстен въздух. Самото задвижване е комбинирано с отделни устройства, които отчитат налягането в системата, температурата и други характеристики.


Дизайн на клапана
Обхват на приложение на двупосочни клапани
Двупосочните контролни клапани са монтирани в отделни и централни отоплителни точки. В допълнение към захранването с топлина се използват и клапани:
- във водоснабдителни мрежи;
- в климатични и захранващи вентилационни системи;
- в технологични тръбопроводи на петролни рафинерии, хранителни, нефтохимически и химически предприятия.
Работната среда за клапаните може да бъде вода, пара, маслени фракции, петролни продукти и други течности и газове.
Области на употреба
Както беше отбелязано по-горе, този тип регулиращ клапан се използва в отоплителни, вентилационни и климатични системи. Нека разгледаме отделно характеристиките на използването му във верига с "топъл под".
Ако в къщата е инсталиран котел, тогава неговата задача е да загрява водата и като правило температурата му е доста висока, подходяща за радиатори (от +75 до +95 градуса по Целзий).За системата "топъл под" такова отопление не е необходимо, тъй като санитарните стандарти регулират максимум +35 градуса по Целзий. Тази цифра е достатъчна, за да се разхождате удобно по пода. Ако температурата е по-висока, това не само ще създаде неудобства на жителите, но и ще повлияе отрицателно на финишното подово покритие. Например, линолеумът или ламинираният паркет лесно се деформират.
"Топъл под" е монтиран под замазката, освен това се използват различни подови материали. За това охлаждащата течност се загрява до +50 градуса по Целзий. Когато подовото отопление е директно свързано с котел или централизирана отоплителна система, получената температура е твърде висока. За да го спуснете на входа на веригата, е монтиран смесителен клапан за топъл под, с вече осигурен двупосочен или трипътен клапан. Както подсказва името, целта на такива фитинги е да смесват топла и студена вода, циркулираща по веригата. Тоест процесът на преминаване на течността се променя - за радиатора водата остава гореща и вече смесената, с по-ниска температура, навлиза в топлия под.


Инсталиран клапан
Видове трипътни клапани и особености на тяхната работа
На първо място, трипътните термични клапани се класифицират според тяхното предназначение за разделяне и смесване:
- В смесителния клапан 2 посоки работят, за да доставят топлоносител с различни температури (гореща и студена), а 1 посока извежда вече смесен поток от течност. Настройката на необходимите температурни параметри се извършва чрез регулиране на температурата и пропорциите на подаваните потоци.


- В разпределителния термоклапан 1 разклонителна тръба подава охлаждащата течност, а останалите 2 я разделят помежду си и я разпределят в различни посоки.
За ваша информация! При определени условия трипътният смесителен клапан може да работи в режим на разпределение.
Според метода на управление трипътните термични клапани са автономни, ръчни, термостатични и електрически. Последните две, като правило, работят в автоматичен режим.
Обикновените самостоятелни модели са оборудвани с термостатичен елемент, монтиран вътре в кутията с температура на изхода на охлаждащата течност, която вече е зададена фабрично. Тази стойност остава постоянна през целия експлоатационен живот.


| Самостоятелен смесителен трипътен клапан | |
| професионалисти | Минуси |
| Ниска цена | Необходимостта от избор на клапан за температурния режим на обратния поток на топлинния генератор |
| Контрол на температурния режим на охлаждащата течност | Невъзможно е да се промени температурата, зададена от производителя |
За ръчно управление стеблото е снабдено с клапан или въртящ се копче и контролен панел с маркировки, в съответствие с които се регулира термичният режим.


| Ръчен смесителен клапан | |
| професионалисти | Минуси |
| Относително ниска цена | Необходимостта от постоянно наблюдение от дадено лице, в резултат на това, продължителен характер на реакцията на промените в условията на околната среда |
| Контрол на температурния режим на охлаждащата течност | |
| Възможност за промяна на температурния режим по време на работа | Неравномерно нагряване на отоплителния кръг |
Трипътният термостатичен вентил с термостат е снабден с термостат, напълнен с течна или газова среда, която реагира на най-малките колебания в температурата на охлаждащата течност.
Веднага след като охлаждащата течност се нагрее до зададената температура, поради разширяването на реагента, буталната система на термичния клапан се активира автоматично и разклонителната тръба с горещи потоци се затваря.
Трипътните клапани с термостат могат да бъдат механични или електронни. Предимството на механичните модели е тяхната абсолютна автономност. Електронните изискват връзка към електрическата мрежа или се захранват от батерии.
Този недостатък обаче се изглажда от пълната автоматизация на процеса, лекота на настройка и разширена функционалност - автоматична промяна на температурния режим по време на деня, дни от седмицата и т.н.


| Трипътен смесителен клапан с термостат | |
| професионалисти | Минуси |
| Автоматично управление на температурния режим на охлаждащата течност | Висока цена |
| Способността за промяна на температурния режим | Изисква се изключително прецизна настройка, грешките в зададените параметри дават малка грешка в работата на системата |
| Равномерно нагряване на отоплителния кръг | |
Трипътните термоклапани с електрическо задвижване се управляват от електронен блок за управление, който работи на серво задвижване. Изходът на температурния режим на топлоносителя извън зададените стойности се фиксира от термостата, монтиран в модула, който сигнализира за това на контролера. Той предава команда към задвижването, регулирайки потока на студена или гореща охлаждаща течност в системата.
В този случай нито една от дюзите по правило не е напълно затворена и се регулира само обемът на доставения охладен и горещ топлоносител.


| Трипътен смесителен клапан с електрическо задвижване | |
| професионалисти | Минуси |
| Автоматично управление на температурния режим на охлаждащата течност | Висока цена |
| Възможност за промяна на температурния режим | Повишена консумация на енергия |
| Прецизно регулиране на температурата на потока на отоплителната среда | Увеличен разход на топлоносител |
| Равномерно нагряване на отоплителния кръг | |
От какви материали е направен
Изделия от чугун, месинг и стомана вече са често срещани. Например фитингите от чугун и стомана се монтират в тръбопроводни системи с голям поток от вода или пара. Месинговите клапани често се намират във вентилационните системи. Основното им предимство е компактният им размер, така че елементът е монтиран дори в малки помещения с ограничен разход на вода.
Препоръчва се стоманен или чугунен контролен клапан. Често се срещат стоманени изделия, които са толкова здрави, колкото техните чугунени аналози, но много по-евтини. При избора на материал се вземат предвид характеристиките на налягането в системата и размерите на самия клапан.


Стоманен клапан
Видове регулиращи клапани
Фитингите се различават по няколко начина.
В зависимост от конструктивните характеристики се разграничават 2 вида:
- проходен - в тях дюзите имат противоположното местоположение;
- ъглови - разположени под ъгъл от 90 градуса.
Обърнете внимание на начина на управление на клапана.
Според този параметър се разграничават 3 вида:
- пневматични;
- хидравличен;
- оборудвани с електрическо задвижване.
Устройството за електрическо задвижване е електродвигател с малка мощност или прибиращи соленоиди. Разбира се, има продукти с ръчно управление, но те са по-трудни за работа, тъй като не позволяват задаването на точните параметри. Устройствата работят в електрическа мрежа с променлив ток 220 V или постоянен 24 V.
Някои преминаващи възли работят автономно, без захранване. Такива клапани се управляват и регулират посредством мембрана и противоположна пружина. Като обратна връзка се използва ход, по който охлаждащата течност се движи - той също насочва мембраната в правилната посока.
Какво дава двупосочният клапан:
- потреблението се регулира, ресурсите (водата) се разпределят и спестяват;
- по-икономичен разход на топлина;
- оборудването и мрежите са защитени от спада на налягането;
- Ако се използва правилно, клапанът ще удължи живота на свързаното оборудване и самата мрежа.
Устройствата са закрепени с фланци, резбовани или заварени. Един от подвидовете на резбовата връзка е щифтът, в който клапанът се завинтва в друго устройство.Когато инсталацията е заварена, се използват специални разклонителни тръби.
Отделно подчертаваме дистанционно управлявания вентил, който е най-лесен за работа. Такива устройства се допълват от електрически задвижвания или конзоли. Контролните зали получават всички текущи характеристики и параметри на системата. Дистанционно намалява, увеличава налягането или припокрива определени клонове на отоплителната мрежа.


Един вид двупосочен клапан
Устройството и принципът на действие на трипътния клапан
Дизайнът на трипътен термоклапан е подобен на тройник. От 3 страни има тръбни секции (дюзи):
- Две (директна и байпасна, на снимката по-нататък обозначени като А и В) са предназначени съответно за входящия или изходящия поток в режим на смесване или разделяне.
- Един (често срещан, на снимката - AB) - за изходящ или входящ (също в режим на смесване или отделяне на охлаждащата течност).
Вътре в кутията са разположени:
- Прът, който осигурява движение на механизма на затвора.
- Заключващ механизъм (затвор).
- 2 пръстена за закрепване на клапана (не се предлага при всички модели).
В зависимост от конкретната модификация, конструкцията на трипътния термостатичен вентил може да бъде допълнена с други елементи, необходими за пълната му работа.


Дизайнът на механизма на затвора предполага разделянето на трипътните клапани на 2 основни групи - седлови и ротационни, малко различни по своя принцип на действие. Освен това се прави разлика между смесителни и разделящи (разпределителни) термични клапани.
Трипътните глобулни клапани са оборудвани с въртящ се ствол с прикрепена към него сферична, плоча или цилиндричен клапан. Транслационното движение на стеблото активира механизма на затвора. Неговите функции:
- В режим на смесване, намирайки се в крайно горно положение, той блокира потока на течността от разклонителната тръба A, като едновременно с това отваря разклонителната тръба B. Като е в крайно долно положение, блокира потока на охлаждащата течност от разклонителната тръба Б, отваряне на разклонителната тръба А.
- В разделен режим най-горното положение на затвора води до затваряне на разклонителна тръба В и едновременно отваряне на разклонителна тръба А.


Трипътните ротационни клапани са оборудвани с 90 ° радиално въртене:
- В режим на смесване завъртането на стеблото наляво затваря отвор B, отваря потока на охлаждащата течност от отвор A. Завъртането на пръта надясно затваря отвор A и отваря отвор B.
- В режим на разделен поток най-лявата позиция пренасочва потока на носителя към порт A, а крайната дясна позиция към порта B.


На бележка! Общата разклонителна тръба AB не се припокрива в нито една от опциите, поради което се характеризира с постоянен хидравличен режим.
Схема на свързване
За подове с водно отопление вентилът най-често се монтира паралелно. За неговото изпълнение трябва да се използват 2 или 3 отоплителни кръга с циркулиращ топлоносител. Водоснабдяването и налягането се регулират от един или повече паралелно инсталирани клапани. При паралелно смесване на охлаждащата течност линиите за подово отопление трябва предварително да се разкачат.
Като правило контролните кранове се регулират независимо, ръчно, където се задава необходимия обем на преминалата вода.
Важно! Ако се използва паралелна верига, се препоръчва байпасът да се замени с байпасен клапан. Това се прави с цел намаляване на работното натоварване и спестяване на енергия, подавана към помпата.
Веригата има минус - охлаждащата течност, влизаща в веригата, ще бъде със същата температура като водата, напускаща обратната верига към котела. Поради това горещата вода се разпределя неравномерно по веригите.


Схема за монтаж на подово отопление
Правила за монтаж на трипътни клапани
За да не се измъчва потребителят от въпроса как правилно да инсталира трипътен термо-смесителен клапан, производителят предоставя на своите продукти внимателно разработени инструкции и прилага специални маркировки за всеки продукт, което помага за точното определяне на посока на потоците:
- Клонът, маркиран с буквата "А", така нареченият "прав ход", е проектиран да бъде свързан към тръба с гореща охлаждаща течност.
- Клонът с буквата "B" ("байпас") е свързан към тръбата за захранване с охладена вода.
- Клонът с маркировка "AB" (ход с постоянен хидравличен режим) е свързан към главната транспортна линия, предназначена за транспортиране на вече смесения топлоносител.
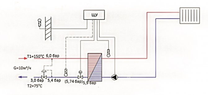
Място на трипътния клапан в отоплителния кръг
Като начало разгледайте общите схеми на свързване към отоплителния кръг. По опростен начин те могат да бъдат представени по следния начин:


Както може да се види от схемата, трипътни термични клапани могат да бъдат монтирани както на топлинния клон, идващ директно от котела, така и на обратния поток. Това обаче изобщо не означава, че абсолютно всеки клапан може да бъде монтиран по този начин. Възможностите на това или онова оборудване се определят от допустимия термичен режим, посочен от производителя в информационния лист.
По-долу има по-сложна схема, която ви позволява напълно да автоматизирате работата на отоплителната система:


Когато инсталирате, спазвайте следните правила:
- Преди да бъде монтиран клапанът: манометър, филтър, мембрана на дросела (шайба).
- След термичния клапан се монтира друг манометър.
- Пред клапана е желателно да се поддържа права тръбна секция, равна на 5 от нейните номинални диаметри; зад термичния вентил, дължината на прав участък трябва да бъде най-малко 10 номинални диаметъра на тръбата.
- В сложни вериги или ненужно дълги отоплителни тръби проблемът с ниското налягане се решава чрез инсталиране на циркулационна помпа.
- На хоризонтални секции самият клапан е поставен по такъв начин, че електрическият задвижващ механизъм, термостатичната вложка или термостатът да са разположени над него.
- Резбовите съединения се съединяват с помощта на ленено влакно, положено върху конеца на 2-3 слоя и уплътнител.
- По време на процеса на усукване избягвайте ненужните сили върху свързващите елементи; те нямат право да се разтягат, компресират или огъват.
Място на трипътен клапан във водоснабдителните системи
Представената по-долу схема за монтаж на трипътен клапан илюстрира принципа на неговото тръбопроводи с бойлер и възможности за монтаж в системи за водоснабдяване под налягане и без налягане:


Инсталационни характеристики
Самата процедура се свежда до факта, че вентилът е свързан с необходимите тръбопроводи. За да може арматурата да работи дълго време и без проблеми, връзката трябва да бъде правилно изпълнена, като се вземат предвид всички съвети и препоръки. Ако ви липсва опит, препоръчително е да се свържете със специалист. В противен случай отоплителната система няма да бъде толкова ефективна и икономична, колкото би трябвало да бъде.
Преди да продължите с инсталационната работа, обърнете внимание на двупосочния клапан - върху тялото му има външна или вътрешна резба, върху която се завинтва съединителната гайка (или фитинг) на тръбопровода. За надеждна връзка специалистите съветват увиването на конеца с уплътнител, който е подходящ за лента FUM.
Комплектът фитинги включва специални уплътнения, за да се осигури правилното ниво на херметичност. Ако не са налични, тогава ще трябва да бъдат закупени отделно, с подходяща дебелина и диаметър. Основната задача е да се осигури плътна връзка, без изкривявания на конеца, което ще предотврати възможни течове. Не са необходими специални инструменти и устройства.
Забележка! Двупосочните клапани не функционират при най-простите условия, а именно под въздействието на високи температури.Поради това резбовите връзки могат да загубят своята плътност, така че процедурата за свързване трябва да се извършва отговорно.
Експертен съвет:
- По време на монтажа се уверете, че в тръбопроводите няма сили.
- Преди да инсталирате елемента върху водопровода, последният трябва да бъде добре почистен, като се отстранят всички примеси. Те имат отрицателен ефект върху състоянието на уплътнителните материали, в резултат на което плътността на клапана е нарушена.
- С течение на времето устройството може да се наложи да бъде поправено или демонтирано, така че оставете достатъчно място около него.
- Внимателното инсталиране е важно. Ако се използва фланцова връзка, препоръчително е да затегнете съответните винтове последователно, за да избегнете вътрешно напрежение. При метода на монтаж с резба се използват регулиращи връзки, които ще направят възможно демонтирането на клапана в бъдеще.
- Ако е необходимо да се прочисти или промие цялата тръбопроводна система, клапанът се отстранява и на негово място се поставя адаптер.
Инсталирането е сложен процес и до голяма степен зависи от избраната схема. За да избегнете грешки, препоръчваме да поръчате услуга за монтаж на клапани от специалисти.


Клапан в отоплителната система
Как да изберем трипътен клапан
Обхватът на трипътните термо клапани е изключително широк. Как да изберем модел, така че да отговаря на техническите характеристики на системата за отопление на дома? Обърнете внимание на следните параметри:
- Типът на механизма на затвора е въртящ се или седловиден. Последният осигурява по-плътно прилягане на клапана и по-точно регулира налягането дори при високи температури и спада на налягането.
- Тип контрол. Той може да бъде автономен, ръчен, термостатичен и електрически. Електрическите сервомодели са най-подходящи за водно подово отопление.
- Обхват на употреба. Топло водоснабдяване, отопление - радиатор или подово отопление. За БГВ - разделителна, за отоплителни кръгове - смесване.
- Материал на клапана. Месинговите и медни фитинги издържат много по-дълго.
- Диаметърът на тръбите, към които ще бъде свързан термичният клапан.
- Метод на свързване - резбован или фланцов. За напречни сечения над 65 mm обикновено се монтират фланцови модели.
Освен това трябва да разчитате на данните от топлинното и хидравличното изчисление на отоплителния кръг и по-конкретно зоната, където се планира инсталирането на трипътния вентил:
- Налягане.
- Максималната температура на отоплителната среда на мястото, където е монтиран вентилът.
- Среден разход на вода (m³ на час).
Тези данни трябва задължително да съвпадат с маркировката на самия клапан или информацията в придружаващата документация за продукта.
На бележка! Трипътният термо-смесителен клапан не трябва да се бърка с подобен вентил. Въпреки сходния дизайн и принцип на действие, разликата в системата за управление е значителна. За сложни отоплителни системи е по-добре да използвате клапан, а за малки и възможно най-опростени кранове с ръчно управление е напълно подходящ.
Популярни производители на трипътни клапани
Сред многобройните производители на трипътни термични клапани бих откроил следните пет лидера. Те са специализирани в производството на инженерни водопроводни инсталации, термостатично оборудване и активно въвеждат най-новите енергийно ефективни технологии:
- ESBE (Швеция).
- IMI-HEIMEIER (холдинг, който включва 3 производствени комплекса).
- Данфосс (Германия).
- HERZ (Австрия).
- Валтек (Италия, Русия).
Valtec е специален проект за производство на различни инженерни санитарни изделия, адаптирани към руските реалности. Специален плюс е разумна цена и дълъг гаранционен срок за продукти.
Колко струват трипътните клапани
Цената на дадено устройство се състои от много аспекти - материалът, от който са направени, техническо оборудване, репутация на марката. Дали си струва да се плаща за това, зависи от вас.



