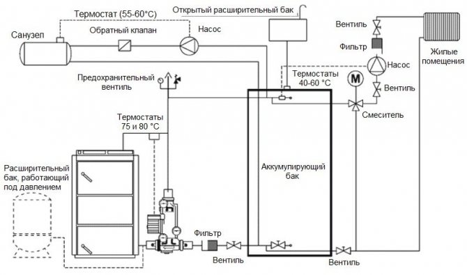
Дизайнерски характеристики и принцип на работа
Вътрешната част се използва като горивна камера. Проектиран е така, че изгарянето става отгоре надолу. Това се улеснява от специален приток на въздух директно в зоната на горене. Процесът напомня по-скоро на тлеене с производството на газове от въглеродни горива. В голяма степен тези газове са запалими. Поради тяхното доизгаряне в горната част на пещта се получава максимално използване на топлинна енергия, което прави възможно увеличаването на топлопреминаването и намаляването на разхода на гориво.
Камерата на котела е разделена на две части от разпределител на въздуха. Той има формата на тръба, към която в единия край е прикрепена подложка с остриета, а другият край служи за подаване на кислород.
Горещите котли се характеризират с циклична работа и докато не изгори първият раздел, добавянето на втора партида гориво няма да е необходимо.
Технически характеристики на котлите на твърдо гориво
Горещите котли се произвеждат с различна мощност от 8 до 95 kW. Някои модели могат да достигнат 1200 kW. Колкото по-висок е индикаторът, толкова по-ефективна е работата на уреда и толкова по-голяма площ може да бъде нагрята. Котлите с минимална мощност са предназначени за монтаж в малки къщи. Украински "Burany" с 40 kW са предназначени за отопление на големи къщи или складове.

Котел на твърдо гориво BURAN-EXTRA 1200
Материалите за котли са чугун или стомана. Чугунения топлообменник е по-траен, но поради голямото си тегло може да бъде трудно да се инсталира. Стоманените топлообменници са изработени от стомана с различни качества от нискокачествена до висококачествена, устойчива на високи температури. Освен това стоманените котли често са защитени от шамотни тухли.
Най-често топлите котли работят на дърва, но има модели, в които можете да подреждате въглища, торфени брикети, стърготини и други горива.
Ефективността на котлите е 85-93%. Според производителите времето за работа на устройството след едно зареждане на дърва за огрев е от 8 до 31 часа, а на въглища до 5 дни. Средно евтин котел произвежда топлина в рамките на 5-8 часа.
Температура на водата за нагряване 70 0 C за дърва и 85 0 C за въглища. Препоръчителната температура на входа е от 60 0 C. Отоплителната система може да бъде естествена или принудителна циркулация.
Изработване на котел за продължително изгаряне
За да направите инсталацията със собствените си ръце, ще ви трябва стомана St 20. Инсталацията, направена от нея, ще продължи поне 15 години. При по-голямо количество въглерод в стоманата материалът може да бъде горещо-горещ, така че не е подходящ за производство. Ако е възможно, можете да си купите топлоустойчива стомана, легирана с молибден или хром. От таблицата можете да разберете какви размери заготовки ще са необходими за производството на устройството.


Размери на заготовките
За да изрежете материала, най-добре е да отидете в работилница, в която има ножици за гилотина. В частите няма да има прорези, ще бъде спестено много време. Ще ви трябват и следните подробности:
- Равен ъгъл 50х4 мм. Ще е необходимо да се направят решетки.
- 2 тръби: DN50 и DN Първата за топлообменника и тръбите, към които ще бъдат свързани отоплителните системи. Вторият е за комина.
- Тръба 60х40 мм за канала.
- Стоманена лента 20х3 мм.
- Базалтова изолация.
- Писалки.
- Азбестов картон и шнур.
Ще ви трябват и инструменти за заваряване, рязане на метал и някои други, които се предлагат във всеки дом.


Вентилатор и блок за управление
Минният котел ще използва контролен блок, вентилатор, температурен сензор. Струва си да се намерят полски продукти, които много приличат на китайските, но се различават значително по качество на изработка и експлоатационен живот. Маркировка на контролния блок - KG Elektronik SP-05, вентилатор - DP-02.
Предимства и недостатъци на котлите на твърдо гориво за горно горене
Горещите котли осигуряват на потребителите топлина повече от 15 години. През това време те напълно потвърдиха своята ефективност, което се осигурява от следните фактори:
- когато горивото е заредено, разпределителят се издига нагоре и след запалване се опира на дървото и пада, когато изгаря;
- на мястото, където навлиза въздух, се получава непълно окисление на въглеводородите. Газ с пепелни частици се прехвърля в горната част на горивната камера. Там кислородът се присъединява към него, в резултат на което той изгаря и отделя останалата топлина;
- в началото на горивната камера за газ има регулатор на тяга. Той автоматично разпознава температурата на водата и регулира скоростта на изгаряне на летливи съединения.
Котлите имат следните предимства:
- дълго време на работа и минимален брой изтегляния;
- енергийна независимост поради работа с естествена циркулация и естествено течение;
- гъвкавостта на някои единици по отношение на горивото: въглища, дърва за огрев, стърготини, торф и др .;
- малко количество гориво е в състояние да осигури висока ефективност на работа;
- автоматизирана непрекъсната работа на котела за подаване на топла вода и топлина;
- липсата на сложни механизми прави работата на котела проста дори за начинаещи;
- високо ниво на сигурност;
- дълъг експлоатационен живот от 10-15 години или повече.


Горният котел за горене има високо ниво на безопасност
Недостатъци на котлите на твърдо гориво с горно натоварване:
- висока цена в сравнение с други инсталации;
- чувствителност към промени в температурата на топлообменника. Възможни са кондензация и окисляване на стоманени елементи;
- повишеното съдържание на пепел може да запуши зоната на горене и да намали нивото на топлопредаване;
- необходимо е редовно ръчно почистване на комина и пепелника;
- неудобно полагане на дърва за огрев поради конструктивни характеристики;
- не можете да зареждате голямо гориво, например не нарязани дърва за огрев;
- горивото трябва да е напълно сухо, така че трябва да помислите върху условията за неговото съхранение;
- непълното зареждане прави изпичането неудобно; камината е достатъчно дълбока;
- невъзможно е да се извърши допълнително натоварване, ако процесът вече работи;
- носещата греда и дискът, които служат като преграда между зоните на горене на твърдо гориво и газ, бързо отказват.
Както можете да видите, котлите за твърдо гориво за горно горене не са без недостатъци, следователно, преди да закупите такова устройство, внимателно претеглете плюсовете и минусите.
ПРИНЦИПНИ РАБОТИ И ПРЕГЛЕД НА ПРОИЗВОДИТЕЛИТЕ
В някои случаи котелът на твърдо гориво остава единственият практичен начин за отопление на частен ом. Класическите дизайни обаче имат един много неприятен недостатък, постоянно трябва да следите количеството гориво и да хвърляте дърва за огрев или въглища в пещта. Той се поколеба малко или се забави и охлаждащата течност започва да се охлажда.
Можете да развиете навик, да създадете твърд график, за да осигурите постоянно нагряване, или да изберете котел на твърдо гориво за продължително изгаряне, който по изключително лесен начин може да работи на един раздел до няколко дни.


Принцип на работа и устройство
Традиционно котлите на твърдо гориво, като печки и камини, използват активно изгаряне на дърва или въглища. Поради контролираното подаване на въздух беше възможно да се постигне максимален топлообмен и добро изгаряне на горивото. Въпреки това, активното горене твърде бързо използва целия обем гориво в пещта, от което постоянно е необходимо да се попълва количеството му.
При котлите на твърдо гориво за продължително изгаряне основната идея е да се забави процесът на горене на горивото. Ако свети само една част от отметката, общият обем ще бъде изразходван за много по-дълъг период от време.
Като пример е достатъчно да си припомним колко дълго кибрит гори, когато е повдигнат с пламък нагоре, и как бързо пламва и гори с пламък, спуснат надолу, докато изгаряте пръстите си. При дървесината и въглищата този принцип също важи.
Необходимо е да се ограничи зоната на горене на едно място на маркера и да се поддържа на минимално необходимото ниво, като се предотврати запалването на целия обем.
Котлите с продължително горене са оборудвани с обемна горивна камера, няколко пъти по-голяма от тази на конвенционалните конструкции. Дърва за огрев или въглища се пълнят до върха на камерата, оставяйки само малка празнина. Запалването се извършва от горната част на раздела.


Камерата е изолирана в долната част, въздушният поток се извършва само отгоре, ако котелът е с горно горене. След запалването на горивото целият кислород от камерата изгаря и всъщност дървата за огрев, разположени под зоната на горене, се запазват.
Подаването на въздух е контролирано и строго ограничено. В резултат дървото или тлее, или изгаря само в горната част на камерата.
За подаване на въздух се използва специален вентилатор на вентилатора, който е инсталиран вместо стандартна порта или в отделна седалка. Само чрез управление на вентилатора, процесът на горене на котела и подготовката на охлаждащата течност се контролират напълно, което значително опростява автоматизацията на работата на котлите на твърдо гориво.
По метода за локализиране на зоната на горене се отличават котлите:
- с горно горене;
- с дънно изгаряне (пиролиза).
Има фундаментална разлика между двете. Котлите с дълго изгаряне по дефиниция са с най-горещо изгаряне, което гарантира, че основният обем на отметката не се загрява. Долни котли са пиролизните котли. Въпреки че се открояват в хотелската група, те също са устройства с продължително изгаряне.
Когато дървото се нагрява над 300 ° C без активно изгаряне, започва разлагането на дървесината в пепел и пиролизен газ, изгаряйки който можете да получите повече топлинна енергия, отколкото при обикновено активно изгаряне, но с по-малка мощност.
Активното изгаряне дава значително по-висока топлинна мощност за единица време, отколкото горе или долу изгаряне на същия обем гориво. За да се получи необходимата мощност в котли с продължително горене, е необходимо да се увеличи площта на слабо изгаряне, да се увеличи количеството гориво, поставено в пещта.
Това има две основни предимства котли с дълго изгаряне:
- Постепенното изгаряне на горивото се контролира по-лесно и отметките продължават по-дълго време, освен това разликата е от порядък.
- Възможно е автоматично управление и регулиране на топлинната мощност на котела с постепенен разход на гориво.


Принципът на действие на пиролизния котел
В пиролизните котли камера е допълнително оборудвана за изгаряне на отделения газ. Подаването на въздух се извършва отделно от основната камера със запълване, поради което е възможно да се поддържа активно горене там с голяма топлинна мощност за единица време.
Котлите с дълго изгаряне с горно горене често не са оборудвани с решетки, тъй като не е необходимо да се подава въздух отдолу и е по-лесно да се отстрани пепелта с помощта на прибиращ се твърд тиган, освен това това трябва да се прави почти веднъж на няколко седмици, или дори месец.
Само комбинираните котли и пиролизните котли са оборудвани с решетки, в които освен дълго изгаряне можете да настроите обичайния класически режим на работа с пълно и равномерно изгаряне на отметката.
Вярно ли е, че изтеглянето е веднъж седмично?
Всъщност някои котли с продължително горене могат да работят до една седмица на едно зареждане с дърва или въглища.Това обаче се отнася главно за тежки агрегати с мощност от 150 kV и до няколко мегавата. Обикновеният котел за частна къща е по-често проектиран за непрекъсната работа на един раздел в продължение на 30-45 часа, т.е.до два дни.
Основният проблем е допустимият размер на горивната камера, като същевременно се поддържа адекватна управляемост на целия процес. Необходимо е да се избере компромисно решение между параметри като:
- обем на камерата;
- дълбочина на камерата;
- зона на горене;
- необходимата мощност на котела.
С увеличаване на обема на камерата за зареждане с гориво е необходимо да се увеличи зоната на горене, тъй като няма да работи, за да направи камерата тясна и висока. В този случай е трудно да се поддържа активен поток на въздуха към зоната на горене, когато той падне твърде ниско.


Възникват редица турбулентни потоци, които могат да разпространят изгарянето по целия обем и напълно да нарушат нормалната работа на котела.
Производителите на котли на първо място започват от необходимата топлинна мощност на котела и вече на тази основа размерите на горивната камера са избрани като компромисно решение.
Котлите, работещи с въглища, работят по-дълго на един раздел, отколкото на дърва. Например, ако котелът е проектиран да работи от един товар на въглища в продължение на 17 часа, тогава, когато дървата за полагане на дърва, най-вероятно ще работят само 14-15 часа, със същата настройка на топлинната мощност.
Двуконтурна или с водна верига за дома
Котлите за твърдо гориво за дълго изгаряне могат да бъдат оборудвани с един или два топлообменника за подготовка на охлаждащата течност за отоплителната система и захранването с топла вода. В същото време няма основни разлики от дизайна на конвенционалните китове на твърдо гориво. Веригите могат да бъдат комбинирани в един битермален топлообменник или разположени отделно една от друга.
Видът и конфигурацията на топлообменника се избират от производителя въз основа на размерите и формата на пещта, така че да се максимизира използването на топлинна енергия по предназначение.
Котлите с продължително горене работят на по-малък обем въздух и с по-ниска температура на изходящите продукти от горенето. Топлообменниците са направени с възможно най-голямата площ на топлообмен.
Предимството на котлите с продължително изгаряне е способността да се контролира и регулира топлинната мощност на горенето, само чрез регулиране на подаването на въздух, без оглед на количеството заредено гориво.
Ако в обикновените котли е необходимо да се ограничат порциите дърва за огрев или въглища и по-често да се правят отметки, за да се намали температурата на охлаждащата течност, тогава в котлите с продължително горене е достатъчно да се ограничи притока на въздух, така че дървата за огрев само тлее.
Украинско производство
Сред украинските производители следните компании се занимават с производството на котли с твърдо гориво с дълго изгаряне: Altep, Buran, Gefest-profi, KOTeko, NEYS, SWaG, Donterm.


Котел Altep KT-1E
Представени са частично собствени разработки, но поради по-големия опит на европейските производители моделите частично или изцяло повтарят успешните решения на западните партньори или се предлага лицензиран монтаж на базата на регионални заводи и предприятия.
| Марка и модел | Мощност | Тип горене | Гориво | Продължителност на работата | Цена, $ |
| Altep KT-1E 15-45 KW | 15 | Горно изгаряне | дърва за огрев / въглища | 8-24 часа | 950 |
| Буран-12 | 12 | Горно изгаряне | Дърва за огрев / въглища / брикети / отпадъци | до 30 часа | 975 |
| Буран -20 делукс | 20 | Горно изгаряне | Въглища / дърва за огрев / брикети | Въглища-12 дни, Дърва за огрев-48 ч Брикети - 72 ч | 1200 |
| SWaG 20 kW Dm | 20 | Горно изгаряне | Въглища / дърва за огрев / пелети | Въглища - до 5 дни. | 1050 |
| NEYS NEUS-B | 10-38 | Горно изгаряне | Въглища / дърва за огрев / пелети | 8-24 ч | 750-1200 |
| Donterm DTM KOT-10T | 10 | Горно изгаряне | Въглища / дърва за огрев / брикети | До 48 часа | 450 |
Руско производство
Котлите за твърдо гориво от руско производство са представени главно от редица марки, докато самото оборудване понякога се сглобява в същите производствени съоръжения.
Сред често срещаните марки: Phantom, Teplov, Bourgeois, F.BRRZh., Zota, Wester, Don, Sibenergoterm (Prometheus), Tepoldar (Cooper PRO), Buderus.


В почти всички случаи котлите с дълго изгаряне или пиролизните котли представляват ревизия на класическото оформление с увеличаване на пещта и преструктуриране на системата за подаване на въздух.
Модели като Prometheus или Zota обаче се отличават с уникален дизайн на топлообменника и системата за отвеждане на димните газове, фокусирани специално върху пиролизата на долното или горното горене на гориво.
| Марка и модел | мощност, kWt | Тип горене | Гориво | Продължителност на работата, h | Разходи, хиляди рубли |
| Буржоа-К Т-50А | 50 | Пиролиза / дърва за огрев | дърва за огрев | 6-12 | 138/149 едно верига / двойна верига |
| Буржоа-К Т-150А | 150 | Пиролиза / дърва за огрев | дърва за огрев | 6-12 | 315/336 едно верига / двойна верига |
| ZOTA “Carbon” | 15-60 | Долно изгаряне / въглища | въглища | 10-12 | 40-84 |
| Теплов Т10 | 10 | Пиролиза / дърва за огрев / въглища | дърва за огрев | до 12 | 40/44 едно верига / двойна верига |
| Теплов Т100 | 100 | Пиролиза / дърва за огрев / въглища | дърва за огрев | до 12 | 190/210 едно верига / двойна верига |
| Phantom Max 30a | 30 | Пиролиза | дърва за огрев | до 20 | 100 |
| Phantom Max 90 a | 90 | пиролиза | дърва за огрев | до 20 | 236 |
Котли Stropuva
Компанията Stropuva, създадена в Литва от 2000 г., се занимава с производството на котли с продължително горене и готови решения за автономни отоплителни системи с автоматично управление. Котли имат специфичен външен вид поради значително увеличения обем на горивната камераосвен това в по-голямата си част нагоре.
Формата на всеки модел е висок цилиндър, вътре в който са монтирани обемна камера, система за подаване на въздух и топлообменници за отоплителната и горещата вода. Дизайнът и принципът на работа на котлите Stropuva са патентовани, така че едва ли е възможно да се намери аналог, но на пазара вече можете да намерите много фалшификати, стъпвайки усилено върху характеристиките и качеството на оригиналите.
Котлите STROPUVA IDEAL са универсално решение за работа с дървесни, въглищни, горивни брикети. Основната характеристика е наличието на перфектна автоматизация, която ви позволява да зададете режимите на работа на отоплителното оборудване с висока точност. Тази линия обаче включва само модели с мощност 20 и 40 kW.


Котелно устройство Stropuva
Котлите STROPUVA са универсални - котли за изгаряне на почти всякакъв вид твърдо гориво от дървесни отпадъци до кокс и въглища. Частично автоматизирана, главно по отношение на поддържането на режим на продължително изгаряне. Моделната гама е представена от котли с мощност от 10 до 40 kW.
Котлите на дърва STROPUVA са просто решение в случаите, когато основният вид гориво по дефиниция е дървесината. Списъкът с модели започва с мощност от 7 kW, като отлично решение за малка селска къща или лятна вила.
Как да изберем
Основният критерий за избор на котел с дълго изгаряне е неговата номинална топлинна мощност, освен това при използване на основния вид гориво.
След това трябва да обърнете внимание на:
- обем на горивната камера;
- време на работа от един товар;
- версия и наличност на автоматизация;
- възможността за използване на други видове твърди горива;
- брой и характеристики на топлообменниците.
Не си струва да разчитате на натоварването с гориво, което ще продължи една седмица в котли, разположени за частна къща. Оптималният живот на батерията е от 17 до 45 часа, което е напълно подходящо за лична употреба.
udobnovdome.ru
Нюанси на горната система за управление на горивния котел
При котлите с продължително горене с горещо горене основният принцип на управление е регулирането на въздушните потоци, влизащи в горивната камера. Стандартните модули са оборудвани с механично устройство за това. Задвижваният от веригата амортисьор се задейства от термостат.
Термостатът в котела е настроен на определен температурен режим.Когато охлаждащата течност се загрее до желаното ниво, амортисьорът автоматично се настройва в определена позиция, намалявайки интензивността на отоплението. Невъзможно е драстично да се намали температурата, защото охлаждащата течност ще продължи да се нагрява по инерция, отоплявайки стаята.
Устройствата с вентилатори работят малко по-различно. Ако трябва да увеличите мощността на топлопредаването, това може да стане точно за сметка на вентилатора. Уредът ще продухва въздух. Благодарение на него е възможно да се намали инерцията на котела. Управлението се извършва автоматично и сензорите регистрират най-малките промени в температурата на охлаждащата течност.
Материали за сглобяване на шахтен тип котел
За да направите пиролиза от минен тип със собствените си ръце, трябва да подготвите:
- Стоманени листове, облицовани с дебелина 3-5 милиметра. Не трябва да използвате друг вид стомана, тъй като пиролизата се извършва при висока температура и конвенционалната сплав бързо ще изгори.
- Стоманена ламарина с дебелина от 1 до 2 милиметра.
- Шамотна тухла.
- Тръби с диаметър 25 и 135 милиметра.
- Ъгли 4х4 сантиметра или профилна тръба със същия размер.
- Врата с двойна пепел, за предпочитане с азбестово уплътнение.
- Клапан, предназначен за регулиране на подаването на въздух.
- Врата за почистване на камерата на топлообменника.
- Вентили за затваряне - 3 броя: единият е необходим за комина, вторият е поставен между камерите на преградата, а третият е необходим за регулиране на потока въздух в горивната камера.
- Базалтова вълна.
- Поцинкована ламарина.


Но преди да пазарувате строителни материали, трябва да изчислите минималната мощност на устройството. След това започват да разработват чертежите на това устройство.
Можете да използвате готови изчисления и схеми на котела. При избора на чертеж трябва да се обърне специално внимание на обема на горивното отделение. Колкото по-голяма е тази стойност, толкова по-продължително ще бъде горенето.
Преглед на най-добрите котли с най-високо ниво
В момента производството на котли на твърдо гориво се е разширило значително и много модели на чуждестранни и местни фирми са представени пред избора на потребителите. Нека да разгледаме най-добрите.
Стропува
Котлите на българската компания Stropuva са компактни агрегати с висока ефективност. Устройствата са оборудвани с вентилатор. Цилиндричното тяло има конструкция на вала. Устройствата се характеризират с отлична производителност, съчетана с отличен дизайн. Универсалните котли могат да се отопляват с дърва, торф или пресовани брикети. Мощността на моделите е 8-40 kW, отопляемата площ е 30-400 кв.м. Допустимото съдържание на влага в горивото може да достигне 45%, което напълно съответства на съвременните изисквания.
Лиепснеле
В Литва котлите с дълго изгаряне се произвеждат на твърдо гориво от универсален тип, т.е. работят на всякакъв вид гориво. Мощността на блоковете варира в диапазона от 10-40 kW, отопляемата площ е до 400 кв. М. Максималното време за работа за едно полагане на въглища е до 7 дни, за дърва за огрев - до 2 дни. Дизайнът на котлите е класически минен тип с горно горене. Котлите Liepsnele имат висока ефективност, не по-малка от 90%, независимо от вида на горивото и избора на режим на работа.
Седмица
Котлите са с правоъгълна форма, имат атрактивен дизайн и компактни размери. За по-пълно отстраняване на топлината са предвидени канали, през които преминават загрятите димни газове. Руски котли за горно горене, способни да работят на един товар от въглища до 7 дни.


Седмица на котела
Компанията Nedelka предлага четири варианта на котли с различна мощност, като се предполага отопление на помещения с различни размери: 50-250 кв.м., 150-400 кв.м., 400-800 кв.м., 800-2000 кв.м .
За отопление на вода в частна къща са разработени много дизайни на отоплителни устройства. Котлите за рудници се открояват с тяхната ефективност и ниска поддръжка.Тяхната цена е доста висока, така че много майстори повтарят фабрични модели у дома или ги правят по собствен дизайн.
Минен котел с продължително изгаряне се различава от останалите по продължителност на горенето и по характеристиките на устройството. Често не се изисква добавяне на гориво, той има голяма горивна камера и горенето е бавно. Разработени са два вида минни котли: с конвенционално горене и пиролиза. Всяка има подобно устройство от две камери: едната гори гориво, другата има топлообменник.
Минният котел с конвенционално горене е по-опростен по дизайн. Половината от целия обем е зает от горивна камера с височина на почти цялата единица, но с малка ширина и дълбочина. Отстрани или отгоре има люк за зареждане на гориво. Погледнато отгоре, горивната камера наподобява мина, откъдето идва и името. Под горивната камера е разположен пепелник, отделен от него с решетка. Чрез вратата на пепелника се отваря достъп не само до нея, но и до камината. Входът за въздух се регулира от порта, разположен под вратата.


Минният котел не се нуждае от специален контрол поради продължителността на изгаряне
Втората важна част е камера с топлообменник, пълна с вода, или ако котелът не се използва за отопление с топла вода, пожарна тръба. Газовете влизат в него от горивната камера през отвора и излизат през комина, като едновременно с това загряват топлообменника. От него водата влиза в системата през тръби или горещият въздух загрява стаята.
Шахтен пиролизен котел има подобен дизайн, но се произвежда с някои допълнителни елементи:
- 1. Камери, в които въглеродният окис изгаря и изгаря. Разположени в долната част на пространството за топлообмен, стените са облицовани с шамотни тухли.
- 2. Няколко тръби с много малки отвори. Чрез тях се подава въздух за горивните камери и доизгаряне.
- 3. В горната част на стената има клапани за разделяне на двете камери.
Принципът на действие на пиролизния котел е малко по-различен. По време на горивната камера потокът от въздух е ограничен, бавното изгаряне причинява образуването на голямо количество газове, които влизат в допълнителните камери и изгарят. Котлите изгарят всяко твърдо гориво: въглища, дърва, пелети. Един товар въглища е достатъчен за пет дни, дърва за огрев - не повече от тридесет часа. Поради пълното изгаряне такива котли имат висока ефективност - до 90%.
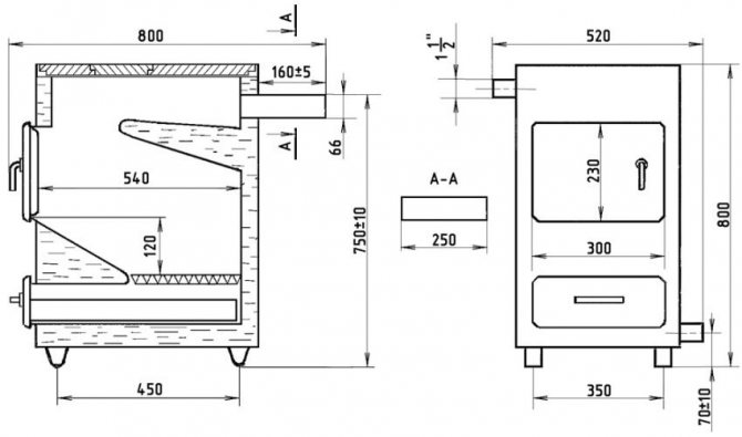
Предложеният дизайн има мощност от 22 kW, ефективност от 75%. Работи върху дърво 10 часа без допълнително натоварване, върху въглища - един ден. Камината има обем от 83 литра до долния ръб на товарния отвор. Котелът е оборудван с автоматика от полско производство: контролен блок с температурен сензор KG Elektronik SP-05 и вентилатор DP-02. Общият изглед е показан на чертежа.


Устройството работи по следния начин:
- 1. Дърва за огрев се зареждат в горивната камера и се запалват. Вратите са херметично затворени.
- 2. Необходимата температура на нагряване се задава на блока за управление, не по-малко от 50 °. Бутонът на устройството се натиска и вентилаторът започва да продухва въздух.
- 3. Когато се достигне зададената температура, подаването на въздух от вентилатора спира. Дърва за огрев тлее бавно, те дават много малко топлина.
- 4. След известно време температурата спада. Вентилаторът се включва отново и изгарянето продължава.
Електронният блок регулира горивния процес, който протича с максимална ефективност. На практика няма тлеене, използват се интензивно горене и режими на готовност.
Следващата фигура показва изглед отвътре.


Твърдото гориво се изгаря по класическата схема: топлината се предава директно към стените на водната риза и покрива на резервоара. Той има вграден топлообменник, който отнема топлина от газове. Нагретият въздух се подава в горивната камера през въздуховода отдолу. Зареденото в големи количества гориво осигурява дълго време на работа на котела.Докато чакате, когато вентилаторът се изключи, въздухът е напълно блокиран от гравитационен амортисьор, задействан от автоматично оборудване, естествената тяга е блокирана.
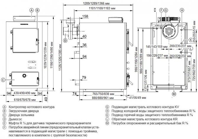
Чертежът показва задната част с топлообменник с пламъчна тръба.


Когато сглобяваме със собствените си ръце, използваме чертежите, придържаме се към посочените размери. Последователността е следната:
- 1. Изрежете тялото от 4 мм метал: дъно, странични стени, капак, врати. Всичко се придържа към дъното, което се освобождава отстрани, както е на чертежа. Вътре ние фиксираме ъглите чрез заваряване, което ще служи като рафт за решетката.
- 2. Внимателно заварете фугите и продължете към 3 мм метална водна риза. Той се оттегля от стените на корпуса 20 мм и за да го монтираме, заваряваме стоманени ленти върху тялото. Заваряваме им кожата.
- 3. Инсталиране на пламъчните тръби върху горната част на котела. Изрязваме дупки в задната и предната стени, вмъкваме няколко тръби, заваряваме в краищата.
- 4. Изрежете вратите, заварете две ленти отвътре, поставете азбест между тях за запечатване. Изрязваме решетките от 360 × 460 мм от ъглите и ги заваряваме към рафтовете с външен ъгъл.
- 5. В стените на резервоара изрязваме фитингите на захранващите и връщащите тръбопроводи, разклонителната тръба на димния канал. Заваряваме въздуховод от профилна тръба 40 × 60 mm. Към него през фланеца ще бъде прикрепен вентилатор. Входът за въздух е през задната стена.
- 6. Заваряваме пантите на вратата и езичетата за закрепване на декоративната рамка. Ние обвиваме резервоара на котела с базалтова изолация, закрепваме го с кабел. Закрепваме рамката със самонарезни винтове към раздели, монтираме вратите.
Принцип на действие
Особеността на работата на хоризонтални и вертикални конструкции е, че когато горивото се изгаря, въздухът се нагрява, който, когато се издига, се изхвърля през комина. В същото време, в процеса на предаване на топлина от нагрятия въздух, студената вода се нагрява в топлообменника.


Също така има и друг тип топлинен генератор, под формата на минен котел. Този дизайн се различава от останалите във вертикалното разположение на голямата товарна камера. В същото време горивото изгаря на дъното на мината, а горещият въздух и дим излизат през втората камера, където се намира топлообменника.
Какво е необходимо
Първо, струва си да вземете решение за размерите на бъдещия котел на твърдо гориво и да изберете най-подходящия дизайн. Разбира се, познавайки всички аспекти на изграждането на тухлени генератори на топлина, можете сами да проектирате и изградите всичко.
Въпреки това, при липса на подходящи знания, е по-добре да прочетете внимателно и да изберете опция от представените в Интернет.
Веднага си струва да се отбележи фактът, че когато изграждате котел за твърдо гориво, изработен от тухли със собствените си ръце, ще трябва да се сблъскате със заваръчни работи, тъй като топлообменникът е направен от тръби или ламарина.
Ако желаете, можете да си купите готов топлообменник в специализиран магазин, след което можете да направите без заваряване.
Материали (редактиране)
И така, от материалите за изграждане на котел за твърдо гориво, изработен от тухли, ще ви трябва:
- Укрепване на цимент и фундамент. Ако се планира тухлена основа, тогава ще е необходимо допълнително количество разбиване на тухли и камъчета.
- Шамотни тухли и хоросан за полагане на пещта.
- Тръби и ламарина за топлообменника.
- Врати и решетка.
- Водна помпа.
- Устройство за нагряване на вода.
Ще ви трябват и инструменти като:
- Заваръчна машина.
- Мелница, фреза за газ, електрическа бормашина.
- Маркер, който ще се използва за маркиране на ламарина.
- Нивелир, клещи и рулетка.
Освен това не забравяйте за личните предпазни средства под формата на ръкавици, очила и маска, за да се предпазите по време на работа.
Подготовка на топлообменника
За да изградите тухлен котел със собствените си ръце, първо трябва да подготвите топлообменник, така че да можете да премахнете размерите за горивната камера от него. Тоест, или ще трябва да закупите готов топлообменник, или да го проектирате сами.


Например, решавайки да направите хоризонтален топлообменник от тръби, ще ви трябва:
- Първо подгответе тръбни секции с необходимия размер.
- Освен това от правоъгълната тръба в ъгловите стълбове се изрязват отвори, с помощта на които напречните тръби ще бъдат съединени. Отворите са направени с диаметър 50 mm на ръба на 60 mm. Общо във всяка стойка има 4 дупки. В предната стена са направени още 2 дупки. Единият се прави отдолу и се изисква за връщането. Вторият отгоре е за оттичане на топла вода.
- След това трябва да заварите подпорите към напречните тръби под ъгъл от 90 градуса.
- Подводните и разклонителните тръби също се заваряват, а след това се заваряват краищата на правоъгълните тръби.
Също така хоризонтален топлообменник може да бъде направен от стомана и тръби. Принципът на извършване на цялата работа е подобен на гореописаната опция, с изключение на това, че в този случай ъгловите стълбове, както и надлъжните тръби, ще бъдат заменени с кухи стени.
Вертикален топлообменник осигурява не само възможността за пренос на топлина в помещението, но е възможно да се монтира и печка с една горелка. Местоположението на комина ще зависи от неговото присъствие или отсъствие.
Тоест, ако планирате да инсталирате горелка, тогава тръбата е инсталирана само отстрани.
Има и още един важен момент, който трябва да се вземе предвид при инсталирането на печка на печката - в горната част на топлообменника не трябва да има тръби.
Поетапна конструкция на котела
Тухлено тяло за котел на твърдо гориво се полага по същия начин като конвенционалната печка. Размерите на корпуса и топлообменника зависят от размерите на отопляемата площ.
Освен това схемата на тръбопровода на котела трябва да бъде избрана в съответствие със сложността на системата, броя на веригите и наличието на допълнително оборудване.
За да инсталирате тухлен котел с твърдо гориво, можете да се придържате към следните стъпки:
- Фундаментът се излива до размера на топлообменника.
- След това върху основата се полага хидроизолационен слой покривен материал, върху който се нанася разтвор на фурната.
- След това е разположен първият ред, изработен от огнеупорни тухли, върху който ще бъде разположена долната част на камерата на пещта и пепелник с врата, разделена с решетка.
- Освен това върху поставената основа е инсталиран топлообменник, така че да се изкачва нагоре до точката, където ще се изтегля горещ въздух. Също така, за да се избегне образуването на въздушни тапи в бъдеще, между тухлата и топлообменника трябва да има празнина от поне 10-30 мм.
- Отпред е прикрепена врата за зареждане на гориво в камината, а място за комина е оставено отзад.
- Върху горивната камера се полага котлон или дебел лист метал, върху който се поставя слой тухла или се извежда сводът на камерата.
- Коминът може да бъде разположен отстрани или отгоре на горивната камера. Освен това може да бъде направен както от желязна тръба, така и от тухла.
- Освен това в тялото на комина е монтиран клапан за дим.
- След като зидарията изсъхне добре, можете да инсталирате водната верига. Към топлообменника се подават тръби с вода, които са свързани към отоплителния радиатор с помощта на съединители или заваряване.
- След това се прави пробен пуск на отоплителната система и ако всичко е наред, можете да започнете да довършвате печката с мазилка или плочки.
Принцип на работа на котел за отопление на дърва, дълго изгаряне
Устройството и принципът на действие на котел на дърва за продължителна работа от един товар е насочен към пресъздаване на такива условия в ограниченото пространство на горивната камера.Дърва за огрев не изгарят в пълния смисъл на думата, а тлеят. Времето за работа се увеличава и липсата на топлина се компенсира от доизгарянето на отделените газове.
Дизайнът на котлите с продължително горене включва следните единици:
- Горивна камера - устройството има две горивни камери наведнъж. Първата пещ (с вертикално или хоризонтално натоварване) е предназначена за изгаряне на дърва. Втората камера се използва за доизгаряне на произведения въглероден диоксид. За да се осигури пълно изгаряне на газ, камината е изработена от шамотни тухли, което предотвратява загубата на топлина и помага да се поддържа температура от около 800 ° C.


Как да изберем бавен котел за бавно изгаряне на дърва
Котли за отопление с дърва с дълго изгаряне се предлагат от няколко местни и чуждестранни производители. Дизайнът на оборудването, както и топлотехническите характеристики, се различават значително. При избора на топлинен генератор се обръща внимание на следните параметри:
- Производителност.
- Дизайнерски характеристики.
- Страна производител.
Според трите параметъра, изброени по-горе, се избира подходящ модел котел за битови нужди.
Изчисляване на мощността
Правилно подбран отоплителен котел на дърва за дълго изгаряне, лесно се справя с отопление на жилищна площ до 400 - 500 m². При избора се отчита производителността на топлинния генератор. Изчисляването на мощността се извършва, както следва:
- Изчислете общата площ на къщата.
- Изчислете необходимата мощност на котела, като използвате формулата 1 kW = 10 m².
- Ако в структурата присъства верига за БГВ, към получения резултат се добавят 15-20% от резерва.
Горните изчисления са подходящи за сгради със средна степен на топлоизолация, разположени в средната ширина на Русия и с височина на тавана не повече от 2,7 m. За помещения със сложна конфигурация, голям брой отвори за прозорци и врати, изчисленията се извършват с помощта на онлайн калкулатори.
Особености на експлоатацията на дървени котли с продължително изгаряне
Времето за горене на една отметка за дърва за огрев е от 8 до 24 часа. Животът на батерията зависи от няколко фактора:
- Тип котел.
- Качество на горивото.
- Правилна работа.
Да се научиш как правилно да загряваш котела е много по-лесно, отколкото може да изглежда на пръв поглед. По време на запалване и по-нататъшна експлоатация те се придържат към изискванията, посочени от производителя в техническата документация. След няколко горивни камери процесът става познат.


Как да постигнете продължително изгаряне на дърва за огрев
Можете да постигнете дългосрочно изгаряне на дърва за огрев, като внимателно следвате препоръките на производителя:
- Дърва за огрев се запалват при напълно отворена клапа.
- Котелът се превключва в режим на продължително горене само след достигане на температурата от 600 ° С.
- Съдържанието на влага в дървото не трябва да надвишава 20%. Не се препоръчва отопление с иглолистни дървета.


Нарушенията на експлоатационните правила водят до образуването на смола от дървесината в котела. Най-често не са изпълнени следните условия:
- Минималната температура на охлаждащата течност на изхода не трябва да пада под 65 ° C.
- Правилно е да се отоплява котелът с дърва за огрев от твърда дървесина: трепетлика, бук, акация, дъб и др.
- Високото съдържание на влага в дървесината води до обилно отделяне на смола.
Правилната работа на котлите с продължително горене удължава експлоатационния живот на оборудването и увеличава преноса на топлина.
Как правилно да зареждате дърва за огрев


Запалването се извършва изключително със сухи трески. Забранено е използването на бензин или керосин за разпалване на дърва за огрев. От време на време се препоръчва да се използват специални химически брикети, които премахват смолистите отлагания по стените.
Колко дърва за огрев са необходими за зимния сезон
Устройството на котела за продължително горене, позволява икономия на гориво, приблизително 15-30%, в зависимост от избрания модел. Приблизителният разход на дърва за огрев се изчислява, както следва:
- Общоприето е, че за отопление на всеки 100 m² ще са необходими 3 Gcal / месец.
- При изгаряне на килограм дърва за огрев се отделят 3200 ккал.
- За да се получат 1 Gcal, котлите с продължително горене изгарят 312 кг дърва за огрев.
- За да получите 3 Gcal, ще ви трябват около тон дърво.
По време на отоплителния сезон, за да отоплявате къща от 100 m², са ви необходими 7-8 тона дърва за огрев.


Правила и разпоредби за инсталиране на котел за дърва с дълго изгаряне
Монтажът на котел с дълго изгаряне се извършва в съответствие със стандартите, приложими за всички котли, работещи на дърва. По време на инсталационната работа вземете предвид съществуващите изисквания на PPB и SNiP:
- Монтажът се извършва на здрава, негорима основа. Стените и подовете са покрити с негорими строителни материали.
- Коминът се извършва в съответствие с противопожарните резници. На кръстовището със стената, изработена от горим материал, се полага огнеустойчива изолация. Материалът е облицован със стоманена ламарина.


Водното отопление от котел с дълго изгаряне на дърва е свързан със специални изходи, разположени на корпуса на котела. Инструкциите посочват подробно кой разклонителен тръбопровод отива към подаването и връщането на водния кръг.


- В отделно помещение е монтиран котел с мощност над 40 kW.
- Летливите котли са свързани към захранването чрез стабилизатор и непрекъсваемо захранване. Не забравяйте да използвате машини. Връзката се осъществява директно от контролната зала.
В помещението, използвано за котелното, е необходимо да има приточна и изпускателна вентилация и естествена светлина. Ако е необходимо, е позволено да поставите котела в мазето.
















