Целта на аеродинамичното изчисление е да се определят размерите на напречното сечение и загубите на налягане в участъци от системата и в системата като цяло. При изчисляването трябва да се вземат предвид следните разпоредби.
1. На аксонометричната диаграма на системата са отбелязани разходите и два раздела.
2. Избира се основната посока и секциите се номерират, след което клоните се номерират.
3. Според допустимата скорост на участъците на основната посока се определят площите на напречното сечение:
Полученият резултат се закръглява към стандартни стойности, които се изчисляват, а диаметърът d или размерите a и b на канала се намират от стандартната площ.
В справочната литература, до аеродинамичните изчислителни таблици, е даден списък със стандартни размери за зоните на кръгли и правоъгълни въздуховоди.
* Забележка: малките птици, уловени в зоната на факлата със скорост 8 m / s, се придържат към решетката.
4. От таблиците за аеродинамично изчисление за избрания диаметър и дебит в секцията се определят изчислените стойности на скоростта υ, специфични загуби от триене R, динамично налягане P dyn. Ако е необходимо, тогава определете коефициента на относителна грапавост β w.
5. На площадката се определят видовете локални съпротивления, техните коефициенти ξ и общата стойност ∑ξ.
6. Намерете загубата на налягане в локални съпротивления:
Z = ∑ξ · P дин.
7. Определете загубата на налягане поради триене:
∆Р tr = R · l.
8. Изчислете загубата на налягане в тази област, като използвате една от следните формули:
∆Р uch = Rl + Z,
∆Р uch = Rlβ w + Z.
Изчислението се повтаря от точка 3 до точка 8 за всички участъци от основната посока.
9. Определете загубата на налягане в оборудването, разположено в основната посока aboutР около.
10. Изчислете съпротивлението на системата ∆Р с.
11. За всички клонове повторете изчислението от точка 3 до точка 9, ако клоновете имат оборудване.
12. Свържете клоните с успоредни участъци на линията:
. (178)
Крановете трябва да имат съпротивление, малко по-голямо или равно на това на паралелната линия.
Правоъгълните въздуховоди имат подобна изчислителна процедура, само в параграф 4 от стойността на скоростта, намерена от израза:
,
и еквивалентният диаметър в скоростта d υ се намират от таблиците за аеродинамично изчисление на референтната литература специфични загуби от триене R, динамично налягане P dyn и L таблица табл L uch.
Аеродинамичните изчисления осигуряват изпълнението на условието (178) чрез промяна на диаметрите на клоните или чрез инсталиране на дроселиращи устройства (дроселни клапани, амортисьори).
За някои локални съпротивления стойността на ξ е дадена в справочната литература като функция от скоростта. Ако стойността на изчислената скорост не съвпада с табличната, тогава ξ се преизчислява според израза:
За неразклонени системи или системи с малки размери клоните са свързани не само с помощта на дроселни клапани, но и с мембрани.
За удобство аеродинамичното изчисление се извършва в таблична форма.
Нека разгледаме процедурата за аеродинамично изчисляване на система за отработена механична вентилация.
| Брой на парцела | L, m 3 / h | F, m 2 | V, m / s | a × b, mm | D e, mm | β w | R, Pa / m | l, m | R1β w, Pa | Местен тип съпротива | ∑ξ | R d, Pa | Z = ∑ξ P d Pa | ΔР = R1 + Z, Pa |
| Местоположение включено | на магистрала | |||||||||||||
| 1-2 | 0,196 | 11,71 | — | 2,56 | 11,93 | 30,5 | 0,42-вътр. удължение 0,38-объркващ 0,21-2 лакти 0,35-тройник | 1,57 | 83,63 | 131,31 | 282,85 | 282,85 | ||
| 2-3 | 0,396 | 11,59 | — | 1,63 | 15,35 | 25,0 | 0,21-3 клон 0,2-тройник | 0,83 | 81,95 | 68,02 | 93,04 | 375,89 | ||
| 3-4 | 0,502 | 10,93 | — | 1,25 | 2,76 | 3,5 | 0,21-2 кран 0,1-преход | 0,52 | 72,84 | 37,88 | 41,33 | 417,21 | ||
| 4-5 | 0,632 | 8,68 | 795x795 | 2,085 | 0,82 | 3,50 | 6,0 | 5,98 | 423,20 | |||||
| 2″-2 | 0,196 | 11,71 | — | 2,56 | 6,27 | 16,1 | 0,42-вътр.удължител 0,38-обърквач 0,21-2 клон 0,98-тройник | 1,99 | 83,63 | 166,43 | 303,48 | |||
| 6-7 | 0,0375 | 5,50 | 250x200 | — | 1,8-меш | 1,80 | 18,48 | 33,26 | 33,26 | |||||
| 0,078 | 10,58 | — | 3,79 | 5,54 | 21,0 | 1,2-завой 0,17-тройник | 1,37 | 68,33 | 93,62 | 114,61 | ||||
| 7-3 | 0,078 | 11,48 | — | 4,42 | 5,41 | 23,9 | 0,17-лакът 1,35-тройник | 1,52 | 80,41 | 122,23 | 146,14 | |||
| 7″-7 | 0,015 | 4,67 | 200x100 | — | 1,8-меш | 1,80 | 13,28 | 23,91 | 23,91 | |||||
| 0,0123 | 5,69 | — | 3,80 | 1,23 | 4,7 | 1,2-оборотен 5,5-тройник | 6,70 | 19,76 | 132,37 | 137,04 |
Тройниците имат две съпротивления - на проход и на клон и те винаги се отнасят до области с по-нисък дебит, т.е. или към зоната на потока, или към клона. При изчисляване на клонове в колона 16 (таблица, страница 88), тире.
Основното изискване за всички видове вентилационни системи е да се осигури оптималната честота на обмен на въздух в помещения или специфични работни зони. Като се вземе предвид този параметър, се проектира вътрешният диаметър на канала и се избира мощността на вентилатора. За да се гарантира необходимата ефективност на вентилационната система, се извършва изчисляването на загубите на налягане в напорите в каналите, тези данни се вземат предвид при определяне на техническите характеристики на вентилаторите. Препоръчителните скорости на въздушния поток са показани в таблица 1.
Раздел. № 1. Препоръчителна скорост на въздуха за различни помещения
| Назначаване | Основно изискване | ||||
| Безшумност | Мин. загуба на главата | ||||
| Магистрални канали | Основни канали | Клонове | |||
| Приток | качулка | Приток | качулка | ||
| Жилищни пространства | 3 | 5 | 4 | 3 | 3 |
| Хотели | 5 | 7.5 | 6.5 | 6 | 5 |
| Институции | 6 | 8 | 6.5 | 6 | 5 |
| Ресторанти | 7 | 9 | 7 | 7 | 6 |
| Магазините | 8 | 9 | 7 | 7 | 6 |
Въз основа на тези стойности трябва да се изчислят линейните параметри на каналите.
Алгоритъм за изчисляване на загубата на въздушно налягане
Изчислението трябва да започне със съставяне на диаграма на вентилационната система със задължително посочване на пространственото разположение на въздуховодите, дължината на всяка секция, вентилационни решетки, допълнително оборудване за пречистване на въздуха, технически фитинги и вентилатори. Загубите се определят първо за всеки отделен ред и след това се обобщават. За отделен технологичен участък загубите се определят по формулата P = L × R + Z, където P е загубата на въздушно налягане в изчисления участък, R е загубата на линеен метър на секцията, L е общата дължина на въздуховодите в участъка, Z е загубите в допълнителните фитинги на вентилацията на системата.
За изчисляване на загубата на налягане в кръгъл канал се използва формулата Ptr. = (L / d × X) × (Y × V) / 2g. X е табличният коефициент на триене на въздуха, зависи от материала на въздуховода, L е дължината на изчислената секция, d е диаметърът на въздуховода, V е необходимата скорост на въздушния поток, Y е плътността на въздуха отчитайки температурата, g е ускорението на падане (свободно). Ако вентилационната система има квадратни канали, тогава таблица № 2 трябва да се използва за преобразуване на кръгли стойности в квадратни.
Раздел. № 2. Еквивалентни диаметри на кръгли канали за квадрат
| 150 | 200 | 250 | 300 | 350 | 400 | 450 | 500 | |
| 250 | 210 | 245 | 275 | |||||
| 300 | 230 | 265 | 300 | 330 | ||||
| 350 | 245 | 285 | 325 | 355 | 380 | |||
| 400 | 260 | 305 | 345 | 370 | 410 | 440 | ||
| 450 | 275 | 320 | 365 | 400 | 435 | 465 | 490 | |
| 500 | 290 | 340 | 380 | 425 | 455 | 490 | 520 | 545 |
| 550 | 300 | 350 | 400 | 440 | 475 | 515 | 545 | 575 |
| 600 | 310 | 365 | 415 | 460 | 495 | 535 | 565 | 600 |
| 650 | 320 | 380 | 430 | 475 | 515 | 555 | 590 | 625 |
| 700 | 390 | 445 | 490 | 535 | 575 | 610 | 645 | |
| 750 | 400 | 455 | 505 | 550 | 590 | 630 | 665 | |
| 800 | 415 | 470 | 520 | 565 | 610 | 650 | 685 | |
| 850 | 480 | 535 | 580 | 625 | 670 | 710 | ||
| 900 | 495 | 550 | 600 | 645 | 685 | 725 | ||
| 950 | 505 | 560 | 615 | 660 | 705 | 745 | ||
| 1000 | 520 | 575 | 625 | 675 | 720 | 760 | ||
| 1200 | 620 | 680 | 730 | 780 | 830 | |||
| 1400 | 725 | 780 | 835 | 880 | ||||
| 1600 | 830 | 885 | 940 | |||||
| 1800 | 870 | 935 | 990 |
Хоризонталата е височината на квадратния канал, а вертикалата е ширината. Еквивалентната стойност на кръговото сечение е в пресечната точка на линиите.
Загубите на въздушно налягане в завоите са взети от таблица № 3.
Раздел. № 3. Загуба на налягане при завои
За определяне на загубата на налягане в дифузорите се използват данните от таблица 4.
Раздел. No 4. Загуба на налягане в дифузорите
Таблица 5 дава обща диаграма на загубите в прав участък.
Раздел. No 5. Диаграма на загубите на въздушно налягане в прави въздуховоди
Всички индивидуални загуби в този участък на канала се сумират и коригират с таблица № 6. Табл. № 6. Изчисляване на намаляването на налягането на потока във вентилационните системи

По време на проектирането и изчисленията, съществуващите разпоредби препоръчват разликата в величината на загубите на налягане между отделните секции да не надвишава 10%. Вентилаторът трябва да бъде монтиран в участъка на вентилационната система с най-голямо съпротивление, най-отдалечените въздуховоди трябва да имат най-ниско съпротивление. Ако тези условия не са изпълнени, е необходимо да се промени оформлението на въздуховодите и допълнителното оборудване, като се вземат предвид изискванията на разпоредбите.
За да се определят размерите на участъците на някой от участъците на въздухоразпределителната система, е необходимо да се направи аеродинамично изчисление на въздуховодите. Показателите, получени с това изчисление, определят работоспособността както на цялата проектирана вентилационна система, така и на отделните й секции.
За да се създаде комфортна обстановка в кухня, отделна стая или стая като цяло, е необходимо да се осигури правилният дизайн на системата за разпределение на въздуха, която се състои от много детайли. Важно място сред тях заема въздуховодът, чието определяне на квадратурата влияе върху стойността на дебита на въздуха и нивото на шума на вентилационната система като цяло. За да се определят тези и редица други показатели, ще се позволи аеродинамично изчисляване на въздуховодите.
Занимаваме се с общото изчисление на вентилацията
Когато правите аеродинамично изчисление на въздуховодите, трябва да вземете предвид всички характеристики на вентилационната шахта (тези характеристики са дадени по-долу под формата на списък).
- Динамично налягане (за да се определи, се използва формулата - DPE? / 2 = P).
- Консумация на въздушна маса (обозначава се с буквата L и се измерва в кубични метри на час).
- Загуба на налягане поради триене на въздуха върху вътрешните стени (обозначена с буквата R, измерена в паскали на метър).
- Диаметърът на каналите (за изчисляване на този показател се използва следната формула: 2 * a * b / (a + b); в тази формула стойностите a, b са размерите на кръстосания канал сечение и се измерват в милиметри).
- И накрая, скоростта е V, измерена в метри в секунда, както споменахме по-рано.


>
Що се отнася до пряката последователност от действия при изчислението, тя трябва да изглежда по следния начин.
Първа стъпка. Първо определете необходимата площ на канала, за която се използва следната формула:
I / (3600xVpek) = F.
Нека да се справим със стойностите:
- F в този случай е, разбира се, площта, която се измерва в квадратни метри;
- Vpek е желаната скорост на движение на въздуха, която се измерва в метри в секунда (за каналите се взема скорост от 0,5-1,0 метра в секунда, за мините - около 1,5 метра).
Стъпка втора.
След това трябва да изберете стандартен раздел, който да е възможно най-близо до индикатора F.
Стъпка трета.
Следващата стъпка е да се определи подходящия диаметър на канала (обозначен с буквата d).
Стъпка четвърта.
След това се определят останалите показатели: налягане (обозначено като P), скорост на движение (съкратено V) и следователно намаляване (съкратено R). За това е необходимо да се използват номограмите съгласно d и L, както и съответните таблици с коефициенти.
Стъпка пета
... Използвайки вече други таблици с коефициенти (говорим за показатели за локално съпротивление), се изисква да се определи доколко ефектът на въздуха ще намалее поради локалното съпротивление Z.
Стъпка шеста.
На последния етап от изчисленията е необходимо да се определят общите загуби на всеки отделен участък от вентилационната линия.
Обърнете внимание на един важен момент! Така че, ако общите загуби са по-ниски от вече съществуващото налягане, тогава такава вентилационна система може да се счита за ефективна. Но ако загубите надвишават индикатора за налягане, може да се наложи да инсталирате специална мембрана на дросела във вентилационната система. Благодарение на тази диафрагма излишната глава ще бъде угасена.
Също така отбелязваме, че ако вентилационната система е проектирана да обслужва няколко помещения наведнъж, за които въздушното налягане трябва да е различно, тогава по време на изчисленията е необходимо да се вземе предвид индикаторът за вакуум или обратно налягане, който трябва да се добави към общото индикатор за загуба.
Видео - Как се правят изчисления с помощта на програмата "VIX-STUDIO"
Аеродинамичното изчисление на въздуховодите се счита за задължителна процедура, важен компонент при планирането на вентилационните системи.Благодарение на това изчисление можете да разберете колко ефективно се проветряват помещенията с определен участък от каналите. А ефективното функциониране на вентилацията от своя страна осигурява максимален комфорт на престоя ви в къщата.
Пример за изчисления. Условията в случая са следните: административна сграда е на три етажа.


Етап първи
Това включва аеродинамичното изчисление на механичните климатични или вентилационни системи, което включва редица последователни операции.Съставя се перспективна диаграма, която включва вентилация: както захранваща, така и изпускателна и е подготвена за изчислението.
Размерите на площта на напречното сечение на въздуховодите се определят в зависимост от техния тип: кръгли или правоъгълни.
Формиране на схемата
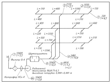
Диаграмата е съставена в перспектива с мащаб 1: 100. Той посочва точките с разположените вентилационни устройства и разхода на въздух, преминаващ през тях.
Тук трябва да вземете решение за багажника - основната линия, въз основа на която се извършват всички операции. Това е верига от секции, свързани последователно, с най-голямо натоварване и максимална дължина.
Когато изграждате магистрала, трябва да обърнете внимание коя система се проектира: захранваща или изпускателна.
Доставка
Тук фактурната линия е изградена от най-отдалечения въздушен разпределител с най-голям разход. Той преминава през захранващи елементи като въздуховоди и климатични агрегати до точката, в която се всмуква въздух. Ако системата трябва да обслужва няколко етажа, тогава разпределителят на въздуха се намира на последния.
Ауспух
Изгражда се линия от най-отдалеченото изпускателно устройство, което максимизира разхода на въздушен поток, през основната линия до монтажа на аспиратора и по-нататък до шахтата, през която се отделя въздух.
Ако вентилацията е планирана за няколко нива и инсталирането на аспиратора е разположено на покрива или тавана, тогава изчислителната линия трябва да започне от устройството за разпределение на въздуха на най-ниския етаж или мазето, което също е включено в системата. Ако аспираторът е монтиран в мазето, тогава от устройството за разпределение на въздуха на последния етаж.
Цялата изчислителна линия е разделена на сегменти, всеки от тях е участък от канала със следните характеристики:
- канал с еднакъв размер на напречното сечение;
- от един материал;
- с постоянен разход на въздух.
Следващата стъпка е номериране на сегментите. Започва с най-отдалеченото изпускателно устройство или разпределител на въздуха, на всеки е присвоен отделен номер. Основната посока - магистралата е маркирана с удебелена линия.
Освен това въз основа на аксонометрична диаграма за всеки сегмент се определя дължината му, като се вземат предвид мащабът и консумацията на въздух. Последното е сумата от всички стойности на консумирания въздушен поток, протичащ през клоните, които са в непосредствена близост до линията. Стойността на индикатора, която се получава в резултат на последователно сумиране, трябва постепенно да се увеличава.
Определяне на размерните стойности на напречните сечения на въздуховодите
Произведено въз основа на показатели като:
- консумация на въздух в сегмента;
- нормативните препоръчителни стойности на скоростта на въздушния поток са: на магистрали - 6m / s, в мини, където въздухът се всмуква - 5m / s.
Изчислява се предварителната размерна стойност на канала на сегмента, която се намалява до най-близкия стандарт. Ако е избран правоъгълен канал, тогава стойностите се избират въз основа на размерите на страните, съотношението между които е не повече от 1 до 3.
Правила за определяне на скоростта на въздуха
Скоростта на въздуха е тясно свързана с понятия като ниво на шум и ниво на вибрации във вентилационната система. Въздухът, преминаващ през каналите, създава определено количество шум и налягане, което се увеличава с броя на завъртанията и завоите.
Колкото по-голямо е съпротивлението в тръбите, толкова по-ниска е скоростта на въздуха и по-висока производителност на вентилатора. Помислете за нормите на свързаните фактори.
No 1 - санитарни норми за ниво на шума
Стандартите, посочени в SNiP, се отнасят до жилищни помещения (частни и жилищни сгради), обществени и промишлени видове.
В таблицата по-долу можете да сравните нормите за различните видове помещения, както и зоните в съседство със сгради.


Част от таблицата от № 1 SNiP-2-77 от параграфа "Защита от шум". Максимално допустимите норми, свързани с нощното време, са по-ниски от дневните стойности, а нормите за прилежащите територии са по-високи от тези за жилищни помещения
Една от причините за увеличаването на приетите стандарти може да бъде просто неправилно проектирана система за въздуховоди.
Нивата на звуковото налягане са показани в друга таблица:


При пускане в експлоатация на вентилация или друго оборудване, свързано с осигуряване на благоприятен, здравословен микроклимат в помещението, се допуска само краткосрочно превишаване на посочените параметри на шума
No 2 - ниво на вибрация
Мощността на вентилатора е пряко свързана с нивото на вибрациите.
Максималният праг на вибрация зависи от няколко фактора:
- размерът на канала;
- качеството на уплътненията за намаляване на нивото на вибрации;
- тръбен материал;
- скоростта на въздушния поток, преминаващ през каналите.
Нормите, които трябва да се спазват при избора на вентилационни устройства и при изчисляването на въздуховодите, са представени в следната таблица:


Максимално допустими стойности на локални вибрации. Ако по време на проверката действителните стойности са по-високи от нормите, това означава, че каналната система е проектирана с технически недостатъци, които трябва да бъдат коригирани, или мощността на вентилатора е твърде висока.
Скоростта на въздуха в мини и канали не трябва да влияе върху увеличаването на вибрационните показатели, както и на свързаните с тях параметри на звуковите вибрации.
No 3 - честотата на въздушния обмен
Пречистването на въздуха се дължи на процеса на обмен на въздух, който се подразделя на естествен или принудителен.
В първия случай тя се извършва чрез отваряне на врати, фрамузи, отвори, прозорци (и наречена аерация) или просто чрез проникване през пукнатини на фугите на стени, врати и прозорци, във втория - с помощта на климатици и вентилационно оборудване.
Смяната на въздуха в помещение, сервизно помещение или работилница трябва да се извършва няколко пъти на час, така че степента на замърсяване на въздушните маси да е приемлива. Броят на смените е многократен, стойност, която също е необходима за определяне на скоростта на въздуха във вентилационните канали.
Кратността се изчислява по следната формула:
N = V / W,
Където:
- н - честотата на обмен на въздух, веднъж на всеки 1 час;
- V - обемът на чист въздух, изпълващ помещението за 1 час, m³ / h;
- W - обемът на помещението, m³.
За да не се извършват допълнителни изчисления, средните показатели за множественост се събират в таблици.
Например следната таблица за обмен на въздух е подходяща за жилищни помещения:


Съдейки по таблицата, е необходима честа смяна на въздушните маси в една стая, ако тя се характеризира с висока влажност или температура на въздуха - например в кухня или баня. Съответно, при недостатъчна естествена вентилация в тези помещения се инсталират устройства с принудителна циркулация.
Какво се случва, ако стандартите за обмен на въздух не са изпълнени или са, но не са достатъчни?
Ще се случи едно от двете неща:
- Кратността е под нормата. Свежият въздух спира да замества замърсения въздух, в резултат на което се увеличава концентрацията на вредни вещества в помещението: бактерии, патогени, опасни газове. Количеството кислород, което е важно за дихателната система на човека, намалява, докато въглеродният диоксид, напротив, се увеличава. Влажността се повишава до максимум, което е изпълнено с плесен.
- Кратността е над нормата. Това се случва, ако скоростта на движение на въздуха в каналите надвишава нормата.Това се отразява отрицателно на температурния режим: стаята просто няма време да се нагрее. Прекалено сухият въздух провокира кожни и дихателни заболявания.
За да може честотата на обмяната на въздуха да отговаря на санитарните стандарти, е необходимо да се инсталират, премахват или регулират вентилационни устройства и, ако е необходимо, да се сменят въздуховодите.
Етап втори
Тук се изчисляват аеродинамичните стойности на съпротивлението. След избора на стандартните напречни сечения на въздуховодите се уточнява стойността на дебита на въздуха в системата.
Изчисляване на загубата на налягане при триене
Следващата стъпка е да се определи специфичната загуба на налягане на триене въз основа на таблични данни или номограми. В някои случаи калкулаторът може да бъде полезен за определяне на показатели въз основа на формула, която ви позволява да изчислявате с грешка от 0,5 процента. За да изчислите общата стойност на индикатора, характеризиращ загубата на налягане в целия участък, трябва да умножите специфичния му индикатор по дължината. На този етап трябва да се вземе предвид и коефициентът за корекция на грапавостта. Това зависи от големината на абсолютната грапавост на даден материал на въздуховода, както и от скоростта.
Изчисляване на динамичния индикатор за налягане върху сегмент
Тук се определя индикатор, характеризиращ динамичното налягане във всяка секция въз основа на стойностите:
- дебит на въздуха в системата;
- плътността на въздушната маса при стандартни условия, която е 1,2 kg / m3.
Определяне на стойностите на локалните съпротивления в секциите
Те могат да бъдат изчислени въз основа на коефициентите на локално съпротивление. Получените стойности са обобщени в таблична форма, която включва данните за всички раздели и не само прави сегменти, но и няколко фитинга. Името на всеки елемент се въвежда в таблицата, там също се посочват съответните стойности и характеристики, според които се определя коефициентът на локално съпротивление. Тези показатели могат да бъдат намерени в съответните справочни материали за избор на оборудване за вентилационни блокове.
При наличие на голям брой елементи в системата или при липса на определени стойности на коефициентите се използва програма, която ви позволява бързо да извършвате тромави операции и да оптимизирате изчислението като цяло. Стойността на общото съпротивление се определя като сбор от коефициентите на всички елементи на сегмента.
Изчисляване на загубите на налягане на локални съпротивления
След като са изчислили крайната обща стойност на показателя, те пристъпват към изчисляване на загубите на налягане в анализираните области. След изчисляване на всички сегменти на главната линия, получените числа се сумират и се определя общата стойност на съпротивлението на вентилационната система.
Характеристики на аеродинамичните изчисления
Нека се запознаем с общия метод за извършване на този вид изчисления, при условие че както напречното сечение, така и налягането са неизвестни за нас. Нека направим резервация веднага, че аеродинамичното изчисление трябва да се извърши само след определяне на необходимите обеми въздушни маси (те ще преминат през климатичната система) и приблизителното местоположение на всеки от въздуховодите в мрежата проектирани.


И за да се извърши изчислението, е необходимо да се начертае аксонометрична диаграма, в която ще има списък на всички елементи на мрежата, както и техните точни размери. В съответствие с плана на вентилационната система се изчислява общата дължина на въздуховодите. След това цялата система трябва да бъде разделена на сегменти с хомогенни характеристики, според които (само поотделно!) Консумацията на въздух ще бъде определена. Обикновено за всеки от хомогенните участъци на системата трябва да се извърши отделно аеродинамично изчисление на въздуховодите, тъй като всеки от тях има своя собствена скорост на движение на въздушните потоци, както и постоянен дебит. Всички получени показатели трябва да бъдат въведени в аксонометричната диаграма, която вече беше спомената по-горе, и след това, както вероятно вече се досещате, трябва да изберете основната магистрала.
Трети етап: свързване на клонове
Когато са извършени всички необходими изчисления, е необходимо да се свържат няколко клона. Ако системата обслужва едно ниво, тогава клоните, които не са включени в багажника, са свързани. Изчисляването се извършва по същия начин, както за основната линия. Резултатите се записват в таблица. В многоетажни сгради за свързване се използват подови клони на междинни нива.
Критерии за свързване
Тук се сравняват стойностите на сумата на загубите: налягане по участъците, които трябва да бъдат свързани с паралелно свързана линия. Необходимо е отклонението да е не повече от 10 процента. Ако се установи, че несъответствието е по-голямо, тогава може да се извърши свързване:
- чрез избор на подходящите размери за напречното сечение на каналите;
- чрез инсталиране върху разклонения на мембрани или пеперудни клапани.
Понякога, за да извършите такива изчисления, ви трябва само калкулатор и няколко справочници. Ако се изисква да се извърши аеродинамично изчисление на вентилацията на големи сгради или промишлени помещения, ще е необходима подходяща програма. Тя ще ви позволи бързо да определите размерите на секциите, загубите на налягане както в отделни секции, така и в цялата система като цяло.
https://www.youtube.com/watch?v=v6stIpWGDow Video не може да бъде зареден: Дизайн на вентилационната система. (https://www.youtube.com/watch?v=v6stIpWGDow)
Целта на аеродинамичното изчисление е да се определи загубата на налягане (съпротивление) на движение на въздуха във всички елементи на вентилационната система - въздуховоди, техните оформени елементи, решетки, дифузори, въздушни нагреватели и други. Знаейки общата стойност на тези загуби, е възможно да се избере вентилатор, способен да осигури необходимия въздушен поток. Разграничаване на преките и обратните проблеми на аеродинамичното изчисление. Прекият проблем се решава при проектирането на новосъздадени вентилационни системи, състои се в определяне на площта на напречното сечение на всички секции на системата при даден дебит през тях. Обратният проблем е да се определи дебитът на въздушния поток за дадена площ на напречното сечение на експлоатираните или реконструирани вентилационни системи. В такива случаи, за да се постигне необходимата скорост на потока, е достатъчно да промените скоростта на вентилатора или да го замените с различен стандартен размер.
Аеродинамичното изчисление започва след определяне на скоростта на обмен на въздух в помещенията и вземане на решение за трасето (схема на полагане) на въздуховоди и канали. Скоростта на обмен на въздух е количествена характеристика на работата на вентилационната система, тя показва колко пъти в рамките на 1 час обемът на въздуха в стаята ще бъде напълно заменен с нов. Кратността зависи от характеристиките на стаята, нейното предназначение и може да се различава няколко пъти. Преди да започне аеродинамичното изчисление, се създава системна диаграма в аксонометрична проекция и мащаб от M 1: 100. Основните елементи на системата са разграничени на диаграмата: въздуховоди, техните фитинги, филтри, шумозаглушители, клапани, въздухонагреватели, вентилатори, решетки и други. Според тази схема строителните планове на помещенията определят дължината на отделните клонове. Веригата е разделена на изчислени секции, които имат постоянен въздушен поток. Границите на изчислените секции са оформени елементи - завои, тройници и други. Определете дебита във всеки участък, приложете го, дължината, номера на секцията на диаграмата. След това се избира ствол - най-дългата верига от последователно разположени секции, броейки от началото на системата до най-отдалечения клон. Ако в системата има няколко линии с еднаква дължина, тогава основният се избира с висока скорост на потока. Приема се формата на напречното сечение на въздуховодите - кръгла, правоъгълна или квадратна. Загубите на налягане в секциите зависят от скоростта на въздуха и се състоят от: загуби от триене и локални съпротивления. Общата загуба на налягане на вентилационната система е равна на линейната загуба и се състои от сумата от загубите на всички изчислени секции. Избира се посоката на изчисление - от най-отдалечения участък до вентилатора.
По площ F
определете диаметъра
д
(за кръгла форма) или височина
A
и ширина
Б.
(за правоъгълен) канал, m.Получените стойности се закръгляват до най-близкия по-голям стандартен размер, т.е.
D ст
,
Св
и
В ул
(референтна стойност).
Преизчислете действителната площ на напречното сечение F
факт и скорост
v факт
.
За правоъгълен канал определете т.нар. еквивалентен диаметър DL = (2A st * B st) / (A
ул+ Бул), m.
Определете стойността на критерия за сходство на Рейнолдс Re = 64100 * D
ул* v факт.
За правоъгълна форма
D L = D Чл.
Коефициент на триене λ tr = 0,3164 ⁄ Re-0,25 при Re≤60000, λ
тр= 0,1266 ⁄ Re-0,167 при Re> 60 000.
Местен коефициент на съпротивление λm
зависи от техния вид, количество и е избран от справочниците.
Коментари:
- Първоначални данни за изчисления
- Къде да започна? Ред за изчисляване
Сърцето на всяка вентилационна система с механичен въздушен поток е вентилаторът, който създава този поток в каналите. Мощността на вентилатора директно зависи от налягането, което трябва да се създаде на изхода от него, и за да се определи големината на това налягане, е необходимо да се изчисли съпротивлението на цялата система от канали.
За да изчислите загубата на налягане, имате нужда от оформлението и размерите на канала и допълнително оборудване.
Д.1 Аеродинамични коефициенти
Д.1.1 Самостоящи плоски твърди конструкции
Самостоятелно
апартаменттвърдоконструкцииНаземя
(
стени
,
оградиит
.
д
.)
За различните секции на конструкциите (фигура Д.1) коефициентът cx
определено съгласно таблица Е.1;
зе
=
з
.
Фигура Д.1
Таблица Д.1
| Области от плоски твърди конструкции на земята (виж фигурата Г.1 ) | |||
| И | IN | ОТ | д |
| 2,1 | 1,8 | 1,4 | 1,2 |
Реклама
щитове
За билбордове, издигнати над земята до височина най-малко д
/ 4 (фигура
D 2
):
cx
= 2,5
к
l, къде
к
l - дефинирано в
Г.1.15
.


Фигура Д.2
Резултантното натоварване, нормално към равнината на екрана, трябва да се прилага на височината на геометричния му център с ексцентриситет в хоризонтална посока д
= ± 0,25
б
.
зе
=
з г
+
д
/2.
Д.1.2 Правоъгълни сгради с двускатни покриви
Вертикален
стениправоъгълнавплансгради
Таблица Д.2
| Странични стени | Наветрена стена | Подветрена стена | ||
| Парцели | ||||
| И | IN | ОТ | д | Е. |
| -1,0 | -0,8 | -0,5 | 0,8 | -0,5 |
За по посока на вятъра, подветрените и различни секции на страничната стена (снимка Г.3
) аеродинамични коефициенти
ето
са дадени в таблицата
D 2
.
За странични стени с изпъкнали лоджии аеродинамичният коефициент на триене оте
= 0,1.


Фигура Д.3
Гейбл
покрития
За различни зони на покритие (фиг D.4
) коефициент
ето
определя се от таблици
Г.3
и и
Г.3
, b в зависимост от посоката на средната скорост на вятъра.
За ъгли 15 ° £ b £ 30 ° при a = 0 ° е необходимо да се разгледат два варианта на разпределение проектно натоварване от вятър
.
За удължени гладки покрития при a = 90 ° (фиг D.4
, б) аеродинамични коефициенти на триене
оте
= 0,02.


Фигура Д.4
Таблица Е.3а
- а
| Наклон b | F | G | З. | Аз | J |
| 15° | -0,9 | -0,8 | -0,3 | -0,4 | -1,0 |
| 0,2 | 0,2 | 0,2 | |||
| 30° | -0,5 | -0,5 | -0,2 | -0,4 | -0,5 |
| 0,7 | 0,7 | 0,4 | |||
| 45° | 0,7 | 0,7 | 0,6 | -0,2 | -0,3 |
| 60° | 0,7 | 0,7 | 0,7 | -0,2 | -0,3 |
| 75° | 0,8 | 0,8 | 0,8 | -0,2 | -0,3 |
Таблица E.3b
- а
| Наклон b | F | ОТ | З. | Аз |
| 0° | -1,8 | -1,3 | -0,7 | -0,5 |
| 15° | -1,3 | -1,3 | -0,6 | -0,5 |
| 30° | -1,1 | -1,4 | -0,8 | -0,5 |
| 45° | -1,1 | -1,4 | -0,9 | -0,5 |
| 60° | -1,1 | -1,2 | -0,8 | -0,5 |
| 75° | -1,1 | -1,2 | -0,8 | -0,5 |
Д.1.3 Правоъгълни сгради в плана със сводести и близки до тях контурни покрития


Фигура Д.5
Забележка
- На 0,2 паунда
е
/
д
£ 0,3 и
hl
/
л
³ 0,5, трябва да се вземат предвид две стойности на коефициента
ето
1.
Разпределението на аеродинамичните коефициенти по повърхността на покритието е показано на фигурата D.5
.
Аеродинамичните коефициенти за стени се вземат в съответствие с таблицата D 2
.
При определяне на еквивалентната височина (11.1.5
) и коефициент
v
в съответствие със
11.1.1
:
з
=
з
1 + 0,7
е
.
Д.1.4 Сгради с кръгла форма с куполни покриви
Стойности на коефициента ето
в точки
И
и
ОТ
,
и
също във взривоопасната част са показани на фигурата
D.6
... За междинните участъци коефициентите
ето
определя се чрез линейна интерполация.
При определяне на еквивалентната височина (11.1.5
) и коефициент
v
в съответствие със
11.1.1
:
з
=
з
1 + 0,7
е
.


Фигура Д.6
Д.1.5 Сгради с надлъжни светлини


Фигура Д.7
За секции A и B (Фигура E.7) коефициентите ето
трябва да се определя в съответствие с таблиците
Г.3
,
и
и
Г.3
,
б
.
За фенери на сайта ОТ
за l £ 2
cx
= 0,2; за 2 £ l £ 8 за всяка лампа
cx
= 0,1 л; в л
>
8
cx
= 0,8, тук l =
а
/
hf
.
За други зони на покритие ето
= -0,5.
За вертикални повърхности и стени на сгради коефициентите ето
трябва да се определя в съответствие с таблицата
D 2
.
При определяне на еквивалентната височина zе
(
11.1.5
) и коефициент
v
(
11.1.1
)
з
=
з
1.
Д.1.6 Сгради с капандури


Фигура Д.8
За наветрен фенер коефициентът ето
трябва да се определя в съответствие с таблиците
Г.3
,
и
и
Г.3
,
б
.
За останалите светлини коефициентите cx
са дефинирани по същия начин, както за сайта
ОТ
(раздел
Г.1.5
).
За останалото покритие ето
= -0,5.
За вертикални повърхности и стени на сгради коефициентите ето
трябва да се определя в съответствие с таблицата
D 2
.
При определяне на еквивалентната височина зе
(
11.1.5
) и коефициент
v
(
11.1.1
)
з
=
з
1.
Д.1.7 Сгради със сенчести покрития


Фигура Д.9
За раздел А коефициентът ето
трябва да се определя в съответствие с таблиците
Г.3
,
и
и
Г.3
,
б
.
За останалото покритие ето
= -0,5.
За вертикални повърхности и стени на сгради коефициентите ето
трябва да се определя в съответствие с таблицата
D 2
.
При определяне на еквивалентната височина зе
(
11.1.5
) и коефициент
v
(
11.1.1
)
з
=
з
1.
Д.1.8 Сгради с первази
Фигура Д.10
За сюжета ОТ
коефициент
ето
= 0,8.
За сюжета И
коефициент
ето
трябва да се вземат в съответствие с таблицата
D 2
.
За сюжета IN
коефициент
ето
трябва да се определя чрез линейна интерполация.
За други вертикални повърхности коефициентът ето
трябва да се определя в съответствие с таблицата
D 2
.
За покриване на сгради, коефициентите ето
определени съгласно таблици
Г.3
,
и
и
Г.3
,
б
.
Д.1.9 Сгради, постоянно отворени от едната страна


Фигура Д.11
С пропускливостта на оградата m £ 5% отi
1 =
ci
2 = ± 0,2. За всяка стена на сградата знакът "плюс" или "минус" трябва да бъде избран от условията за изпълнение на най-неблагоприятната опция за товарене.
За m ≥ 30% отi
1 = -0,5;
ci
2 = 0,8.
Коефициент ето
на външната повърхност трябва да се вземат в съответствие с таблицата
D 2
.
Забележка
- Пропускливостта на оградата m трябва да се определи като съотношение на общата площ на отворите в нея към общата площ на оградата.
Д.1.10 Бараки
Аеродинамични коефициенти ето
за четири вида сенници (снимка
Г.12
) без непрекъснати вертикални ограждащи конструкции се определят съгласно таблицата
D.4
.


Фигура Д.12
Таблица Е.4
| Тип на схемата | а, град | Стойности на коефициента | |||
| ce 1 | ce 2 | ce 3 | ce 4 | ||
| Аз | 10 | 0,5 | -1,3 | -1,1 | 0 |
| 20 | 1,1 | 0 | 0 | -0,4 | |
| 30 | 2,1 | 0,9 | 0,6 | 0 | |
| II | 10 | 0 | -1,1 | -1,5 | 0 |
| 20 | 1,5 | 0,5 | 0 | 0 | |
| 30 | 2 | 0,8 | 0,4 | 0,4 | |
| III | 10 | 1,4 | 0,4 | — | — |
| 20 | 1,8 | 0,5 | — | — | |
| 30 | 2,2 | 0,6 | — | — | |
| IV | 10 | 1,3 | 0,2 | — | — |
| 20 | 1,4 | 0,3 | — | — | |
| 30 | 1,6 | 0,4 | — | — | |
| Бележки (редактиране) 1 Коефициенти ето 1, 2 За отрицателни стойности ето 1, 3 За навеси с гофрирани повърхности аеродинамичният коефициент на триене срв = 0,04. | |||||
Г.1.11 Сфера
Фигура Д.13
Аеродинамични коефициенти на съпротивление cx
сфери при
з г>д
/ 2 (фигура
Г.13
) са показани на фигурата
Г.14
в зависимост от броя на Рейнолдс
Re
и относителна грапавост d = D /
д
, където D, m, е грапавостта на повърхността (вж.
Г.1.15
). Кога
з г<д
/ 2 съотношение
cx
трябва да се увеличи с 1,6 пъти.
Коефициент на повдигане на сферата cz
се приема равно на:
в з г
>
д
/2 —
cz
= 0;
в з г
<д
/2 —
отz
= 0,6.
Печатна грешка
Еквивалентна височина (11.1.5
)
зе
=
з г
+
д
/2.
При определяне на коефициента v
в съответствие със
11.1.11
трябва да се вземат
б
=
з
= 0,7
д
.
Номер на Рейнолдс Re
се определя по формулата
Където д
, m, е диаметърът на сферата;
w
0, Pa, - се определя в съответствие с
11.1.4
;
зе
, m, - еквивалентна височина;
к
(
зе
) - се определя в съответствие с
11.1.6
;
- же


Фигура E.14
Д.1.12 Конструкции и конструктивни елементи с кръгла цилиндрична повърхност
Аеродинамичен коефициент ce1
външното налягане се определя по формулата
ce
1 =
к
l1
° С
б,
Където к
l1 = 1 за
от
b> 0; за
от
b <0 -
к
l1 =
к
l, дефинирано в
Г.1.15
.
Разпределение на коефициентите на cb върху повърхността на цилиндъра при d = D /д
<
5 × 10-4 (вж.
Г.1.16
) е показано на фигурата
Г.16
за различни числа на Рейнолдс
Re
... Стойностите на ъглите bmin и b, посочени на тази фигура
б
, както и съответната стойност на коефициентите
от
мин и
отб
са дадени в таблицата
D.5
.
Стойности на коефициентите на аеродинамично налягане ето
2 и
отi
(чертеж
Г.14
) са дадени в таблицата
D.6
... Коефициент
отi
трябва да се вземат предвид при спуснат покрив („плаващ покрив“), както и при липса на покрив.
Аеродинамичните коефициенти на съпротивление се определят по формулата
cX
=
к
л
cx
¥,
Където к
l - дефинирано в
Г.1
в зависимост от относителното удължение на конструкцията (вж.
Г.1.15
). Стойности на коефициента
cx
¥ са показани на снимката
Г.17
в зависимост от броя на Рейнолдс
Re
и относителна грапавост D = d /
д
(см.
Г.1.16
).


Фигура Д.15


Фигура E.16
Таблица Д.5
| Re | bmin | ° С мин | бб | cb |
| 5×105 | 85 | -2,2 | 135 | -0,4 |
| 2×106 | 80 | -1,9 | 120 | -0,7 |
| 107 | 75 | -1,5 | 105 | -0,8 |
Таблица Д.6
| з / д | 1/6 | 1/4 | 1/2 | 1 | 2 | ³ 5 |
| ce 2, | -0,5 | -0,55 | -0,7 | -0,8 | -0,9 | -1,05 |


Фигура E.17
За проводници и кабели (включително покрити с лед) cx
= 1,2.
Аеродинамични коефициенти на наклонени елементи (фигура Г.18
) се определят по формулата
cx
b =
cx
sin2bsin2q.
Където cx
- определено в съответствие с данните на фигурата
Г.17
;
ос х
успоредно на скоростта на вятъра
V
;
ос z
насочени вертикално нагоре;
- бXY
и ос
х
; - qz
.
Фигура E.18
При определяне на коефициента v
в съответствие със
11.1.1
:
б
= 0,7
д
;
з
=
з
1 + 0,7
е
.
Номер на Рейнолдс Re
определя се по формулата, дадена в
Г.1.11
където
zе
= 0,8
з
за вертикално разположени конструкции;
зе
е равно на разстоянието от повърхността на земята до оста на хоризонтално разположена структура.
Д.1.13 Призматични структури
Печатна грешка
Коефициентите на аеродинамично съпротивление на призматичните конструкции се определят по формулата
cX
=
к
л
cX
¥,
Където к
дефиниран в
Г.1.15
в зависимост от относителното удължение на конструкцията l
д
.
Стойности на коефициента cX
¥ за правоъгълни секции са показани на фигурата
Г.19
, и за
н
-гонални сечения и конструктивни елементи (профили) - в таблицата
D 7
.
Таблица Д.7
| Скици на секции и посоки на вятъра | b, град. | P (брой страни) | cx ¥ в |
| Правилен многоъгълник | Произволно | 5 | 1,8 |
| 6 — 8 | 1,5 | ||
| 10 | 1,2 | ||
| 12 | 1,0 |


Фигура Д.19
Д.1.14 Решетъчни конструкции
Аеродинамичните коефициенти на решетъчните конструкции са свързани с площта на ръбовете на пространствените ферми или площта на контура на плоските ферми.
Посока на оста х
за плоски ферми съвпада с посоката на вятъра и е перпендикулярна на равнината на конструкцията; за пространствените ферми изчислените посоки на вятъра са показани в таблицата
D.8
.
Аеродинамични
коефициентиcxотделенапартаментрешеткаконструкцииса определениотформула
Където cxi
- аеродинамичен коефициент
i
-тият структурен елемент, определен в съответствие с инструкциите
Г.1.13
за профили и
Г.1.12
, в за тръбни елементи; при което
к
l = 1;
Ай
- проекционна площ
i
ти структурен елемент;
Ак
- площта, ограничена от контура на конструкцията.
Фигура E.20
Ред
апартаментпаралелноразположенрешеткаконструкции
Фигура Д.21
За наветрена структура коефициентът cxl
се дефинира по същия начин, както за свободно стояща ферма.
За втория и следващите проекти cx
2 =
cx
1ч.
За ферми от тръбни профили с Re
<4 × 105 коефициент h се определя от таблицата
D.8
в зависимост от относителното разстояние между фермите
б
/
з
(чертеж
Г.19
) и коефициента на пропускливост на фермите
Таблица Д.8
| j | б / | ||||
| 1/2 | 1 | 2 | 4 | 6 | |
| 0,1 | 0,93 | 0,99 | 1 | 1 | 1 |
| 0,2 | 0,75 | 0,81 | 0,87 | 0,9 | 0,93 |
| 0,3 | 0,56 | 0,65 | 0,73 | 0,78 | 0,83 |
| 0,4 | 0,38 | 0,48 | 0,59 | 0,65 | 0,72 |
| 0,5 | 0,19 | 0,32 | 0,44 | 0,52 | 0,61 |
| 0,6 | 0 | 0,15 | 0,3 | 0,4 | 0,5 |
За тръбни ферми при Re
³ 4 × 105 h = 0,95.
Забележка
- номер на Рейнолдс
Re
трябва да се определя по формулата в подраздел
Г.1.11
където
д
Е средният диаметър на тръбните елементи.
Решетка
кулиипространственаферми
Фигура Д.22
Аеродинамични коефициенти отл
решетъчните кули и космическите ферми се определят по формулата
cl
=
cx
(1 + h)
к
1,
Където cx
- се определя по същия начин, както за свободно стояща ферма;
- з
Стойности на коефициента к
1 са дадени в таблицата
D.9
.
Таблица Д.9
| Форма на напречното сечение и посока на вятъра | к 1 |
| 1 | |
| 0,9 | |
| 1,2 |
Д.1.15 Като се вземе предвид относителното удължение
Стойности на коефициента к
l в зависимост от относителното удължение l
д
елемент или структура са показани на фигурата
D.23
... Удължение l
д
зависи от параметъра l =
л
/
б
и се определя от таблицата
Г.10
; пропускливост


Фигура Д.23
Таблица Д.10
| ||
| Забележка — | ||
Д.1.16 Като се вземе предвид грапавостта на външната повърхност
Стойностите на коефициента D, характеризиращ грапавостта на повърхностите на конструкциите, в зависимост от тяхната обработка и материала, от който са направени, са дадени в таблицата Г.11
.
Таблица Д.11
| Тип повърхност | Относителна грапавост d, mm | Тип повърхност | Относителна грапавост d, mm |
| Стъклена чаша | 0,0015 | Цинк стомана | 0,2 |
| Полиран метал | 0,002 | Шлайфан бетон | 0,2 |
| Фино смляна маслена боя | 0,006 | Груб бетон | 1,0 |
| Спрей боя | 0,02 | Ръжда | 2,0 |
| Излято желязо | 0,2 | Зидария | 3,0 |
Г.1.17 Пикови стойности на аеродинамични коефициенти за правоъгълни сгради
а) За стени на правоъгълни сгради, пиковата положителна стойност на аеродинамичния коефициент Ср
,
+
= 1,2.
б) Пикови стойности на отрицателния аеродинамичен коефициент Ср
,
—
за стени и плоски покрития (снимка
D.24
) са дадени в таблицата
Г.12
.
Таблица Д.12
| Парцел | И | IN | ОТ | д | Е. |
| cp ,- | -2,2 | -1,2 | -3,4 | -2,4 | -1,5 |


Фигура Д.24
Е.2 Резонансно вихрово възбуждане
Д.2.1 За еднопролетните конструкции и структурни елементи, интензивността на експозицията F
(
z
), действащи при резонансно вихрово възбуждане
i
-та правилна форма в посока, перпендикулярна на средната скорост на вятъра, се определя по формулата
N / m, (D.2.1)
Където д
, m, е размерът на конструкцията или конструктивния елемент в посоката, перпендикулярна на средната скорост на вятъра;
Vcr
,
i
, m / s, - вж.
11.3.2
;
cy
,
кр
- аеродинамичен коефициент на напречна сила при резонансно вихрово възбуждане;
- д
- дд
z
- координата, която се променя по оста на конструкцията;
ji
(
z
) —
i
-та форма на естествени вибрации в напречна посока, удовлетворяваща условието
макс [j (z
)] = 1. (D.2.2)
Забележка
- Препоръчва се въздействието при резонансно вихрово възбуждане (предимно високи сгради) да се изясни въз основа на данните от моделните аеродинамични тестове.
Д.2.2 Аеродинамични коефициенти су
страничните сили се определят, както следва:
а) За кръгли напречни сечения су
= 0,3.
б) За правоъгълни напречни сечения при б
/
д
> 0,5:
cy
= 1,1 за
Vcr
,
i
/
V
макс (
z
уравнение) <0,8;
су
= 0,6 за
Vcr
,
i
/
V
макс (
z
eq) ³ 0,8,
тук б
- размерът на конструкцията по посока на средната скорост на вятъра.
Кога б
/
д
Изчисляване на £ 0,5 за резонансно вихрово възбуждане е разрешено да не се извършва.
Д.2.3 При изчисляване на структура за резонансно вихрово възбуждане, заедно с ефекта (Г.2.1
) също така е необходимо да се вземе предвид ефектът от натоварване от вятър, успореден на средната скорост на вятъра. Средно аритметично
wm
,
кр
и пулсиращ
wp
,
кр
компонентите на това въздействие се определят по формулите:
wm
,
кр
= (
Vcr
/
V
макс.) 2
wm
;
wp
,
кр
= (
Vcr
/
V
макс.) 2
wp
, (D.2.3)
Където V
max - прогнозна скорост на вятъра на височина
z
eq, на който възниква резонансното вихрово възбуждане, определено по формулата (
11.13
);
wm
и
wp
- изчислените стойности на средните и пулсационни компоненти на натоварването от вятъра, определени в съответствие с инструкциите
11.1
.
Д.2.4 Критични скорости Vcr
,
i
може да има достатъчно голяма повторяемост по време на проектния живот на конструкцията и следователно резонансното вихрово възбуждане може да доведе до натрупване на увреждания от умора.
За предотвратяване на резонансно вихрово възбуждане могат да се използват различни конструктивни мерки: монтаж на вертикални и спирални ребра, перфорация на оградата и монтаж на подходящо настроени вибрационни амортисьори.
Източник: stroyinf.ru
Първоначални данни за изчисления
Когато диаграмата на вентилационната система е известна, се избират размерите на всички въздуховоди и се определя допълнително оборудване, диаграмата се изобразява във фронтална изометрична проекция, т.е. в перспектива. Ако се извършва в съответствие с действащите стандарти, тогава цялата информация, необходима за изчислението, ще бъде видима на чертежите (или скиците).
- С помощта на етажни планове можете да определите дължините на хоризонталните участъци на въздуховодите. Ако на аксонометричната диаграма се поставят коти, върху които преминават каналите, тогава дължината на хоризонталните сечения също ще стане известна. В противен случай ще са необходими участъци от сградата с положени трасета на въздуховоди. И в краен случай, когато няма достатъчно информация, тези дължини ще трябва да се определят чрез измервания на мястото на инсталиране.
- Диаграмата трябва да показва с помощта на символи цялото допълнително оборудване, инсталирано в каналите.Това могат да бъдат мембрани, моторизирани амортисьори, противопожарни амортисьори, както и устройства за разпределяне или изпускане на въздух (решетки, панели, чадъри, дифузори). Всяка част от това оборудване създава съпротивление по пътя на въздушния поток, което трябва да се вземе предвид при изчисляването.
- В съответствие със стандартите на диаграмата, скоростите на въздушния поток и размерите на каналите трябва да бъдат посочени до конвенционалните изображения на въздуховодите. Това са определящите параметри за изчисления.
- Всички оформени и разклоняващи се елементи също трябва да бъдат отразени в диаграмата.
Ако такава диаграма не съществува на хартия или в електронен вид, ще трябва да я нарисувате поне в груб вариант; не можете да направите без нея, когато изчислявате.
Обратно към съдържанието
Препоръчителни норми на обменния курс на въздуха
По време на проектирането на сградата се извършва изчислението на всеки отделен участък. В производството това са работилници, в жилищни сгради - апартаменти, в частна къща - подови блокове или отделни стаи.
Преди да инсталирате вентилационната система, е известно какви са маршрутите и размерите на основните линии, каква геометрия са необходими вентилационни канали, какъв размер на тръбата е оптимален.


Не се изненадвайте от общите размери на въздуховодите в заведенията за обществено хранене или други институции - те са предназначени да отстраняват голямо количество отработен въздух
Изчисленията, свързани с движението на въздушните потоци вътре в жилищни и промишлени сгради, се класифицират като най-сложните, поради което се нуждаят от опитни квалифицирани специалисти, които да се справят с тях.
Препоръчителната скорост на въздуха в каналите е посочена в SNiP - нормативна държавна документация и при проектиране или въвеждане в експлоатация на обекти те се ръководят от нея.


Таблицата показва параметрите, които трябва да се спазват при инсталиране на вентилационна система. Цифрите показват скоростта на движение на въздушните маси в местата за монтаж на канали и решетки в общоприети единици - m / s
Смята се, че скоростта на въздуха в помещенията не трябва да надвишава 0,3 m / s.
Изключение правят временните технически обстоятелства (например ремонтни дейности, монтаж на строително оборудване и др.), При които параметрите могат да надвишават стандартите с максимум 30%.
В големи помещения (гаражи, производствени халета, складове, хангари), вместо една вентилационна система, често работят две.
Товарът е разделен наполовина, поради което скоростта на въздуха е избрана така, че да осигурява 50% от общия прогнозен обем на движение на въздуха (отстраняване на замърсен или подаване на чист въздух).
В случай на форсмажорни обстоятелства става необходимо рязко да се промени скоростта на въздуха или да се спре напълно работата на вентилационната система.
Например, съгласно изискванията за пожарна безопасност, скоростта на движение на въздуха е намалена до минимум, за да се предотврати разпространението на огън и дим в съседните помещения по време на пожар.
За тази цел във въздуховодите и в преходните секции са монтирани прекъсващи устройства и клапани.
Къде да започна?
Диаграма на загуба на глава на метър канал.
Много често се налага да се справите с доста прости схеми за вентилация, при които има въздуховод със същия диаметър и няма допълнително оборудване. Такива вериги се изчисляват съвсем просто, но какво, ако веригата е сложна с много клонове? Съгласно метода за изчисляване на загубите на налягане във въздуховодите, който е описан в много справочни публикации, е необходимо да се определи най-дългият клон на системата или разклонението с най-голямо съпротивление. Рядко е възможно да се открие такава устойчивост на око, поради което е обичайно да се изчислява по най-дългия клон. След това, като се използват скоростите на въздушния поток, посочени на диаграмата, целият клон се разделя на секции според тази характеристика.Като правило разходите се променят след разклоняване (тройници) и при разделяне е най-добре да се съсредоточите върху тях. Има и други опции, например захранващи или изпускателни решетки, вградени директно в главния канал. Ако това не е показано на диаграмата, но има такава решетка, ще е необходимо да се изчисли дебитът след нея. Секциите са номерирани, започвайки от най-отдалечената от вентилатора.
Обратно към съдържанието
Значението на въздушния обмен за хората
Според строителните и хигиенни стандарти всеки жилищен или индустриален обект трябва да бъде снабден с вентилационна система.
Основната му цел е да поддържа въздушния баланс, да създава микроклимат, благоприятен за работа и почивка. Това означава, че в атмосферата, която хората дишат, не трябва да има излишък на топлина, влага и различни видове замърсяване.
Нарушенията в организацията на вентилационната система водят до развитие на инфекциозни заболявания и заболявания на дихателната система, до намаляване на имунитета, до преждевременно разваляне на храната.
В прекалено влажна и топла среда патогените се развиват бързо и по стените, таваните и дори мебелите се появяват огнища на мухъл и мухъл.


Схема за вентилация в двуетажна частна къща. Вентилационната система е оборудвана с енергоспестяващ блок за захранване и изпускане с рекуператор на топлина, който ви позволява да използвате повторно топлината на въздуха, отстранен от сградата
Една от предпоставките за поддържане на здравословен въздушен баланс е правилното проектиране на вентилационната система. Всяка част от въздухообменната мрежа трябва да бъде избрана въз основа на обема на помещението и характеристиките на въздуха в него.
Да предположим, че в малък апартамент има доста добре изградена приточна и изпускателна вентилация, докато в производствените цехове е задължително да се инсталира оборудване за принудителна обмяна на въздух.
При изграждането на къщи, обществени институции, работилници на предприятия, те се ръководят от следните принципи:
- всяка стая трябва да бъде снабдена с вентилационна система;
- трябва да се спазват хигиенните параметри на въздуха;
- предприятията трябва да инсталират устройства, които увеличават и регулират скоростта на обмен на въздух; в жилищни помещения - климатици или вентилатори, при условие че няма достатъчно вентилация;
- в помещения за различни цели (например в отделения за пациенти и операционна зала или в офис и в стая за пушачи) е необходимо да се оборудват различни системи.
За да може вентилацията да отговаря на изброените условия, е необходимо да се направят изчисления и да се избере оборудване - устройства за подаване на въздух и въздуховоди.
Също така, когато инсталирате вентилационна система, е необходимо да изберете правилните места за всмукване на въздух, за да предотвратите връщането на замърсени потоци в помещенията.


В процеса на изготвяне на проект за вентилация за частна къща, многоетажна жилищна сграда или индустриални помещения се изчислява обемът на въздуха и се очертават местата за инсталиране на вентилационно оборудване: водообменни устройства, климатици и въздуховоди
Ефективността на въздушния обмен зависи от размера на въздуховодите (включително домашните мини). Нека да разберем какви са нормите на дебита на въздуха във вентилацията, посочени в санитарната документация.
Галерия с изображения
Снимка от
Вентилационна система на тавана на къщата
Захранващо и изпускателно вентилационно оборудване
Пластмасови правоъгълни въздуховоди
Локални съпротивления на въздуховоди






